Запчасти для грузовых автомобилей
8-800-555-32-41
Перезвоните мне
Отправить готовую заявку
0
Корзина
Поиск
КАТАЛОГ ПРОДУКЦИИ
Запчасти УРАЛ
Запчасти КамАЗ
Запчасти АМТ
Запчасти ЧТЗ
Запчасти погрузчиков Dalian
Запчасти ЯМЗ
Двигатели ЯМЗ в сборе
Запчасти Shaanxi Fast Gear
Лебедки
Спецпредложения
О компании
Доставка и оплата
Гарантии и сервис
Контакты
Графические каталоги запчастей
Водяной насос ЯМЗ-850
Главная
/
Графические каталоги
/
ЯМЗ
/
ЯМЗ-850
/
Водяной насос
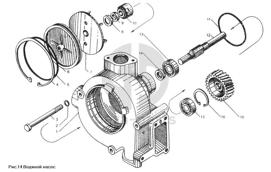
1
2
3
4
6
7
8
9
10
12
14
15
16
%
1
850.1307015
Корпус
Кол-во
1
?
Узнать цену
850.1307015
КОРПУС ВОДЯНОГО НАСОСА
Производство:
ПАО Автодизель (ЯМЗ)
Под заказ
17 045
p
В корзину
2
252137-П2
Шайба пружинная
Кол-во
3
?
Узнать цену
252137-П2
Шайба 12 пружинная 12,2х20,5х4,0
Производство:
ПАО Автодизель (ЯМЗ)
276 в наличии
15
p
В корзину
3
200411-П29
Болт
Кол-во
3
?
Узнать цену
200411-П29
БОЛТ
Производство:
ПАО Автодизель (ЯМЗ)
Под заказ
124
p
В корзину
4
850.1307033
Кольцо стопорное
Кол-во
1
?
Узнать цену
850.1307033
КОЛЬЦО СТОПОРНОЕ
Производство:
ПАО Автодизель (ЯМЗ)
Под заказ
693
p
В корзину
6
840.1307045-01
Крышка
Кол-во
1
?
Узнать цену
840.1307045-01
КРЫШКА
Производство:
ПАО Автодизель (ЯМЗ)
Под заказ
1 630
p
В корзину
7
850.1307030
Крыльчатка в сборе
Кол-во
1
?
Оставить заявку
8
850.1307039
Втулка
Кол-во
1
?
Оставить заявку
9
850.1307062
Манжета
Кол-во
1
?
Узнать цену
850.1307062
Манжета ЯМЗ-850.10 насоса водяного
Производство:
ПАО Автодизель (ЯМЗ)
Под заказ
14
p
В корзину
10
850.1307031
Уплотнение торцовое в сборе
Кол-во
1
?
Оставить заявку
12
850.1307023
Валик насоса
Кол-во
1
?
Оставить заявку
14
850.1307090
Манжета в сборе
Кол-во
1
?
Оставить заявку
15
850.1307070
Шестерня
Кол-во
1
?
Оставить заявку
16
8401.1307136
Кольцо стопорное
Кол-во
1
?
Узнать цену
8401.1307136
Кольцо ЯМЗ стопорное натяжного устройства
Производство:
ПАО Автодизель (ЯМЗ)
6 в наличии
412
p
В корзину
Получить консультацию
У нас большой опыт по подбору запчастей, и мы с радостью поможем вам найти нужную деталь, даже если вы не знаете ее артикул
Дмитрий Иванов
Директор отдела продаж
Мобильный номер:
8 (912) 474-74-74
E-mail:
td.uralval@mail.ru
Вы должны включить JavaScript чтобы использовать эту форму.
Ваше имя
Ваш телефон
Комментарий
Я соглашаюсь с
Политикой конфиденциальности
и даю согласие на обработку персональных данных.
Feed me
Отправить