Запчасти для грузовых автомобилей
8-800-555-32-41
Перезвоните мне
Отправить готовую заявку
0
Корзина
Поиск
КАТАЛОГ ПРОДУКЦИИ
Запчасти УРАЛ
Запчасти КамАЗ
Запчасти АМТ
Запчасти ЧТЗ
Запчасти погрузчиков Dalian
Запчасти ЯМЗ
Двигатели ЯМЗ в сборе
Запчасти Shaanxi Fast Gear
Лебедки
Спецпредложения
О компании
Доставка и оплата
Гарантии и сервис
Контакты
Графические каталоги запчастей
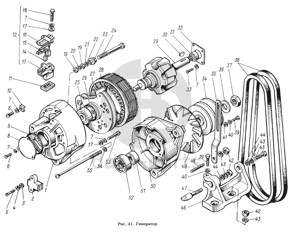
Генератор ЯМЗ-8423.10
Главная
/
Графические каталоги
/
ЯМЗ
/
ЯМЗ-8423.10
/
Генератор
1
2
3
4
5
6
6
7
7
7
7
7
8
9
10
11
12
13
14
15
16
17
17
18
19
19
20
21
22
23
24
25
26
27
28
29
31
32
33
34
35
36
37
38
39
39
40
40
41
42
42
43
43
43
44
44
45
46
47
48
49
50
51
52
53
54
55
%
1
5702.3701301
Крышка со стороны контактных колец
Кол-во
1
?
Оставить заявку
2
3802.3701306
Колодка
Кол-во
1
?
Оставить заявку
3
МП-40028
Шайба
Кол-во
2
?
Оставить заявку
4
Х-1012-Т
Шайба
Кол-во
2
?
Оставить заявку
5
8Х-4166
Винт
Кол-во
2
?
Оставить заявку
6
7Х-1542
Винт
Кол-во
4
?
Оставить заявку
7
Х-4001-Т
Шайба
Кол-во
13
?
Оставить заявку
8
5702.3701060
Крышка подшипника
Кол-во
1
?
Оставить заявку
9
19.3701008
Кольцо уплотнительное
Кол-во
1
?
Оставить заявку
10
ВК14-3708053
Скоба
Кол-во
1
?
Оставить заявку
11
3802-3701007
Прокладка уплотни-тельная
Кол-во
1
?
Оставить заявку
12
Г250П1 -3701010
Щеткодержатель в сборе
Кол-во
1
?
Оставить заявку
13
Г250П1-3701011
Щеткодержатель
Кол-во
1
?
Оставить заявку
14
Г250П1-3701020
Щетка
Кол-во
1
?
Оставить заявку
15
Г250П1-3701030
Щетка
Кол-во
1
?
Оставить заявку
16
Г250П1-3701012
Крышка щеткодержателя
Кол-во
1
?
Оставить заявку
17
8Х-1497
Шайба
Кол-во
5
?
Оставить заявку
18
Г250-3701016
Болт специальный
Кол-во
2
?
Оставить заявку
19
8Х-1537
Гайка
Кол-во
2
?
Оставить заявку
20
МХ-0246-Т
Шайба
Кол-во
1
?
Оставить заявку
21
Х-4069-Т
Шайба
Кол-во
1
?
Оставить заявку
22
1-МЮ-37-Т
Шайба
Кол-во
1
?
Оставить заявку
23
3802-3701319
Втулка
Кол-во
1
?
Оставить заявку
24
3802.3701309
Болт контактный
Кол-во
1
?
Оставить заявку
25
6-180603К1С9
Подшипник шариковый радиальный однорядный с двусторонним уплотнением 20х52х18
Кол-во
1
?
Оставить заявку
26
3802.3701308
Кольцо уплотни-тельное
Кол-во
1
?
Оставить заявку
27
ИАЕЮ.4352. 14008
Блок БПВ 7-100-02 выпрямительный
Кол-во
1
?
Оставить заявку
28
5702.3701100
Статор
Кол-во
1
?
Оставить заявку
29
5702.3701200
Ротор
Кол-во
1
?
Оставить заявку
31
5702.3701214
Втулка распорная
Кол-во
1
?
Оставить заявку
32
3802.3701404
Шайба специальная
Кол-во
1
?
Оставить заявку
33
3802.3701406
Винт специальный
Кол-во
4
?
Оставить заявку
34
5702.3701051
Шкив генератора
Кол-во
1
?
Оставить заявку
35
841.3701790
Планка натяжная
Кол-во
1
?
Оставить заявку
36
МХ-0234-Т
Шайба
Кол-во
1
?
Оставить заявку
37
МХ-0235
Гайка
Кол-во
1
?
Оставить заявку
38
84211-3701002
Комплект ремней
Кол-во
1
?
Оставить заявку
39
201460-П29
Болт М8х30
Кол-во
2
?
Узнать цену
201460-П29
Болт М8х1.25х30 крышки фильтра тонкой очистки топлива ЗИЛ-5301
Производство:
ПАО Автодизель (ЯМЗ)
10 в наличии
7
p
В корзину
201460-П29
Болт М8х1.25х30 крышки фильтра тонкой очистки топлива ЗИЛ-5301
Производство:
АЗ Урал
Под заказ
23
p
В корзину
40
252135-П2
Шайба пружинная
Кол-во
2
?
Узнать цену
252135-П2
Шайба 8х2.5 ЯМЗ заглушки блока цилиндров
Производство:
ПАО Автодизель (ЯМЗ)
495 в наличии
3
p
В корзину
41
252038-П2
Шайба
Кол-во
1
?
Узнать цену
252038-П2
ШАЙБА 8.01.06
Производство:
ПАО Автодизель (ЯМЗ)
Под заказ
16
p
В корзину
42
250517-П29
Гайка
Кол-во
4
?
Узнать цену
250517-П29
Гайка М10х1,25-6Н (подвески РДВ)
Производство:
ПАО Автодизель (ЯМЗ)
22 в наличии
13
p
В корзину
250517-П29
Гайка М10х1,25-6Н (подвески РДВ)
Производство:
АЗ Урал
Под заказ
20
p
В корзину
43
252136-П2
Шайба 10 пружинная
Кол-во
3
?
Узнать цену
252136-П2
Шайба 10.2х2.5 пружинная
Производство:
ПАО Автодизель (ЯМЗ)
509 в наличии
11
p
В корзину
44
252006-П29
Шайба плоская
Кол-во
2
?
Узнать цену
252006-П29
Шайба 10 отопителя УРАЛ
Производство:
ПАО Автодизель (ЯМЗ)
55 в наличии
5
p
В корзину
252006-П29
Шайба 10 отопителя УРАЛ
Производство:
АЗ Урал
Под заказ
17
p
В корзину
45
201682-П29
Болт
Кол-во
1
?
Узнать цену
201682-П29
БОЛТ
Производство:
ПАО Автодизель (ЯМЗ)
Под заказ
100
p
В корзину
46
8423.3701774
Кронштейн крепления генератора
Кол-во
1
?
Оставить заявку
47
841.3701780
Палец крепления генератора
Кол-во
1
?
Оставить заявку
48
216459-П29
Шпилька
Кол-во
1
?
Узнать цену
216459-П29
ШПИЛЬКА
Производство:
ПАО Автодизель (ЯМЗ)
Под заказ
202
p
В корзину
49
3802.3701055
Вентилятор
Кол-во
1
?
Оставить заявку
50
5702.3701401
Крышка со стороны привода
Кол-во
1
?
Оставить заявку
51
3802.3701054
Втулка
Кол-во
1
?
Оставить заявку
52
6-1180304КС9
Подшипник шариковый
Кол-во
1
?
Оставить заявку
53
МХ-0139
Винт
Кол-во
3
?
Оставить заявку
54
Х-1482-Т
Шайба
Кол-во
3
?
Оставить заявку
55
3802.3701061
Винт стяжной
Кол-во
3
?
Оставить заявку
Получить консультацию
У нас большой опыт по подбору запчастей, и мы с радостью поможем вам найти нужную деталь, даже если вы не знаете ее артикул
Дмитрий Иванов
Директор отдела продаж
Мобильный номер:
8 (912) 474-74-74
E-mail:
td.uralval@mail.ru
Вы должны включить JavaScript чтобы использовать эту форму.
Ваше имя
Ваш телефон
Комментарий
Я соглашаюсь с
Политикой конфиденциальности
и даю согласие на обработку персональных данных.
Feed me
Отправить