Запчасти для грузовых автомобилей
8-800-555-32-41
Перезвоните мне
Отправить готовую заявку
0
Корзина
Поиск
КАТАЛОГ ПРОДУКЦИИ
Запчасти УРАЛ
Запчасти КамАЗ
Запчасти АМТ
Запчасти ЧТЗ
Запчасти погрузчиков Dalian
Запчасти ЯМЗ
Двигатели ЯМЗ в сборе
Запчасти Shaanxi Fast Gear
Лебедки
Спецпредложения
О компании
Доставка и оплата
Гарантии и сервис
Контакты
Графические каталоги запчастей
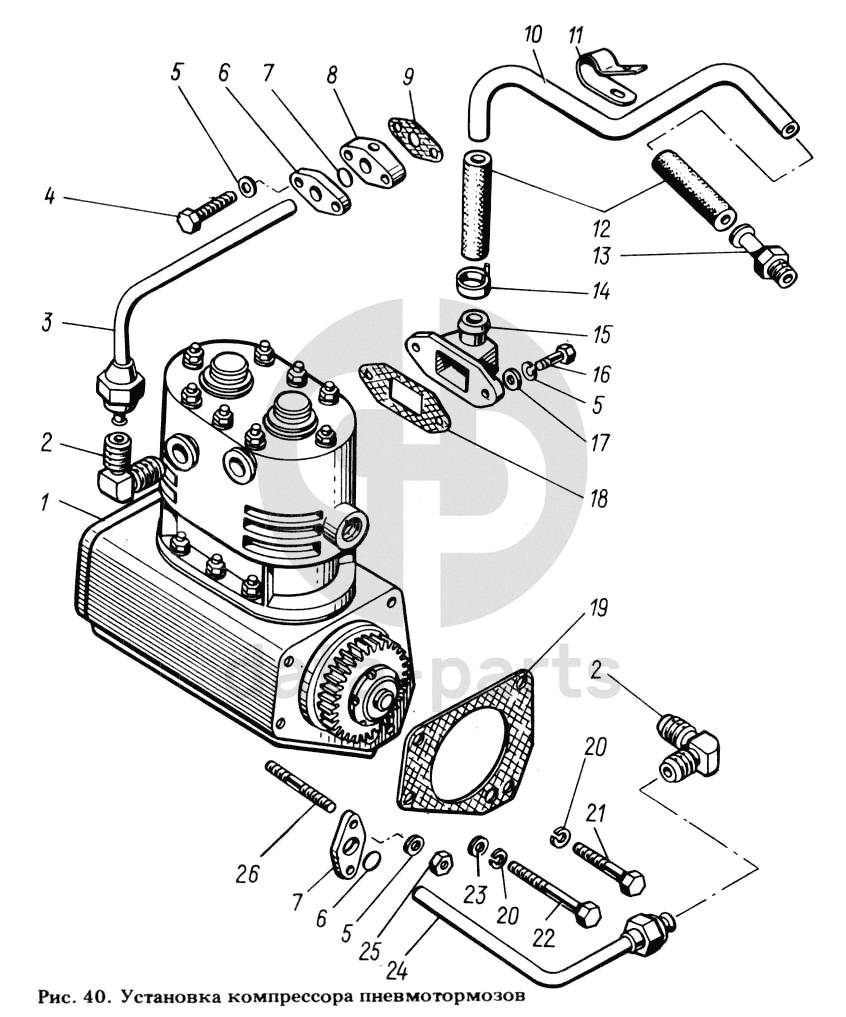
Установка компрессора пневмотормозов ЯМЗ-8423.10
Главная
/
Графические каталоги
/
ЯМЗ
/
ЯМЗ-8423.10
/
Установка компрессора пневмотормозов
1
2
2
3
4
5
5
5
6
6
7
7
8
9
10
11
12
13
14
15
16
17
18
19
20
20
21
22
23
24
25
26
%
1
13.3509012-20
Компрессор в сборе
Кол-во
1
?
Оставить заявку
2
314510-П
Угольник
Кол-во
2
?
Узнать цену
314510-П
Угольник ЯМЗ компрессора КГ3/8
Производство:
ПАО Автодизель (ЯМЗ)
Под заказ
1 398
p
В корзину
3
8423.3509280
Трубка слива воды
Кол-во
1
?
Оставить заявку
4
201468-П29
Болт
Кол-во
2
?
Узнать цену
201468-П29
Болт М8х1.25х50 механизма переключения передач М-2141
Производство:
ПАО Автодизель (ЯМЗ)
Под заказ
15
p
В корзину
5
252135-П2
Шайба пружинная
Кол-во
6
?
Узнать цену
252135-П2
Шайба 8х2.5 ЯМЗ заглушки блока цилиндров
Производство:
ПАО Автодизель (ЯМЗ)
495 в наличии
3
p
В корзину
6
840.3509294
Фланец трубки
Кол-во
2
?
Узнать цену
840.3509294
ФЛАНЕЦ ТРУБКИ ПОДВОДА ВОДЫ К КОМПРЕССОРУ
Производство:
ПАО Автодизель (ЯМЗ)
Под заказ
329
p
В корзину
7
238Н-1722063
Кольцо уплотнительное
Кол-во
1
?
Узнать цену
238Н-1722063
КОЛЬЦО УПЛОТНИТЕЛЬНОЕ
Производство:
ПАО Автодизель (ЯМЗ)
Под заказ
4
p
В корзину
8
8401.3509432-10
Фланец трубки
Кол-во
1
?
Узнать цену
8401.3509432-10
Фланец
Производство:
ПАО Автодизель (ЯМЗ)
Под заказ
1 016
p
В корзину
9
8401.3509436
Прокладка фланца
Кол-во
1
?
Узнать цену
8401.3509436
ПРОКЛАДКА ФЛАНЦА
Производство:
ПАО Автодизель (ЯМЗ)
Под заказ
3
p
В корзину
10
8423.3509242
Трубка подвода воздуха
Кол-во
1
?
Оставить заявку
11
315356-П29
Кляммер
Кол-во
1
?
Оставить заявку
12
8423.3509257
Рукав соединительный
Кол-во
2
?
Оставить заявку
13
314601-П
Штуцер
Кол-во
1
?
Оставить заявку
14
316215-П
Хомут в сборе
Кол-во
4
?
Оставить заявку
15
842.3509252
Патрубок подвода
Кол-во
1
?
Оставить заявку
16
201458-П29
Болт М8х25
Кол-во
2
?
Узнать цену
201458-П29
Болт М8х1.25х25 многоцелевой (упаковка 50шт.)
Производство:
ПАО Автодизель (ЯМЗ)
90 в наличии
15
p
В корзину
201458-П29
Болт М8х1.25х25 многоцелевой (упаковка 50шт.)
Производство:
АЗ Урал
Под заказ
10
p
В корзину
17
252005-П29
Шайба плоская
Кол-во
2
?
Узнать цену
252005-П29
Шайба ЯМЗ-534 компрессора 8.01.016
Производство:
ПАО Автодизель (ЯМЗ)
106 в наличии
9
p
В корзину
252005-П29
Шайба ЯМЗ-534 компрессора 8.01.016
Производство:
АЗ Урал
Под заказ
13
p
В корзину
18
842.3509413
Прокладка патрубка
Кол-во
1
?
Оставить заявку
19
840.3509403-10
Прокладка картера компрессора
Кол-во
1
?
Узнать цену
840.3509403-10
ПРОКЛАДКА
Производство:
ПАО Автодизель (ЯМЗ)
Под заказ
11
p
В корзину
20
252136-П2
Шайба 10 пружинная
Кол-во
4
?
Узнать цену
252136-П2
Шайба 10.2х2.5 пружинная
Производство:
ПАО Автодизель (ЯМЗ)
509 в наличии
11
p
В корзину
21
200466-П29
Болт
Кол-во
2
?
Узнать цену
200466-П29
БОЛТ
Производство:
ПАО Автодизель (ЯМЗ)
Под заказ
115
p
В корзину
22
200471-П29
Болт
Кол-во
2
?
Узнать цену
200471-П29
БОЛТ
Производство:
ПАО Автодизель (ЯМЗ)
Под заказ
131
p
В корзину
23
252006-П2
Шайба
Кол-во
2
?
Оставить заявку
24
842.3509278-10
Трубка подвода воды
Кол-во
1
?
Оставить заявку
25
250511-П29
Гайка
Кол-во
2
?
Узнать цену
250511-П29
Гайка М8х1.0х6 крепления карбюратора, насоса водяного, ЗИЛ ГАЗ многоцелевая, М-2140 коллектора латунная
Производство:
ПАО Автодизель (ЯМЗ)
194 в наличии
17
p
В корзину
26
216523-П29
Шпилька
Кол-во
2
?
Узнать цену
216523-П29
ШПИЛЬКА
Производство:
ПАО Автодизель (ЯМЗ)
Под заказ
69
p
В корзину
Получить консультацию
У нас большой опыт по подбору запчастей, и мы с радостью поможем вам найти нужную деталь, даже если вы не знаете ее артикул
Дмитрий Иванов
Директор отдела продаж
Мобильный номер:
8 (912) 474-74-74
E-mail:
td.uralval@mail.ru
Вы должны включить JavaScript чтобы использовать эту форму.
Ваше имя
Ваш телефон
Комментарий
Я соглашаюсь с
Политикой конфиденциальности
и даю согласие на обработку персональных данных.
Feed me
Отправить