Запчасти для грузовых автомобилей
8-800-555-32-41
Перезвоните мне
Отправить готовую заявку
0
Корзина
Поиск
КАТАЛОГ ПРОДУКЦИИ
Запчасти УРАЛ
Запчасти КамАЗ
Запчасти АМТ
Запчасти ЧТЗ
Запчасти погрузчиков Dalian
Запчасти ЯМЗ
Двигатели ЯМЗ в сборе
Запчасти Shaanxi Fast Gear
Лебедки
Спецпредложения
О компании
Доставка и оплата
Гарантии и сервис
Контакты
Графические каталоги запчастей
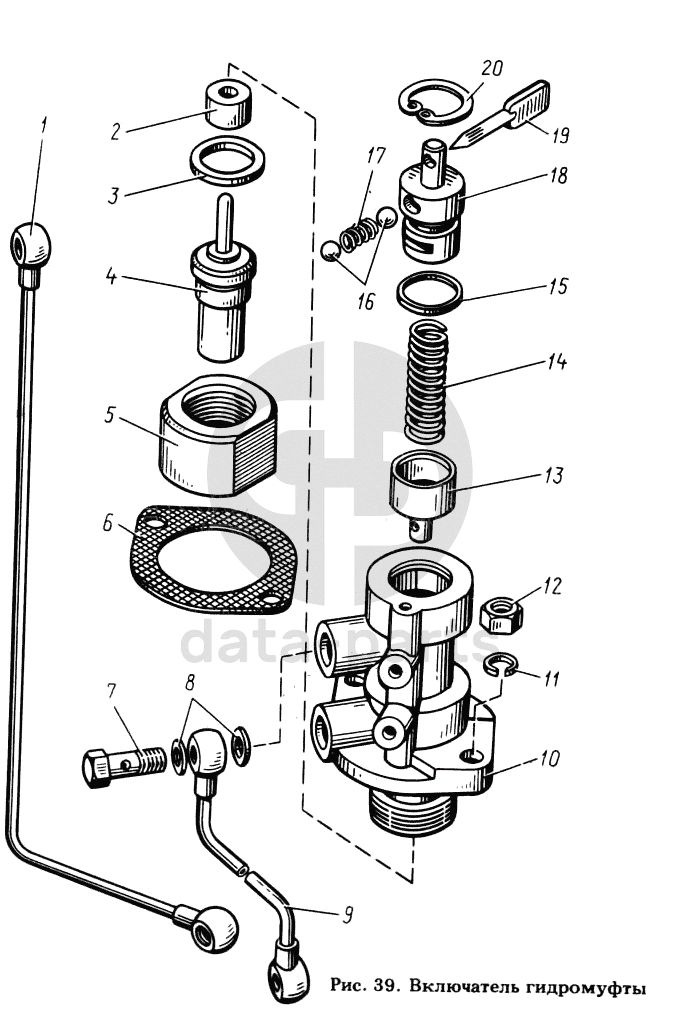
Выключатель гидромуфты ЯМЗ-8423.10
Главная
/
Графические каталоги
/
ЯМЗ
/
ЯМЗ-8423.10
/
Выключатель гидромуфты
1
2
3
4
5
6
7
8
9
10
11
12
13
14
15
16
17
18
19
20
%
1
8421319140
Трубка отводящая
Кол-во
1
?
Оставить заявку
2
8423.1319036
Прокладка уплотнительная
Кол-во
1
?
Оставить заявку
3
312798-П
Прокладка регулировочная
Кол-во
1
?
Оставить заявку
4
ТС108-1306090-21
Элемент термосиловой
Кол-во
1
?
Оставить заявку
5
8423.1319030
Гайка
Кол-во
1
?
Оставить заявку
6
842.1319062
Прокладка корпуса
Кол-во
1
?
Оставить заявку
7
310122-П29
Болт М10х1х22
Кол-во
4
?
Узнать цену
310122-П29
Болт-штуцер М10х1.0х21 МАЗ крепления трубки дренажной к ТНВД
Производство:
Россия
Под заказ
цена по запросу
В корзину
310122-П29
Болт-штуцер М10х1.0х21 МАЗ крепления трубки дренажной к ТНВД
Производство:
ПАО Автодизель (ЯМЗ)
Под заказ
148
p
В корзину
8
312482-П34
Шайба
Кол-во
8
?
Узнать цену
312482-П34
Шайба 10.2х14.0х1.5 ЯМЗ крепления трубки топливной медная
Производство:
ПАО Автодизель (ЯМЗ)
Под заказ
91
p
В корзину
9
842.1319120
Трубка подводящая
Кол-во
1
?
Оставить заявку
10
842.1319020
Корпус включателя
Кол-во
1
?
Оставить заявку
11
252135-П2
Шайба пружинная
Кол-во
2
?
Узнать цену
252135-П2
Шайба 8х2.5 ЯМЗ заглушки блока цилиндров
Производство:
ПАО Автодизель (ЯМЗ)
495 в наличии
3
p
В корзину
12
250511-П29
Гайка
Кол-во
2
?
Узнать цену
250511-П29
Гайка М8х1.0х6 крепления карбюратора, насоса водяного, ЗИЛ ГАЗ многоцелевая, М-2140 коллектора латунная
Производство:
ПАО Автодизель (ЯМЗ)
194 в наличии
17
p
В корзину
13
842.1319034
Золотник включателя
Кол-во
1
?
Оставить заявку
14
842.1319038
Пружина возвратная
Кол-во
1
?
Оставить заявку
15
25.1112661
Кольцо 014-020-36-1-1
Кол-во
1
?
Оставить заявку
16
201-1015466
Шарик фиксатора
Кол-во
2
?
Оставить заявку
17
842.1319053
Пружина
Кол-во
1
?
Оставить заявку
18
842.1319042
Пробка переключения режимов
Кол-во
1
?
Оставить заявку
19
841.1319046
Рычаг переключающий
Кол-во
1
?
Оставить заявку
20
240Н-1118034
Кольцо пружинное упорное
Кол-во
1
?
Оставить заявку
Получить консультацию
У нас большой опыт по подбору запчастей, и мы с радостью поможем вам найти нужную деталь, даже если вы не знаете ее артикул
Дмитрий Иванов
Директор отдела продаж
Мобильный номер:
8 (912) 474-74-74
E-mail:
td.uralval@mail.ru
Вы должны включить JavaScript чтобы использовать эту форму.
Ваше имя
Ваш телефон
Комментарий
Я соглашаюсь с
Политикой конфиденциальности
и даю согласие на обработку персональных данных.
Feed me
Отправить