Запчасти для грузовых автомобилей
8-800-555-32-41
Перезвоните мне
Отправить готовую заявку
0
Корзина
Поиск
КАТАЛОГ ПРОДУКЦИИ
Запчасти УРАЛ
Запчасти КамАЗ
Запчасти АМТ
Запчасти ЧТЗ
Запчасти погрузчиков Dalian
Запчасти ЯМЗ
Двигатели ЯМЗ в сборе
Запчасти Shaanxi Fast Gear
Лебедки
Спецпредложения
О компании
Доставка и оплата
Гарантии и сервис
Контакты
Графические каталоги запчастей
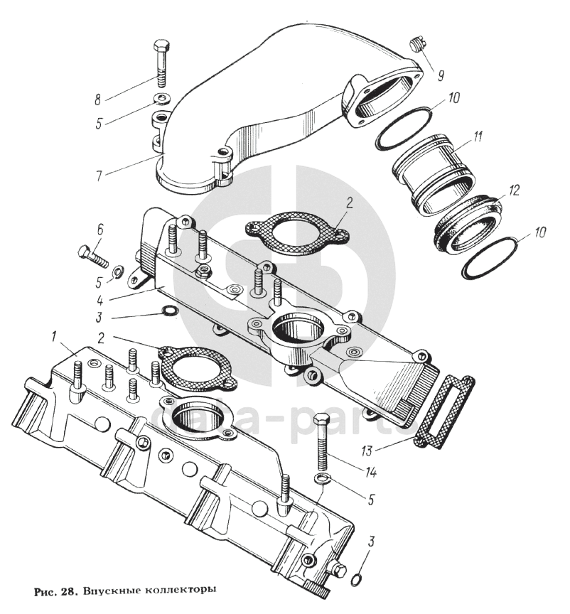
Впускные коллекторы ЯМЗ-8423.10
Главная
/
Графические каталоги
/
ЯМЗ
/
ЯМЗ-8423.10
/
Впускные коллекторы
1
2
2
3
3
4
5
5
5
6
7
8
9
11
12
13
%
1
8423.1115014-11
Коллектор левый в сборе
Кол-во
1
?
Оставить заявку
2
842.1115036
Прокладка патрубка
Кол-во
2
?
Оставить заявку
3
201.1015624
Прокладка ввертыша
Кол-во
2
?
Оставить заявку
4
842.111501249
Коллектор правый в сборе
Кол-во
1
?
Оставить заявку
5
252006-П29
Шайба плоская
Кол-во
20
?
Узнать цену
252006-П29
Шайба 10 отопителя УРАЛ
Производство:
ПАО Автодизель (ЯМЗ)
55 в наличии
5
p
В корзину
252006-П29
Шайба 10 отопителя УРАЛ
Производство:
АЗ Урал
Под заказ
17
p
В корзину
6
201680-П29
Болт
Кол-во
2
?
Узнать цену
201680-П29
Болт м10х1.25х35-6е
Производство:
АЗ Урал
Под заказ
22
p
В корзину
201680-П29
Болт м10х1.25х35-6е
Производство:
ПАО Автодизель (ЯМЗ)
Под заказ
48
p
В корзину
7
842.1115032-20
Патрубок соединительный
Кол-во
1
?
Оставить заявку
8
200463-П29
Болт
Кол-во
4
?
Узнать цену
200463-П29
Болт М10х1,25-90-26 крепления ТНВД(ЕВРО-0-1)
Производство:
ПАО Автодизель (ЯМЗ)
12 в наличии
129
p
В корзину
9
316105-П29
Пробка К1/8"
Кол-во
1
?
Узнать цену
316105-П29
ПРОБКА
Производство:
ПАО Автодизель (ЯМЗ)
Под заказ
227
p
В корзину
11
8423.1115338-10
Втулка
Кол-во
1
?
Оставить заявку
12
8423.1115342-10
Чехол втулки защитный
Кол-во
1
?
Оставить заявку
13
840.1115026
Прокладка коллектора
Кол-во
8
?
Узнать цену
840.1115026
Прокладка ЯМЗ-840 коллектора впускного
Производство:
ПАО Автодизель (ЯМЗ)
Под заказ
48
p
В корзину
Получить консультацию
У нас большой опыт по подбору запчастей, и мы с радостью поможем вам найти нужную деталь, даже если вы не знаете ее артикул
Дмитрий Иванов
Директор отдела продаж
Мобильный номер:
8 (912) 474-74-74
E-mail:
td.uralval@mail.ru
Вы должны включить JavaScript чтобы использовать эту форму.
Ваше имя
Ваш телефон
Комментарий
Я соглашаюсь с
Политикой конфиденциальности
и даю согласие на обработку персональных данных.
Feed me
Отправить