Запчасти для грузовых автомобилей
8-800-555-32-41
Перезвоните мне
Отправить готовую заявку
0
Корзина
Поиск
КАТАЛОГ ПРОДУКЦИИ
Запчасти УРАЛ
Запчасти КамАЗ
Запчасти АМТ
Запчасти ЧТЗ
Запчасти погрузчиков Dalian
Запчасти ЯМЗ
Двигатели ЯМЗ в сборе
Запчасти Shaanxi Fast Gear
Лебедки
Спецпредложения
О компании
Доставка и оплата
Гарантии и сервис
Контакты
Графические каталоги запчастей
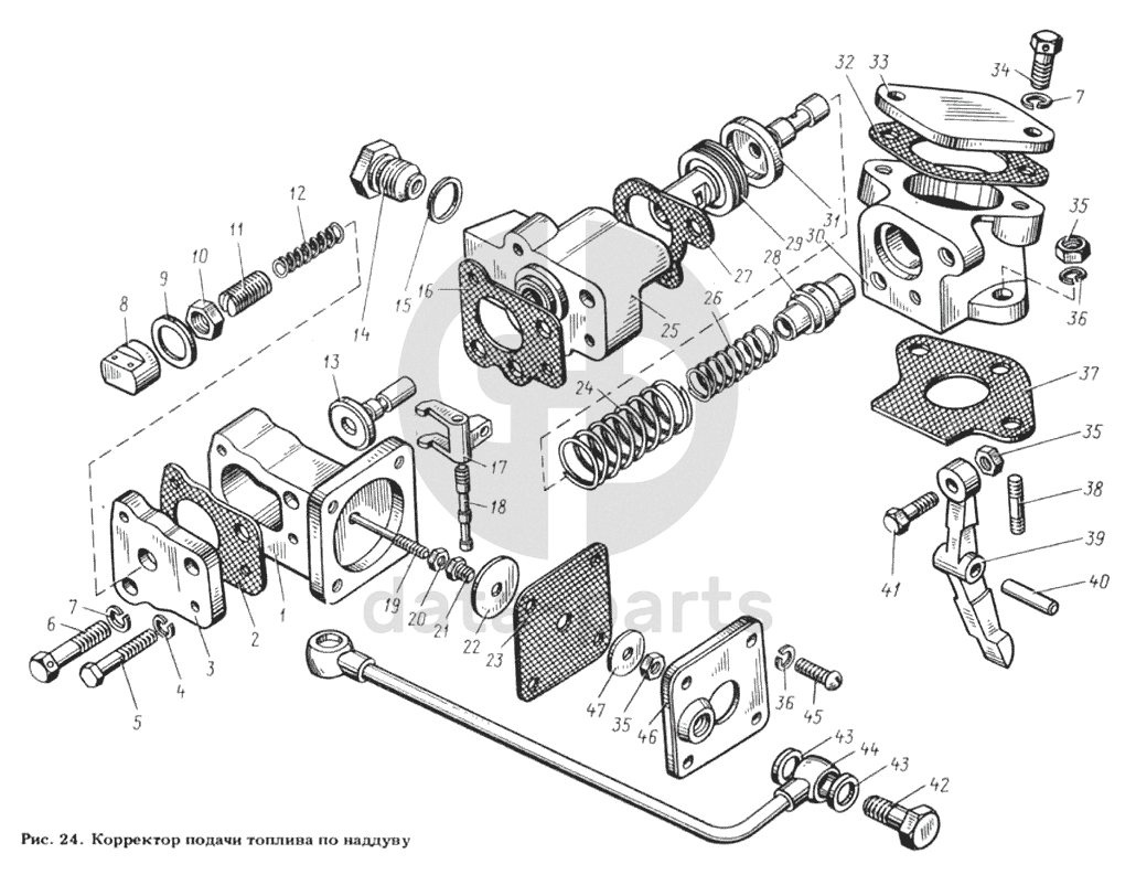
Коллектор подачи топлива по наддуву ЯМЗ-8423.10
Главная
/
Графические каталоги
/
ЯМЗ
/
ЯМЗ-8423.10
/
Коллектор подачи топлива по наддуву
1
2
3
4
5
6
7
7
8
9
10
11
12
13
14
15
16
17
18
19
20
21
22
23
24
25
26
27
28
29
30
31
32
33
34
35
35
35
36
36
37
38
39
40
41
42
43
43
44
45
46
47
%
1
423.1110880
Корпус мембраны
Кол-во
1
?
Оставить заявку
2
421.1110895
Прокладка крышки корректора
Кол-во
1
?
Оставить заявку
3
423.1110893
Крышка корректора
Кол-во
1
?
Узнать цену
423.1110893
Крышка
Производство:
АО ЯЗДА
Под заказ
1 094
p
В корзину
4
252134-П29
Шайба пружинная
Кол-во
2
?
Оставить заявку
5
201430-П29
Болт
Кол-во
2
?
Оставить заявку
6
310048-П29
Болт
Кол-во
2
?
Оставить заявку
7
252135-П2
Шайба пружинная
Кол-во
2
?
Узнать цену
252135-П2
Шайба 8х2.5 ЯМЗ заглушки блока цилиндров
Производство:
ПАО Автодизель (ЯМЗ)
495 в наличии
3
p
В корзину
8
421.1110830
Колпачок корпуса пружины
Кол-во
1
?
Узнать цену
421.1110830
Колпачок
Производство:
АО ЯЗДА
Под заказ
285
p
В корзину
9
312327-П
Шайба
Кол-во
1
?
Оставить заявку
10
311448-П15
Гайка
Кол-во
1
?
Оставить заявку
11
421.1110828
Корпус пружины
Кол-во
1
?
Оставить заявку
12
421.1110826
Пружина корректора
Кол-во
1
?
Оставить заявку
13
421.1110786-10
Золотник корректора
Кол-во
1
?
Узнать цену
421.1110786-10
Золотник
Производство:
АО ЯЗДА
Под заказ
871
p
В корзину
14
42.1111902
Ввертыш в сборе
Кол-во
1
?
Узнать цену
42.1111902
Ввертыш в сборе
Производство:
АО ЯЗДА
Под заказ
261
p
В корзину
15
312367-П
Шайба
Кол-во
1
?
Узнать цену
312367-П
Шайба 16.0х20.0х1.5 ЯМЗ медная (плоская)
Производство:
ПАО Автодизель (ЯМЗ)
Под заказ
42
p
В корзину
16
421.1110881
Прокладка корпуса мембраны
Кол-во
1
?
Узнать цену
421.1110881
Прокладка корректора 423 ПМБ. 0,6мм
Производство:
АО ЯЗДА
30 в наличии
148
p
В корзину
17
421.1110899
Рычаг корректора
Кол-во
1
?
Узнать цену
421.1110899
Рычаг
Производство:
АО ЯЗДА
Под заказ
723
p
В корзину
18
421.1110901
Ось рычага
Кол-во
1
?
Узнать цену
421.1110901
Ось рычага корректора
Производство:
АО ЯЗДА
Под заказ
193
p
В корзину
19
421.1110897
Шток мембраны
Кол-во
1
?
Оставить заявку
20
318-85283
Гайка
Кол-во
1
?
Оставить заявку
21
421.1110898
Втулка штока
Кол-во
1
?
Оставить заявку
22
421.1110882
Фланец
Кол-во
1
?
Оставить заявку
23
421.1110878-01
Мембрана
Кол-во
1
?
Оставить заявку
24
421.1110802
Пружина поршня
Кол-во
1
?
Узнать цену
421.1110802
Пружина
Производство:
АО ЯЗДА
Под заказ
107
p
В корзину
25
421.1110866
Корпус корректора
Кол-во
1
?
Оставить заявку
26
423.1110932
Пружина гильзы
Кол-во
1
?
Узнать цену
423.1110932
Пружина
Производство:
АО ЯЗДА
Под заказ
62
p
В корзину
27
421.1110869
Прокладка корпуса корректора
Кол-во
1
?
Узнать цену
421.1110869
Прокладка корректора 423 ПМБ. 0,6мм
Производство:
АО ЯЗДА
22 в наличии
160
p
В корзину
28
423.1110930
Гильза упора
Кол-во
1
?
Узнать цену
423.1110930
Гильза упорная
Производство:
АО ЯЗДА
Под заказ
735
p
В корзину
29
421.1110800
Поршень корректора
Кол-во
1
?
Узнать цену
421.1110800
Поршень
Производство:
АО ЯЗДА
Под заказ
1 315
p
В корзину
30
423.1110923
Проставка корректора
Кол-во
1
?
Узнать цену
423.1110923
Проставка корректора
Производство:
АО ЯЗДА
Под заказ
1 086
p
В корзину
31
423.1110925-10
Упор
Кол-во
1
?
Узнать цену
423.1110925-10
Упор
Производство:
АО ЯЗДА
1 в наличии
809
p
В корзину
32
236-1014272
Прокладка
Кол-во
1
?
Узнать цену
236-1014272
Прокладка сапуна вентиляции поддона двигателя / 423.1110378/
Производство:
ПАО Автодизель (ЯМЗ)
Под заказ
9
p
В корзину
33
423.1110921
Фланец
Кол-во
1
?
Узнать цену
423.1110921
Фланец
Производство:
АО ЯЗДА
Под заказ
201
p
В корзину
34
852010-П29
Болт
Кол-во
2
?
Узнать цену
852010-П29
Болт
Производство:
АО ЯЗДА
Под заказ
139
p
В корзину
35
250508-П29
Гайка М6
Кол-во
2
?
Узнать цену
250508-П29
Гайка М6 многоцелевая (упаковка 15шт.)
Производство:
ПАО Автодизель (ЯМЗ)
203 в наличии
9
p
В корзину
250508-П29
Гайка М6 многоцелевая (упаковка 15шт.)
Производство:
АЗ Урал
Под заказ
8
p
В корзину
36
252154-П29
Шайба пружинная
Кол-во
2
?
Узнать цену
252154-П29
Шайба
Производство:
АО ЯЗДА
Под заказ
3
p
В корзину
37
423.1110924
Прокладка
Кол-во
1
?
Узнать цену
423.1110924
Прокладка проставки корректора 423 ПМБ. 2,00мм
Производство:
АО ЯЗДА
Под заказ
119
p
В корзину
38
216504-П29
Шпилька
Кол-во
2
?
Оставить заявку
39
423.1110927-10
Рычаг корректора
Кол-во
1
?
Оставить заявку
40
423.1110929
Ось рычага
Кол-во
1
?
Оставить заявку
41
310062-П29
Болт
Кол-во
1
?
Оставить заявку
42
310122-П2
Болт М10х1х22
Кол-во
2
?
Оставить заявку
43
312482-П34
Шайба
Кол-во
4
?
Узнать цену
312482-П34
Шайба 10.2х14.0х1.5 ЯМЗ крепления трубки топливной медная
Производство:
ПАО Автодизель (ЯМЗ)
Под заказ
91
p
В корзину
44
8421.1111558
Трубка подвода воздуха
Кол-во
1
?
Оставить заявку
45
310611-П15
Винт
Кол-во
4
?
Оставить заявку
46
421.1110894
Крышка мембраны
Кол-во
1
?
Узнать цену
421.1110894
Крышка ЯМЗ мембраны корректора ТНВД
Производство:
АО ЯЗДА
10 в наличии
566
p
В корзину
47
312325-П15
Шайба
Кол-во
1
?
Оставить заявку
Получить консультацию
У нас большой опыт по подбору запчастей, и мы с радостью поможем вам найти нужную деталь, даже если вы не знаете ее артикул
Дмитрий Иванов
Директор отдела продаж
Мобильный номер:
8 (912) 474-74-74
E-mail:
td.uralval@mail.ru
Вы должны включить JavaScript чтобы использовать эту форму.
Ваше имя
Ваш телефон
Комментарий
Я соглашаюсь с
Политикой конфиденциальности
и даю согласие на обработку персональных данных.
Feed me
Отправить