Запчасти для грузовых автомобилей
8-800-555-32-41
Перезвоните мне
Отправить готовую заявку
0
Корзина
Поиск
КАТАЛОГ ПРОДУКЦИИ
Запчасти УРАЛ
Запчасти КамАЗ
Запчасти АМТ
Запчасти ЧТЗ
Запчасти погрузчиков Dalian
Запчасти ЯМЗ
Двигатели ЯМЗ в сборе
Запчасти Shaanxi Fast Gear
Лебедки
Спецпредложения
О компании
Доставка и оплата
Гарантии и сервис
Контакты
Графические каталоги запчастей
Головка цилиндров ЯМЗ-8423.10
Главная
/
Графические каталоги
/
ЯМЗ
/
ЯМЗ-8423.10
/
Головка цилиндров
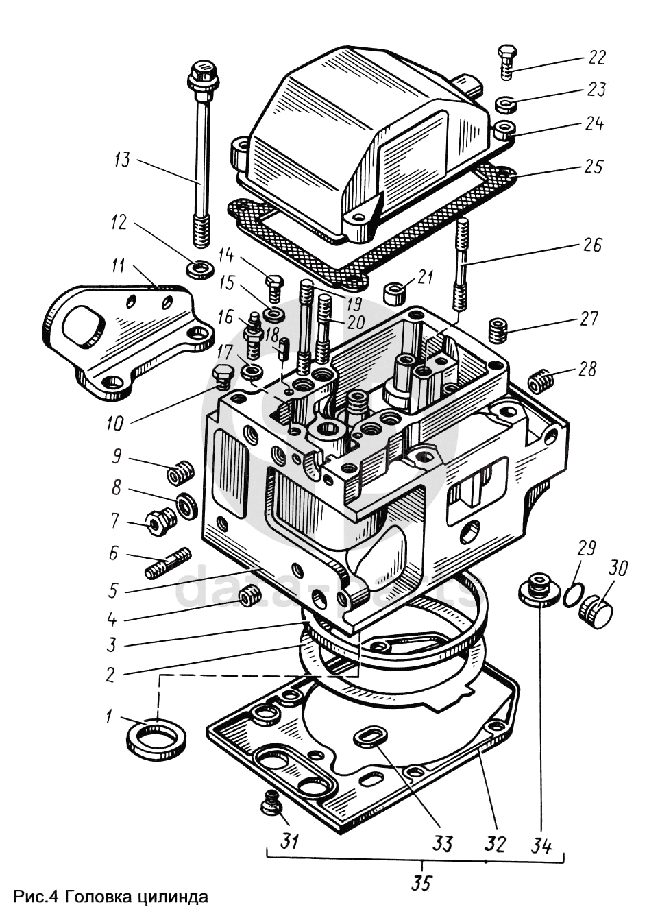
1
2
3
4
5
6
7
8
9
10
11
11
12
13
14
15
16
17
18
19
20
21
22
23
24
25
26
27
28
29
30
31
32
33
34
35
%
1
840.1003108
Седло клапана
Кол-во
32
?
Оставить заявку
2
840.1003212-30
Прокладка головки
Кол-во
8
?
Узнать цену
840.1003212-30
Прокладка головки блока ЯМЗ-8401 8421
Производство:
ПАО Автодизель (ЯМЗ)
65 в наличии
207
p
В корзину
3
840.1003466
Кольцо уплотнительное газового стыка
Кол-во
8
?
Узнать цену
840.1003466
КОЛЬЦО УПЛОТНИТЕЛЬНОЕ ГАЗОВОГО СТЫКА
Производство:
ПАО Автодизель (ЯМЗ)
Под заказ
2 694
p
В корзину
4
316601-П29
Ввертыш
Кол-во
16
?
Узнать цену
316601-П29
ВВЕРТЫШ
Производство:
ПАО Автодизель (ЯМЗ)
Под заказ
58
p
В корзину
5
840.1003013-10
Головка цилиндра в сборе
Кол-во
8
?
Оставить заявку
6
216527-П29
Шпилька
Кол-во
16
?
Узнать цену
216527-П29
ШПИЛЬКА
Производство:
ПАО Автодизель (ЯМЗ)
Под заказ
112
p
В корзину
7
316603-П29
Ввертыш
Кол-во
8
?
Оставить заявку
8
201-1015624
Прокладка
Кол-во
8
?
Узнать цену
201-1015624
Шайба 16.0х22.0х1.5 ЯМЗ ФГОТ медная (плоская)
Производство:
ПАО Автодизель (ЯМЗ)
Под заказ
100
p
В корзину
9
316600-П29
Ввертыш
Кол-во
16
?
Оставить заявку
10
316121-П29
Пробка К 1/4"
Кол-во
8
?
Узнать цену
316121-П29
Пробка ЯМЗ крышки Ф.Т.О.Т
Производство:
ПАО Автодизель (ЯМЗ)
7 в наличии
91
p
В корзину
11
841-1002351
Рым
Кол-во
2
?
Оставить заявку
11
841.1002350
Рым
Кол-во
2
?
Узнать цену
841.1002350
РЫМ ПРАВЫЙ
Производство:
ПАО Автодизель (ЯМЗ)
Под заказ
981
p
В корзину
12
312693-П29
Шайба
Кол-во
48
?
Оставить заявку
13
840.1003016
Болт крепления головки
Кол-во
48
?
Оставить заявку
14
201454-П29
Болт М8х16
Кол-во
8
?
Узнать цену
201454-П29
Болт М8х1.25х16 крепления крышки штанги реактивной УРАЛ
Производство:
ПАО Автодизель (ЯМЗ)
35 в наличии
13
p
В корзину
201454-П29
Болт М8х1.25х16 крепления крышки штанги реактивной УРАЛ
Производство:
АЗ Урал
Под заказ
19
p
В корзину
15
312638-П
Шайба
Кол-во
8
?
Узнать цену
312638-П
Шайба 8,5
Производство:
ПАО Автодизель (ЯМЗ)
Под заказ
15
p
В корзину
16
840.1104918
Ниппель
Кол-во
8
?
Оставить заявку
17
312482-П34
Шайба
Кол-во
8
?
Узнать цену
312482-П34
Шайба 10.2х14.0х1.5 ЯМЗ крепления трубки топливной медная
Производство:
ПАО Автодизель (ЯМЗ)
Под заказ
91
p
В корзину
18
258639-П
Штифт
Кол-во
16
?
Оставить заявку
19
310450-П2
Шпилька
Кол-во
16
?
Оставить заявку
20
310467-П2
Шпилька
Кол-во
16
?
Оставить заявку
21
840.1007095
Втулка-штифт
Кол-во
32
?
Оставить заявку
22
201464-П29
Болт М8х40
Кол-во
32
?
Узнать цену
201464-П29
Болт М8х1.25х40 ГАЗ-3307 крепления вентилятора, УАЗ-31514 3160 механизма переключения передач
Производство:
ПАО Автодизель (ЯМЗ)
Под заказ
15
p
В корзину
23
252005-П29
Шайба плоская
Кол-во
32
?
Узнать цену
252005-П29
Шайба ЯМЗ-534 компрессора 8.01.016
Производство:
ПАО Автодизель (ЯМЗ)
106 в наличии
9
p
В корзину
252005-П29
Шайба ЯМЗ-534 компрессора 8.01.016
Производство:
АЗ Урал
Под заказ
13
p
В корзину
24
840.1003264
Крышка головки
Кол-во
8
?
Узнать цену
840.1003264
Крышка клапанная ТМЗ-840, 8421, 23
Производство:
ПАО Автодизель (ЯМЗ)
Под заказ
2 967
p
В корзину
25
840.1003270
Прокладка крышки
Кол-во
8
?
Узнать цену
840.1003270
Прокладка крышки клапанной ЯМЗ-8421
Производство:
ПАО Автодизель (ЯМЗ)
Под заказ
117
p
В корзину
26
310468-П2
Шпилька
Кол-во
8
?
Оставить заявку
27
316608-П29
Ввертыш
Кол-во
32
?
Оставить заявку
28
316602-П
Ввертыш
Кол-во
16
?
Оставить заявку
29
238Н-1723031
Кольцо уплотнительное
Кол-во
32
?
Оставить заявку
30
840.1003436
Заглушка
Кол-во
32
?
Оставить заявку
31
840.1003510
Вставка уплотнительная
Кол-во
16
?
Оставить заявку
32
840.1003505
Прокладка уплотнительная
Кол-во
8
?
Оставить заявку
33
840.1003506
Вставка уплотнительная
Кол-во
8
?
Оставить заявку
34
840.1003508
Вставка уплотнительная
Кол-во
8
?
Оставить заявку
35
840.1003514
Прокладка уплотнительная и вставки на одну головку (комплект для запасных частей)
Кол-во
8
?
Оставить заявку
Получить консультацию
У нас большой опыт по подбору запчастей, и мы с радостью поможем вам найти нужную деталь, даже если вы не знаете ее артикул
Дмитрий Иванов
Директор отдела продаж
Мобильный номер:
8 (912) 474-74-74
E-mail:
td.uralval@mail.ru
Вы должны включить JavaScript чтобы использовать эту форму.
Ваше имя
Ваш телефон
Комментарий
Я соглашаюсь с
Политикой конфиденциальности
и даю согласие на обработку персональных данных.
Feed me
Отправить