Запчасти для грузовых автомобилей
8-800-555-32-41
Перезвоните мне
Отправить готовую заявку
0
Корзина
Поиск
КАТАЛОГ ПРОДУКЦИИ
Запчасти УРАЛ
Запчасти КамАЗ
Запчасти АМТ
Запчасти ЧТЗ
Запчасти погрузчиков Dalian
Запчасти ЯМЗ
Двигатели ЯМЗ в сборе
Запчасти Shaanxi Fast Gear
Лебедки
Спецпредложения
О компании
Доставка и оплата
Гарантии и сервис
Контакты
Графические каталоги запчастей
Насос масляный ЯМЗ-8423
Главная
/
Графические каталоги
/
ЯМЗ
/
ЯМЗ-8423
/
Насос масляный
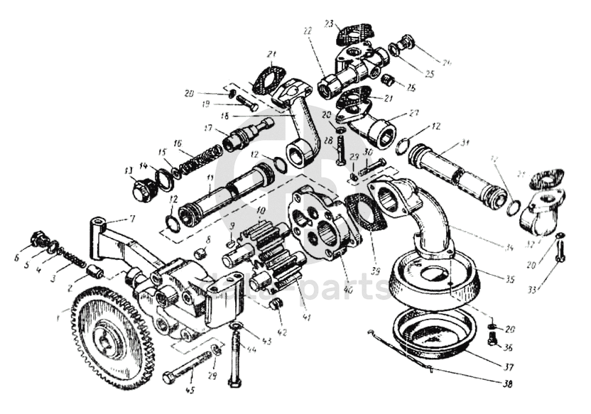
1
2
3
4
5
6
7
8
9
10
11
12
12
12
12
13
14
15
16
17
17
18
19
20
20
20
20
21
21
21
22
23
24
25
26
27
28
29
29
30
31
32
33
34
34
35
36
37
38
39
40
41
42
43
44
45
%
1
840.1011230
Шестерня ведомая привода масляного насоса
Кол-во
1
?
Узнать цену
840.1011230
Шестерня ведомая привода масляного насоса
Производство:
ПАО Автодизель (ЯМЗ)
Под заказ
4 059
p
В корзину
2
840.1011364
Клапан предохранительный
Кол-во
1
?
Узнать цену
840.1011364
Клапан ЯМЗ-840 850 предохранительный (плунжер)
Производство:
ПАО Автодизель (ЯМЗ)
Под заказ
205
p
В корзину
3
840.1011058
Пружина предохранительного клапана
Кол-во
1
?
Оставить заявку
4
252004-П29
Шайба
Кол-во
4
?
Узнать цену
252004-П29
Шайба 6.0 УРАЛ кабины
Производство:
ПАО Автодизель (ЯМЗ)
Под заказ
8
p
В корзину
252004-П29
Шайба 6.0 УРАЛ кабины
Производство:
АЗ Урал
Под заказ
9
p
В корзину
5
204-1011371
Прокладка пробки
Кол-во
1
?
Узнать цену
204-1011371
ПРОКЛАДКА
Производство:
ПАО Автодизель (ЯМЗ)
Под заказ
28
p
В корзину
6
204-1011370-Б
Пробка клапана
Кол-во
1
?
Узнать цену
204-1011370-Б
ПРОБКА
Производство:
ПАО Автодизель (ЯМЗ)
Под заказ
145
p
В корзину
7
841.1011018
Корпус насоса
Кол-во
1
?
Оставить заявку
8
840.1011034
Втулка
Кол-во
4
?
Узнать цену
840.1011034
Втулка валика масляного насоса дв.ЯМЗ-840
Производство:
ПАО Автодизель (ЯМЗ)
Под заказ
312
p
В корзину
9
45 9824 6263
Шпонка
Кол-во
1
?
Узнать цену
45 9824 6263
ШПОНКА
Производство:
ПАО Автодизель (ЯМЗ)
Под заказ
57
p
В корзину
10
841.1011045
Шестерня ведущая насоса
Кол-во
1
?
Оставить заявку
11
842.1011350-10
Трубка отводящая
Кол-во
1
?
Оставить заявку
12
253-1112151
Кольцо 032-038-36-2-1
Кол-во
4
?
Оставить заявку
13
840.1011370
Пробка
Кол-во
1
?
Оставить заявку
14
312330-П
Прокладка
Кол-во
1
?
Узнать цену
312330-П
Прокладка 16Х24
Производство:
ПАО Автодизель (ЯМЗ)
Под заказ
182
p
В корзину
15
252006-П29
Шайба плоская
Кол-во
2
?
Узнать цену
252006-П29
Шайба 10 отопителя УРАЛ
Производство:
ПАО Автодизель (ЯМЗ)
55 в наличии
5
p
В корзину
252006-П29
Шайба 10 отопителя УРАЛ
Производство:
АЗ Урал
Под заказ
17
p
В корзину
16
840.1011057
Пружина клапана
Кол-во
7
?
Оставить заявку
17
840.1011054
Клапан системы смазки сливной в сборе
Кол-во
1
?
Узнать цену
840.1011054
Клапан ЯМЗ-840 850 -8421.10 8424.10 8481.10 8486.10 насоса масляного
Производство:
ПАО Автодизель (ЯМЗ)
Под заказ
18 248
p
В корзину
17
840.1011055
Клапан
Кол-во
1
?
Оставить заявку
18
842.1011293
Фланец задний
Кол-во
1
?
Узнать цену
842.1011293
ФЛАНЕЦ
Производство:
ПАО Автодизель (ЯМЗ)
Под заказ
2 162
p
В корзину
19
45 9347 1530
Болт
Кол-во
2
?
Оставить заявку
20
252135-П2
Шайба пружинная
Кол-во
8
?
Узнать цену
252135-П2
Шайба 8х2.5 ЯМЗ заглушки блока цилиндров
Производство:
ПАО Автодизель (ЯМЗ)
495 в наличии
3
p
В корзину
21
840.1011366
Прокладка
Кол-во
3
?
Узнать цену
840.1011366
ПРОКЛАДКА
Производство:
ПАО Автодизель (ЯМЗ)
Под заказ
7
p
В корзину
22
840.1011060
Корпус клапана
Кол-во
1
?
Оставить заявку
23
840.1011544
Прокладка корпуса
Кол-во
1
?
Узнать цену
840.1011544
ПРОКЛАДКА
Производство:
ПАО Автодизель (ЯМЗ)
Под заказ
11
p
В корзину
24
316107-П2
Пробка
Кол-во
1
?
Оставить заявку
25
312630-П
Шайба
Кол-во
1
?
Узнать цену
312630-П
Шайба 20.3х24.0х1.5 ЯМЗ клапана перепускного ФТОТ медная
Производство:
ПАО Автодизель (ЯМЗ)
86 в наличии
61
p
В корзину
26
45 9931 1104
Пробка
Кол-во
1
?
Оставить заявку
27
842.1011415
Фланец отводящей трубки
Кол-во
1
?
Оставить заявку
28
201458-П29
Болт М8х25
Кол-во
2
?
Узнать цену
201458-П29
Болт М8х1.25х25 многоцелевой (упаковка 50шт.)
Производство:
ПАО Автодизель (ЯМЗ)
90 в наличии
15
p
В корзину
201458-П29
Болт М8х1.25х25 многоцелевой (упаковка 50шт.)
Производство:
АЗ Урал
Под заказ
10
p
В корзину
29
252136-П2
Шайба 10 пружинная
Кол-во
6
?
Узнать цену
252136-П2
Шайба 10.2х2.5 пружинная
Производство:
ПАО Автодизель (ЯМЗ)
509 в наличии
11
p
В корзину
30
201667-П29
Болт
Кол-во
2
?
Оставить заявку
31
842.1011406-10
Трубка отводящая
Кол-во
1
?
Оставить заявку
32
842.1011356
Фланец отводящей трубки
Кол-во
1
?
Оставить заявку
33
200272-П29
Болт
Кол-во
2
?
Узнать цену
200272-П29
Болт М8х1.25х65 ЗИЛ-133ГЯ кронштейна фары противотуманной, ЗМЗ-402 насоса водяного двигателя
Производство:
АЗ Урал
Под заказ
20
p
В корзину
200272-П29
Болт М8х1.25х65 ЗИЛ-133ГЯ кронштейна фары противотуманной, ЗМЗ-402 насоса водяного двигателя
Производство:
ПАО Автодизель (ЯМЗ)
Под заказ
29
p
В корзину
34
842.1011400
Трубка всасывающая
Кол-во
1
?
Оставить заявку
34
842.1011398
Трубка всасывающая с заборником
Кол-во
1
?
Оставить заявку
35
840.1011300
Чашка заборника в оборе
Кол-во
1
?
Оставить заявку
36
201452-П29
Болт
Кол-во
2
?
Узнать цену
201452-П29
Болт М8х1.25х12 ЗИЛ-130 стопорной пластины корзины сцепления, ЗМЗ-402 406 насоса масляного
Производство:
АЗ Урал
Под заказ
20
p
В корзину
201452-П29
Болт М8х1.25х12 ЗИЛ-130 стопорной пластины корзины сцепления, ЗМЗ-402 406 насоса масляного
Производство:
ПАО Автодизель (ЯМЗ)
Под заказ
12
p
В корзину
37
204А-1011310-В
Сетка заборника в сборе
Кол-во
1
?
Узнать цену
204А-1011310-В
Сетка ЯМЗ маслозаборника
Производство:
ПАО Автодизель (ЯМЗ)
19 в наличии
310
p
В корзину
38
204А-1011318-Б
Крючок крепления сетки
Кол-во
1
?
Узнать цену
204А-1011318-Б
КРЮЧОК КРЕПЛЕНИЯ СЕТКИ МАСЛОЗАБОРНИКА
Производство:
ПАО Автодизель (ЯМЗ)
Под заказ
77
p
В корзину
39
840.1011296-10
Прокладка фланца
Кол-во
1
?
Узнать цену
840.1011296-10
ПРОКЛАДКА
Производство:
ПАО Автодизель (ЯМЗ)
Под заказ
648
p
В корзину
40
842.1011019
Крышка насоса
Кол-во
1
?
Узнать цену
842.1011019
КРЫШКА МАСЛЯНОГО НАСОСА
Производство:
ПАО Автодизель (ЯМЗ)
Под заказ
9 273
p
В корзину
41
840.1011032-10
Шестерня ведомая насоса
Кол-во
1
?
Оставить заявку
42
45 9931 1103
Пробка
Кол-во
2
?
Оставить заявку
43
252137-П2
Шайба пружинная
Кол-во
3
?
Узнать цену
252137-П2
Шайба 12 пружинная 12,2х20,5х4,0
Производство:
ПАО Автодизель (ЯМЗ)
276 в наличии
15
p
В корзину
44
45 9327 6144
Болт
Кол-во
3
?
Узнать цену
45 9327 6144
Болт м12х1,25
Производство:
ПАО Автодизель (ЯМЗ)
33 в наличии
244
p
В корзину
45
45 9327 6095
Болт
Кол-во
1
?
Оставить заявку
Получить консультацию
У нас большой опыт по подбору запчастей, и мы с радостью поможем вам найти нужную деталь, даже если вы не знаете ее артикул
Дмитрий Иванов
Директор отдела продаж
Мобильный номер:
8 (912) 474-74-74
E-mail:
td.uralval@mail.ru
Вы должны включить JavaScript чтобы использовать эту форму.
Ваше имя
Ваш телефон
Комментарий
Я соглашаюсь с
Политикой конфиденциальности
и даю согласие на обработку персональных данных.
Feed me
Отправить