Запчасти для грузовых автомобилей
8-800-555-32-41
Перезвоните мне
Отправить готовую заявку
0
Корзина
Поиск
КАТАЛОГ ПРОДУКЦИИ
Запчасти УРАЛ
Запчасти КамАЗ
Запчасти АМТ
Запчасти ЧТЗ
Запчасти погрузчиков Dalian
Запчасти ЯМЗ
Двигатели ЯМЗ в сборе
Запчасти Shaanxi Fast Gear
Лебедки
Спецпредложения
О компании
Доставка и оплата
Гарантии и сервис
Контакты
Графические каталоги запчастей
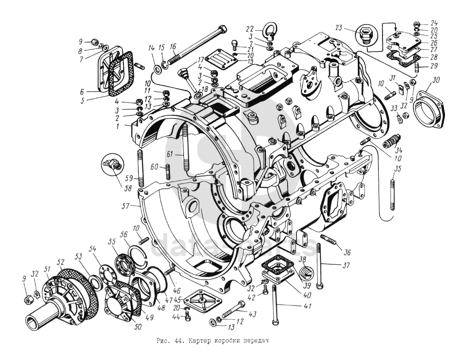
Картер коробки передач ЯМЗ-8421.10
Главная
/
Графические каталоги
/
ЯМЗ
/
ЯМЗ-8421.10
/
Картер коробки передач
1
2
2
2
3
3
3
5
6
7
8
9
9
9
10
10
10
10
12
12
13
13
14
15
16
17
49
50
51
52
53
54
55
56
57
59
60
61
19
21
20
20
20
22
34
35
36
37
38
39
40
41
42
32
32
32
43
44
45
46
24
23
47
48
29
28
27
26
25
33
30
31
18
%
1
201.1701015
Картер, верхняя часть
Кол-во
1
?
Оставить заявку
2
252016-П2
Шайба
Кол-во
15
?
Оставить заявку
3
252138-П2
Шайба пружинная
Кол-во
14
?
Узнать цену
252138-П2
Шайба ЗИЛ-130 5301 Болта крепления вала карданного
Производство:
ПАО Автодизель (ЯМЗ)
Под заказ
17
p
В корзину
5
200-1701021-А
Прокладка
Кол-во
1
?
Узнать цену
200-1701021-А
Прокладка
Производство:
ПАО Автодизель (ЯМЗ)
Под заказ
18
p
В корзину
6
236-1701020
Крышка люка отбора мощности
Кол-во
1
?
Узнать цену
236-1701020
Крышка ЯМЗ люка отбора мощности
Производство:
ПАО Автодизель (ЯМЗ)
Под заказ
1 370
p
В корзину
7
252006-П2
Шайба
Кол-во
6
?
Оставить заявку
8
252136-П2
Шайба 10 пружинная
Кол-во
6
?
Узнать цену
252136-П2
Шайба 10.2х2.5 пружинная
Производство:
ПАО Автодизель (ЯМЗ)
509 в наличии
11
p
В корзину
9
250517-П29
Гайка
Кол-во
31
?
Узнать цену
250517-П29
Гайка М10х1,25-6Н (подвески РДВ)
Производство:
ПАО Автодизель (ЯМЗ)
22 в наличии
13
p
В корзину
250517-П29
Гайка М10х1,25-6Н (подвески РДВ)
Производство:
АЗ Урал
Под заказ
20
p
В корзину
10
216553-П29
Шпилька
Кол-во
27
?
Оставить заявку
12
252137-П2
Шайба пружинная
Кол-во
18
?
Узнать цену
252137-П2
Шайба 12 пружинная 12,2х20,5х4,0
Производство:
ПАО Автодизель (ЯМЗ)
276 в наличии
15
p
В корзину
13
252007-П2
Шайба
Кол-во
18
?
Оставить заявку
14
252017-П2
Шайба
Кол-во
4
?
Оставить заявку
15
252139-П2
Шайба пружинная
Кол-во
4
?
Узнать цену
252139-П2
Шайба 16 пружинная подвески двигателя УРАЛ
Производство:
ПАО Автодизель (ЯМЗ)
Под заказ
16
p
В корзину
16
310021-П29
Болт
Кол-во
4
?
Оставить заявку
17
201.1704290
Указатель уровня масла
Кол-во
1
?
Оставить заявку
18
312678-П
Прокладка
Кол-во
0
?
Оставить заявку
19
15.1601030
Крышка верхнего люка
Кол-во
0
?
Оставить заявку
20
252135-П2
Шайба пружинная
Кол-во
0
?
Узнать цену
252135-П2
Шайба 8х2.5 ЯМЗ заглушки блока цилиндров
Производство:
ПАО Автодизель (ЯМЗ)
495 в наличии
3
p
В корзину
21
201454-П29
Болт М8х16
Кол-во
0
?
Узнать цену
201454-П29
Болт М8х1.25х16 крепления крышки штанги реактивной УРАЛ
Производство:
ПАО Автодизель (ЯМЗ)
35 в наличии
13
p
В корзину
201454-П29
Болт М8х1.25х16 крепления крышки штанги реактивной УРАЛ
Производство:
АЗ Урал
Под заказ
19
p
В корзину
22
201.1701350
Рым-гайка
Кол-во
0
?
Оставить заявку
23
201.1701486
Сапун в сборе
Кол-во
0
?
Оставить заявку
24
250511-П29
Гайка
Кол-во
0
?
Узнать цену
250511-П29
Гайка М8х1.0х6 крепления карбюратора, насоса водяного, ЗИЛ ГАЗ многоцелевая, М-2140 коллектора латунная
Производство:
ПАО Автодизель (ЯМЗ)
194 в наличии
17
p
В корзину
25
252005-П2
Шайба 8
Кол-во
0
?
Узнать цену
252005-П2
ШАЙБА
Производство:
ПАО Автодизель (ЯМЗ)
Под заказ
3
p
В корзину
26
201.1701023
Крышка люка верхнего картера
Кол-во
0
?
Оставить заявку
27
201.1701482
Экран крышки
Кол-во
0
?
Оставить заявку
28
201.1701024
Прокладка крышки
Кол-во
0
?
Оставить заявку
29
216527-П29
Шпилька
Кол-во
0
?
Узнать цену
216527-П29
ШПИЛЬКА
Производство:
ПАО Автодизель (ЯМЗ)
Под заказ
112
p
В корзину
30
201.1701078
Гнездо
Кол-во
0
?
Оставить заявку
31
201.1701097
Планка
Кол-во
0
?
Оставить заявку
32
312546-П2
Шайба
Кол-во
0
?
Оставить заявку
33
312546-П2
Шайба
Кол-во
0
?
Оставить заявку
34
201.1704117
Пробка
Кол-во
0
?
Оставить заявку
35
310452-П29
Шпилька
Кол-во
0
?
Оставить заявку
36
216666-П29
Шпилька
Кол-во
0
?
Оставить заявку
37
4593181175
Болт
Кол-во
0
?
Оставить заявку
38
4599321103
Пробка
Кол-во
0
?
Оставить заявку
39
201.1701022
Прокладка
Кол-во
0
?
Оставить заявку
40
201.1701019
Крышка люка
Кол-во
0
?
Оставить заявку
41
4593181172
Болт
Кол-во
0
?
Оставить заявку
42
201678-П29
Болт
Кол-во
0
?
Узнать цену
201678-П29
Болт М10*1,25-6g*30 крышки заднего моста
Производство:
АЗ Урал
Под заказ
17
p
В корзину
43
4593281123
Болт
Кол-во
0
?
Оставить заявку
44
201458-П29
Болт М8х25
Кол-во
0
?
Узнать цену
201458-П29
Болт М8х1.25х25 многоцелевой (упаковка 50шт.)
Производство:
ПАО Автодизель (ЯМЗ)
90 в наличии
15
p
В корзину
201458-П29
Болт М8х1.25х25 многоцелевой (упаковка 50шт.)
Производство:
АЗ Урал
Под заказ
10
p
В корзину
45
15.1601019
Крышка нижнего люка
Кол-во
0
?
Оставить заявку
46
216559-П29
Шпилька
Кол-во
0
?
Оставить заявку
47
236-1028246
Кольцо уплотнительное
Кол-во
0
?
Узнать цену
236-1028246
Кольцо ЯМЗ уплотнительное ротора Ф.Ц.О.М
Производство:
ПАО Автодизель (ЯМЗ)
Под заказ
30
p
В корзину
48
201.1701070
Гнездо
Кол-во
0
?
Оставить заявку
49
201.1701069
Прокладка
Кол-во
1
?
Оставить заявку
50
201.1701068
Крышка подшипника
Кол-во
1
?
Оставить заявку
51
201.1701041
Крышка
Кол-во
1
?
Оставить заявку
52
201.1701042
Прокладка
Кол-во
1
?
Оставить заявку
53
201.1701230
Манжета
Кол-во
1
?
Оставить заявку
54
201.1701046
Экран маслоотражательный
Кол-во
1
?
Оставить заявку
55
201.1701460
Кольцо маслоотражательное
Кол-во
1
?
Оставить заявку
56
201.1701045
Кольцо 2А95
Кол-во
1
?
Оставить заявку
57
201.1701016
Картер, нижняя часть
Кол-во
1
?
Оставить заявку
59
310453-П29
Шпилька
Кол-во
1
?
Оставить заявку
60
310457-П29
Шпилька
Кол-во
10
?
Оставить заявку
61
310456-П29
Шпилька
Кол-во
4
?
Оставить заявку
Получить консультацию
У нас большой опыт по подбору запчастей, и мы с радостью поможем вам найти нужную деталь, даже если вы не знаете ее артикул
Дмитрий Иванов
Директор отдела продаж
Мобильный номер:
8 (912) 474-74-74
E-mail:
td.uralval@mail.ru
Вы должны включить JavaScript чтобы использовать эту форму.
Ваше имя
Ваш телефон
Комментарий
Я соглашаюсь с
Политикой конфиденциальности
и даю согласие на обработку персональных данных.
Feed me
Отправить