Запчасти для грузовых автомобилей
8-800-555-32-41
Перезвоните мне
Отправить готовую заявку
0
Корзина
Поиск
КАТАЛОГ ПРОДУКЦИИ
Запчасти УРАЛ
Запчасти КамАЗ
Запчасти АМТ
Запчасти ЧТЗ
Запчасти погрузчиков Dalian
Запчасти ЯМЗ
Двигатели ЯМЗ в сборе
Запчасти Shaanxi Fast Gear
Лебедки
Спецпредложения
О компании
Доставка и оплата
Гарантии и сервис
Контакты
Графические каталоги запчастей
Фильтр тонкой очистки топлива ЯМЗ-8421.10
Главная
/
Графические каталоги
/
ЯМЗ
/
ЯМЗ-8421.10
/
Фильтр тонкой очистки топлива
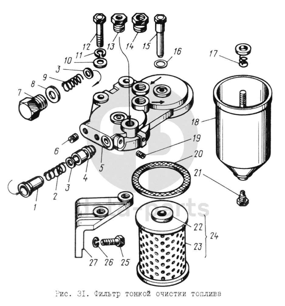
1
2
3
3
4
5
6
7
8
9
10
11
12
13
14
15
16
17
18
20
21
22
23
24
25
26
27
%
1
840.1117162
Гильза перепускного клапана
Кол-во
1
?
Оставить заявку
2
840.1117158
Пружина клапана термостата
Кол-во
1
?
Оставить заявку
3
312699-П2
Шайба
Кол-во
4
?
Оставить заявку
4
840.1117150
Клапан перепускной
Кол-во
1
?
Оставить заявку
5
840.1117022
Корпус фильтра
Кол-во
1
?
Узнать цену
840.1117022
КОРПУС ФИЛЬТРА
Производство:
ПАО Автодизель (ЯМЗ)
Под заказ
10 487
p
В корзину
6
316198-П29
Пробка
Кол-во
2
?
Узнать цену
316198-П29
ПРОБКА
Производство:
ПАО Автодизель (ЯМЗ)
Под заказ
215
p
В корзину
7
316108-П29
Пробка
Кол-во
1
?
Оставить заявку
8
312367-П
Шайба
Кол-во
1
?
Узнать цену
312367-П
Шайба 16.0х20.0х1.5 ЯМЗ медная (плоская)
Производство:
ПАО Автодизель (ЯМЗ)
Под заказ
42
p
В корзину
9
840.1117159
Пружина перепускного клапана
Кол-во
1
?
Оставить заявку
10
252007-П29
Шайба плоская
Кол-во
2
?
Узнать цену
252007-П29
Шайба 12 отопителя УРАЛ
Производство:
АЗ Урал
Под заказ
13
p
В корзину
252007-П29
Шайба 12 отопителя УРАЛ
Производство:
ПАО Автодизель (ЯМЗ)
Под заказ
7
p
В корзину
11
252137-П2
Шайба пружинная
Кол-во
2
?
Узнать цену
252137-П2
Шайба 12 пружинная 12,2х20,5х4,0
Производство:
ПАО Автодизель (ЯМЗ)
276 в наличии
15
p
В корзину
12
201573-П29
Болт
Кол-во
2
?
Оставить заявку
13
316622-П29
Ввертыш
Кол-во
2
?
Узнать цену
316622-П29
ВВЕРТЫШ
Производство:
ПАО Автодизель (ЯМЗ)
Под заказ
465
p
В корзину
14
316615-П29
Ввертыш
Кол-во
2
?
Оставить заявку
15
840.1117122
Болт
Кол-во
2
?
Оставить заявку
16
312326-П
Шайба 14
Кол-во
2
?
Узнать цену
312326-П
Шайба 14.2х19х1.2 ЯМЗ медная (плоская)
Производство:
ПАО Автодизель (ЯМЗ)
Под заказ
91
p
В корзину
17
840.1117037
Пружина фильтра
Кол-во
2
?
Оставить заявку
18
840.1117182
Колпак фильтра
Кол-во
2
?
Оставить заявку
20
840.1117186
Прокладка колпака
Кол-во
2
?
Узнать цену
840.1117186
Прокладка ЯМЗ-840 колпака Ф.Т.О.Т.
Производство:
ПАО Автодизель (ЯМЗ)
Под заказ
135
p
В корзину
21
840.1117144
Пробка сливная
Кол-во
2
?
Оставить заявку
22
840.1117411
Прокладка элемента
Кол-во
4
?
Оставить заявку
23
840.1117040-01
Элемент фильтрующий
Кол-во
2
?
Оставить заявку
24
840.1117035-01
Элемент в упаковке
Кол-во
2
?
Оставить заявку
25
310213-П29
Болт
Кол-во
3
?
Узнать цену
310213-П29
Болт М10х1,25-40-28-6-14 крепления вилки сцепления
Производство:
ПАО Автодизель (ЯМЗ)
Под заказ
132
p
В корзину
26
252136-П2
Шайба 10 пружинная
Кол-во
3
?
Узнать цену
252136-П2
Шайба 10.2х2.5 пружинная
Производство:
ПАО Автодизель (ЯМЗ)
509 в наличии
11
p
В корзину
27
841.1117152
Кронштейн
Кол-во
1
?
Оставить заявку
Получить консультацию
У нас большой опыт по подбору запчастей, и мы с радостью поможем вам найти нужную деталь, даже если вы не знаете ее артикул
Дмитрий Иванов
Директор отдела продаж
Мобильный номер:
8 (912) 474-74-74
E-mail:
td.uralval@mail.ru
Вы должны включить JavaScript чтобы использовать эту форму.
Ваше имя
Ваш телефон
Комментарий
Я соглашаюсь с
Политикой конфиденциальности
и даю согласие на обработку персональных данных.
Feed me
Отправить