Запчасти для грузовых автомобилей
8-800-555-32-41
Перезвоните мне
Отправить готовую заявку
0
Корзина
Поиск
КАТАЛОГ ПРОДУКЦИИ
Запчасти УРАЛ
Запчасти КамАЗ
Запчасти АМТ
Запчасти ЧТЗ
Запчасти погрузчиков Dalian
Запчасти ЯМЗ
Двигатели ЯМЗ в сборе
Запчасти Shaanxi Fast Gear
Лебедки
Спецпредложения
О компании
Доставка и оплата
Гарантии и сервис
Контакты
Графические каталоги запчастей
Головка цилиндров ЯМЗ-8421.10
Главная
/
Графические каталоги
/
ЯМЗ
/
ЯМЗ-8421.10
/
Головка цилиндров
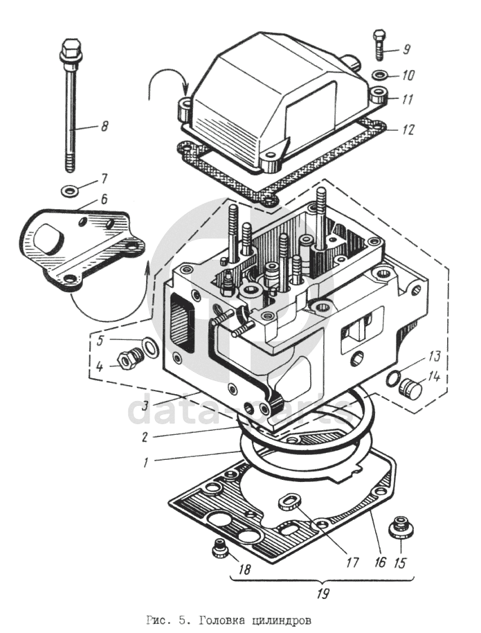
1
2
3
4
5
6
6
7
8
9
10
11
12
13
14
15
16
17
18
19
%
1
840.1003212-30
Прокладка головки
Кол-во
8
?
Узнать цену
840.1003212-30
Прокладка головки блока ЯМЗ-8401 8421
Производство:
ПАО Автодизель (ЯМЗ)
65 в наличии
207
p
В корзину
2
840.1003466
Кольцо уплотнительное газового стыка
Кол-во
8
?
Узнать цену
840.1003466
КОЛЬЦО УПЛОТНИТЕЛЬНОЕ ГАЗОВОГО СТЫКА
Производство:
ПАО Автодизель (ЯМЗ)
Под заказ
2 694
p
В корзину
3
840.1003013-10
Головка цилиндра в сборе
Кол-во
8
?
Оставить заявку
4
316603-П29
Ввертыш
Кол-во
8
?
Оставить заявку
5
201-1015624
Прокладка
Кол-во
8
?
Узнать цену
201-1015624
Шайба 16.0х22.0х1.5 ЯМЗ ФГОТ медная (плоская)
Производство:
ПАО Автодизель (ЯМЗ)
Под заказ
100
p
В корзину
6
841.1002350
Рым
Кол-во
2
?
Узнать цену
841.1002350
РЫМ ПРАВЫЙ
Производство:
ПАО Автодизель (ЯМЗ)
Под заказ
981
p
В корзину
6
841.1002351
Рым
Кол-во
2
?
Узнать цену
841.1002351
РЫМ ЛЕВЫЙ
Производство:
ПАО Автодизель (ЯМЗ)
Под заказ
981
p
В корзину
7
312693-П29
Шайба
Кол-во
48
?
Оставить заявку
8
840.1003016
Болт крепления головки
Кол-во
48
?
Оставить заявку
9
201464-П29
Болт М8х40
Кол-во
32
?
Узнать цену
201464-П29
Болт М8х1.25х40 ГАЗ-3307 крепления вентилятора, УАЗ-31514 3160 механизма переключения передач
Производство:
ПАО Автодизель (ЯМЗ)
Под заказ
15
p
В корзину
10
252005-П29
Шайба плоская
Кол-во
32
?
Узнать цену
252005-П29
Шайба ЯМЗ-534 компрессора 8.01.016
Производство:
ПАО Автодизель (ЯМЗ)
106 в наличии
9
p
В корзину
252005-П29
Шайба ЯМЗ-534 компрессора 8.01.016
Производство:
АЗ Урал
Под заказ
13
p
В корзину
11
840.1003264
Крышка головки
Кол-во
8
?
Узнать цену
840.1003264
Крышка клапанная ТМЗ-840, 8421, 23
Производство:
ПАО Автодизель (ЯМЗ)
Под заказ
2 967
p
В корзину
12
840.1003270
Прокладка крышки
Кол-во
8
?
Узнать цену
840.1003270
Прокладка крышки клапанной ЯМЗ-8421
Производство:
ПАО Автодизель (ЯМЗ)
Под заказ
117
p
В корзину
13
238Н-1723031
Кольцо уплотнительное
Кол-во
32
?
Оставить заявку
14
840.1003436
Заглушка
Кол-во
32
?
Оставить заявку
15
840.1003510
Вставка уплотнительная
Кол-во
16
?
Оставить заявку
16
840.1003505
Прокладка уплотнительная
Кол-во
8
?
Оставить заявку
17
840.1003506
Вставка уплотнительная
Кол-во
8
?
Оставить заявку
18
840.1003508
Вставка уплотнительная
Кол-во
8
?
Оставить заявку
19
840.1003514
Прокладка уплотнительная и вставки на одну головку (комплект для запасных частей)
Кол-во
8
?
Оставить заявку
Получить консультацию
У нас большой опыт по подбору запчастей, и мы с радостью поможем вам найти нужную деталь, даже если вы не знаете ее артикул
Дмитрий Иванов
Директор отдела продаж
Мобильный номер:
8 (912) 474-74-74
E-mail:
td.uralval@mail.ru
Вы должны включить JavaScript чтобы использовать эту форму.
Ваше имя
Ваш телефон
Комментарий
Я соглашаюсь с
Политикой конфиденциальности
и даю согласие на обработку персональных данных.
Feed me
Отправить