Запчасти для грузовых автомобилей
8-800-555-32-41
Перезвоните мне
Отправить готовую заявку
0
Корзина
Поиск
КАТАЛОГ ПРОДУКЦИИ
Запчасти УРАЛ
Запчасти КамАЗ
Запчасти АМТ
Запчасти ЧТЗ
Запчасти погрузчиков Dalian
Запчасти ЯМЗ
Двигатели ЯМЗ в сборе
Запчасти Shaanxi Fast Gear
Лебедки
Спецпредложения
О компании
Доставка и оплата
Гарантии и сервис
Контакты
Графические каталоги запчастей
Блок цилиндров ЯМЗ-8421.10
Главная
/
Графические каталоги
/
ЯМЗ
/
ЯМЗ-8421.10
/
Блок цилиндров
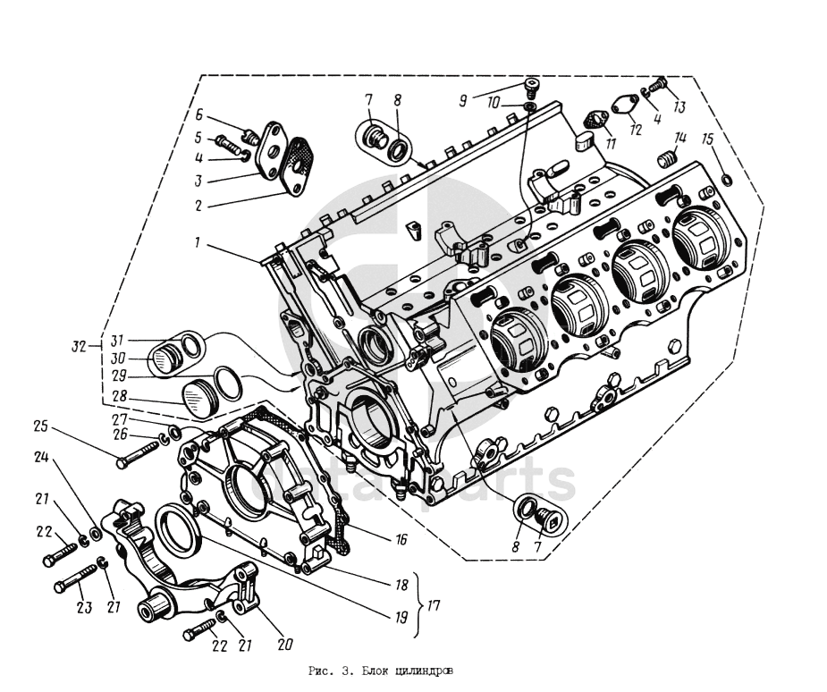
1
2
3
4
4
5
6
7
7
8
8
9
10
11
12
13
16
17
18
19
20
22
22
22
24
25
26
27
28
30
32
%
1
842.1002011
Блок цилиндров в сборе
Кол-во
1
?
Оставить заявку
2
236-1011296
Прокладка переднего фланца
Кол-во
1
?
Узнать цену
236-1011296
Прокладка ЯМЗ насоса масляного
Производство:
ПАО Автодизель (ЯМЗ)
Под заказ
22
p
В корзину
3
841.1002084
Крышка водяной полости
Кол-во
1
?
Оставить заявку
4
252135-П2
Шайба пружинная
Кол-во
4
?
Узнать цену
252135-П2
Шайба 8х2.5 ЯМЗ заглушки блока цилиндров
Производство:
ПАО Автодизель (ЯМЗ)
495 в наличии
3
p
В корзину
5
201458-П29
Болт М8х25
Кол-во
2
?
Узнать цену
201458-П29
Болт М8х1.25х25 многоцелевой (упаковка 50шт.)
Производство:
ПАО Автодизель (ЯМЗ)
90 в наличии
15
p
В корзину
201458-П29
Болт М8х1.25х25 многоцелевой (упаковка 50шт.)
Производство:
АЗ Урал
Под заказ
10
p
В корзину
6
316198-П29
Пробка
Кол-во
1
?
Узнать цену
316198-П29
ПРОБКА
Производство:
ПАО Автодизель (ЯМЗ)
Под заказ
215
p
В корзину
7
316106-П29
Пробка
Кол-во
4
?
Узнать цену
316106-П29
ПРОБКА М14Х1,5
Производство:
ПАО Автодизель (ЯМЗ)
Под заказ
136
p
В корзину
8
312326-П
Шайба 14
Кол-во
4
?
Узнать цену
312326-П
Шайба 14.2х19х1.2 ЯМЗ медная (плоская)
Производство:
ПАО Автодизель (ЯМЗ)
Под заказ
91
p
В корзину
9
316107-П2
Пробка
Кол-во
1
?
Оставить заявку
10
312630-П
Шайба
Кол-во
1
?
Узнать цену
312630-П
Шайба 20.3х24.0х1.5 ЯМЗ клапана перепускного ФТОТ медная
Производство:
ПАО Автодизель (ЯМЗ)
86 в наличии
61
p
В корзину
11
8423.1303276
Прокладка патрубка
Кол-во
1
?
Оставить заявку
12
841.1002208
Заглушка
Кол-во
1
?
Оставить заявку
13
201456-П29
Болт М8-6gх20
Кол-во
2
?
Узнать цену
201456-П29
Болт М8х1.25х20 ЗИЛ масляного картера, ГАЗ-2410 системы выхлопа механизма рулевого
Производство:
ПАО Автодизель (ЯМЗ)
342 в наличии
13
p
В корзину
201456-П29
Болт М8х1.25х20 ЗИЛ масляного картера, ГАЗ-2410 системы выхлопа механизма рулевого
Производство:
АЗ Урал
Под заказ
21
p
В корзину
16
841.1002265
Прокладка
Кол-во
1
?
Оставить заявку
17
841.1002260
Крышка передняя в сборе
Кол-во
1
?
Узнать цену
841.1002260
Крышка-8421.10 8424.10 8481.10 8486.10 двигателя передняя в сборе
Производство:
ПАО Автодизель (ЯМЗ)
Под заказ
41 180
p
В корзину
18
841.1002264
Крышка передняя
Кол-во
1
?
Узнать цену
841.1002264
КРЫШКА БЛОКА ЦИЛИНДРА ПЕРЕДНЯЯ
Производство:
ПАО Автодизель (ЯМЗ)
Под заказ
38 552
p
В корзину
19
840.1005034
Манжета передняя в сборе
Кол-во
1
?
Оставить заявку
20
841.1001017
Кронштейн передней опоры
Кол-во
1
?
Оставить заявку
22
252138-П
Шайба
Кол-во
6
?
Оставить заявку
24
252016-П29
Шайба
Кол-во
1
?
Узнать цену
252016-П29
Шайба 14.5х28х3 крепления кабины седельного устройства капота крыльев ЗИЛ-4331 433360
Производство:
ПАО Автодизель (ЯМЗ)
Под заказ
16
p
В корзину
252016-П29
Шайба 14.5х28х3 крепления кабины седельного устройства капота крыльев ЗИЛ-4331 433360
Производство:
АЗ Урал
Под заказ
22
p
В корзину
25
200460-П29
Болт
Кол-во
4
?
Узнать цену
200460-П29
БОЛТ М10Х1,25-6GХ150
Производство:
ПАО Автодизель (ЯМЗ)
Под заказ
67
p
В корзину
26
252136-П2
Шайба 10 пружинная
Кол-во
4
?
Узнать цену
252136-П2
Шайба 10.2х2.5 пружинная
Производство:
ПАО Автодизель (ЯМЗ)
509 в наличии
11
p
В корзину
27
252006-П29
Шайба плоская
Кол-во
4
?
Узнать цену
252006-П29
Шайба 10 отопителя УРАЛ
Производство:
ПАО Автодизель (ЯМЗ)
55 в наличии
5
p
В корзину
252006-П29
Шайба 10 отопителя УРАЛ
Производство:
АЗ Урал
Под заказ
17
p
В корзину
28
840.1002524
Заглушка отверстия распределительного вала
Кол-во
1
?
Оставить заявку
30
841.1002025
Заглушка
Кол-во
1
?
Оставить заявку
32
842.1002012
Блок цилиндров в сборе
Кол-во
1
?
Оставить заявку
Получить консультацию
У нас большой опыт по подбору запчастей, и мы с радостью поможем вам найти нужную деталь, даже если вы не знаете ее артикул
Дмитрий Иванов
Директор отдела продаж
Мобильный номер:
8 (912) 474-74-74
E-mail:
td.uralval@mail.ru
Вы должны включить JavaScript чтобы использовать эту форму.
Ваше имя
Ваш телефон
Комментарий
Я соглашаюсь с
Политикой конфиденциальности
и даю согласие на обработку персональных данных.
Feed me
Отправить