Запчасти для грузовых автомобилей
8-800-555-32-41
Перезвоните мне
Отправить готовую заявку
0
Корзина
Поиск
КАТАЛОГ ПРОДУКЦИИ
Запчасти УРАЛ
Запчасти КамАЗ
Запчасти АМТ
Запчасти ЧТЗ
Запчасти погрузчиков Dalian
Запчасти ЯМЗ
Двигатели ЯМЗ в сборе
Запчасти Shaanxi Fast Gear
Лебедки
Спецпредложения
О компании
Доставка и оплата
Гарантии и сервис
Контакты
Графические каталоги запчастей
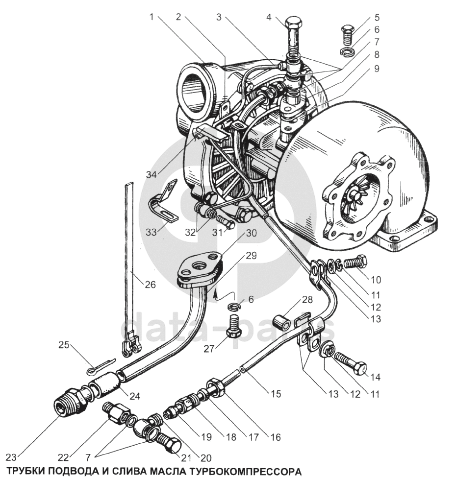
Трубки подвода и слива масла турбокомпрессора ЯМЗ-7511
Главная
/
Графические каталоги
/
ЯМЗ
/
ЯМЗ-7511
/
Трубки подвода и слива масла турбокомпрессора
1
2
3
4
5
6
6
7
7
8
9
10
11
11
12
12
13
13
14
15
16
17
18
19
20
21
22
23
24
25
26
27
28
29
30
31
32
33
34
%
1
12.1118010
Турбокомпрессор в сборе
Кол-во
1
?
Оставить заявку
2
315455-П29
Кляммер
Кол-во
1
?
Узнать цену
315455-П29
Кляммер
Производство:
ПАО Автодизель (ЯМЗ)
Под заказ
24
p
В корзину
3
238БМ-1111558
Трубка подвода масла к корректору по наддуву
Кол-во
1
?
Узнать цену
238БМ-1111558
Трубка ЯМЗ подвода масла к корректору
Производство:
ПАО Автодизель (ЯМЗ)
24 в наличии
1 135
p
В корзину
4
310236-П29
Болт
Кол-во
1
?
Узнать цену
310236-П29
Болт-штуцер М14х1.5х48 МАЗ маслоподводящий к турбокомпрессору
Производство:
ПАО Автодизель (ЯМЗ)
15 в наличии
269
p
В корзину
5
201495-П2
Болт
Кол-во
2
?
Оставить заявку
6
252156-П2
Шайба пружинная
Кол-во
4
?
Узнать цену
252156-П2
ШАЙБА 10,1
Производство:
ПАО Автодизель (ЯМЗ)
2147 в наличии
3
p
В корзину
7
312326-П34
Шайба уплотнительная
Кол-во
5
?
Узнать цену
312326-П34
Шайба 14.2х19.0х1.2 ЯМЗ медная (плоская)
Производство:
ПАО Автодизель (ЯМЗ)
232 в наличии
99
p
В корзину
8
238Ф-1118224
Фланец турбокомпрессора
Кол-во
1
?
Узнать цену
238Ф-1118224
Фланец ЯМЗ маслоподводящий турбины
Производство:
ПАО Автодизель (ЯМЗ)
7 в наличии
882
p
В корзину
9
238Ф-1118225
Прокладка
Кол-во
1
?
Узнать цену
238Ф-1118225
Прокладка фланца ТКР МАЗ,УРАЛ,КРАЗ
Производство:
ПАО Автодизель (ЯМЗ)
Под заказ
9
p
В корзину
10
201458-П29
Болт М8х25
Кол-во
1
?
Узнать цену
201458-П29
Болт М8х1.25х25 многоцелевой (упаковка 50шт.)
Производство:
ПАО Автодизель (ЯМЗ)
90 в наличии
15
p
В корзину
201458-П29
Болт М8х1.25х25 многоцелевой (упаковка 50шт.)
Производство:
АЗ Урал
Под заказ
10
p
В корзину
11
252135-П2
Шайба пружинная
Кол-во
2
?
Узнать цену
252135-П2
Шайба 8х2.5 ЯМЗ заглушки блока цилиндров
Производство:
ПАО Автодизель (ЯМЗ)
495 в наличии
3
p
В корзину
12
252005-П29
Шайба плоская
Кол-во
2
?
Узнать цену
252005-П29
Шайба ЯМЗ-534 компрессора 8.01.016
Производство:
ПАО Автодизель (ЯМЗ)
106 в наличии
9
p
В корзину
252005-П29
Шайба ЯМЗ-534 компрессора 8.01.016
Производство:
АЗ Урал
Под заказ
13
p
В корзину
13
238Н-1017152
Скоба крепления трубки
Кол-во
4
?
Оставить заявку
14
201466-П29
Болт М8х45
Кол-во
1
?
Узнать цену
201466-П29
Болт М8х1.25х45 ГАЗ крепления салазок, УАЗ-31514 3160 механизма переключения передач
Производство:
ПАО Автодизель (ЯМЗ)
25 в наличии
15
p
В корзину
15
238Ф-1118226
Трубка подвода масла к турбокомпрессору
Кол-во
1
?
Оставить заявку
16
238Н-1017243
Гайка упорная в сборе
Кол-во
2
?
Узнать цену
238Н-1017243
Гайка
Производство:
ПАО Автодизель (ЯМЗ)
Под заказ
169
p
В корзину
17
238Н-1017318
Кольцо
Кол-во
2
?
Узнать цену
238Н-1017318
КОЛЬЦО
Производство:
ПАО Автодизель (ЯМЗ)
Под заказ
15
p
В корзину
18
314678-П29
Штуцер проходной
Кол-во
2
?
Узнать цену
314678-П29
Штуцер
Производство:
ПАО Автодизель (ЯМЗ)
Под заказ
133
p
В корзину
19
314802-П
Муфта конусная
Кол-во
2
?
Узнать цену
314802-П
Муфта 10
Производство:
ПАО Автодизель (ЯМЗ)
Под заказ
115
p
В корзину
20
238Н-1017216
Наконечник
Кол-во
2
?
Узнать цену
238Н-1017216
Наконечник ЯМЗ трубки подводящей турбины
Производство:
ПАО Автодизель (ЯМЗ)
15 в наличии
263
p
В корзину
21
310096-П2
Болт специальный М14х1,5х30
Кол-во
1
?
Оставить заявку
22
314681-П29
Штуцер
Кол-во
1
?
Узнать цену
314681-П29
Штуцер ЯМЗ трубки ТКР К1/4
Производство:
ПАО Автодизель (ЯМЗ)
38 в наличии
164
p
В корзину
23
236-1306082
Штуцер трубки слива масла
Кол-во
1
?
Оставить заявку
24
236-1306084
Рукав соединительный
Кол-во
1
?
Узнать цену
236-1306084
Патрубок ЯМЗ системы охлаждения D-22.
Производство:
ПАО Автодизель (ЯМЗ)
75 в наличии
182
p
В корзину
25
297575-П29
Шплинт
Кол-во
2
?
Оставить заявку
26
316215-П
Хомут в сборе
Кол-во
2
?
Оставить заявку
27
201497-П29
Болт М10х25
Кол-во
2
?
Узнать цену
201497-П29
Болт М10х1.5х25 ГАЗ-3302 крепления ФТОТ заднего моста, ЗИЛ-130 крепления вентилятора
Производство:
ПАО Автодизель (ЯМЗ)
48 в наличии
13
p
В корзину
201497-П29
Болт М10х1.5х25 ГАЗ-3302 крепления ФТОТ заднего моста, ЗИЛ-130 крепления вентилятора
Производство:
АЗ Урал
Под заказ
32
p
В корзину
28
238П-1017156
Проставка скобы
Кол-во
1
?
Оставить заявку
29
238Б-1118340
Трубка слива масла
Кол-во
1
?
Узнать цену
238Б-1118340
Трубка ЯМЗ-238Б Д 6581 слива масла с ТКР
Производство:
ПАО Автодизель (ЯМЗ)
14 в наличии
960
p
В корзину
30
238Ф-1118322
Прокладка фланца трубы
Кол-во
1
?
Узнать цену
238Ф-1118322
Прокладка ЯМЗ патрубка слива масла
Производство:
ПАО Автодизель (ЯМЗ)
Под заказ
46
p
В корзину
31
310122-П2
Болт М10х1х22
Кол-во
1
?
Оставить заявку
32
312482-П34
Шайба
Кол-во
2
?
Узнать цену
312482-П34
Шайба 10.2х14.0х1.5 ЯМЗ крепления трубки топливной медная
Производство:
ПАО Автодизель (ЯМЗ)
Под заказ
91
p
В корзину
33
315352-П29
Кляммер
Кол-во
1
?
Узнать цену
315352-П29
Кляммер
Производство:
ПАО Автодизель (ЯМЗ)
Под заказ
5
p
В корзину
34
240-1104337
Прокладка кляммера
Кол-во
1
?
Узнать цену
240-1104337
Прокладка
Производство:
ПАО Автодизель (ЯМЗ)
Под заказ
7
p
В корзину
Получить консультацию
У нас большой опыт по подбору запчастей, и мы с радостью поможем вам найти нужную деталь, даже если вы не знаете ее артикул
Дмитрий Иванов
Директор отдела продаж
Мобильный номер:
8 (912) 474-74-74
E-mail:
td.uralval@mail.ru
Вы должны включить JavaScript чтобы использовать эту форму.
Ваше имя
Ваш телефон
Комментарий
Я соглашаюсь с
Политикой конфиденциальности
и даю согласие на обработку персональных данных.
Feed me
Отправить