Запчасти для грузовых автомобилей
8-800-555-32-41
Перезвоните мне
Отправить готовую заявку
0
Корзина
Поиск
КАТАЛОГ ПРОДУКЦИИ
Запчасти УРАЛ
Запчасти КамАЗ
Запчасти АМТ
Запчасти ЧТЗ
Запчасти погрузчиков Dalian
Запчасти ЯМЗ
Двигатели ЯМЗ в сборе
Запчасти Shaanxi Fast Gear
Лебедки
Спецпредложения
О компании
Доставка и оплата
Гарантии и сервис
Контакты
Графические каталоги запчастей
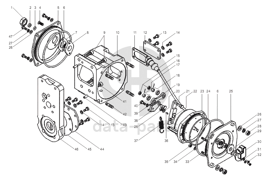
Механизм электромеханический исполнительный (ЭИМ) ЯМЗ-6581.10, 6582.10 (Евро 3)
Главная
/
Графические каталоги
/
ЯМЗ
/
ЯМЗ-6581.10, 6582.10 (Евро 3)
/
Механизм электромеханический исполнительный (ЭИМ)
1
2
3
4
5
6
6
7
8
9
10
11
12
13
13
14
14
15
16
17
18
18
19
20
21
22
23
24
25
25
26
26
27
27
27
27
28
28
29
30
31
32
33
34
35
36
37
38
39
40
41
42
43
44
45
46
47
%
1
ЭМП 01.02.02
Гайка сальника
Кол-во
1
?
Оставить заявку
2
ЭМП 01.02.03
Втулка сальника
Кол-во
1
?
Оставить заявку
3
ЭМП 01.02.04
Прокладка
Кол-во
1
?
Оставить заявку
4
870354
Винт М6х16
Кол-во
2
?
Оставить заявку
5
136.1110353-10
Крышка защитная
Кол-во
1
?
Оставить заявку
6
25 3111 2221
Кольцо 120-126-36-2-1
Кол-во
2
?
Оставить заявку
7
136.1110352
Прокладка корпуса сальника
Кол-во
1
?
Оставить заявку
8
136.1110340
Корпус сальника
Кол-во
1
?
Узнать цену
136.1110340
Корпус сальника
Производство:
АО ЯЗДА
Под заказ
1 048
p
В корзину
9
01-7002-2841
Винт М8х25
Кол-во
2
?
Узнать цену
01-7002-2841
Винт М8-6G
Производство:
АО ЯЗДА
Под заказ
41
p
В корзину
10
136.1110334-10
Кронштейн
Кол-во
1
?
Оставить заявку
11
136.1110351
Прокладка крышки
Кол-во
1
?
Узнать цену
136.1110351
Прокладка
Производство:
АО ЯЗДА
Под заказ
162
p
В корзину
12
136.1110350
Крышка
Кол-во
1
?
Узнать цену
136.1110350
Крышка
Производство:
АО ЯЗДА
Под заказ
226
p
В корзину
13
1/09022/21
Болт М6х16
Кол-во
12
?
Узнать цену
1/09022/21
Болт
Производство:
АО ЯЗДА
Под заказ
25
p
В корзину
14
1/11977/71
Шайба 06
Кол-во
12
?
Узнать цену
1/11977/71
Шайба
Производство:
АО ЯЗДА
Под заказ
13
p
В корзину
15
45 7373 2209
Вилка
Кол-во
1
?
Оставить заявку
16
136.1110345
Шайба
Кол-во
2
?
Узнать цену
136.1110345
Шайба 6х10,5
Производство:
АО ЯЗДА
Под заказ
165
p
В корзину
17
1/07342/01
Шплинт 2х15
Кол-во
2
?
Узнать цену
1/07342/01
Шплинт
Производство:
АО ЯЗДА
Под заказ
5
p
В корзину
18
Ш6
Подшипник шарнирный Ш6
Кол-во
2
?
Оставить заявку
18
ШС6
Подшипник шарнирный
Кол-во
2
?
Оставить заявку
19
136.1110342-10
Тяга рейки
Кол-во
1
?
Оставить заявку
20
1/11980/73
Шайба коническая пружинная
Кол-во
1
?
Оставить заявку
21
318-85357
Палец
Кол-во
2
?
Оставить заявку
22
136.1110337
Кривошип
Кол-во
1
?
Узнать цену
136.1110337
Кривошип
Производство:
АО ЯЗДА
Под заказ
2 589
p
В корзину
23
37 4231 0600
Электромагнит
Кол-во
1
?
Оставить заявку
24
864208
Кольцо уплотнительное
Кол-во
1
?
Узнать цену
864208
Кольцо уплотнительное
Производство:
АО ЯЗДА
Под заказ
62
p
В корзину
25
136.1110339-12
Крышка установочная
Кол-во
1
?
Узнать цену
136.1110339-12
Крышка
Производство:
АО ЯЗДА
Под заказ
2 138
p
В корзину
25
136.1110339-10
Крышка установочная
Кол-во
1
?
Оставить заявку
26
312700-П29
Шайба
Кол-во
8
?
Узнать цену
312700-П29
Шайба
Производство:
АО ЯЗДА
Под заказ
9
p
В корзину
27
320-88696
Шайба
Кол-во
9
?
Оставить заявку
27
1/05196/01
Шайба 8х17
Кол-во
9
?
Узнать цену
1/05196/01
Шайба 8*17 1/05196
Производство:
АО ЯЗДА
Под заказ
18
p
В корзину
27
1/05166/77
Шайба 08
Кол-во
9
?
Узнать цену
1/05166/77
Шайба
Производство:
АО ЯЗДА
Под заказ
38
p
В корзину
28
1/61008/21
Гайка М8
Кол-во
5
?
Узнать цену
1/61008/21
Гайка Камаз
Производство:
АО ЯЗДА
Под заказ
34
p
В корзину
29
337.1110973-10
Кольцо уплотнительное
Кол-во
1
?
Узнать цену
337.1110973-10
Кольцо уплотнительное
Производство:
АО ЯЗДА
Под заказ
177
p
В корзину
30
45 7382 7147
Датчик положения
Кол-во
1
?
Оставить заявку
31
1/05192/01
Шайба 4x9
Кол-во
2
?
Оставить заявку
32
320.22027
Винт М14x16
Кол-во
2
?
Узнать цену
320.22027
Винт М4х16
Производство:
АО ЯЗДА
Под заказ
98
p
В корзину
33
1/35410/21
Шпилька М6х18
Кол-во
4
?
Узнать цену
1/35410/21
Шпилька
Производство:
АО ЯЗДА
Под заказ
32
p
В корзину
34
1/05194/01
Шайба плоская
Кол-во
4
?
Оставить заявку
35
1/58962/11
Гайка М6
Кол-во
4
?
Узнать цену
1/58962/11
Гайка М6Х1 Камаз
Производство:
АО ЯЗДА
Под заказ
13
p
В корзину
36
320.35004
Шпонка 2x3.7
Кол-во
1
?
Узнать цену
320.35004
Шпонка 2х3,7 ГОСТ 24071-80
Производство:
АО ЯЗДА
Под заказ
98
p
В корзину
37
337.1110114-01
Пружина
Кол-во
1
?
Оставить заявку
38
136.1110344
Поводок рейки
Кол-во
1
?
Оставить заявку
39
1/05164/77
Шайба
Кол-во
1
?
Узнать цену
1/05164/77
Шайба
Производство:
АО ЯЗДА
Под заказ
53
p
В корзину
40
318-85211
Болт
Кол-во
1
?
Узнать цену
318-85211
Болт
Производство:
АО ЯЗДА
Под заказ
136
p
В корзину
41
01-7002-2840
Винт М8х20
Кол-во
9
?
Оставить заявку
42
1/35431/21
Шпилька М8х1.25х16
Кол-во
4
?
Оставить заявку
43
870770
Штифт 6x16
Кол-во
2
?
Узнать цену
870770
Штифт
Производство:
АО ЯЗДА
Под заказ
38
p
В корзину
44
136.1110346
Крышка
Кол-во
1
?
Узнать цену
136.1110346
Крышка
Производство:
АО ЯЗДА
5 в наличии
397
p
В корзину
45
136.1110347
Прокладка крышки
Кол-во
1
?
Оставить заявку
46
136.1110331
Плита установочная
Кол-во
1
?
Оставить заявку
47
1/60436/21
Болт
Кол-во
4
?
Оставить заявку
Получить консультацию
У нас большой опыт по подбору запчастей, и мы с радостью поможем вам найти нужную деталь, даже если вы не знаете ее артикул
Дмитрий Иванов
Директор отдела продаж
Мобильный номер:
8 (912) 474-74-74
E-mail:
td.uralval@mail.ru
Вы должны включить JavaScript чтобы использовать эту форму.
Ваше имя
Ваш телефон
Комментарий
Я соглашаюсь с
Политикой конфиденциальности
и даю согласие на обработку персональных данных.
Feed me
Отправить