Запчасти для грузовых автомобилей
8-800-555-32-41
Перезвоните мне
Отправить готовую заявку
0
Корзина
Поиск
КАТАЛОГ ПРОДУКЦИИ
Запчасти УРАЛ
Запчасти КамАЗ
Запчасти АМТ
Запчасти ЧТЗ
Запчасти погрузчиков Dalian
Запчасти ЯМЗ
Двигатели ЯМЗ в сборе
Запчасти Shaanxi Fast Gear
Лебедки
Спецпредложения
О компании
Доставка и оплата
Гарантии и сервис
Контакты
Графические каталоги запчастей
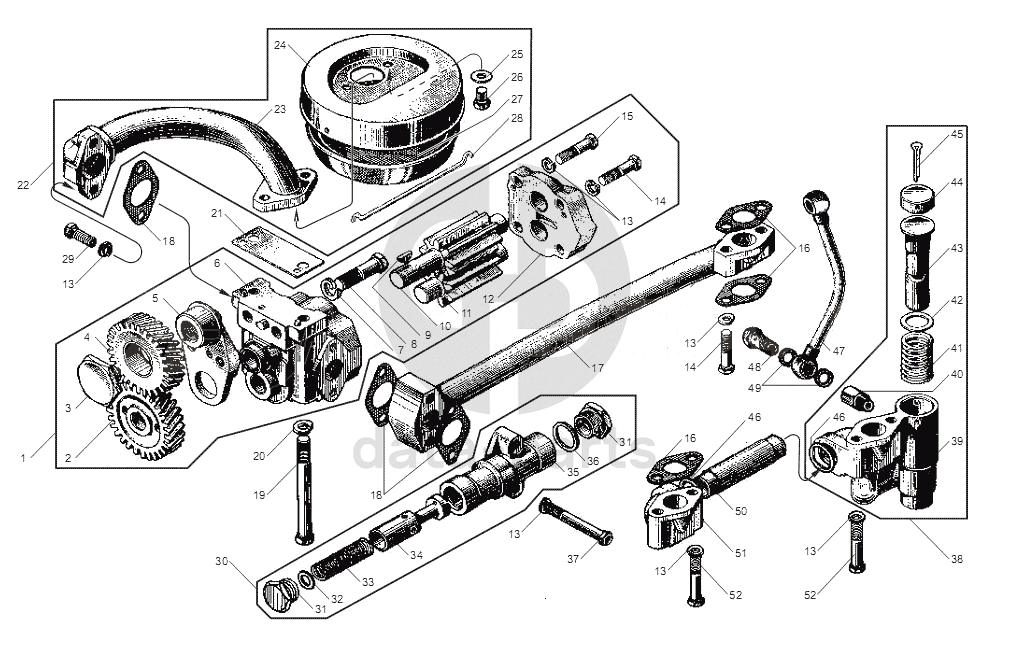
Насос масляный ЯМЗ-6581.10, 6582.10 (Евро 3)
Главная
/
Графические каталоги
/
ЯМЗ
/
ЯМЗ-6581.10, 6582.10 (Евро 3)
/
Насос масляный
1
2
3
4
5
6
7
8
9
10
11
12
13
13
13
13
13
13
14
14
15
16
16
17
18
18
19
20
21
22
23
24
25
26
27
28
29
30
31
31
32
33
34
35
36
37
38
39
40
41
42
43
44
45
46
46
47
48
49
50
51
52
52
%
1
7511.1011014-01
Насос масляный в сборе
Кол-во
1
?
Узнать цену
7511.1011014-01
Насос масляный ЯМЗ-7511 236НЕ 236ДЕ
Производство:
ПАО Автодизель (ЯМЗ)
48 в наличии
10 349
p
В корзину
2
238Б-1011230
Шестерня ведомая привода
Кол-во
1
?
Оставить заявку
3
236-1011217-В2
Фланец упорный
Кол-во
1
?
Узнать цену
236-1011217-В2
ФЛАНЕЦ УПОРНЫЙ
Производство:
ПАО Автодизель (ЯМЗ)
Под заказ
593
p
В корзину
4
236-1011202-А
Шестерня промежуточная привода
Кол-во
1
?
Узнать цену
236-1011202-А
ШЕСТЕРНЯ ПРОМЕЖУТОЧНАЯ ПРИВОДА МАСЛЯНОГО НАСОСА
Производство:
ПАО Автодизель (ЯМЗ)
Под заказ
2 698
p
В корзину
5
236-1011208-B
Ось шестерни промежуточной
Кол-во
1
?
Оставить заявку
6
7511.1011015-10
Корпус насоса в сборе
Кол-во
1
?
Узнать цену
7511.1011015-10
Корпус
Производство:
ПАО Автодизель (ЯМЗ)
Под заказ
3 324
p
В корзину
7
252137-П2
Шайба пружинная
Кол-во
2
?
Узнать цену
252137-П2
Шайба 12 пружинная 12,2х20,5х4,0
Производство:
ПАО Автодизель (ЯМЗ)
276 в наличии
15
p
В корзину
8
310156-П2
Болт
Кол-во
2
?
Узнать цену
310156-П2
Болт М12 КЛ2Х54
Производство:
ПАО Автодизель (ЯМЗ)
Под заказ
143
p
В корзину
9
45 9824 6257
Шпонка
Кол-во
1
?
Узнать цену
45 9824 6257
Шпонка 3х6,5
Производство:
ПАО Автодизель (ЯМЗ)
62 в наличии
33
p
В корзину
10
7511.1011040
Шестерня подачи масла ведущая
Кол-во
1
?
Узнать цену
7511.1011040
Шестерня ЯМЗ насоса масляного ведущая
Производство:
ПАО Автодизель (ЯМЗ)
Под заказ
2 513
p
В корзину
11
7511.1011030
Шестерня подачи масла ведомая
Кол-во
1
?
Узнать цену
7511.1011030
Шестерня масляного насоса ведомая МАЗ,УРАЛ
Производство:
ПАО Автодизель (ЯМЗ)
Под заказ
2 245
p
В корзину
12
238Б-1011019-Б
Крышка масляного насоса со втулками в сборе
Кол-во
1
?
Узнать цену
238Б-1011019-Б
КРЫШКА НАСОСА МАСЛЯНОГО СО ВТУЛКАМИ В СБОРЕ
Производство:
ПАО Автодизель (ЯМЗ)
Под заказ
1 889
p
В корзину
13
252135-П2
Шайба пружинная
Кол-во
8
?
Узнать цену
252135-П2
Шайба 8х2.5 ЯМЗ заглушки блока цилиндров
Производство:
ПАО Автодизель (ЯМЗ)
495 в наличии
3
p
В корзину
14
201464-П29
Болт М8х40
Кол-во
4
?
Узнать цену
201464-П29
Болт М8х1.25х40 ГАЗ-3307 крепления вентилятора, УАЗ-31514 3160 механизма переключения передач
Производство:
ПАО Автодизель (ЯМЗ)
Под заказ
15
p
В корзину
15
201466-П29
Болт М8х45
Кол-во
2
?
Узнать цену
201466-П29
Болт М8х1.25х45 ГАЗ крепления салазок, УАЗ-31514 3160 механизма переключения передач
Производство:
ПАО Автодизель (ЯМЗ)
25 в наличии
15
p
В корзину
16
236-1011358-А
Прокладка фланца
Кол-во
4
?
Узнать цену
236-1011358-А
Прокладка ЯМЗ трубки насоса масляного
Производство:
ПАО Автодизель (ЯМЗ)
Под заказ
9
p
В корзину
17
238Б-1011350-Б
Труба отводящая насоса в сборе
Кол-во
1
?
Узнать цену
238Б-1011350-Б
Трубка ЯМЗ отводящая насоса масляного
Производство:
ПАО Автодизель (ЯМЗ)
Под заказ
2 666
p
В корзину
18
236-1011296
Прокладка переднего фланца
Кол-во
3
?
Узнать цену
236-1011296
Прокладка ЯМЗ насоса масляного
Производство:
ПАО Автодизель (ЯМЗ)
Под заказ
22
p
В корзину
19
310254-П2
Болт
Кол-во
2
?
Узнать цену
310254-П2
Болт М10х115 ЯМЗ насоса масляного
Производство:
ПАО Автодизель (ЯМЗ)
26 в наличии
183
p
В корзину
20
252136-П2
Шайба 10 пружинная
Кол-во
2
?
Узнать цену
252136-П2
Шайба 10.2х2.5 пружинная
Производство:
ПАО Автодизель (ЯМЗ)
509 в наличии
11
p
В корзину
21
236-1011380
Прокладка регулировочная
Кол-во
2
?
Узнать цену
236-1011380
Прокладка МАЗ регулировочная насоса масляного
Производство:
ПАО Автодизель (ЯМЗ)
69 в наличии
59
p
В корзину
22
238Ф-1011398-А3
Труба
Кол-во
1
?
Узнать цену
238Ф-1011398-А3
ТРУБА
Производство:
ПАО Автодизель (ЯМЗ)
Под заказ
2 354
p
В корзину
23
238Ф-1011400-В2
Труба всасывающая с фланцами
Кол-во
1
?
Узнать цену
238Ф-1011400-В2
Труба всасывающая масляного насоса МАЗ,УРАЛ,КрАЗ
Производство:
ПАО Автодизель (ЯМЗ)
3 в наличии
1 898
p
В корзину
24
238Ф-1011300
Чашка заборника в сборе
Кол-во
1
?
Оставить заявку
25
252005-П29
Шайба плоская
Кол-во
2
?
Узнать цену
252005-П29
Шайба ЯМЗ-534 компрессора 8.01.016
Производство:
ПАО Автодизель (ЯМЗ)
106 в наличии
9
p
В корзину
252005-П29
Шайба ЯМЗ-534 компрессора 8.01.016
Производство:
АЗ Урал
Под заказ
13
p
В корзину
26
201474-П29
Болт
Кол-во
2
?
Узнать цену
201474-П29
Болт М8х1х16 (крепления кронштейнов задних фонарей)
Производство:
АЗ Урал
Под заказ
13
p
В корзину
201474-П29
Болт М8х1х16 (крепления кронштейнов задних фонарей)
Производство:
ПАО Автодизель (ЯМЗ)
Под заказ
7
p
В корзину
27
204А-1011310-В
Сетка заборника в сборе
Кол-во
1
?
Узнать цену
204А-1011310-В
Сетка ЯМЗ маслозаборника
Производство:
ПАО Автодизель (ЯМЗ)
19 в наличии
310
p
В корзину
28
204А-1011318-Б
Крючок крепления сетки
Кол-во
1
?
Узнать цену
204А-1011318-Б
КРЮЧОК КРЕПЛЕНИЯ СЕТКИ МАСЛОЗАБОРНИКА
Производство:
ПАО Автодизель (ЯМЗ)
Под заказ
77
p
В корзину
29
201458-П29
Болт М8х25
Кол-во
2
?
Узнать цену
201458-П29
Болт М8х1.25х25 многоцелевой (упаковка 50шт.)
Производство:
ПАО Автодизель (ЯМЗ)
90 в наличии
15
p
В корзину
201458-П29
Болт М8х1.25х25 многоцелевой (упаковка 50шт.)
Производство:
АЗ Урал
Под заказ
10
p
В корзину
30
238Б-1011048
Клапан редукционный в сборе
Кол-во
1
?
Узнать цену
238Б-1011048
Клапан ЯМЗ насоса масляного редукционный
Производство:
ПАО Автодизель (ЯМЗ)
10 в наличии
3 561
p
В корзину
31
236-1012067
Пробка перепускного клапана
Кол-во
2
?
Узнать цену
236-1012067
Пробка
Производство:
ПАО Автодизель (ЯМЗ)
Под заказ
227
p
В корзину
32
312347-П29
Шайба
Кол-во
3
?
Узнать цену
312347-П29
Шайба ЯМЗ клапана перепускного Ф.Г.О.М
Производство:
ПАО Автодизель (ЯМЗ)
Под заказ
15
p
В корзину
33
238Б-1011058
Пружина
Кол-во
1
?
Узнать цену
238Б-1011058
ПРУЖИНА
Производство:
ПАО Автодизель (ЯМЗ)
Под заказ
58
p
В корзину
34
238Б-1011054
Клапан
Кол-во
1
?
Оставить заявку
35
238Б-1011050
Корпус клапана
Кол-во
1
?
Оставить заявку
36
238Б-1011066
Прокладка
Кол-во
1
?
Узнать цену
238Б-1011066
ПРОКЛАДКА ПРОБКИ
Производство:
ПАО Автодизель (ЯМЗ)
Под заказ
116
p
В корзину
37
200274-П29
Болт М8х75
Кол-во
2
?
Узнать цену
200274-П29
Болт М8х1.25х75 ГАЗ фильтра тонкой очистки топлива, ГАЗ-3302 колонки рулевой
Производство:
ПАО Автодизель (ЯМЗ)
137 в наличии
26
p
В корзину
38
238Б-1011056
Клапан дифференциальный в сборе
Кол-во
1
?
Узнать цену
238Б-1011056
Клапан ЯМЗ насоса масляного дифференциальный
Производство:
ПАО Автодизель (ЯМЗ)
6 в наличии
4 561
p
В корзину
39
238Б-1011060
Корпус клапана
Кол-во
1
?
Оставить заявку
40
314681-П29
Штуцер
Кол-во
1
?
Узнать цену
314681-П29
Штуцер ЯМЗ трубки ТКР К1/4
Производство:
ПАО Автодизель (ЯМЗ)
38 в наличии
164
p
В корзину
41
240-1011057
Пружина клапана дифференциального
Кол-во
1
?
Оставить заявку
42
312668-П
Шайба
Кол-во
4
?
Узнать цену
312668-П
Шайба 21
Производство:
ПАО Автодизель (ЯМЗ)
Под заказ
5
p
В корзину
43
240-1011055
Клапан
Кол-во
1
?
Узнать цену
240-1011055
Клапан перепускной дв.ЯМЗ-240
Производство:
ПАО Автодизель (ЯМЗ)
1 в наличии
496
p
В корзину
44
236-1011073
Колпачок
Кол-во
1
?
Узнать цену
236-1011073
Колпачок клапана
Производство:
ПАО Автодизель (ЯМЗ)
Под заказ
191
p
В корзину
45
258071-П29
Шплинт
Кол-во
1
?
Оставить заявку
46
240-1005586
Кольцо уплотнительное
Кол-во
2
?
Оставить заявку
47
238Б-1011098
Труба соединительная в сборе
Кол-во
1
?
Узнать цену
238Б-1011098
Трубка ЯМЗ-236БЕ НЕ 7601 7511 соединительная
Производство:
ПАО Автодизель (ЯМЗ)
Под заказ
928
p
В корзину
48
310096-П29
Болт
Кол-во
2
?
Узнать цену
310096-П29
Болт-штуцер М14х1.5 МАЗ трубок топливных на ТНВД
Производство:
ПАО Автодизель (ЯМЗ)
Под заказ
199
p
В корзину
49
312326-П34
Шайба уплотнительная
Кол-во
1
?
Узнать цену
312326-П34
Шайба 14.2х19.0х1.2 ЯМЗ медная (плоская)
Производство:
ПАО Автодизель (ЯМЗ)
232 в наличии
99
p
В корзину
50
238Б-1011065
Труба отводящая
Кол-во
1
?
Узнать цену
238Б-1011065
Трубка ЯМЗ насоса масляного отводящая
Производство:
ПАО Автодизель (ЯМЗ)
1 в наличии
310
p
В корзину
51
238Б-1011067
Фланец с кольцом
Кол-во
1
?
Узнать цену
238Б-1011067
ФЛАНЕЦ С КОЛЬЦОМ
Производство:
ПАО Автодизель (ЯМЗ)
Под заказ
1 728
p
В корзину
52
200270-П29
Болт
Кол-во
4
?
Узнать цену
200270-П29
Болт масляного насоса М8х1,25х55
Производство:
ПАО Автодизель (ЯМЗ)
Под заказ
62
p
В корзину
200270-П29
Болт масляного насоса М8х1,25х55
Производство:
АЗ Урал
Под заказ
12
p
В корзину
Получить консультацию
У нас большой опыт по подбору запчастей, и мы с радостью поможем вам найти нужную деталь, даже если вы не знаете ее артикул
Дмитрий Иванов
Директор отдела продаж
Мобильный номер:
8 (912) 474-74-74
E-mail:
td.uralval@mail.ru
Вы должны включить JavaScript чтобы использовать эту форму.
Ваше имя
Ваш телефон
Комментарий
Я соглашаюсь с
Политикой конфиденциальности
и даю согласие на обработку персональных данных.
Feed me
Отправить