Запчасти для грузовых автомобилей
8-800-555-32-41
Перезвоните мне
Отправить готовую заявку
0
Корзина
Поиск
КАТАЛОГ ПРОДУКЦИИ
Запчасти УРАЛ
Запчасти КамАЗ
Запчасти АМТ
Запчасти ЧТЗ
Запчасти погрузчиков Dalian
Запчасти ЯМЗ
Двигатели ЯМЗ в сборе
Запчасти Shaanxi Fast Gear
Лебедки
Спецпредложения
О компании
Доставка и оплата
Гарантии и сервис
Контакты
Графические каталоги запчастей
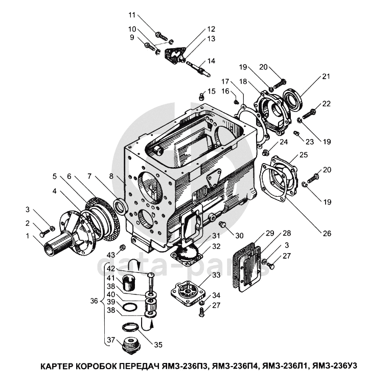
Картер коробки передач ЯМЗ-2361-06 ЯМЗ-6562.10 (Евро 3)
Главная
/
Графические каталоги
/
ЯМЗ
/
ЯМЗ-6562.10 (Евро 3)
/
Картер коробки передач ЯМЗ-2361-06
1
2
3
3
4
5
6
7
8
9
10
11
12
13
14
15
16
17
18
19
19
19
20
20
21
22
23
24
25
26
27
27
28
29
30
31
32
33
34
35
36
36
37
38
38
39
40
41
42
43
%
1
2381.1701040
Крышка подшипника с пробкой в сборе
Кол-во
0
?
Узнать цену
2381.1701040
Крышка подшипника вала первичного ЯМЗ-2361 2381 (под вал 50.95мм)
Производство:
ПАО Автодизель (ЯМЗ)
10 в наличии
9 627
p
В корзину
2
201499-П29
Болт 10-6gх30
Кол-во
0
?
Узнать цену
201499-П29
Болт М10х1.5х30 привода распределителя, крышки картера сцепления ЗИЛ, привода насоса масляного ГАЗ-3110
Производство:
ПАО Автодизель (ЯМЗ)
66 в наличии
58
p
В корзину
201499-П29
Болт М10х1.5х30 привода распределителя, крышки картера сцепления ЗИЛ, привода насоса масляного ГАЗ-3110
Производство:
АЗ Урал
Под заказ
24
p
В корзину
3
200-1701041
Шайба
Кол-во
0
?
Узнать цену
200-1701041
Шайба
Производство:
ПАО Автодизель (ЯМЗ)
30 в наличии
9
p
В корзину
4
201.1721414
Прокладка регулировочная
Кол-во
0
?
Узнать цену
201.1721414
Прокладка КПП МАЗ регулировочная
Производство:
ПАО Автодизель (ЯМЗ)
45 в наличии
67
p
В корзину
5
201.1721416
Прокладка регулировочная
Кол-во
0
?
Узнать цену
201.1721416
Прокладка КПП МАЗ регулировочная (130х150-0 3)
Производство:
ПАО Автодизель (ЯМЗ)
26 в наличии
87
p
В корзину
6
236-1701042-А
Прокладка крышки
Кол-во
0
?
Узнать цену
236-1701042-А
Прокладка крышки подшипника первичного вала ЯМЗ
Производство:
ПАО Автодизель (ЯМЗ)
Под заказ
46
p
В корзину
7
201-1701230
Манжета в сборе
Кол-во
0
?
Оставить заявку
8
236-1701015-Б
Картер коробки передач
Кол-во
0
?
Узнать цену
236-1701015-Б
Картер коробки передач (корпус) ЯМЗ-236
Производство:
ПАО Автодизель (ЯМЗ)
Под заказ
28 750
p
В корзину
9
110224-П29
Болт
Кол-во
0
?
Оставить заявку
10
252135-П2
Шайба пружинная
Кол-во
0
?
Узнать цену
252135-П2
Шайба 8х2.5 ЯМЗ заглушки блока цилиндров
Производство:
ПАО Автодизель (ЯМЗ)
495 в наличии
3
p
В корзину
11
201458-П29
Болт М8х25
Кол-во
0
?
Узнать цену
201458-П29
Болт М8х1.25х25 многоцелевой (упаковка 50шт.)
Производство:
ПАО Автодизель (ЯМЗ)
90 в наличии
15
p
В корзину
201458-П29
Болт М8х1.25х25 многоцелевой (упаковка 50шт.)
Производство:
АЗ Урал
Под заказ
10
p
В корзину
12
236-3802069-Б
Прокладка
Кол-во
0
?
Узнать цену
236-3802069-Б
Прокладка ЯМЗ привода спидометра
Производство:
ПАО Автодизель (ЯМЗ)
Под заказ
3
p
В корзину
13
236-3802024
Втулка шестерни привода спидометра
Кол-во
0
?
Узнать цену
236-3802024
Втулка ЯМЗ-236 привода спидометра
Производство:
ПАО Автодизель (ЯМЗ)
Под заказ
227
p
В корзину
14
236-3802034-Б
Шестерня привода спидометра
Кол-во
0
?
Узнать цену
236-3802034-Б
Шестерня привода спидометра ЯМЗ-236 ведущая
Производство:
ПАО Автодизель (ЯМЗ)
4 в наличии
1 002
p
В корзину
15
236-1702182
Штифт верхний установочный
Кол-во
0
?
Узнать цену
236-1702182
Штифт
Производство:
ПАО Автодизель (ЯМЗ)
Под заказ
102
p
В корзину
16
236-3802074
Штифт упорный
Кол-во
0
?
Узнать цену
236-3802074
Штифт ЯМЗ-236 упорный привода спидометра
Производство:
ПАО Автодизель (ЯМЗ)
Под заказ
55
p
В корзину
17
236У-1701203
Прокладка крышки заднего подшипника
Кол-во
0
?
Узнать цену
236У-1701203
Прокладка крышки подшипника вторичного вала (картон)
Производство:
ПАО Автодизель (ЯМЗ)
Под заказ
15
p
В корзину
18
236-1701205-Б4
Крышка заднего подшипника вторичного вала
Кол-во
0
?
Узнать цену
236-1701205-Б4
Крышка подшипника вала вторичного ЯМЗ
Производство:
Россия
Под заказ
цена по запросу
В корзину
236-1701205-Б4
Крышка подшипника вала вторичного ЯМЗ
Производство:
ПАО Автодизель (ЯМЗ)
Под заказ
3 008
p
В корзину
19
252137-П2
Шайба пружинная
Кол-во
0
?
Узнать цену
252137-П2
Шайба 12 пружинная 12,2х20,5х4,0
Производство:
ПАО Автодизель (ЯМЗ)
276 в наличии
15
p
В корзину
20
201544-П29
Болт М12х40
Кол-во
0
?
Узнать цену
201544-П29
Болт М12х40 крепления кронштейна двигателя опоры задней дв.ЯМЗ
Производство:
ПАО Автодизель (ЯМЗ)
Под заказ
20
p
В корзину
201544-П29
Болт М12х40 крепления кронштейна двигателя опоры задней дв.ЯМЗ
Производство:
АЗ Урал
Под заказ
33
p
В корзину
21
210-1701210-А
Манжета с пружиной в сборе
Кол-во
0
?
Оставить заявку
22
200372-П29
Болт
Кол-во
0
?
Оставить заявку
23
116105-П29
Пробка К1/8
Кол-во
0
?
Оставить заявку
24
116104-П29
Пробка
Кол-во
0
?
Оставить заявку
25
236-1701074-А2
Крышка заднего подшипника промежуточного вала
Кол-во
0
?
Узнать цену
236-1701074-А2
Крышка подшипника заднего вала промежуточного КПП ЯМЗ
Производство:
Россия
Под заказ
цена по запросу
В корзину
236-1701074-А2
Крышка подшипника заднего вала промежуточного КПП ЯМЗ
Производство:
ПАО Автодизель (ЯМЗ)
2 в наличии
1 122
p
В корзину
26
236-1701075-А
Прокладка
Кол-во
0
?
Узнать цену
236-1701075-А
ПРОКЛАДКА КРЫШКИ ЗАДНЕГО ПОДШИПНИКА ПРОМЕЖУТОЧНОГО ВАЛА
Производство:
ПАО Автодизель (ЯМЗ)
Под заказ
11
p
В корзину
27
201497-П29
Болт М10х25
Кол-во
0
?
Узнать цену
201497-П29
Болт М10х1.5х25 ГАЗ-3302 крепления ФТОТ заднего моста, ЗИЛ-130 крепления вентилятора
Производство:
ПАО Автодизель (ЯМЗ)
48 в наличии
13
p
В корзину
201497-П29
Болт М10х1.5х25 ГАЗ-3302 крепления ФТОТ заднего моста, ЗИЛ-130 крепления вентилятора
Производство:
АЗ Урал
Под заказ
32
p
В корзину
28
236-1701020
Крышка люка отбора мощности
Кол-во
0
?
Узнать цену
236-1701020
Крышка ЯМЗ люка отбора мощности
Производство:
ПАО Автодизель (ЯМЗ)
Под заказ
1 370
p
В корзину
29
200-1701021-А
Прокладка
Кол-во
0
?
Узнать цену
200-1701021-А
Прокладка
Производство:
ПАО Автодизель (ЯМЗ)
Под заказ
18
p
В корзину
30
116121-П29
Пробка К1/4
Кол-во
0
?
Оставить заявку
31
136-1704049
Сетка заборника
Кол-во
0
?
Оставить заявку
32
236-1704056-А
Прокладка
Кол-во
0
?
Узнать цену
236-1704056-А
Прокладка ЯМЗ крышки заборника насоса масляного КПП
Производство:
ПАО Автодизель (ЯМЗ)
Под заказ
37
p
В корзину
33
236-1704054-Б
Крышка заборника
Кол-во
0
?
Узнать цену
236-1704054-Б
Крышка ЯМЗ заборника насоса масляного КПП
Производство:
ПАО Автодизель (ЯМЗ)
Под заказ
1 155
p
В корзину
34
252136-П2
Шайба 10 пружинная
Кол-во
0
?
Узнать цену
252136-П2
Шайба 10.2х2.5 пружинная
Производство:
ПАО Автодизель (ЯМЗ)
509 в наличии
11
p
В корзину
35
112336-П34
Шайба
Кол-во
0
?
Оставить заявку
36
238-1721255
Пробка сливного отверстия с магнитом в сборе
Кол-во
0
?
Узнать цену
238-1721255
Пробка КПП МАЗ,УРАЛ,КРАЗ
Производство:
ПАО Автодизель (ЯМЗ)
Под заказ
1 409
p
В корзину
36
238-1721255-01
Пробка сливного отверстия с магнитом в сборе
Кол-во
0
?
Оставить заявку
37
238-1721258
Пробка
Кол-во
0
?
Узнать цену
238-1721258
ПРОБКА
Производство:
ПАО Автодизель (ЯМЗ)
Под заказ
466
p
В корзину
38
112480-П2
Шайба
Кол-во
0
?
Оставить заявку
39
236-1704130
Кольцо пружинное
Кол-во
0
?
Оставить заявку
40
3498413023
Магнит ФЭ 7.770.055
Кол-во
0
?
Оставить заявку
41
236-1704128
Кожух магнита
Кол-во
0
?
Узнать цену
236-1704128
КОЖУХ МАГНИТА
Производство:
ПАО Автодизель (ЯМЗ)
Под заказ
73
p
В корзину
42
220116-П2
Винт
Кол-во
0
?
Оставить заявку
43
116135-П2
Пробка
Кол-во
0
?
Оставить заявку
Получить консультацию
У нас большой опыт по подбору запчастей, и мы с радостью поможем вам найти нужную деталь, даже если вы не знаете ее артикул
Дмитрий Иванов
Директор отдела продаж
Мобильный номер:
8 (912) 474-74-74
E-mail:
td.uralval@mail.ru
Вы должны включить JavaScript чтобы использовать эту форму.
Ваше имя
Ваш телефон
Комментарий
Я соглашаюсь с
Политикой конфиденциальности
и даю согласие на обработку персональных данных.
Feed me
Отправить