Запчасти для грузовых автомобилей
8-800-555-32-41
Перезвоните мне
Отправить готовую заявку
0
Корзина
Поиск
КАТАЛОГ ПРОДУКЦИИ
Запчасти УРАЛ
Запчасти КамАЗ
Запчасти АМТ
Запчасти ЧТЗ
Запчасти погрузчиков Dalian
Запчасти ЯМЗ
Двигатели ЯМЗ в сборе
Запчасти Shaanxi Fast Gear
Лебедки
Спецпредложения
О компании
Доставка и оплата
Гарантии и сервис
Контакты
Графические каталоги запчастей
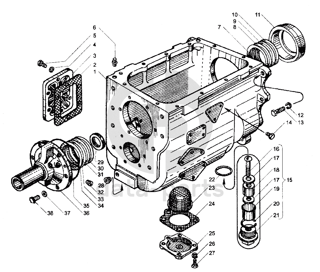
Картер коробки передач ЯМЗ-239.17-22 ЯМЗ-6562.10 (Евро 3)
Главная
/
Графические каталоги
/
ЯМЗ
/
ЯМЗ-6562.10 (Евро 3)
/
Картер коробки передач ЯМЗ-239.17-22
1
2
3
4
5
6
7
8
9
10
11
12
13
14
15
16
17
17
18
19
20
21
22
23
24
25
26
27
26
29
30
31
32
33
34
35
36
37
38
%
1
239.1701015
Картер коробки передач
Кол-во
1
?
Оставить заявку
2
200-1701O21-A
Прокладка
Кол-во
1
?
Оставить заявку
3
236-1701020
Крышка люка отбора мощности
Кол-во
1
?
Узнать цену
236-1701020
Крышка ЯМЗ люка отбора мощности
Производство:
ПАО Автодизель (ЯМЗ)
Под заказ
1 370
p
В корзину
4
252006412
Шайба
Кол-во
6
?
Оставить заявку
5
4593481559
Болт
Кол-во
6
?
Оставить заявку
6
230-1702182
Штифт установочный в сборе
Кол-во
2
?
Оставить заявку
7
336.1701193
Прокладка регулировочная толщ. 2-2,5 мм
Кол-во
1
?
Узнать цену
336.1701193
Прокладка ЯМЗ КПП-239 регулировочная вала вторичного (2-2.5мм)
Производство:
ПАО Автодизель (ЯМЗ)
Под заказ
1 643
p
В корзину
8
336.1701193-01
Прокладка регулировочная толщ. 2,5-3 мм
Кол-во
1
?
Узнать цену
336.1701193-01
ПРОКЛАДКА
Производство:
ПАО Автодизель (ЯМЗ)
Под заказ
1 810
p
В корзину
9
336.1701193-02
Прокладка регулировочная толщ. 3-3,5 мм
Кол-во
1
?
Узнать цену
336.1701193-02
Прокладка ЯМЗ КПП-239 регулировочная вала вторичного (3-3.5мм)
Производство:
ПАО Автодизель (ЯМЗ)
Под заказ
2 031
p
В корзину
10
336.1701193-03
Прокладка регулировочная толщ. 3,5-4 мм
Кол-во
1
?
Узнать цену
336.1701193-03
Прокладка ЯМЗ КПП-239 регулировочная вала вторичного (3.5-4мм)
Производство:
ПАО Автодизель (ЯМЗ)
Под заказ
1 690
p
В корзину
11
239.1701438-10
Гнездо подшипника
Кол-во
1
?
Оставить заявку
12
252139-П2
Шайба пружинная
Кол-во
8
?
Узнать цену
252139-П2
Шайба 16 пружинная подвески двигателя УРАЛ
Производство:
ПАО Автодизель (ЯМЗ)
Под заказ
16
p
В корзину
13
310012-П2
Болт
Кол-во
8
?
Оставить заявку
14
316120-П29
Пробка
Кол-во
2
?
Оставить заявку
15
238-1721255
Пробка сливного отверстия с магнитом в сборе
Кол-во
1
?
Узнать цену
238-1721255
Пробка КПП МАЗ,УРАЛ,КРАЗ
Производство:
ПАО Автодизель (ЯМЗ)
Под заказ
1 409
p
В корзину
16
220118-П2
Винт
Кол-во
1
?
Оставить заявку
17
312480412
Шайба
Кол-во
2
?
Оставить заявку
18
3498413023
Магнит ФЭ 7.770.055
Кол-во
1
?
Оставить заявку
19
236-1704128
Кожух магнита
Кол-во
1
?
Узнать цену
236-1704128
КОЖУХ МАГНИТА
Производство:
ПАО Автодизель (ЯМЗ)
Под заказ
73
p
В корзину
20
236-1704130
Кольцо пружинное
Кол-во
6
?
Оставить заявку
21
238-1721258
Пробка
Кол-во
1
?
Узнать цену
238-1721258
ПРОБКА
Производство:
ПАО Автодизель (ЯМЗ)
Под заказ
466
p
В корзину
22
312699-Л
Шайба
Кол-во
1
?
Оставить заявку
23
336.1704049
Сетка заборника
Кол-во
1
?
Узнать цену
336.1704049
Сетка ЯМЗ маслозаборника КПП в сборе
Производство:
ПАО Автодизель (ЯМЗ)
2 в наличии
339
p
В корзину
24
236-1704056-А
Прокладка
Кол-во
1
?
Узнать цену
236-1704056-А
Прокладка ЯМЗ крышки заборника насоса масляного КПП
Производство:
ПАО Автодизель (ЯМЗ)
Под заказ
37
p
В корзину
25
236-170405445
Крышка заборника
Кол-во
1
?
Оставить заявку
26
252136-П2
Шайба 10 пружинная
Кол-во
4
?
Узнать цену
252136-П2
Шайба 10.2х2.5 пружинная
Производство:
ПАО Автодизель (ЯМЗ)
509 в наличии
11
p
В корзину
26
316135-П2
Пробка
Кол-во
2
?
Узнать цену
316135-П2
Пробка ЯМЗ-236НЕ трубки охлаждения поршня
Производство:
ПАО Автодизель (ЯМЗ)
Под заказ
206
p
В корзину
27
4593461559
Болт
Кол-во
4
?
Оставить заявку
29
201-1701230
Манжета в сборе
Кол-во
1
?
Оставить заявку
30
239.1701035
Прокладка регулировочная толщ. 2-2,45 мм
Кол-во
1
?
Узнать цену
239.1701035
Прокладка ЯМЗ КПП-239 регулировочная крышки вала первичного (2-2.45мм)
Производство:
ПАО Автодизель (ЯМЗ)
2 в наличии
1 403
p
В корзину
31
239.1701035-01
Прокладка регулировочная толщ. 2,25-2,9 мм
Кол-во
1
?
Оставить заявку
32
316198-П29
Пробка
Кол-во
1
?
Узнать цену
316198-П29
ПРОБКА
Производство:
ПАО Автодизель (ЯМЗ)
Под заказ
215
p
В корзину
33
239.1701035-02
Прокладка регулировочная толщ. 2,9-3,35 мм
Кол-во
1
?
Оставить заявку
34
239.1701035-03
Прокладка регулировочная толщ. 3,35-3,85 мм
Кол-во
1
?
Оставить заявку
35
336.1701534
Кольцо уплотнительное
Кол-во
1
?
Узнать цену
336.1701534
Кольцо уплотнительное передней крышки КПП-239 (160-165-25-2-5)
Производство:
ПАО Автодизель (ЯМЗ)
2 в наличии
219
p
В корзину
36
336.1701041-10
Крышка подшипника
Кол-во
1
?
Оставить заявку
37
200-1701041
Шайба
Кол-во
6
?
Узнать цену
200-1701041
Шайба
Производство:
ПАО Автодизель (ЯМЗ)
30 в наличии
9
p
В корзину
38
4593481561
Болт
Кол-во
6
?
Оставить заявку
Получить консультацию
У нас большой опыт по подбору запчастей, и мы с радостью поможем вам найти нужную деталь, даже если вы не знаете ее артикул
Дмитрий Иванов
Директор отдела продаж
Мобильный номер:
8 (912) 474-74-74
E-mail:
td.uralval@mail.ru
Вы должны включить JavaScript чтобы использовать эту форму.
Ваше имя
Ваш телефон
Комментарий
Я соглашаюсь с
Политикой конфиденциальности
и даю согласие на обработку персональных данных.
Feed me
Отправить