Запчасти для грузовых автомобилей
8-800-555-32-41
Перезвоните мне
Отправить готовую заявку
0
Корзина
Поиск
КАТАЛОГ ПРОДУКЦИИ
Запчасти УРАЛ
Запчасти КамАЗ
Запчасти АМТ
Запчасти ЧТЗ
Запчасти погрузчиков Dalian
Запчасти ЯМЗ
Двигатели ЯМЗ в сборе
Запчасти Shaanxi Fast Gear
Лебедки
Спецпредложения
О компании
Доставка и оплата
Гарантии и сервис
Контакты
Графические каталоги запчастей
стартер ЯМЗ-240, 240Б, 240Н, 240П
Главная
/
Графические каталоги
/
ЯМЗ
/
ЯМЗ-240, 240Б, 240Н, 240П
/
стартер
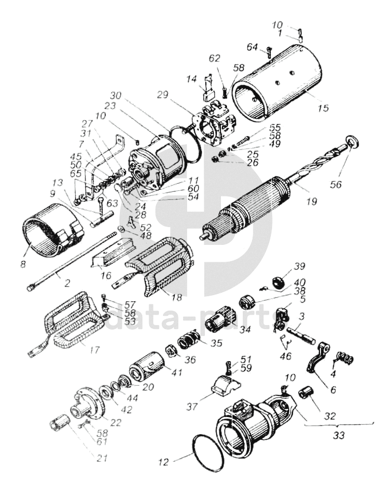
1
2
3
4
5
6
7
8
9
10
10
10
11
12
13
14
15
16
17
18
19
20
21
22
23
24
25
26
27
28
29
30
31
32
33
34
35
36
37
38
39
40
41
42
44
45
46
48
49
50
51
52
53
54
55
56
57
58
58
58
58
59
60
61
62
63
64
65
%
1
СТ26-3708002
Трубка
Кол-во
1
?
Оставить заявку
2
СТ103-3708003
Шпилька стяжная
Кол-во
2
?
Оставить заявку
3
СТ26-3708021
Ось
Кол-во
1
?
Оставить заявку
4
СТ103-3708023
Пружина
Кол-во
1
?
Оставить заявку
5
СТ25-3708024
Тяга
Кол-во
1
?
Оставить заявку
6
СТ26-3708026
Рычаг
Кол-во
1
?
Оставить заявку
7
СТ103-3708031
Шина
Кол-во
1
?
Оставить заявку
8
СТ103А-3708040
Лента с прокладкой
Кол-во
1
?
Оставить заявку
9
СТ103А-3708042
Палец
Кол-во
2
?
Оставить заявку
10
СТ103А-3708043
Пробка
Кол-во
3
?
Оставить заявку
11
СТ103А-3708045
Шайба уплотнительная
Кол-во
1
?
Оставить заявку
12
СТ103А-3708046
Кольцо уплотнительное
Кол-во
1
?
Оставить заявку
13
СТ103А-3708047
Винт
Кол-во
1
?
Оставить заявку
14
СТ26-3708050-Б
Щетка
Кол-во
8
?
Оставить заявку
15
СТ103А-3708101
Корпус
Кол-во
1
?
Оставить заявку
16
СТ103-3708102
Полюс
Кол-во
4
?
Оставить заявку
17
СТ103-3708120
Катушка в сборе
Кол-во
1
?
Оставить заявку
18
СТ103-3708150
Катушка в сборе
Кол-во
1
?
Оставить заявку
19
СТ103-3708200-А
Якорь
Кол-во
1
?
Оставить заявку
20
СТ25-3708207
Шайба
Кол-во
1
?
Оставить заявку
21
СТ103А-3708262
Подшипник
Кол-во
1
?
Оставить заявку
22
СТ103А-3708264
Держатель
Кол-во
1
?
Оставить заявку
23
СТ103А-3708301
Крышка
Кол-во
1
?
Оставить заявку
24
СТ26-3708302
Вкладыш
Кол-во
1
?
Оставить заявку
25
СТ 103-3708306
Втулка
Кол-во
2
?
Оставить заявку
26
СТ 103-3708308
Втулка
Кол-во
2
?
Оставить заявку
27
СТ 103-3708309
Втулка
Кол-во
1
?
Оставить заявку
28
СТ26-3708318
Заглушка
Кол-во
1
?
Оставить заявку
29
СТ103 3708330-01
Траверса
Кол-во
1
?
Оставить заявку
30
СТ103А-3708338
Кольцо уплотнительное
Кол-во
1
?
Оставить заявку
31
СТ103А-3708339
Шайба уплотнительная
Кол-во
1
?
Оставить заявку
32
СТ25-3708402
Подшипник
Кол-во
1
?
Оставить заявку
33
СТ103А-3708410
Крышка
Кол-во
1
?
Оставить заявку
34
СТ25-3708601-А
Шестерня
Кол-во
1
?
Оставить заявку
35
СТ103А-3708602
Пружина
Кол-во
1
?
Оставить заявку
36
СТ103А-3708603
Поводок
Кол-во
1
?
Оставить заявку
37
СТ25-3708605
Крышка
Кол-во
1
?
Оставить заявку
38
СТ103-3708606
Кольцо
Кол-во
1
?
Оставить заявку
39
СТ1033706607
Чашка
Кол-во
1
?
Оставить заявку
40
СТ103-3708608
Сухарь
Кол-во
2
?
Оставить заявку
41
СТ25-3708610
Барабан
Кол-во
1
?
Оставить заявку
42
М67.26.15 030
Манжета
Кол-во
1
?
Оставить заявку
43
1-МЮ-37
Шайба
Кол-во
2
?
Оставить заявку
44
МХ-0021
Шайба
Кол-во
3
?
Оставить заявку
45
МХ-0037
Шайба
Кол-во
1
?
Оставить заявку
46
МХ-0120
Штифт
Кол-во
2
?
Оставить заявку
47
МХ-0121
Шайба
Кол-во
1
?
Оставить заявку
48
МХ-0142
Шайба
Кол-во
2
?
Оставить заявку
49
МХ-0276
Шайба
Кол-во
2
?
Оставить заявку
50
МХ-0825
Шайба
Кол-во
4
?
Оставить заявку
51
МХ-0905
Винт
Кол-во
4
?
Оставить заявку
52
МХ-0954
Шайба замковая
Кол-во
1
?
Оставить заявку
53
МХ-1032
Шайба
Кол-во
1
?
Оставить заявку
54
МХ-1071
Болт
Кол-во
1
?
Оставить заявку
55
МХ-1073
Винт
Кол-во
2
?
Оставить заявку
56
МХ-1087
Шайба
Кол-во
1
?
Оставить заявку
57
МХ-1104
Болт
Кол-во
2
?
Оставить заявку
58
Х-1482
Шайба пружинная
Кол-во
16
?
Оставить заявку
59
Х-4001
Шайба пружинная
Кол-во
3
?
Оставить заявку
60
Х-4069
Шайба
Кол-во
1
?
Оставить заявку
61
Х-4111
Болт
Кол-во
4
?
Оставить заявку
62
7Х-4196
Винт
Кол-во
8
?
Оставить заявку
63
7Х-4289
Шайба пружинная
Кол-во
2
?
Оставить заявку
64
Х1-11-58
Винт
Кол-во
8
?
Оставить заявку
65
Х2-9309
Гайка
Кол-во
2
?
Оставить заявку
Получить консультацию
У нас большой опыт по подбору запчастей, и мы с радостью поможем вам найти нужную деталь, даже если вы не знаете ее артикул
Дмитрий Иванов
Директор отдела продаж
Мобильный номер:
8 (912) 474-74-74
E-mail:
td.uralval@mail.ru
Вы должны включить JavaScript чтобы использовать эту форму.
Ваше имя
Ваш телефон
Комментарий
Я соглашаюсь с
Политикой конфиденциальности
и даю согласие на обработку персональных данных.
Feed me
Отправить