Запчасти для грузовых автомобилей
8-800-555-32-41
Перезвоните мне
Отправить готовую заявку
0
Корзина
Поиск
КАТАЛОГ ПРОДУКЦИИ
Запчасти УРАЛ
Запчасти КамАЗ
Запчасти АМТ
Запчасти ЧТЗ
Запчасти погрузчиков Dalian
Запчасти ЯМЗ
Двигатели ЯМЗ в сборе
Запчасти Shaanxi Fast Gear
Лебедки
Спецпредложения
О компании
Доставка и оплата
Гарантии и сервис
Контакты
Графические каталоги запчастей
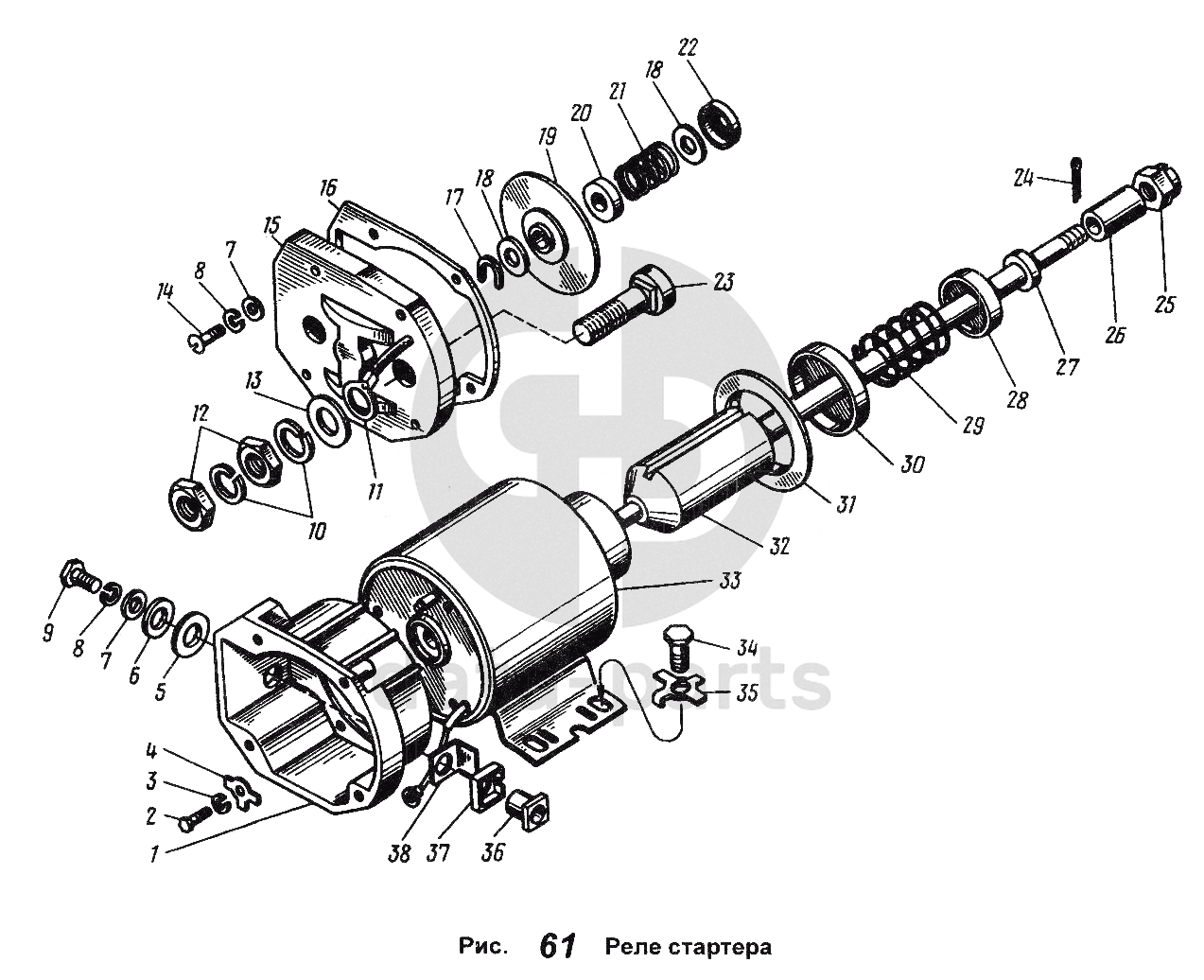
Реле стартера ЯМЗ-238 ПМ и 238 ФМ
Главная
/
Графические каталоги
/
ЯМЗ
/
ЯМЗ-238 ПМ и 238 ФМ
/
Реле стартера
1
2
3
4
5
6
7
7
8
8
9
10
11
12
13
14
15
16
17
18
18
19
20
21
22
23
24
25
26
27
28
29
30
31
32
33
34
35
36
37
38
%
1
ГС25.3708002-В
Корпус реле стартера
Кол-во
1
?
Оставить заявку
2
МХ-1215
Болт
Кол-во
3
?
Оставить заявку
3
Х-1482
Шайба пружинная
Кол-во
3
?
Оставить заявку
4
МХ-1032
Шайба
Кол-во
3
?
Оставить заявку
5
МХ-0434
Шайба изоляционная
Кол-во
1
?
Оставить заявку
6
1-МЮ-37
Шайба
Кол-во
1
?
Оставить заявку
7
8Х-1497
Шайба
Кол-во
5
?
Оставить заявку
8
Х-4001
Шайба пружинная
Кол-во
5
?
Оставить заявку
9
МХ-1146
Болт
Кол-во
5
?
Оставить заявку
10
7Х-4289
Шайба пружинная
Кол-во
4
?
Оставить заявку
11
540244
Наконечник
Кол-во
1
?
Оставить заявку
12
Х2-9302
Гайка
Кол-во
2
?
Оставить заявку
13
МХ-0825
Шайба
Кол-во
2
?
Оставить заявку
14
МХ-1020
Винт
Кол-во
4
?
Оставить заявку
15
РС25.3708080
Крышка реле
Кол-во
1
?
Оставить заявку
16
ГС25.3708006-Б
Прокладка
Кол-во
1
?
Оставить заявку
17
РС25.3708013
Скоба
Кол-во
1
?
Оставить заявку
18
МХ-0021
Шайба
Кол-во
2
?
Оставить заявку
19
РС25.3708030
Диск контактный
Кол-во
1
?
Оставить заявку
20
ВМ-335-37
Шайба
Кол-во
1
?
Оставить заявку
21
РС25.3708007
Пружина
Кол-во
1
?
Оставить заявку
22
РС100-3708003
Шайба
Кол-во
1
?
Оставить заявку
23
РС25.3708011
Болт контактный
Кол-во
2
?
Оставить заявку
24
45.98711018
Шплинт
Кол-во
1
?
Оставить заявку
25
25.3708802
Гайка
Кол-во
1
?
Оставить заявку
26
25.3708801
Втулка
Кол-во
1
?
Оставить заявку
27
25.3708806
Шайба
Кол-во
1
?
Оставить заявку
28
25.3708804
Чашка
Кол-во
1
?
Оставить заявку
29
18.3708011
Пружина
Кол-во
1
?
Оставить заявку
30
25.3708805
Чашка
Кол-во
1
?
Оставить заявку
31
25.3708803
Прокладка
Кол-во
1
?
Оставить заявку
32
25.3708850
Якорь реле стартера
Кол-во
1
?
Оставить заявку
33
РС103-3708100
Ярмо с катушкой
Кол-во
1
?
Оставить заявку
34
МХ-1126
Болт
Кол-во
4
?
Оставить заявку
35
МХ-0287
Шайба стопорная
Кол-во
4
?
Оставить заявку
36
РС25-3708014
Втулка
Кол-во
1
?
Оставить заявку
37
ГС25-3708015
Втулка
Кол-во
1
?
Оставить заявку
38
РС25-3708016
Изоляция
Кол-во
1
?
Оставить заявку
Получить консультацию
У нас большой опыт по подбору запчастей, и мы с радостью поможем вам найти нужную деталь, даже если вы не знаете ее артикул
Дмитрий Иванов
Директор отдела продаж
Мобильный номер:
8 (912) 474-74-74
E-mail:
td.uralval@mail.ru
Вы должны включить JavaScript чтобы использовать эту форму.
Ваше имя
Ваш телефон
Комментарий
Я соглашаюсь с
Политикой конфиденциальности
и даю согласие на обработку персональных данных.
Feed me
Отправить