Запчасти для грузовых автомобилей
8-800-555-32-41
Перезвоните мне
Отправить готовую заявку
0
Корзина
Поиск
КАТАЛОГ ПРОДУКЦИИ
Запчасти УРАЛ
Запчасти КамАЗ
Запчасти АМТ
Запчасти ЧТЗ
Запчасти погрузчиков Dalian
Запчасти ЯМЗ
Двигатели ЯМЗ в сборе
Запчасти Shaanxi Fast Gear
Лебедки
Спецпредложения
О компании
Доставка и оплата
Гарантии и сервис
Контакты
Графические каталоги запчастей
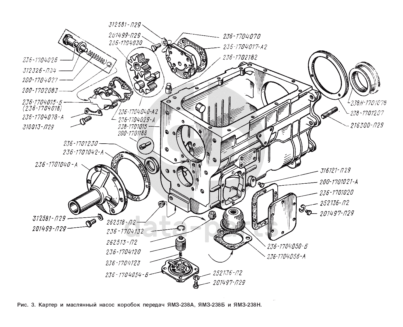
Картер и масляный насос коробок передач ЯМЗ-238А, ЯМЗ-238Б и ЯМЗ-238Н ЯМЗ-238 Н
Главная
/
Графические каталоги
/
ЯМЗ
/
ЯМЗ-238 Н
/
Картер и масляный насос коробок передач ЯМЗ-238А, ЯМЗ-238Б и ЯМЗ-238Н
%
1
312326-П34
Шайба уплотнительная
Кол-во
0
?
Узнать цену
312326-П34
Шайба 14.2х19.0х1.2 ЯМЗ медная (плоская)
Производство:
ПАО Автодизель (ЯМЗ)
232 в наличии
99
p
В корзину
2
238-1701207
Кольцо центрирующее заднего подшипника вторичного вала
Кол-во
0
?
Оставить заявку
3
236-1704132
Кольцо запорное
Кол-во
0
?
Оставить заявку
4
236-1701040-А
Крышка подшипника первичного вала
Кол-во
0
?
Узнать цену
236-1701040-А
Крышка подшипника первичного вала
Производство:
Россия
Под заказ
цена по запросу
В корзину
5
200-1701188
Втулка дроссельная
Кол-во
0
?
Оставить заявку
6
238-1701015
Картер коробки передач
Кол-во
0
?
Оставить заявку
7
236-1701020
Крышка люка отбора мощности
Кол-во
0
?
Узнать цену
236-1701020
Крышка ЯМЗ люка отбора мощности
Производство:
ПАО Автодизель (ЯМЗ)
Под заказ
1 370
p
В корзину
8
201499-П29
Болт 10-6gх30
Кол-во
0
?
Узнать цену
201499-П29
Болт М10х1.5х30 привода распределителя, крышки картера сцепления ЗИЛ, привода насоса масляного ГАЗ-3110
Производство:
ПАО Автодизель (ЯМЗ)
66 в наличии
58
p
В корзину
201499-П29
Болт М10х1.5х30 привода распределителя, крышки картера сцепления ЗИЛ, привода насоса масляного ГАЗ-3110
Производство:
АЗ Урал
Под заказ
24
p
В корзину
9
216300-П29
Шпилька
Кол-во
0
?
Оставить заявку
10
200-1701021-А
Прокладка
Кол-во
0
?
Узнать цену
200-1701021-А
Прокладка
Производство:
ПАО Автодизель (ЯМЗ)
Под заказ
18
p
В корзину
11
236-1704050-Б
Сетка заборника
Кол-во
0
?
Оставить заявку
12
238Н-1701078
Гнездо заднего подшипника промежуточного вала
Кол-во
0
?
Оставить заявку
13
236-1702182
Штифт верхний установочный
Кол-во
0
?
Узнать цену
236-1702182
Штифт
Производство:
ПАО Автодизель (ЯМЗ)
Под заказ
102
p
В корзину
14
201497-П29
Болт М10х25
Кол-во
0
?
Узнать цену
201497-П29
Болт М10х1.5х25 ГАЗ-3302 крепления ФТОТ заднего моста, ЗИЛ-130 крепления вентилятора
Производство:
ПАО Автодизель (ЯМЗ)
48 в наличии
13
p
В корзину
201497-П29
Болт М10х1.5х25 ГАЗ-3302 крепления ФТОТ заднего моста, ЗИЛ-130 крепления вентилятора
Производство:
АЗ Урал
Под заказ
32
p
В корзину
15
252136-П2
Шайба 10 пружинная
Кол-во
0
?
Узнать цену
252136-П2
Шайба 10.2х2.5 пружинная
Производство:
ПАО Автодизель (ЯМЗ)
509 в наличии
11
p
В корзину
16
236-1704123
Пружина
Кол-во
0
?
Оставить заявку
17
236-1704018
Корпус масляного насоса в сборе
Кол-во
0
?
Оставить заявку
18
236-1701042-А
Прокладка крышки
Кол-во
0
?
Узнать цену
236-1701042-А
Прокладка крышки подшипника первичного вала ЯМЗ
Производство:
ПАО Автодизель (ЯМЗ)
Под заказ
46
p
В корзину
19
316121-П29
Пробка К 1/4"
Кол-во
0
?
Узнать цену
316121-П29
Пробка ЯМЗ крышки Ф.Т.О.Т
Производство:
ПАО Автодизель (ЯМЗ)
7 в наличии
91
p
В корзину
20
236-1704040-А2
Шестерня ведущая в сборе
Кол-во
0
?
Оставить заявку
21
236-1704030
Шестерня ведомая
Кол-во
0
?
Узнать цену
236-1704030
ШЕСТЕРНЯ
Производство:
ПАО Автодизель (ЯМЗ)
Под заказ
366
p
В корзину
22
312581-П29
Шайба
Кол-во
0
?
Узнать цену
312581-П29
Шайба 10 ЯМЗ стопорная крышки КПП
Производство:
ПАО Автодизель (ЯМЗ)
Под заказ
4
p
В корзину
23
200-1704027
Пружина клапана
Кол-во
0
?
Узнать цену
200-1704027
Пружина
Производство:
АО ЯЗДА
Под заказ
13
p
В корзину
24
236-1704017-А2
Прокладка основания
Кол-во
0
?
Узнать цену
236-1704017-А2
ПРОКЛАДКА МАСЛЯНОГО НАСОСА
Производство:
ПАО Автодизель (ЯМЗ)
Под заказ
5
p
В корзину
25
236-1704056-А
Прокладка
Кол-во
0
?
Узнать цену
236-1704056-А
Прокладка ЯМЗ крышки заборника насоса масляного КПП
Производство:
ПАО Автодизель (ЯМЗ)
Под заказ
37
p
В корзину
26
262518-П2
Пробка
Кол-во
0
?
Оставить заявку
27
236-1701230
Манжета с пружиной в сборе
Кол-во
0
?
Узнать цену
236-1701230
Сальник ЯМЗ вала первичного КПП передний 42х64х10
Производство:
ПАО Автодизель (ЯМЗ)
Под заказ
395
p
В корзину
28
262513-П2
Пробка К3/4"
Кол-во
0
?
Оставить заявку
29
236-1704026
Пробка клапана
Кол-во
0
?
Узнать цену
236-1704026
ПРОБКА
Производство:
ПАО Автодизель (ЯМЗ)
Под заказ
148
p
В корзину
30
236-1704078-А
Планка стопорная
Кол-во
0
?
Оставить заявку
31
236-1704070
Основание масляного насоса
Кол-во
0
?
Оставить заявку
32
236-1704120
Магнит пробки
Кол-во
0
?
Оставить заявку
33
236-1704054-Б
Крышка заборника
Кол-во
0
?
Узнать цену
236-1704054-Б
Крышка ЯМЗ заборника насоса масляного КПП
Производство:
ПАО Автодизель (ЯМЗ)
Под заказ
1 155
p
В корзину
34
310013-П29
Болт М10х35
Кол-во
0
?
Оставить заявку
Получить консультацию
У нас большой опыт по подбору запчастей, и мы с радостью поможем вам найти нужную деталь, даже если вы не знаете ее артикул
Дмитрий Иванов
Директор отдела продаж
Мобильный номер:
8 (912) 474-74-74
E-mail:
td.uralval@mail.ru
Вы должны включить JavaScript чтобы использовать эту форму.
Ваше имя
Ваш телефон
Комментарий
Я соглашаюсь с
Политикой конфиденциальности
и даю согласие на обработку персональных данных.
Feed me
Отправить