Запчасти для грузовых автомобилей
8-800-555-32-41
Перезвоните мне
Отправить готовую заявку
0
Корзина
Поиск
КАТАЛОГ ПРОДУКЦИИ
Запчасти УРАЛ
Запчасти КамАЗ
Запчасти АМТ
Запчасти ЧТЗ
Запчасти погрузчиков Dalian
Запчасти ЯМЗ
Двигатели ЯМЗ в сборе
Запчасти Shaanxi Fast Gear
Лебедки
Спецпредложения
О компании
Доставка и оплата
Гарантии и сервис
Контакты
Графические каталоги запчастей
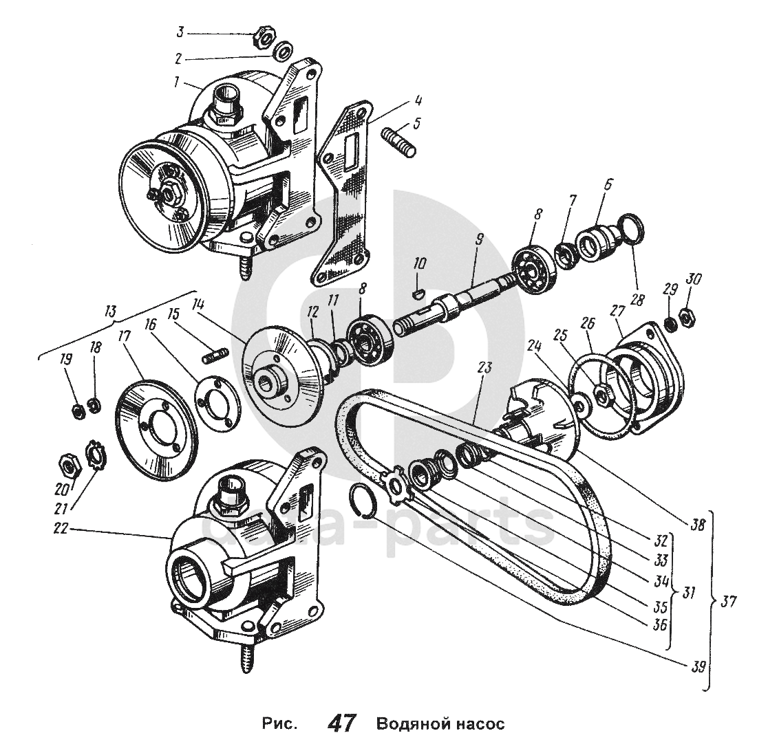
Водяной насос ЯМЗ-238 Н
Главная
/
Графические каталоги
/
ЯМЗ
/
ЯМЗ-238 Н
/
Водяной насос
1
2
3
4
5
6
7
8
8
9
10
11
12
13
14
15
16
17
18
19
20
21
22
23
24
25
26
27
28
29
30
31
32
33
34
35
36
37
38
39
%
1
236-1307010-А2
Насос водяной
Кол-во
1
?
Узнать цену
236-1307010-А2
Насос водяной на УРАЛ с двигателем ЯМЗ-236, 238 (старого образца)
Производство:
Россия
Под заказ
цена по запросу
В корзину
2
252136-П2
Шайба 10 пружинная
Кол-во
4
?
Узнать цену
252136-П2
Шайба 10.2х2.5 пружинная
Производство:
ПАО Автодизель (ЯМЗ)
509 в наличии
11
p
В корзину
3
250513-П29
Гайка
Кол-во
4
?
Узнать цену
250513-П29
Гайка М10х1.0х8 многоцелевая (упаковка 40шт.)
Производство:
ПАО Автодизель (ЯМЗ)
75 в наличии
12
p
В корзину
250513-П29
Гайка М10х1.0х8 многоцелевая (упаковка 40шт.)
Производство:
АЗ Урал
Под заказ
22
p
В корзину
4
236-1307048-А
Прокладка
Кол-во
1
?
Узнать цену
236-1307048-А
Прокладка ЯМЗ насоса водяного С/О
Производство:
Россия
Под заказ
цена по запросу
В корзину
236-1307048-А
Прокладка ЯМЗ насоса водяного С/О
Производство:
ПАО Автодизель (ЯМЗ)
Под заказ
33
p
В корзину
5
216259-П29
Шпилька
Кол-во
4
?
Узнать цену
216259-П29
ШПИЛЬКА
Производство:
ПАО Автодизель (ЯМЗ)
Под заказ
24
p
В корзину
6
236-1307017-В
Втулка корпуса
Кол-во
1
?
Оставить заявку
7
201-1307026-А
Водосбрасыватель валика
Кол-во
1
?
Оставить заявку
8
160703
Подшипник шариковый радиальный однорядный с односторонним уплотнением
Кол-во
2
?
Узнать цену
160703
Подшипник
Производство:
Россия
Под заказ
цена по запросу
В корзину
9
236-1307023-В
Валик
Кол-во
1
?
Оставить заявку
10
314005-П2
Шпонка
Кол-во
1
?
Оставить заявку
11
236-1307111
Втулка распорная
Кол-во
1
?
Узнать цену
236-1307111
ВТУЛКА
Производство:
ПАО Автодизель (ЯМЗ)
Под заказ
143
p
В корзину
12
236-1307081
Кольцо запорное
Кол-во
1
?
Узнать цену
236-1307081
Кольцо б62
Производство:
ПАО Автодизель (ЯМЗ)
Под заказ
222
p
В корзину
13
236-1307212-Б3
Шкив привода насоса
Кол-во
1
?
Узнать цену
236-1307212-Б3
Шкив ЯМЗ насоса водяного
Производство:
ПАО Автодизель (ЯМЗ)
Под заказ
3 872
p
В корзину
14
236-1307216-В
Ступица шкива
Кол-во
1
?
Оставить заявку
15
310441-П29
Шпилька
Кол-во
3
?
Оставить заявку
16
236-1307222
Прокладка регулировочная
Кол-во
8
?
Оставить заявку
17
236-1307218-Б
Боковина шкива
Кол-во
1
?
Оставить заявку
18
252134-П2
Шайба пружинная
Кол-во
3
?
Узнать цену
252134-П2
Шайба 6т
Производство:
ПАО Автодизель (ЯМЗ)
65 в наличии
3
p
В корзину
19
250508-П29
Гайка М6
Кол-во
3
?
Узнать цену
250508-П29
Гайка М6 многоцелевая (упаковка 15шт.)
Производство:
ПАО Автодизель (ЯМЗ)
203 в наличии
9
p
В корзину
250508-П29
Гайка М6 многоцелевая (упаковка 15шт.)
Производство:
АЗ Урал
Под заказ
8
p
В корзину
20
250636-П29
Гайка
Кол-во
1
?
Узнать цену
250636-П29
Гайка М16х1.5х8 ГАЗ многоцелевая
Производство:
ПАО Автодизель (ЯМЗ)
93 в наличии
18
p
В корзину
250636-П29
Гайка М16х1.5х8 ГАЗ многоцелевая
Производство:
АЗ Урал
Под заказ
52
p
В корзину
21
312536-П29
Шайба
Кол-во
1
?
Оставить заявку
22
236-1307014-Г
Корпус водяного насоса в сборе
Кол-во
1
?
Оставить заявку
23
236-1307170
Ремень привода насоса П-14х10х887
Кол-во
1
?
Оставить заявку
24
312484-П
Шайба стопорная
Кол-во
1
?
Узнать цену
312484-П
Шайба 12,5
Производство:
ПАО Автодизель (ЯМЗ)
Под заказ
37
p
В корзину
25
312115-П
Гайка колпачковая
Кол-во
1
?
Оставить заявку
26
240Н-1115134
Кольцо уплотнительное
Кол-во
1
?
Оставить заявку
27
236-1307045-Б
Крышка корпуса насоса
Кол-во
1
?
Оставить заявку
28
236-1307043
Кольцо
Кол-во
1
?
Оставить заявку
29
252135-П2
Шайба пружинная
Кол-во
2
?
Узнать цену
252135-П2
Шайба 8х2.5 ЯМЗ заглушки блока цилиндров
Производство:
ПАО Автодизель (ЯМЗ)
495 в наличии
3
p
В корзину
30
250511-П29
Гайка
Кол-во
2
?
Узнать цену
250511-П29
Гайка М8х1.0х6 крепления карбюратора, насоса водяного, ЗИЛ ГАЗ многоцелевая, М-2140 коллектора латунная
Производство:
ПАО Автодизель (ЯМЗ)
194 в наличии
17
p
В корзину
31
236-1307029-А
Комплект деталей для ремонта насоса
Кол-во
1
?
Оставить заявку
32
201-1307034-А
Пружина торцового уплотнения
Кол-во
1
?
Оставить заявку
33
201-1307037
Обойма манжеты малая
Кол-во
1
?
Узнать цену
201-1307037
Обойма малая
Производство:
ПАО Автодизель (ЯМЗ)
Под заказ
11
p
В корзину
34
240-1307036
Обойма манжеты торцового уплотнения большая
Кол-во
1
?
Узнать цену
240-1307036
Обойма манжеты
Производство:
ПАО Автодизель (ЯМЗ)
Под заказ
11
p
В корзину
35
240-1307038
Манжета торцового уплотнения водяного насоса
Кол-во
1
?
Узнать цену
240-1307038
Манжета
Производство:
ПАО Автодизель (ЯМЗ)
Под заказ
9
p
В корзину
36
236-1307035-А3
Кольцо упорное
Кол-во
1
?
Оставить заявку
37
236-1307030-Б
Крыльчатка с манжетой в сборе
Кол-во
1
?
Оставить заявку
38
236-1307032-Б
Крыльчатка
Кол-во
1
?
Оставить заявку
39
236-1307033
Кольцо стопорное
Кол-во
1
?
Оставить заявку
Получить консультацию
У нас большой опыт по подбору запчастей, и мы с радостью поможем вам найти нужную деталь, даже если вы не знаете ее артикул
Дмитрий Иванов
Директор отдела продаж
Мобильный номер:
8 (912) 474-74-74
E-mail:
td.uralval@mail.ru
Вы должны включить JavaScript чтобы использовать эту форму.
Ваше имя
Ваш телефон
Комментарий
Я соглашаюсь с
Политикой конфиденциальности
и даю согласие на обработку персональных данных.
Feed me
Отправить