Запчасти для грузовых автомобилей
8-800-555-32-41
Перезвоните мне
Отправить готовую заявку
0
Корзина
Поиск
КАТАЛОГ ПРОДУКЦИИ
Запчасти УРАЛ
Запчасти КамАЗ
Запчасти АМТ
Запчасти ЧТЗ
Запчасти погрузчиков Dalian
Запчасти ЯМЗ
Двигатели ЯМЗ в сборе
Запчасти Shaanxi Fast Gear
Лебедки
Спецпредложения
О компании
Доставка и оплата
Гарантии и сервис
Контакты
Графические каталоги запчастей
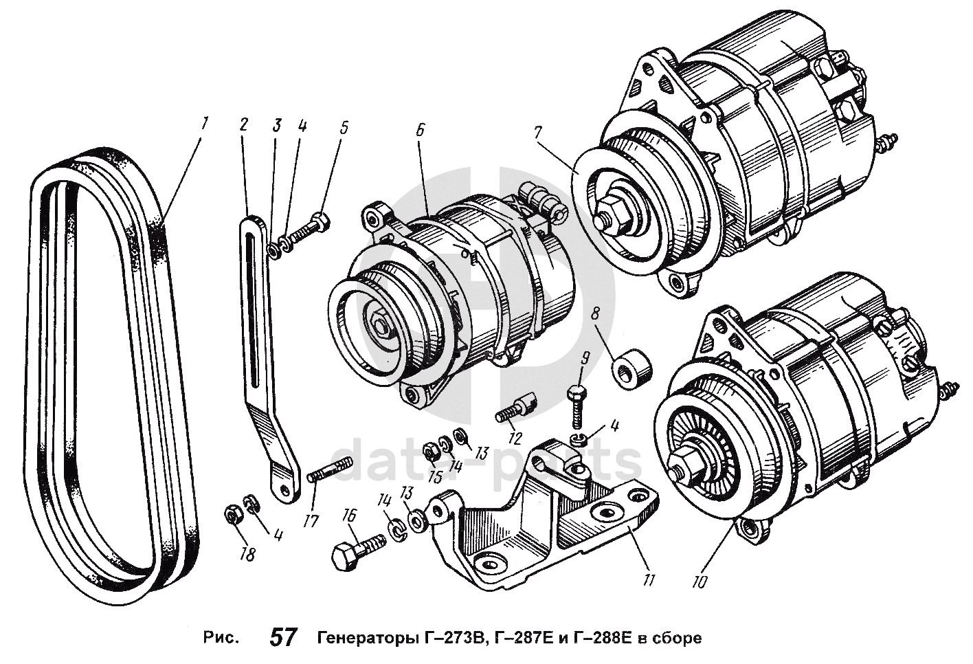
Генераторы Г-273В, Г-287Е и Г-288Е в сборе ЯМЗ-238 Л
Главная
/
Графические каталоги
/
ЯМЗ
/
ЯМЗ-238 Л
/
Генераторы Г-273В, Г-287Е и Г-288Е в сборе
1
2
3
4
4
4
5
6
7
8
9
10
11
12
13
13
14
14
15
16
17
18
%
1
2564111107
Ремень 1 кл. 1-8,5х8-850 привода генератора
Кол-во
1
?
Оставить заявку
2
238-3701790
Планка натяжная
Кол-во
1
?
Узнать цену
238-3701790
Планка генератора ЯМЗ
Производство:
ПАО Автодизель (ЯМЗ)
9 в наличии
327
p
В корзину
3
252038-П29
Шайба
Кол-во
1
?
Узнать цену
252038-П29
Шайба 8 УРАЛ
Производство:
ПАО Автодизель (ЯМЗ)
Под заказ
17
p
В корзину
252038-П29
Шайба 8 УРАЛ
Производство:
АЗ Урал
Под заказ
11
p
В корзину
4
252135-П2
Шайба пружинная
Кол-во
3
?
Узнать цену
252135-П2
Шайба 8х2.5 ЯМЗ заглушки блока цилиндров
Производство:
ПАО Автодизель (ЯМЗ)
495 в наличии
3
p
В корзину
5
201458-П29
Болт М8х25
Кол-во
1
?
Узнать цену
201458-П29
Болт М8х1.25х25 многоцелевой (упаковка 50шт.)
Производство:
ПАО Автодизель (ЯМЗ)
90 в наличии
15
p
В корзину
201458-П29
Болт М8х1.25х25 многоцелевой (упаковка 50шт.)
Производство:
АЗ Урал
Под заказ
10
p
В корзину
6
Г273В-3701000
Генератор
Кол-во
1
?
Оставить заявку
7
Г288Е-3701000
Генератор
Кол-во
0
?
Оставить заявку
8
238НБ-3701027-Б
Втулка распорная
Кол-во
0
?
Узнать цену
238НБ-3701027-Б
ВТУЛКА РАСПОРНАЯ
Производство:
ПАО Автодизель (ЯМЗ)
43 в наличии
65
p
В корзину
9
201458-П29
Болт М8х25
Кол-во
0
?
Узнать цену
201458-П29
Болт М8х1.25х25 многоцелевой (упаковка 50шт.)
Производство:
ПАО Автодизель (ЯМЗ)
90 в наличии
15
p
В корзину
201458-П29
Болт М8х1.25х25 многоцелевой (упаковка 50шт.)
Производство:
АЗ Урал
Под заказ
10
p
В корзину
10
Г287Е-3701000
Генератор
Кол-во
0
?
Оставить заявку
11
238-3701774
Кронштейн
Кол-во
1
?
Оставить заявку
12
238-3701780
Палец крепления генератора
Кол-во
1
?
Узнать цену
238-3701780
Палец ЯМЗ крепления генератора
Производство:
ПАО Автодизель (ЯМЗ)
16 в наличии
327
p
В корзину
13
252006-П29
Шайба плоская
Кол-во
1
?
Узнать цену
252006-П29
Шайба 10 отопителя УРАЛ
Производство:
ПАО Автодизель (ЯМЗ)
55 в наличии
5
p
В корзину
252006-П29
Шайба 10 отопителя УРАЛ
Производство:
АЗ Урал
Под заказ
17
p
В корзину
14
252136-П2
Шайба 10 пружинная
Кол-во
1
?
Узнать цену
252136-П2
Шайба 10.2х2.5 пружинная
Производство:
ПАО Автодизель (ЯМЗ)
509 в наличии
11
p
В корзину
15
250512-П29
Гайка
Кол-во
1
?
Узнать цену
250512-П29
Гайка М10х1.5х8 ГАЗ-2410, 3110, УРАЛ под ключ 17мм облиц.радиатора, топл.бака, ГЦС, РЦС
Производство:
ПАО Автодизель (ЯМЗ)
1 в наличии
66
p
В корзину
250512-П29
Гайка М10х1.5х8 ГАЗ-2410, 3110, УРАЛ под ключ 17мм облиц.радиатора, топл.бака, ГЦС, РЦС
Производство:
АЗ Урал
Под заказ
18
p
В корзину
16
201501-П29
Болт М10
Кол-во
1
?
Узнать цену
201501-П29
Болт М10х1.5х35 центрифуги, картера рычага КПП ЗИЛ, выхлопной системы ГАЗ-3110,, обода маховика
Производство:
ПАО Автодизель (ЯМЗ)
Под заказ
17
p
В корзину
201501-П29
Болт М10х1.5х35 центрифуги, картера рычага КПП ЗИЛ, выхлопной системы ГАЗ-3110,, обода маховика
Производство:
АЗ Урал
Под заказ
33
p
В корзину
17
216233-П29
Шпилька
Кол-во
1
?
Узнать цену
216233-П29
Шпилька м8
Производство:
ПАО Автодизель (ЯМЗ)
74 в наличии
32
p
В корзину
18
250511-П29
Гайка
Кол-во
1
?
Узнать цену
250511-П29
Гайка М8х1.0х6 крепления карбюратора, насоса водяного, ЗИЛ ГАЗ многоцелевая, М-2140 коллектора латунная
Производство:
ПАО Автодизель (ЯМЗ)
194 в наличии
17
p
В корзину
Получить консультацию
У нас большой опыт по подбору запчастей, и мы с радостью поможем вам найти нужную деталь, даже если вы не знаете ее артикул
Дмитрий Иванов
Директор отдела продаж
Мобильный номер:
8 (912) 474-74-74
E-mail:
td.uralval@mail.ru
Вы должны включить JavaScript чтобы использовать эту форму.
Ваше имя
Ваш телефон
Комментарий
Я соглашаюсь с
Политикой конфиденциальности
и даю согласие на обработку персональных данных.
Feed me
Отправить