Запчасти для грузовых автомобилей
8-800-555-32-41
Перезвоните мне
Отправить готовую заявку
0
Корзина
Поиск
КАТАЛОГ ПРОДУКЦИИ
Запчасти УРАЛ
Запчасти КамАЗ
Запчасти АМТ
Запчасти ЧТЗ
Запчасти погрузчиков Dalian
Запчасти ЯМЗ
Двигатели ЯМЗ в сборе
Запчасти Shaanxi Fast Gear
Лебедки
Спецпредложения
О компании
Доставка и оплата
Гарантии и сервис
Контакты
Графические каталоги запчастей
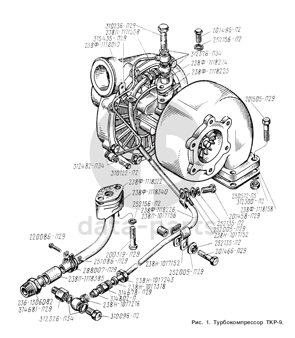
Турбокомпрессор ТКР-9 ЯМЗ-238 Л
Главная
/
Графические каталоги
/
ЯМЗ
/
ЯМЗ-238 Л
/
Турбокомпрессор ТКР-9
%
1
238Ф-1118224
Фланец турбокомпрессора
Кол-во
0
?
Узнать цену
238Ф-1118224
Фланец ЯМЗ маслоподводящий турбины
Производство:
ПАО Автодизель (ЯМЗ)
7 в наличии
882
p
В корзину
2
238П-1118385
Рукав
Кол-во
0
?
Узнать цену
238П-1118385
РУКАВ
Производство:
ПАО Автодизель (ЯМЗ)
Под заказ
69
p
В корзину
3
238Ф-1118226
Трубка подвода масла к турбокомпрессору
Кол-во
0
?
Оставить заявку
4
238Н-1017243
Гайка упорная в сборе
Кол-во
0
?
Узнать цену
238Н-1017243
Гайка
Производство:
ПАО Автодизель (ЯМЗ)
Под заказ
169
p
В корзину
5
314678-П29
Штуцер проходной
Кол-во
0
?
Узнать цену
314678-П29
Штуцер
Производство:
ПАО Автодизель (ЯМЗ)
Под заказ
133
p
В корзину
6
288007-П29
Хомут
Кол-во
0
?
Оставить заявку
7
238Ф-1118010
Турбокомпрессор
Кол-во
0
?
Оставить заявку
8
238П-1111558
Трубка подвода масла к корректору по наддуву
Кол-во
0
?
Узнать цену
238П-1111558
Трубка ЯМЗ подвода масла к корректору
Производство:
ПАО Автодизель (ЯМЗ)
9 в наличии
1 126
p
В корзину
9
238Ф-1118340
Патрубок слива масла в сборе
Кол-во
0
?
Оставить заявку
10
310122-П2
Болт М10х1х22
Кол-во
0
?
Оставить заявку
11
238Н-1017216
Наконечник
Кол-во
0
?
Узнать цену
238Н-1017216
Наконечник ЯМЗ трубки подводящей турбины
Производство:
ПАО Автодизель (ЯМЗ)
15 в наличии
263
p
В корзину
12
238Н-1017318
Кольцо
Кол-во
0
?
Узнать цену
238Н-1017318
КОЛЬЦО
Производство:
ПАО Автодизель (ЯМЗ)
Под заказ
15
p
В корзину
13
315435-П29
Кляммер
Кол-во
0
?
Оставить заявку
14
312326-П34
Шайба уплотнительная
Кол-во
0
?
Узнать цену
312326-П34
Шайба 14.2х19.0х1.2 ЯМЗ медная (плоская)
Производство:
ПАО Автодизель (ЯМЗ)
232 в наличии
99
p
В корзину
15
252156-П2
Шайба пружинная
Кол-во
0
?
Узнать цену
252156-П2
ШАЙБА 10,1
Производство:
ПАО Автодизель (ЯМЗ)
2147 в наличии
3
p
В корзину
16
252135-П2
Шайба пружинная
Кол-во
0
?
Узнать цену
252135-П2
Шайба 8х2.5 ЯМЗ заглушки блока цилиндров
Производство:
ПАО Автодизель (ЯМЗ)
495 в наличии
3
p
В корзину
17
201495-П2
Болт
Кол-во
0
?
Оставить заявку
18
238Ф-1118225
Прокладка
Кол-во
0
?
Узнать цену
238Ф-1118225
Прокладка фланца ТКР МАЗ,УРАЛ,КРАЗ
Производство:
ПАО Автодизель (ЯМЗ)
Под заказ
9
p
В корзину
19
314802-П
Муфта конусная
Кол-во
0
?
Узнать цену
314802-П
Муфта 10
Производство:
ПАО Автодизель (ЯМЗ)
Под заказ
115
p
В корзину
20
312482-П34
Шайба
Кол-во
0
?
Узнать цену
312482-П34
Шайба 10.2х14.0х1.5 ЯМЗ крепления трубки топливной медная
Производство:
ПАО Автодизель (ЯМЗ)
Под заказ
91
p
В корзину
21
314681-П29
Штуцер
Кол-во
0
?
Узнать цену
314681-П29
Штуцер ЯМЗ трубки ТКР К1/4
Производство:
ПАО Автодизель (ЯМЗ)
38 в наличии
164
p
В корзину
22
236-1306082
Штуцер трубки слива масла
Кол-во
0
?
Оставить заявку
23
312300-П2
Шайба
Кол-во
0
?
Узнать цену
312300-П2
Шайба 10.5 ЯМЗ коллектора
Производство:
ПАО Автодизель (ЯМЗ)
43 в наличии
51
p
В корзину
24
250512-П5
Гайка
Кол-во
0
?
Узнать цену
250512-П5
Гайка М10х1.5 УАЗ трубы приемной высокая под ключ 17мм
Производство:
ПАО Автодизель (ЯМЗ)
5 в наличии
49
p
В корзину
25
201505-П29
Болт М10х45
Кол-во
0
?
Узнать цену
201505-П29
Болт М10х1.5х45 глушителя, труб впускных и выпускных
Производство:
ПАО Автодизель (ЯМЗ)
Под заказ
44
p
В корзину
26
238Ф-1118158
Прокладка корпуса турбины
Кол-во
0
?
Узнать цену
238Ф-1118158
Прокладка ЯМЗ турбокомпрессора
Производство:
Россия
Под заказ
цена по запросу
В корзину
238Ф-1118158
Прокладка ЯМЗ турбокомпрессора
Производство:
ПАО Автодизель (ЯМЗ)
62 в наличии
269
p
В корзину
27
238Ф-1118322
Прокладка фланца трубы
Кол-во
0
?
Узнать цену
238Ф-1118322
Прокладка ЯМЗ патрубка слива масла
Производство:
ПАО Автодизель (ЯМЗ)
Под заказ
46
p
В корзину
28
238П-1017156
Проставка скобы
Кол-во
0
?
Оставить заявку
29
252005-П29
Шайба плоская
Кол-во
0
?
Узнать цену
252005-П29
Шайба ЯМЗ-534 компрессора 8.01.016
Производство:
ПАО Автодизель (ЯМЗ)
106 в наличии
9
p
В корзину
252005-П29
Шайба ЯМЗ-534 компрессора 8.01.016
Производство:
АЗ Урал
Под заказ
13
p
В корзину
30
310096-П2
Болт специальный М14х1,5х30
Кол-во
0
?
Оставить заявку
31
201458-П29
Болт М8х25
Кол-во
0
?
Узнать цену
201458-П29
Болт М8х1.25х25 многоцелевой (упаковка 50шт.)
Производство:
ПАО Автодизель (ЯМЗ)
90 в наличии
15
p
В корзину
201458-П29
Болт М8х1.25х25 многоцелевой (упаковка 50шт.)
Производство:
АЗ Урал
Под заказ
10
p
В корзину
32
200319-П29
Болт
Кол-во
0
?
Узнать цену
200319-П29
Болт М10х1.5х50 крышки заднего подшипника КПП ЗИЛ, подвески задней ГАЗ-3306
Производство:
ПАО Автодизель (ЯМЗ)
Под заказ
96
p
В корзину
200319-П29
Болт М10х1.5х50 крышки заднего подшипника КПП ЗИЛ, подвески задней ГАЗ-3306
Производство:
АЗ Урал
Под заказ
24
p
В корзину
33
251086-П29
Гайка М5
Кол-во
0
?
Узнать цену
251086-П29
Гайка м5-6н
Производство:
ПАО Автодизель (ЯМЗ)
10 в наличии
5
p
В корзину
251086-П29
Гайка м5-6н
Производство:
АЗ Урал
Под заказ
37
p
В корзину
34
220086-П29
Винт М5х30
Кол-во
0
?
Узнать цену
220086-П29
Винт М5Х30-6Е УРАЛ
Производство:
ПАО Автодизель (ЯМЗ)
Под заказ
3
p
В корзину
35
238Н-1017152
Скоба крепления трубки
Кол-во
0
?
Оставить заявку
36
310236-П29
Болт
Кол-во
0
?
Узнать цену
310236-П29
Болт-штуцер М14х1.5х48 МАЗ маслоподводящий к турбокомпрессору
Производство:
ПАО Автодизель (ЯМЗ)
15 в наличии
269
p
В корзину
37
201466-П29
Болт М8х45
Кол-во
0
?
Узнать цену
201466-П29
Болт М8х1.25х45 ГАЗ крепления салазок, УАЗ-31514 3160 механизма переключения передач
Производство:
ПАО Автодизель (ЯМЗ)
25 в наличии
15
p
В корзину
Получить консультацию
У нас большой опыт по подбору запчастей, и мы с радостью поможем вам найти нужную деталь, даже если вы не знаете ее артикул
Дмитрий Иванов
Директор отдела продаж
Мобильный номер:
8 (912) 474-74-74
E-mail:
td.uralval@mail.ru
Вы должны включить JavaScript чтобы использовать эту форму.
Ваше имя
Ваш телефон
Комментарий
Я соглашаюсь с
Политикой конфиденциальности
и даю согласие на обработку персональных данных.
Feed me
Отправить