Запчасти для грузовых автомобилей
8-800-555-32-41
Перезвоните мне
Отправить готовую заявку
0
Корзина
Поиск
КАТАЛОГ ПРОДУКЦИИ
Запчасти УРАЛ
Запчасти КамАЗ
Запчасти АМТ
Запчасти ЧТЗ
Запчасти погрузчиков Dalian
Запчасти ЯМЗ
Двигатели ЯМЗ в сборе
Запчасти Shaanxi Fast Gear
Лебедки
Спецпредложения
О компании
Доставка и оплата
Гарантии и сервис
Контакты
Графические каталоги запчастей
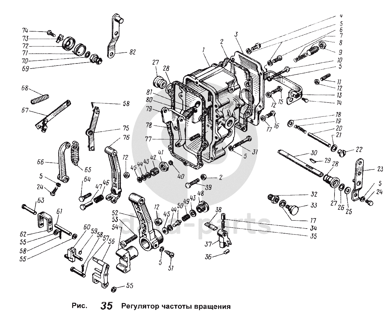
Регулятор частоты вращения ЯМЗ-238 Л
Главная
/
Графические каталоги
/
ЯМЗ
/
ЯМЗ-238 Л
/
Регулятор частоты вращения
1
2
2
3
4
5
5
5
5
5
5
6
7
8
9
10
11
12
12
12
12
13
14
15
16
17
17
18
19
20
21
22
23
24
24
25
26
27
27
28
28
29
30
31
32
33
34
35
36
37
38
39
40
41
42
43
43
44
44
45
45
46
47
47
48
49
50
51
52
53
54
55
55
55
56
57
58
58
58
59
60
61
62
63
64
65
66
67
68
69
70
71
72
73
74
75
76
77
78
79
80
81
82
%
1
60.1110129
Крышка регулятора
Кол-во
1
?
Узнать цену
60.1110129
Крышка регулятора
Производство:
АО ЯЗДА
Под заказ
2 483
p
В корзину
2
236-1110499-А3
Прокладка крышки смотрового люка
Кол-во
1
?
Узнать цену
236-1110499-А3
Прокладка ЯМЗ крышки регулятора
Производство:
АО ЯЗДА
Под заказ
215
p
В корзину
3
60.1110498
Крышка смотрового люка
Кол-во
1
?
Оставить заявку
4
310611-П15
Винт
Кол-во
3
?
Оставить заявку
5
252154-П29
Шайба пружинная
Кол-во
17
?
Узнать цену
252154-П29
Шайба
Производство:
АО ЯЗДА
Под заказ
3
p
В корзину
6
236-1110500
Винт крепления крышки смотрового люка
Кол-во
4
?
Оставить заявку
7
236-1110490
Пружина буферная
Кол-во
1
?
Узнать цену
236-1110490
Пружина буферная
Производство:
АО ЯЗДА
8 в наличии
91
p
В корзину
8
60.1110492
Корпус буферной пружины
Кол-во
1
?
Оставить заявку
9
311511-П15
Гайка
Кол-во
1
?
Оставить заявку
10
310612-П15
Винт
Кол-во
1
?
Оставить заявку
11
236-1110200
Винт регулировочный
Кол-во
1
?
Узнать цену
236-1110200
Винт регулировочный
Производство:
АО ЯЗДА
Под заказ
135
p
В корзину
12
250508-П29
Гайка М6
Кол-во
1
?
Узнать цену
250508-П29
Гайка М6 многоцелевая (упаковка 15шт.)
Производство:
ПАО Автодизель (ЯМЗ)
203 в наличии
9
p
В корзину
250508-П29
Гайка М6 многоцелевая (упаковка 15шт.)
Производство:
АЗ Урал
Под заказ
8
p
В корзину
13
80.1110380
Скоба кулисы
Кол-во
0
?
Оставить заявку
14
852000-П29
Болт
Кол-во
1
?
Оставить заявку
15
310142-Ш5
Болт регулировочный
Кол-во
1
?
Оставить заявку
16
222580-П29
Винт
Кол-во
1
?
Оставить заявку
17
312353-П
Шайба
Кол-во
2
?
Оставить заявку
18
312700-П15
Шайба
Кол-во
1
?
Оставить заявку
19
236-1110089
Пружина компенсационная
Кол-во
1
?
Узнать цену
236-1110089
Пружина
Производство:
АО ЯЗДА
Под заказ
8
p
В корзину
20
236-1110088
Ось рычагов
Кол-во
1
?
Узнать цену
236-1110088
Ось рычага
Производство:
АО ЯЗДА
Под заказ
174
p
В корзину
21
312446-П
Шайба
Кол-во
2
?
Оставить заявку
22
310608-П15
Винт-заглушка
Кол-во
2
?
Оставить заявку
23
236-1110149-Б3
Рычаг управления регулятором
Кол-во
1
?
Оставить заявку
24
201418-П29
Болт М6х16
Кол-во
1
?
Узнать цену
201418-П29
Болт М6х1.0х16 крепления катушки зажигания ЗИЛ
Производство:
АЗ Урал
Под заказ
19
p
В корзину
201418-П29
Болт М6х1.0х16 крепления катушки зажигания ЗИЛ
Производство:
ПАО Автодизель (ЯМЗ)
Под заказ
5
p
В корзину
25
312347-П15
Шайба
Кол-во
1
?
Оставить заявку
26
236-1110482
Кольцо уплотнительное
Кол-во
1
?
Узнать цену
236-1110482
Кольцо ЯМЗ уплотнительное вала рычага пружины 012-017-30-2-2 (25 3111 0243)
Производство:
АО ЯЗДА
Под заказ
41
p
В корзину
27
236-1110476-Б
Втулка вала рычага пружины
Кол-во
2
?
Узнать цену
236-1110476-Б
Втулка
Производство:
АО ЯЗДА
Под заказ
271
p
В корзину
28
236-1110479
Кольцо уплотнительное втулки вала рычага
Кол-во
2
?
Оставить заявку
29
314003-П
Шпонка сегментная
Кол-во
1
?
Узнать цену
314003-П
Шпонка
Производство:
АО ЯЗДА
Под заказ
150
p
В корзину
30
236-1110467
Вал рычага пружины
Кол-во
1
?
Оставить заявку
31
222539-П15
Винт
Кол-во
5
?
Оставить заявку
32
236-1110392
Ввертыш оси скобы
Кол-во
1
?
Узнать цену
236-1110392
Ввертыш
Производство:
АО ЯЗДА
Под заказ
183
p
В корзину
33
236-1110390
Ось скобы
Кол-во
1
?
Узнать цену
236-1110390
Ось скобы кулисы
Производство:
АО ЯЗДА
Под заказ
170
p
В корзину
34
236-1110372-Б
Фиксатор кулисы
Кол-во
1
?
Узнать цену
236-1110372-Б
Фиксатор кулисы
Производство:
АО ЯЗДА
Под заказ
156
p
В корзину
35
236-1110374-Б
Пружина фиксатора
Кол-во
1
?
Оставить заявку
36
60.1110220
Ползун кулисы
Кол-во
1
?
Оставить заявку
37
60.1110132
Кулиса
Кол-во
1
?
Узнать цену
60.1110132
Кулиса
Производство:
АО ЯЗДА
Под заказ
1 078
p
В корзину
38
236-1110136-Б
Ось кулисы
Кол-во
1
?
Узнать цену
236-1110136-Б
Ось кулисы
Производство:
АО ЯЗДА
112 в наличии
330
p
В корзину
39
852002-П15
Болт регулировочный
Кол-во
1
?
Оставить заявку
40
236-1110418
Кольцо пружинное упорное
Кол-во
0
?
Оставить заявку
41
311512-П15
Гайка
Кол-во
0
?
Оставить заявку
42
236-1110416
Корпус пружины корректора
Кол-во
0
?
Оставить заявку
43
312652-П15
Шайба регулировочная
Кол-во
4
?
Узнать цену
312652-П15
Шайба
Производство:
АО ЯЗДА
Под заказ
25
p
В корзину
44
236-1110141
Шайба регулировочная
Кол-во
6
?
Узнать цену
236-1110141
Шайба ТНВД МАЗ, УРАЛ
Производство:
АО ЯЗДА
21 в наличии
30
p
В корзину
45
236-1110140
Шайба регулировочная
Кол-во
4
?
Узнать цену
236-1110140
Шайба ТНВД ф6,5х11х0,2
Производство:
АО ЯЗДА
106 в наличии
95
p
В корзину
46
236-1110414
Пружина корректора
Кол-во
0
?
Оставить заявку
47
805.1110412
Корректор
Кол-во
1
?
Оставить заявку
47
236-1110412
Корректор
Кол-во
0
?
Оставить заявку
48
852881-П15
Пробка
Кол-во
1
?
Оставить заявку
49
240Б-1110414
Пружина корректора
Кол-во
1
?
Оставить заявку
50
60.1110264
Упор пружины
Кол-во
1
?
Узнать цену
60.1110264
Упор пружины
Производство:
АО ЯЗДА
48 в наличии
187
p
В корзину
51
852351-П15
Винт стопорный
Кол-во
1
?
Оставить заявку
52
60.1110406
Рычаг регулятора
Кол-во
1
?
Оставить заявку
53
852350-П15
Винт
Кол-во
1
?
Оставить заявку
54
60.1110263
Втулка корректора в сборе
Кол-во
1
?
Узнать цену
60.1110263
Втулка
Производство:
АО ЯЗДА
Под заказ
539
p
В корзину
55
312370-П15
Шайба
Кол-во
1
?
Узнать цену
312370-П15
Шайба
Производство:
АО ЯЗДА
Под заказ
38
p
В корзину
56
60.1110266
Рычаг корректора со штифтом в сборе
Кол-во
1
?
Узнать цену
60.1110266
Рычаг корректора
Производство:
АО ЯЗДА
Под заказ
801
p
В корзину
57
852780-П15
Палец
Кол-во
1
?
Оставить заявку
58
258012-П15
Шплинт
Кол-во
1
?
Оставить заявку
59
60.1110265
Кольцо пружинное
Кол-во
1
?
Оставить заявку
60
60.1110223-01
Кулиса корректора
Кол-во
1
?
Оставить заявку
61
236-1110066
Ось пяты упорной
Кол-во
0
?
Узнать цену
236-1110066
Ось пяты упорной
Производство:
АО ЯЗДА
Под заказ
236
p
В корзину
62
236-1110433
Серьга регулятора
Кол-во
0
?
Узнать цену
236-1110433
Серьга регулятора
Производство:
АО ЯЗДА
Под заказ
231
p
В корзину
63
317849-П5
Палец
Кол-во
0
?
Оставить заявку
64
310305-П15
Болт регулировочный
Кол-во
0
?
Оставить заявку
65
236-1110462
Пружина регулятора
Кол-во
1
?
Оставить заявку
66
236-1110466-А
Рычаг пружины
Кол-во
1
?
Оставить заявку
67
236-1110454
Тяга рейки с планкой в сборе
Кол-во
1
?
Узнать цену
236-1110454
Тяга рейки
Производство:
АО ЯЗДА
Под заказ
223
p
В корзину
68
236-1110448
Пружина рычага рейки
Кол-во
1
?
Оставить заявку
69
236-1110134-Б
Ввертыш оси кулисы
Кол-во
1
?
Узнать цену
236-1110134-Б
Ввертыш
Производство:
АО ЯЗДА
Под заказ
176
p
В корзину
70
236-1110394
Кольцо уплотнительное в сборе
Кол-во
1
?
Оставить заявку
71
236-1110396
Пружина скобы кулисы возвратная
Кол-во
1
?
Узнать цену
236-1110396
Пружина
Производство:
АО ЯЗДА
3 в наличии
74
p
В корзину
72
236-1110398
Крышка возвратной пружины
Кол-во
1
?
Узнать цену
236-1110398
Крышка
Производство:
АО ЯЗДА
1 в наличии
158
p
В корзину
73
236-1110262
Шайба скобы кулисы
Кол-во
1
?
Оставить заявку
74
236-1110376
Ось рычага останова
Кол-во
1
?
Узнать цену
236-1110376
Ось рычага останова двигателя
Производство:
АО ЯЗДА
Под заказ
176
p
В корзину
75
60.1110443
Рычаг рейки
Кол-во
1
?
Оставить заявку
76
238НБ-1110406-А2
Рычаг регулятора
Кол-во
0
?
Узнать цену
238НБ-1110406-А2
Рычаг регулятора ТНВД
Производство:
АО ЯЗДА
6 в наличии
1 258
p
В корзину
77
852358-П29
Винт регулировочный
Кол-во
1
?
Оставить заявку
78
236-1110154-А
Прокладка крышки регулятора
Кол-во
1
?
Оставить заявку
79
236-1110080
Рычаг двуплечий
Кол-во
1
?
Оставить заявку
80
242519-П15
Винт
Кол-во
1
?
Оставить заявку
81
250511-П15
Гайка
Кол-во
1
?
Оставить заявку
82
238НБ-1110149-А
Рычаг управления регулятором
Кол-во
0
?
Оставить заявку
Получить консультацию
У нас большой опыт по подбору запчастей, и мы с радостью поможем вам найти нужную деталь, даже если вы не знаете ее артикул
Дмитрий Иванов
Директор отдела продаж
Мобильный номер:
8 (912) 474-74-74
E-mail:
td.uralval@mail.ru
Вы должны включить JavaScript чтобы использовать эту форму.
Ваше имя
Ваш телефон
Комментарий
Я соглашаюсь с
Политикой конфиденциальности
и даю согласие на обработку персональных данных.
Feed me
Отправить