Запчасти для грузовых автомобилей
8-800-555-32-41
Перезвоните мне
Отправить готовую заявку
0
Корзина
Поиск
КАТАЛОГ ПРОДУКЦИИ
Запчасти УРАЛ
Запчасти КамАЗ
Запчасти АМТ
Запчасти ЧТЗ
Запчасти погрузчиков Dalian
Запчасти ЯМЗ
Двигатели ЯМЗ в сборе
Запчасти Shaanxi Fast Gear
Лебедки
Спецпредложения
О компании
Доставка и оплата
Гарантии и сервис
Контакты
Графические каталоги запчастей
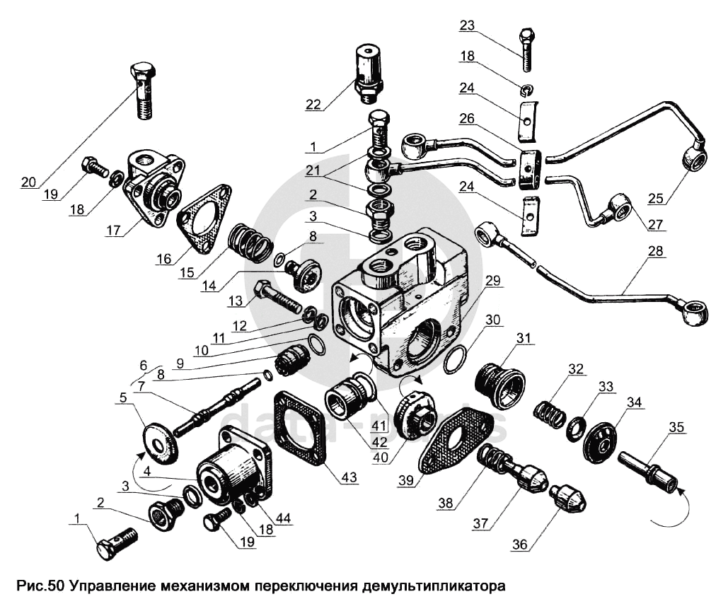
Управление механизмом переключения демультипликатора ЯМЗ-238Д и Б
Главная
/
Графические каталоги
/
ЯМЗ
/
ЯМЗ-238Д и Б
/
Управление механизмом переключения демультипликатора
1
1
2
2
3
3
4
5
6
7
8
8
9
10
11
12
13
14
15
16
17
18
18
18
19
19
20
21
22
23
24
24
25
26
27
28
29
30
31
32
33
34
35
36
37
38
39
40
41
42
43
44
%
1
310122-П2
Болт М10х1х22
Кол-во
7
?
Оставить заявку
2
238-1723280
Ввертыш
Кол-во
4
?
Узнать цену
238-1723280
ВВЕРТЫШ
Производство:
ПАО Автодизель (ЯМЗ)
Под заказ
168
p
В корзину
3
312326-П34
Шайба уплотнительная
Кол-во
4
?
Узнать цену
312326-П34
Шайба 14.2х19.0х1.2 ЯМЗ медная (плоская)
Производство:
ПАО Автодизель (ЯМЗ)
232 в наличии
99
p
В корзину
4
238Н-1723028
Цилиндр
Кол-во
2
?
Узнать цену
238Н-1723028
Цилиндр
Производство:
ПАО Автодизель (ЯМЗ)
Под заказ
742
p
В корзину
5
238Н-1723170
Шайба упорная
Кол-во
2
?
Узнать цену
238Н-1723170
ШАЙБА УПОРНАЯ ПОРШНЯ ВОЗДУХОРАСПРЕДЕЛИТЕЛЯ
Производство:
ПАО Автодизель (ЯМЗ)
Под заказ
20
p
В корзину
6
238Н-1723020
Золотник в сборе
Кол-во
1
?
Узнать цену
238Н-1723020
ЗОЛОТНИК
Производство:
ПАО Автодизель (ЯМЗ)
Под заказ
676
p
В корзину
7
238Н-1723024
Золотник
Кол-во
1
?
Узнать цену
238Н-1723024
Золотник
Производство:
ПАО Автодизель (ЯМЗ)
Под заказ
579
p
В корзину
8
238-1723026
Кольцо уплотнительное
Кол-во
3
?
Оставить заявку
9
238-1723019
Гнездо золотника
Кол-во
4
?
Узнать цену
238-1723019
ГНЕЗДО ЗОЛОТНИКА
Производство:
ПАО Автодизель (ЯМЗ)
Под заказ
246
p
В корзину
10
240-1011449
Кольцо уплотнительное
Кол-во
4
?
Оставить заявку
11
252005-П2
Шайба 8
Кол-во
2
?
Узнать цену
252005-П2
ШАЙБА
Производство:
ПАО Автодизель (ЯМЗ)
Под заказ
3
p
В корзину
12
252135-П2
Шайба пружинная
Кол-во
2
?
Узнать цену
252135-П2
Шайба 8х2.5 ЯМЗ заглушки блока цилиндров
Производство:
ПАО Автодизель (ЯМЗ)
495 в наличии
3
p
В корзину
13
201462-П29
Болт М8х35
Кол-во
2
?
Узнать цену
201462-П29
БОЛТ
Производство:
ПАО Автодизель (ЯМЗ)
Под заказ
71
p
В корзину
14
238Н-1723032
Клапан впускной в сборе
Кол-во
1
?
Узнать цену
238Н-1723032
Клапан впускной
Производство:
ПАО Автодизель (ЯМЗ)
Под заказ
1 569
p
В корзину
15
238М-1723037
Пружина
Кол-во
1
?
Узнать цену
238М-1723037
ПРУЖИНА ВПУСКНОГО КЛАПАНА
Производство:
ПАО Автодизель (ЯМЗ)
Под заказ
22
p
В корзину
16
238Н-1723049
Прокладка
Кол-во
1
?
Узнать цену
238Н-1723049
Прокладка
Производство:
ПАО Автодизель (ЯМЗ)
Под заказ
3
p
В корзину
17
238Н-1723041
Крышка клапана
Кол-во
1
?
Оставить заявку
18
252134-П2
Шайба пружинная
Кол-во
12
?
Узнать цену
252134-П2
Шайба 6т
Производство:
ПАО Автодизель (ЯМЗ)
65 в наличии
3
p
В корзину
19
201420-П29
Болт М6х20
Кол-во
11
?
Узнать цену
201420-П29
Болт М6х1.0х20 ЗИЛ-130 скобы радиатора масляного ГАЗ-3110 ГЦС РЦС ГАЗ-3302 стояночного торм.
Производство:
ПАО Автодизель (ЯМЗ)
163 в наличии
7
p
В корзину
201420-П29
Болт М6х1.0х20 ЗИЛ-130 скобы радиатора масляного ГАЗ-3110 ГЦС РЦС ГАЗ-3302 стояночного торм.
Производство:
АЗ Урал
Под заказ
19
p
В корзину
20
310239-П29
Болт
Кол-во
1
?
Узнать цену
310239-П29
Болт-штуцер М10х1.0х40 МАЗ трубки подводящей к ТНВД
Производство:
ПАО Автодизель (ЯМЗ)
Под заказ
494
p
В корзину
21
312482-П34
Шайба
Кол-во
12
?
Узнать цену
312482-П34
Шайба 10.2х14.0х1.5 ЯМЗ крепления трубки топливной медная
Производство:
ПАО Автодизель (ЯМЗ)
Под заказ
91
p
В корзину
22
238Н-1723100
Сапун
Кол-во
1
?
Узнать цену
238Н-1723100
Сапун ЯМЗ КПП воздухораспределителя в сборе
Производство:
ПАО Автодизель (ЯМЗ)
Под заказ
1 014
p
В корзину
23
310043-П29
Болт
Кол-во
1
?
Узнать цену
310043-П29
Болт М6Х28
Производство:
ПАО Автодизель (ЯМЗ)
Под заказ
40
p
В корзину
24
240-1104458
Скоба крепления воздухопроводов
Кол-во
2
?
Узнать цену
240-1104458
Скоба ЯМЗ-240 трубок топливных ТНВД
Производство:
ПАО Автодизель (ЯМЗ)
Под заказ
84
p
В корзину
25
238М-1723081-40
Воздухопровод подвода воздуха
Кол-во
1
?
Оставить заявку
26
240-1104350
Прокладка
Кол-во
1
?
Узнать цену
240-1104350
Прокладка ЯМЗ скобы крепления трубки топливной отводящей от ФТОТ
Производство:
ПАО Автодизель (ЯМЗ)
Под заказ
28
p
В корзину
27
238М-1723082-40
Воздухопровод подвода воздуха
Кол-во
1
?
Оставить заявку
28
238М-1723162-40
Воздухопровод подвода воздуха к клапану
Кол-во
1
?
Узнать цену
238М-1723162-40
Трубка ЯМЗ-238ВМ воздухораспределителя
Производство:
ПАО Автодизель (ЯМЗ)
Под заказ
639
p
В корзину
29
238Н-1723018-Б
Корпус воздухораспределителя
Кол-во
1
?
Узнать цену
238Н-1723018-Б
КОРПУС
Производство:
ПАО Автодизель (ЯМЗ)
Под заказ
2 787
p
В корзину
30
236-1702216
Кольцо уплотнительное
Кол-во
1
?
Оставить заявку
31
238Н-1723092
Корпус впускного клапана
Кол-во
1
?
Узнать цену
238Н-1723092
КОРПУС
Производство:
ПАО Автодизель (ЯМЗ)
Под заказ
1 201
p
В корзину
32
238Н-1723036
Пружина
Кол-во
1
?
Оставить заявку
33
238Н-1723154
Шайба упорная
Кол-во
1
?
Узнать цену
238Н-1723154
Шайба ЯМЗ упорная воздухораспределителя
Производство:
ПАО Автодизель (ЯМЗ)
Под заказ
53
p
В корзину
34
238Н-1723290
Диафрагма толкателя в сборе
Кол-во
1
?
Узнать цену
238Н-1723290
Диафрагма ЯМЗ толкателя воздухораспределителя КПП
Производство:
ПАО Автодизель (ЯМЗ)
Под заказ
75
p
В корзину
35
238Н-1723038
Толкатель
Кол-во
1
?
Узнать цену
238Н-1723038
Толкатель
Производство:
ПАО Автодизель (ЯМЗ)
Под заказ
444
p
В корзину
36
238-1723044
Сухарь блокирующего устройства
Кол-во
2
?
Узнать цену
238-1723044
СУХАРЬ БЛОКИРУЮЩЕГО УСТРОЙСТВА ВОЗДУХОРАСПРЕДЕЛИТЕЛЯ
Производство:
ПАО Автодизель (ЯМЗ)
Под заказ
310
p
В корзину
37
238Н-1723045
Шток
Кол-во
1
?
Узнать цену
238Н-1723045
ШТОК БЛОКИРУЮЩЕГО УСТРОЙСТВА ВОЗДУХОРАСПРЕДЕЛИТЕЛЯ
Производство:
ПАО Автодизель (ЯМЗ)
Под заказ
333
p
В корзину
38
238Н-1723047
Пружина
Кол-во
1
?
Узнать цену
238Н-1723047
ПРУЖИНА ШТОКА
Производство:
ПАО Автодизель (ЯМЗ)
Под заказ
51
p
В корзину
39
238Н-1723048
Прокладка
Кол-во
1
?
Узнать цену
238Н-1723048
Прокладка
Производство:
ПАО Автодизель (ЯМЗ)
Под заказ
3
p
В корзину
40
238Н-1723043
Втулка толкателя центрирующая
Кол-во
1
?
Узнать цену
238Н-1723043
Втулка
Производство:
ПАО Автодизель (ЯМЗ)
Под заказ
1 358
p
В корзину
41
238Н-1723031
Кольцо уплотнительное
Кол-во
2
?
Оставить заявку
42
238Н-1723030
Поршень
Кол-во
2
?
Узнать цену
238Н-1723030
ПОРШЕНЬ
Производство:
ПАО Автодизель (ЯМЗ)
Под заказ
339
p
В корзину
43
238-1723029-Б
Прокладка
Кол-во
2
?
Узнать цену
238-1723029-Б
Прокладка
Производство:
ПАО Автодизель (ЯМЗ)
Под заказ
4
p
В корзину
44
252004-П2
Шайба
Кол-во
8
?
Оставить заявку
Получить консультацию
У нас большой опыт по подбору запчастей, и мы с радостью поможем вам найти нужную деталь, даже если вы не знаете ее артикул
Дмитрий Иванов
Директор отдела продаж
Мобильный номер:
8 (912) 474-74-74
E-mail:
td.uralval@mail.ru
Вы должны включить JavaScript чтобы использовать эту форму.
Ваше имя
Ваш телефон
Комментарий
Я соглашаюсь с
Политикой конфиденциальности
и даю согласие на обработку персональных данных.
Feed me
Отправить