Запчасти для грузовых автомобилей
8-800-555-32-41
Перезвоните мне
Отправить готовую заявку
0
Корзина
Поиск
КАТАЛОГ ПРОДУКЦИИ
Запчасти УРАЛ
Запчасти КамАЗ
Запчасти АМТ
Запчасти ЧТЗ
Запчасти погрузчиков Dalian
Запчасти ЯМЗ
Двигатели ЯМЗ в сборе
Запчасти Shaanxi Fast Gear
Лебедки
Спецпредложения
О компании
Доставка и оплата
Гарантии и сервис
Контакты
Графические каталоги запчастей
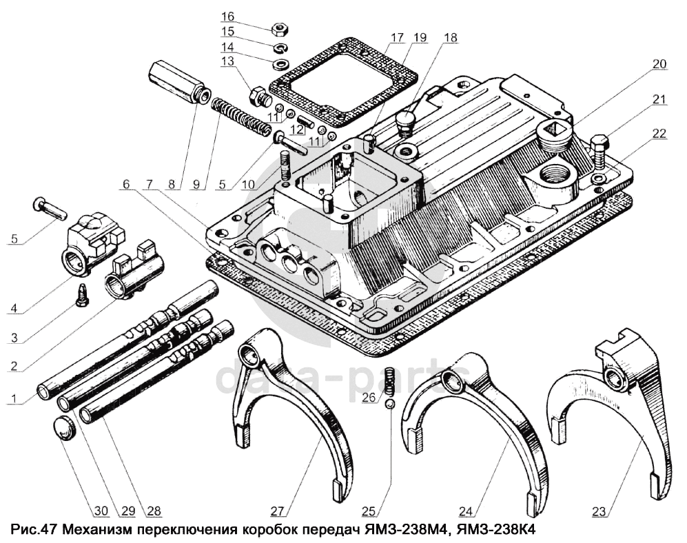
Механизм переключения коробок передач ЯМЗ-238М4, ЯМЗ-238К4 ЯМЗ-238Д и Б
Главная
/
Графические каталоги
/
ЯМЗ
/
ЯМЗ-238Д и Б
/
Механизм переключения коробок передач ЯМЗ-238М4, ЯМЗ-238К4
1
2
3
4
5
5
6
7
8
9
10
11
11
12
13
14
15
16
17
18
19
20
21
22
23
24
25
26
27
28
29
30
%
1
238-1702060
Шток вилки переключения заднего хода
Кол-во
1
?
Узнать цену
238-1702060
Шток ЯМЗ вилки переключения заднего хода
Производство:
ПАО Автодизель (ЯМЗ)
Под заказ
1 925
p
В корзину
2
236-1702028
Головка штока вилки переключения 2-ой и 3-ей передач
Кол-во
1
?
Узнать цену
236-1702028
Головка штока вилки 2-3 передачи КПП МАЗ, УРАЛ, КРАЗ
Производство:
ПАО Автодизель (ЯМЗ)
Под заказ
1 701
p
В корзину
3
236-1702025
Винт установочный
Кол-во
5
?
Узнать цену
236-1702025
Винт ЯМЗ механизма КПП установочный
Производство:
ПАО Автодизель (ЯМЗ)
Под заказ
119
p
В корзину
4
238-1702053
Головка заднего хода штока вилки
Кол-во
1
?
Узнать цену
238-1702053
Головка КПП ЯМЗ штока вилки 1 и задней передачи
Производство:
ПАО Автодизель (ЯМЗ)
Под заказ
2 108
p
В корзину
5
236-1702129
Предохранитель включения 1-ой передачи и заднего хода
Кол-во
2
?
Узнать цену
236-1702129
Предохранитель включения 1-ой передачи заднего хода
Производство:
ПАО Автодизель (ЯМЗ)
Под заказ
121
p
В корзину
6
238-1702014
Прокладка
Кол-во
1
?
Узнать цену
238-1702014
Прокладка ЯМЗ-238 крышки КПП верхняя
Производство:
ПАО Автодизель (ЯМЗ)
Под заказ
648
p
В корзину
7
238-1702015-Б
Крышка верхняя
Кол-во
1
?
Узнать цену
238-1702015-Б
Крышка КПП верхняя МАЗ,КРАЗ на КПП-238ВМ,А,Б
Производство:
ПАО Автодизель (ЯМЗ)
Под заказ
8 366
p
В корзину
8
236-1702132
Стакан пружины
Кол-во
1
?
Узнать цену
236-1702132
Стакан пружины МАЗ,УРАЛ,КрАЗ
Производство:
ПАО Автодизель (ЯМЗ)
Под заказ
385
p
В корзину
9
236-1702127-А
Пружина предохранителя
Кол-во
1
?
Узнать цену
236-1702127-А
ПРУЖИНА ПРЕДОХРАНИТЕЛЯ ВКЛЮЧЕНИЯ ПЕРВОЙ ПЕРЕДАЧИ И ЗАДНЕГО ХОДА
Производство:
ПАО Автодизель (ЯМЗ)
Под заказ
33
p
В корзину
10
216258-П29
Шпилька
Кол-во
4
?
Узнать цену
216258-П29
Шпилька М10 крепления турбокомпрессора ЯМЗ
Производство:
ПАО Автодизель (ЯМЗ)
135 в наличии
81
p
В корзину
11
4691186660
Шарик замка штоков Б 9,525-100
Кол-во
4
?
Оставить заявку
12
236-1702087
Штифт замка штоков вилок
Кол-во
1
?
Узнать цену
236-1702087
Штифт 5х19 замка штоков вилок МАЗ, УРАЛ, КрАЗ цилиндрический
Производство:
ПАО Автодизель (ЯМЗ)
3 в наличии
49
p
В корзину
13
316172-П29
Пробка
Кол-во
1
?
Узнать цену
316172-П29
Пробка М16Х1,5
Производство:
ПАО Автодизель (ЯМЗ)
Под заказ
194
p
В корзину
14
252006-П29
Шайба плоская
Кол-во
4
?
Узнать цену
252006-П29
Шайба 10 отопителя УРАЛ
Производство:
ПАО Автодизель (ЯМЗ)
55 в наличии
5
p
В корзину
252006-П29
Шайба 10 отопителя УРАЛ
Производство:
АЗ Урал
Под заказ
17
p
В корзину
15
252136-П2
Шайба 10 пружинная
Кол-во
4
?
Узнать цену
252136-П2
Шайба 10.2х2.5 пружинная
Производство:
ПАО Автодизель (ЯМЗ)
509 в наличии
11
p
В корзину
16
250513-П29
Гайка
Кол-во
4
?
Узнать цену
250513-П29
Гайка М10х1.0х8 многоцелевая (упаковка 40шт.)
Производство:
ПАО Автодизель (ЯМЗ)
75 в наличии
12
p
В корзину
250513-П29
Гайка М10х1.0х8 многоцелевая (упаковка 40шт.)
Производство:
АЗ Урал
Под заказ
22
p
В корзину
17
236-1702122
Прокладка опоры рычага
Кол-во
1
?
Оставить заявку
18
236-1702170-А
Сапун
Кол-во
1
?
Узнать цену
236-1702170-А
Сапун ЯМЗ крышки КПП механизма переключения
Производство:
ПАО Автодизель (ЯМЗ)
37 в наличии
467
p
В корзину
19
313407-П29
Штифт
Кол-во
2
?
Узнать цену
313407-П29
Штифт 10х25
Производство:
ПАО Автодизель (ЯМЗ)
Под заказ
69
p
В корзину
20
262522-П2
Пробка
Кол-во
1
?
Оставить заявку
21
310013-П29
Болт М10х35
Кол-во
12
?
Оставить заявку
22
252136-П2
Шайба 10 пружинная
Кол-во
0
?
Узнать цену
252136-П2
Шайба 10.2х2.5 пружинная
Производство:
ПАО Автодизель (ЯМЗ)
509 в наличии
11
p
В корзину
23
236-1702027
Вилка переключения 2-ой и 3-ей передач
Кол-во
1
?
Узнать цену
236-1702027
Вилка КПП ЯМЗ 2 3-й передач
Производство:
Россия
Под заказ
цена по запросу
В корзину
236-1702027
Вилка КПП ЯМЗ 2 3-й передач
Производство:
ПАО Автодизель (ЯМЗ)
10 в наличии
2 958
p
В корзину
24
236-1702033
Вилка переключения 4-ой и 5-ой передач
Кол-во
1
?
Узнать цену
236-1702033
Вилка КПП ЯМЗ 4 5-й передач
Производство:
Россия
Под заказ
цена по запросу
В корзину
236-1702033
Вилка КПП ЯМЗ 4 5-й передач
Производство:
ПАО Автодизель (ЯМЗ)
Под заказ
2 773
p
В корзину
25
4691187960
Шарик стопорный Б 12,7-100
Кол-во
3
?
Оставить заявку
26
236-1702106
Пружина
Кол-во
3
?
Узнать цену
236-1702106
Пружина стопорного механизма
Производство:
АО ЯЗДА
Под заказ
62
p
В корзину
27
238-1702050
Вилка переключения заднего хода
Кол-во
1
?
Узнать цену
238-1702050
Вилка КПП ЯМЗ заднего хода
Производство:
ПАО Автодизель (ЯМЗ)
1 в наличии
3 094
p
В корзину
28
238-1702074
Шток вилки переключения 3-ей и 4-ой передач
Кол-во
1
?
Узнать цену
238-1702074
Шток ЯМЗ-238 вилки переключения 3 4 передач
Производство:
ПАО Автодизель (ЯМЗ)
Под заказ
1 010
p
В корзину
29
238-1702064
Шток вилки переключения 1-ой и 2-ой передач
Кол-во
1
?
Узнать цену
238-1702064
ШТОК
Производство:
ПАО Автодизель (ЯМЗ)
Под заказ
2 104
p
В корзину
30
260310-П29
Заглушка 26
Кол-во
3
?
Узнать цену
260310-П29
ЗАГЛУШКА 26.05
Производство:
ПАО Автодизель (ЯМЗ)
Под заказ
29
p
В корзину
Получить консультацию
У нас большой опыт по подбору запчастей, и мы с радостью поможем вам найти нужную деталь, даже если вы не знаете ее артикул
Дмитрий Иванов
Директор отдела продаж
Мобильный номер:
8 (912) 474-74-74
E-mail:
td.uralval@mail.ru
Вы должны включить JavaScript чтобы использовать эту форму.
Ваше имя
Ваш телефон
Комментарий
Я соглашаюсь с
Политикой конфиденциальности
и даю согласие на обработку персональных данных.
Feed me
Отправить