Запчасти для грузовых автомобилей
8-800-555-32-41
Перезвоните мне
Отправить готовую заявку
0
Корзина
Поиск
КАТАЛОГ ПРОДУКЦИИ
Запчасти УРАЛ
Запчасти КамАЗ
Запчасти АМТ
Запчасти ЧТЗ
Запчасти погрузчиков Dalian
Запчасти ЯМЗ
Двигатели ЯМЗ в сборе
Запчасти Shaanxi Fast Gear
Лебедки
Спецпредложения
О компании
Доставка и оплата
Гарантии и сервис
Контакты
Графические каталоги запчастей
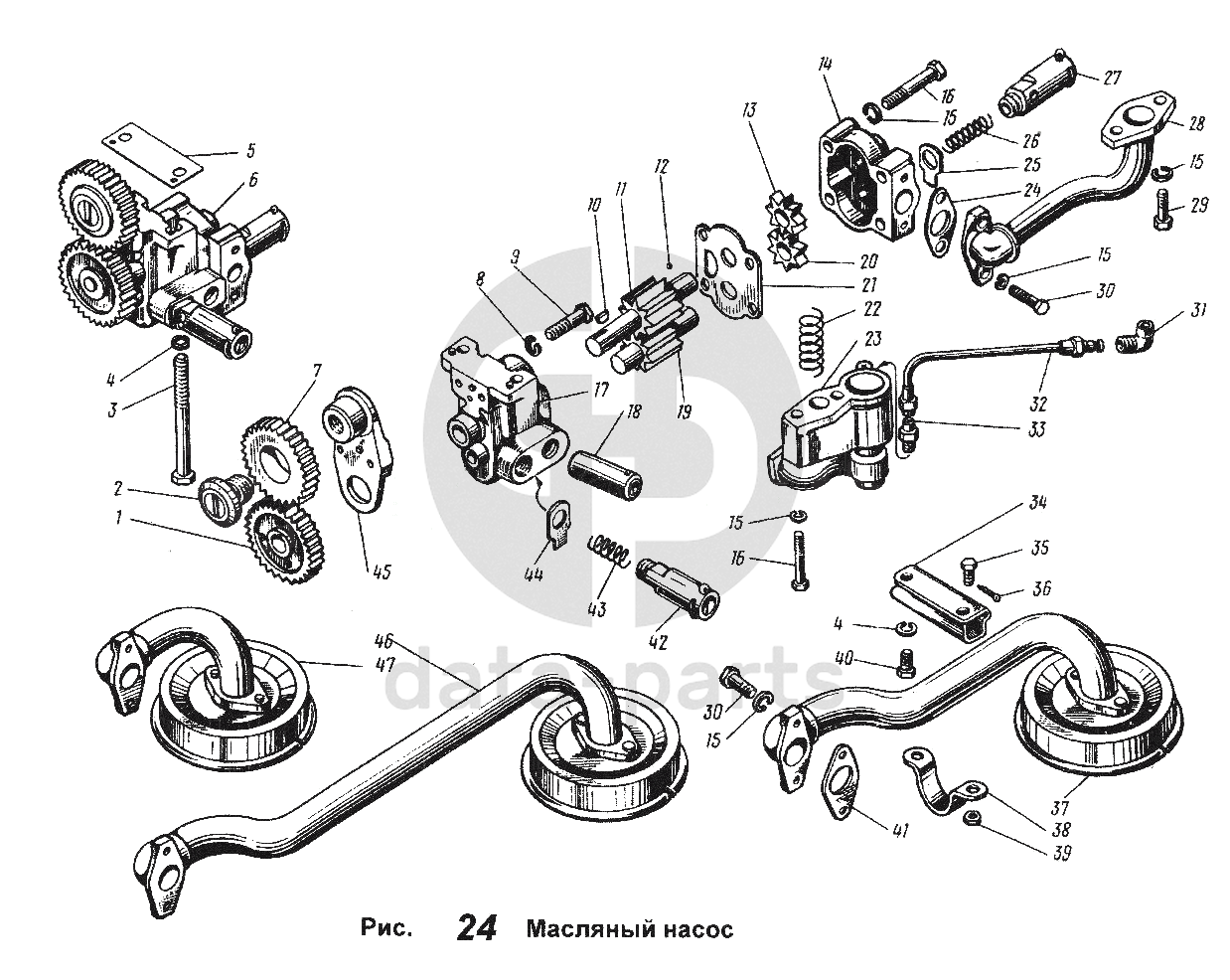
Масляный насос ЯМЗ-238 ГМ
Главная
/
Графические каталоги
/
ЯМЗ
/
ЯМЗ-238 ГМ
/
Масляный насос
1
2
3
4
4
5
6
7
8
9
10
11
12
13
14
15
15
15
15
15
16
16
17
18
19
20
21
22
23
24
25
26
27
28
29
30
30
31
32
33
34
35
36
37
38
39
40
41
42
43
44
45
46
47
%
1
236-1011230-А
Шестерня ведомая
Кол-во
1
?
Оставить заявку
2
236-1011217-В2
Фланец упорный
Кол-во
1
?
Узнать цену
236-1011217-В2
ФЛАНЕЦ УПОРНЫЙ
Производство:
ПАО Автодизель (ЯМЗ)
Под заказ
593
p
В корзину
3
310254-П2
Болт
Кол-во
2
?
Узнать цену
310254-П2
Болт М10х115 ЯМЗ насоса масляного
Производство:
ПАО Автодизель (ЯМЗ)
26 в наличии
183
p
В корзину
4
252136-П2
Шайба 10 пружинная
Кол-во
2
?
Узнать цену
252136-П2
Шайба 10.2х2.5 пружинная
Производство:
ПАО Автодизель (ЯМЗ)
509 в наличии
11
p
В корзину
5
236-1011380
Прокладка регулировочная
Кол-во
2
?
Узнать цену
236-1011380
Прокладка МАЗ регулировочная насоса масляного
Производство:
ПАО Автодизель (ЯМЗ)
69 в наличии
59
p
В корзину
6
236-1011014-В3
Насос масляный в сборе
Кол-во
1
?
Узнать цену
236-1011014-В3
Насос масляный ЯМЗ С/О
Производство:
Россия
Под заказ
цена по запросу
В корзину
236-1011014-В3
Насос масляный ЯМЗ С/О
Производство:
ПАО Автодизель (ЯМЗ)
Под заказ
17 518
p
В корзину
7
236-1011202-А
Шестерня промежуточная привода
Кол-во
1
?
Узнать цену
236-1011202-А
ШЕСТЕРНЯ ПРОМЕЖУТОЧНАЯ ПРИВОДА МАСЛЯНОГО НАСОСА
Производство:
ПАО Автодизель (ЯМЗ)
Под заказ
2 698
p
В корзину
8
252137-П2
Шайба пружинная
Кол-во
2
?
Узнать цену
252137-П2
Шайба 12 пружинная 12,2х20,5х4,0
Производство:
ПАО Автодизель (ЯМЗ)
276 в наличии
15
p
В корзину
9
310156-П2
Болт
Кол-во
2
?
Узнать цену
310156-П2
Болт М12 КЛ2Х54
Производство:
ПАО Автодизель (ЯМЗ)
Под заказ
143
p
В корзину
10
314005-П2
Шпонка
Кол-во
1
?
Оставить заявку
11
236-1011040-Б
Шестерня ведущая нагнетающей секции в сборе
Кол-во
1
?
Оставить заявку
12
201-1015434
Шарик стопорный
Кол-во
1
?
Оставить заявку
13
236-1011100
Шестерня ведущая радиаторной секции
Кол-во
1
?
Оставить заявку
14
236-1011019-В
Корпус радиаторной секции
Кол-во
1
?
Оставить заявку
15
252135-В
Шайба
Кол-во
12
?
Оставить заявку
16
200270-П2
Болт М8х55
Кол-во
6
?
Оставить заявку
17
236-1011015-Г
Корпус нагнетающей секции
Кол-во
1
?
Оставить заявку
18
236-1011352-В
Трубка нагнетающей секции отводящая
Кол-во
1
?
Узнать цену
236-1011352-В
Трубка отводящая масляного насоса ЯМЗ-236,238
Производство:
ПАО Автодизель (ЯМЗ)
4 в наличии
211
p
В корзину
19
236-1011030-Б
Шестерня ведомая нагнетающей секции в сборе
Кол-во
1
?
Оставить заявку
20
236-1011114
Шестерня ведомая радиаторной секции
Кол-во
1
?
Оставить заявку
21
236-1011049
Проставка
Кол-во
1
?
Оставить заявку
22
240-1011057
Пружина клапана дифференциального
Кол-во
1
?
Оставить заявку
23
236-1011056-А
Клапан дифференциальный в сборе
Кол-во
1
?
Узнать цену
236-1011056-А
Клапан ЯМЗ насоса масляного дифференциальный
Производство:
ПАО Автодизель (ЯМЗ)
2 в наличии
2 726
p
В корзину
24
236-1011358-А
Прокладка фланца
Кол-во
2
?
Узнать цену
236-1011358-А
Прокладка ЯМЗ трубки насоса масляного
Производство:
ПАО Автодизель (ЯМЗ)
Под заказ
9
p
В корзину
25
312559-П2
Шайба замковая
Кол-во
1
?
Узнать цену
312559-П2
Шайба 22
Производство:
ПАО Автодизель (ЯМЗ)
Под заказ
11
p
В корзину
26
236-1011368-Б
Пружина предохранительного клапана
Кол-во
1
?
Оставить заявку
27
236-1011363-Б
Клапан предохранительный радиаторной секции
Кол-во
1
?
Оставить заявку
28
236-1011420-В
Трубка радиаторной секции отводящая
Кол-во
1
?
Узнать цену
236-1011420-В
Трубка ЯМЗ радиаторной секции отводящая
Производство:
ПАО Автодизель (ЯМЗ)
8 в наличии
1 072
p
В корзину
29
201457-П2
Болт М8х22
Кол-во
2
?
Оставить заявку
30
201458-П29
Болт М8х25
Кол-во
4
?
Узнать цену
201458-П29
Болт М8х1.25х25 многоцелевой (упаковка 50шт.)
Производство:
ПАО Автодизель (ЯМЗ)
90 в наличии
15
p
В корзину
201458-П29
Болт М8х1.25х25 многоцелевой (упаковка 50шт.)
Производство:
АЗ Урал
Под заказ
10
p
В корзину
31
314537-П
Угольник
Кол-во
1
?
Узнать цену
314537-П
Угольник
Производство:
ПАО Автодизель (ЯМЗ)
4 в наличии
421
p
В корзину
32
236-1011098-Б3
Трубка дифференциального клапана подводящая
Кол-во
1
?
Узнать цену
236-1011098-Б3
Трубка ЯМЗ клапана дифференциала подводящая
Производство:
ПАО Автодизель (ЯМЗ)
Под заказ
763
p
В корзину
33
314612-П29
Штуцер
Кол-во
1
?
Узнать цену
314612-П29
Штуцер 1-10
Производство:
ПАО Автодизель (ЯМЗ)
Под заказ
99
p
В корзину
34
236-1011320
Кронштейн крепления всасывающей трубы
Кол-во
1
?
Узнать цену
236-1011320
Кронштейн масляного насоса
Производство:
ПАО Автодизель (ЯМЗ)
Под заказ
205
p
В корзину
35
310248-П2
Болт М8х1-6gх18
Кол-во
2
?
Узнать цену
310248-П2
Болт М8Х1Х18
Производство:
ПАО Автодизель (ЯМЗ)
31 в наличии
71
p
В корзину
36
258013-П29
Шплинт
Кол-во
2
?
Узнать цену
258013-П29
Шплинт 2х16
Производство:
АЗ Урал
Под заказ
12
p
В корзину
258013-П29
Шплинт 2х16
Производство:
ПАО Автодизель (ЯМЗ)
Под заказ
33
p
В корзину
37
236-1011398-Г
Трубка всасываюшая с заборником в сборе
Кол-во
1
?
Узнать цену
236-1011398-Г
Маслоприемник ЯМЗ-236БЕ НЕ 7601.10
Производство:
ПАО Автодизель (ЯМЗ)
Под заказ
2 086
p
В корзину
38
236-1011322
Скоба
Кол-во
1
?
Узнать цену
236-1011322
Скоба ЯМЗ крепления трубы всасывающей насоса масляного
Производство:
ПАО Автодизель (ЯМЗ)
Под заказ
51
p
В корзину
39
250975-П2
Гайка
Кол-во
2
?
Узнать цену
250975-П2
ГАЙКА
Производство:
ПАО Автодизель (ЯМЗ)
Под заказ
83
p
В корзину
40
201495-П2
Болт
Кол-во
2
?
Оставить заявку
41
236-1011296
Прокладка переднего фланца
Кол-во
1
?
Узнать цену
236-1011296
Прокладка ЯМЗ насоса масляного
Производство:
ПАО Автодизель (ЯМЗ)
Под заказ
22
p
В корзину
42
236-1011048-Б
Клапан нагнетающей секции редукционный в сборе
Кол-во
1
?
Узнать цену
236-1011048-Б
Клапан ЯМЗ нагнетательный насоса масляного
Производство:
ПАО Автодизель (ЯМЗ)
Под заказ
2 602
p
В корзину
43
236-1011058-Б
Пружина клапана
Кол-во
1
?
Узнать цену
236-1011058-Б
Пружина
Производство:
АО ЯЗДА
Под заказ
131
p
В корзину
44
312571-П2
Шайба замковая
Кол-во
1
?
Оставить заявку
45
236-1011208-В
Ось промежуточной шестерни
Кол-во
1
?
Узнать цену
236-1011208-В
Ось шестерни
Производство:
ПАО Автодизель (ЯМЗ)
Под заказ
1 494
p
В корзину
46
238-1011398-В
Труба всасывающая с заборником в сборе
Кол-во
0
?
Оставить заявку
47
236-1011399-В
Трубка всасывающая с заборником
Кол-во
1
?
Узнать цену
236-1011399-В
Труба
Производство:
ПАО Автодизель (ЯМЗ)
Под заказ
1 930
p
В корзину
Получить консультацию
У нас большой опыт по подбору запчастей, и мы с радостью поможем вам найти нужную деталь, даже если вы не знаете ее артикул
Дмитрий Иванов
Директор отдела продаж
Мобильный номер:
8 (912) 474-74-74
E-mail:
td.uralval@mail.ru
Вы должны включить JavaScript чтобы использовать эту форму.
Ваше имя
Ваш телефон
Комментарий
Я соглашаюсь с
Политикой конфиденциальности
и даю согласие на обработку персональных данных.
Feed me
Отправить