Запчасти для грузовых автомобилей
8-800-555-32-41
Перезвоните мне
Отправить готовую заявку
0
Корзина
Поиск
КАТАЛОГ ПРОДУКЦИИ
Запчасти УРАЛ
Запчасти КамАЗ
Запчасти АМТ
Запчасти ЧТЗ
Запчасти погрузчиков Dalian
Запчасти ЯМЗ
Двигатели ЯМЗ в сборе
Запчасти Shaanxi Fast Gear
Лебедки
Спецпредложения
О компании
Доставка и оплата
Гарантии и сервис
Контакты
Графические каталоги запчастей
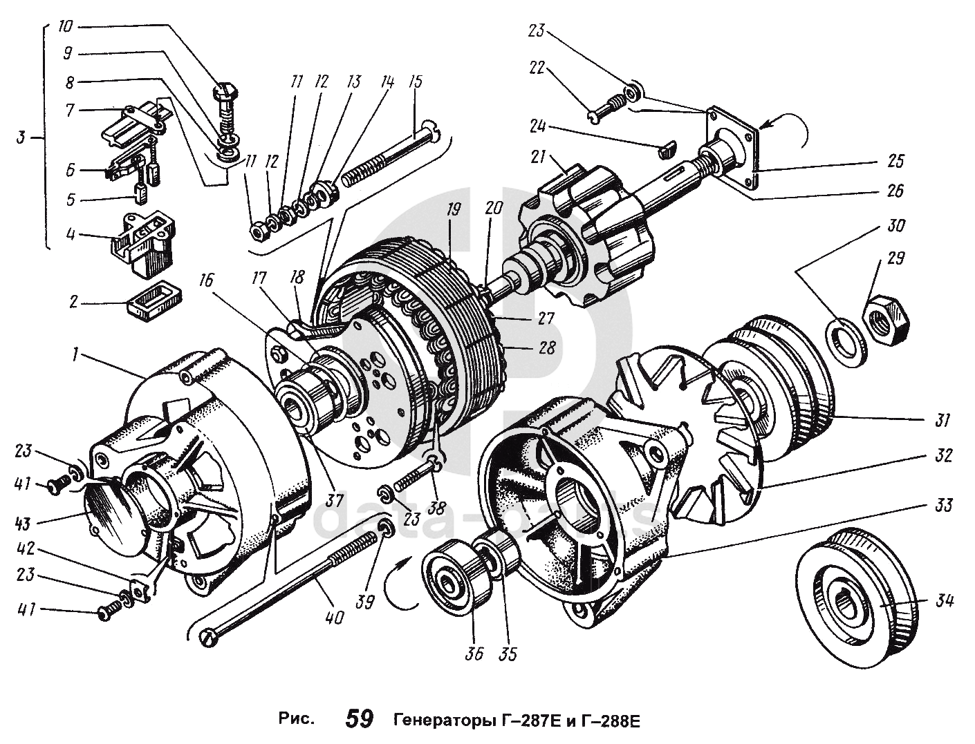
Генераторы Г-287Е и Г-288Е ЯМЗ-238 АМ
Главная
/
Графические каталоги
/
ЯМЗ
/
ЯМЗ-238 АМ
/
Генераторы Г-287Е и Г-288Е
1
2
3
4
5
6
7
8
9
10
11
11
12
12
13
14
15
16
17
18
19
20
21
22
23
23
23
23
24
25
26
27
28
29
30
31
32
33
34
35
36
37
38
39
40
41
41
42
43
%
1
Г287-3701301
Крышка со стороны контактных колец
Кол-во
0
?
Оставить заявку
2
Г287-3701307
Прокладка уплотнительная
Кол-во
0
?
Оставить заявку
3
Г272-3701010-01
Щеткодержатель в сборе
Кол-во
0
?
Оставить заявку
4
Г272-3701011
Щеткодержатель
Кол-во
0
?
Оставить заявку
5
Г272-3701020-А
Щетка в сборе
Кол-во
0
?
Оставить заявку
6
Г272-3701030-А
Щетка в сборе
Кол-во
0
?
Оставить заявку
7
Г272-3701012-А
Крышка щеткодержателя
Кол-во
0
?
Оставить заявку
8
8Х-1497-А
Шайба
Кол-во
0
?
Оставить заявку
9
М11-41081
Шайба пружинная
Кол-во
0
?
Оставить заявку
10
Г250Е1-3701016
Болт
Кол-во
0
?
Оставить заявку
11
8Х-1537М
Гайка
Кол-во
0
?
Оставить заявку
12
МХ-0246-01
Шайба 8 пружинная
Кол-во
0
?
Оставить заявку
13
1МЮ-37
Шайба
Кол-во
0
?
Оставить заявку
14
Г287-3701319
Втулка изоляционная
Кол-во
0
?
Оставить заявку
15
НО-0801-10
Болт контактный
Кол-во
0
?
Оставить заявку
16
Г287-3701305-А
Кольцо уплотнительное контактное
Кол-во
0
?
Оставить заявку
17
Г21-3701005
Чашка ротора
Кол-во
0
?
Оставить заявку
18
БПВ7-100-02
Блок выпрямительный
Кол-во
0
?
Оставить заявку
19
Г288-3701100-А
Статор
Кол-во
0
?
Оставить заявку
20
Г210-3701202
Кольцо разрезное
Кол-во
0
?
Оставить заявку
21
Г288-3701200
Ротор
Кол-во
0
?
Оставить заявку
22
7Х-4066
Винт
Кол-во
0
?
Оставить заявку
23
Х-4001-01
Шайба пружинная
Кол-во
0
?
Оставить заявку
24
15Х-4148
Шпонка
Кол-во
0
?
Оставить заявку
25
Г287-3701405
Шайба специальная
Кол-во
0
?
Оставить заявку
26
Г287-3701053
Втулка распорная
Кол-во
0
?
Оставить заявку
27
Г288-3701130
Фаза статора
Кол-во
0
?
Оставить заявку
28
Г288-3701132
Фаза статора
Кол-во
0
?
Оставить заявку
29
МХ-0235-01
Гайка
Кол-во
0
?
Оставить заявку
30
Г287-3701074
Шайба
Кол-во
0
?
Оставить заявку
31
Г288-3701051
Шкив генератора Г-288Е
Кол-во
0
?
Оставить заявку
32
Г287-3701055
Вентилятор
Кол-во
0
?
Оставить заявку
33
Г287-3701400
Крышка со стороны привода в сборе
Кол-во
0
?
Оставить заявку
34
Г288А-3701051
Шкив генератора Г-287Е
Кол-во
0
?
Оставить заявку
35
Г287-3701054
Втулка
Кол-во
0
?
Оставить заявку
36
6-1180304К1С9
Подшипник шариковый радиальный однорядный с двусторонним уплотнением 20х52х18
Кол-во
0
?
Оставить заявку
37
6-180603К1С9
Подшипник шариковый радиальный однорядный с двусторонним уплотнением 20х52х18
Кол-во
0
?
Оставить заявку
38
МХ-0139
Винт
Кол-во
0
?
Оставить заявку
39
Х-1482-01
Шайба пружинная
Кол-во
0
?
Оставить заявку
40
НО-0102
Винт М6
Кол-во
0
?
Оставить заявку
41
Х-4237-01
Винт М5
Кол-во
0
?
Оставить заявку
42
Г250-3701053-А1
Скоба
Кол-во
0
?
Оставить заявку
43
Г287-3701060
Крышка
Кол-во
0
?
Оставить заявку
Получить консультацию
У нас большой опыт по подбору запчастей, и мы с радостью поможем вам найти нужную деталь, даже если вы не знаете ее артикул
Дмитрий Иванов
Директор отдела продаж
Мобильный номер:
8 (912) 474-74-74
E-mail:
td.uralval@mail.ru
Вы должны включить JavaScript чтобы использовать эту форму.
Ваше имя
Ваш телефон
Комментарий
Я соглашаюсь с
Политикой конфиденциальности
и даю согласие на обработку персональных данных.
Feed me
Отправить