Запчасти для грузовых автомобилей
8-800-555-32-41
Перезвоните мне
Отправить готовую заявку
0
Корзина
Поиск
КАТАЛОГ ПРОДУКЦИИ
Запчасти УРАЛ
Запчасти КамАЗ
Запчасти АМТ
Запчасти ЧТЗ
Запчасти погрузчиков Dalian
Запчасти ЯМЗ
Двигатели ЯМЗ в сборе
Запчасти Shaanxi Fast Gear
Лебедки
Спецпредложения
О компании
Доставка и оплата
Гарантии и сервис
Контакты
Графические каталоги запчастей
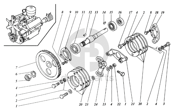
Привод топливного насоса высокого давления ЯМЗ-238 АК
Главная
/
Графические каталоги
/
ЯМЗ
/
ЯМЗ-238 АК
/
Привод топливного насоса высокого давления
1
1
2
2
2
3
3
4
4
4
4
5
6
7
8
8
9
10
11
12
13
14
15
16
17
18
19
20
20
21
22
23
23
24
%
1
240-1029284-Б
Болт
Кол-во
3
?
Узнать цену
240-1029284-Б
Болт крепления пластин привода ТНВД (М10*1,25*30)
Производство:
Россия
Под заказ
цена по запросу
В корзину
2
252006-П29
Шайба плоская
Кол-во
6
?
Узнать цену
252006-П29
Шайба 10 отопителя УРАЛ
Производство:
ПАО Автодизель (ЯМЗ)
55 в наличии
5
p
В корзину
252006-П29
Шайба 10 отопителя УРАЛ
Производство:
АЗ Урал
Под заказ
17
p
В корзину
3
310003-П29
Болт
Кол-во
4
?
Оставить заявку
4
252156-П2
Шайба пружинная
Кол-во
6
?
Узнать цену
252156-П2
ШАЙБА 10,1
Производство:
ПАО Автодизель (ЯМЗ)
2147 в наличии
3
p
В корзину
5
250661-П2
Гайка
Кол-во
1
?
Узнать цену
250661-П2
Гайка М24х2 ЯМЗ привода ТНВД
Производство:
ПАО Автодизель (ЯМЗ)
51 в наличии
286
p
В корзину
6
312510-П2
Шайба стопорная
Кол-во
1
?
Оставить заявку
7
236-1029122
Шестерня ведомая
Кол-во
1
?
Узнать цену
236-1029122
Шестерня привода ТНВД ведомая
Производство:
Россия
Под заказ
цена по запросу
В корзину
8
201455-П29
Болт
Кол-во
7
?
Узнать цену
201455-П29
Болт М8х1.25х18 ГАЗ УАЗ дв.ЗМЗ многоцелевой
Производство:
АЗ Урал
Под заказ
8
p
В корзину
9
312532-П15
Шайба стопорная
Кол-во
3
?
Оставить заявку
10
236-1308107
Фланец упорный
Кол-во
1
?
Оставить заявку
11
46 1213 3868
Подшипник 305А
Кол-во
1
?
Оставить заявку
12
314008-П2
Шпонка
Кол-во
1
?
Оставить заявку
13
236-1029154-Б
Вал привода
Кол-во
1
?
Оставить заявку
14
314042-П2
Шпонка сегментная
Кол-во
1
?
Оставить заявку
15
461-2121626
Подшипник 6-205К
Кол-во
1
?
Оставить заявку
16
236-1029240
Манжета в сборе
Кол-во
1
?
Узнать цену
236-1029240
Сальник ЯМЗ вала привода ТНВД 2.2-24х46х10
Производство:
ПАО Автодизель (ЯМЗ)
Под заказ
149
p
В корзину
17
310055-П29
Болт
Кол-во
2
?
Оставить заявку
18
252135-П2
Шайба пружинная
Кол-во
4
?
Узнать цену
252135-П2
Шайба 8х2.5 ЯМЗ заглушки блока цилиндров
Производство:
ПАО Автодизель (ЯМЗ)
495 в наличии
3
p
В корзину
19
236-1029286
Полумуфта ведомая
Кол-во
1
?
Оставить заявку
20
236-1029274
Пластина
Кол-во
8
?
Узнать цену
236-1029274
Пластина ЯМЗ-236 238 привода ТНВД
Производство:
ПАО Автодизель (ЯМЗ)
5 в наличии
168
p
В корзину
21
236-1029268-В
Полумуфта ведущая
Кол-во
1
?
Оставить заявку
22
250513-П29
Гайка
Кол-во
2
?
Узнать цену
250513-П29
Гайка М10х1.0х8 многоцелевая (упаковка 40шт.)
Производство:
ПАО Автодизель (ЯМЗ)
75 в наличии
12
p
В корзину
250513-П29
Гайка М10х1.0х8 многоцелевая (упаковка 40шт.)
Производство:
АЗ Урал
Под заказ
22
p
В корзину
23
312681-П29
Шайба
Кол-во
4
?
Оставить заявку
24
236-1029264-В
Фланец полумуфты
Кол-во
1
?
Оставить заявку
Получить консультацию
У нас большой опыт по подбору запчастей, и мы с радостью поможем вам найти нужную деталь, даже если вы не знаете ее артикул
Дмитрий Иванов
Директор отдела продаж
Мобильный номер:
8 (912) 474-74-74
E-mail:
td.uralval@mail.ru
Вы должны включить JavaScript чтобы использовать эту форму.
Ваше имя
Ваш телефон
Комментарий
Я соглашаюсь с
Политикой конфиденциальности
и даю согласие на обработку персональных данных.
Feed me
Отправить