Запчасти для грузовых автомобилей
8-800-555-32-41
Перезвоните мне
Отправить готовую заявку
0
Корзина
Поиск
КАТАЛОГ ПРОДУКЦИИ
Запчасти УРАЛ
Запчасти КамАЗ
Запчасти АМТ
Запчасти ЧТЗ
Запчасти погрузчиков Dalian
Запчасти ЯМЗ
Двигатели ЯМЗ в сборе
Запчасти Shaanxi Fast Gear
Лебедки
Спецпредложения
О компании
Доставка и оплата
Гарантии и сервис
Контакты
Графические каталоги запчастей
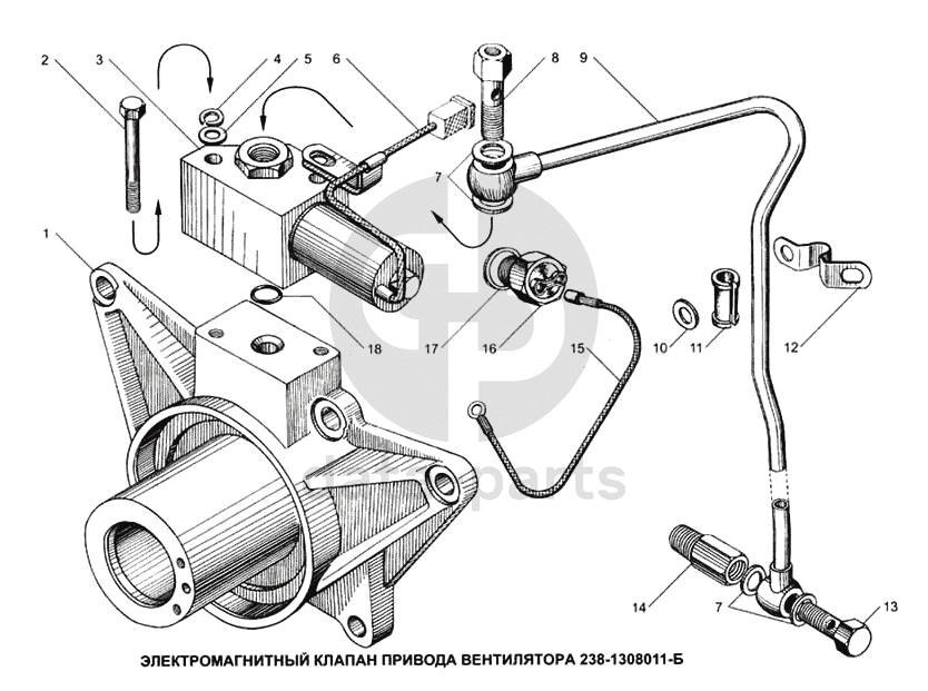
Электромагнитный клапан вентилятора 238-1308011-Б ЯМЗ-236 НЕ, 236 БЕ, 7601.10
Главная
/
Графические каталоги
/
ЯМЗ
/
ЯМЗ-236 НЕ, 236 БЕ, 7601.10
/
Электромагнитный клапан вентилятора 238-1308011-Б
1
2
3
4
5
6
7
7
8
9
10
11
12
13
14
15
16
17
18
%
1
238-1308101-Б
Корпус привода со штифтом в сборе
Кол-во
1
?
Оставить заявку
2
200270-П2
Болт М8х55
Кол-во
2
?
Оставить заявку
3
Клапан электромагнитный КЭМ 32-20
Клапан электромагнитный КЭМ 32-20
Кол-во
1
?
Оставить заявку
4
252135-П2
Шайба пружинная
Кол-во
2
?
Узнать цену
252135-П2
Шайба 8х2.5 ЯМЗ заглушки блока цилиндров
Производство:
ПАО Автодизель (ЯМЗ)
495 в наличии
3
p
В корзину
5
252005-П29
Шайба плоская
Кол-во
2
?
Узнать цену
252005-П29
Шайба ЯМЗ-534 компрессора 8.01.016
Производство:
ПАО Автодизель (ЯМЗ)
106 в наличии
9
p
В корзину
252005-П29
Шайба ЯМЗ-534 компрессора 8.01.016
Производство:
АЗ Урал
Под заказ
13
p
В корзину
6
315455-П29
Кляммер
Кол-во
1
?
Узнать цену
315455-П29
Кляммер
Производство:
ПАО Автодизель (ЯМЗ)
Под заказ
24
p
В корзину
7
312326-П34
Шайба уплотнительная
Кол-во
4
?
Узнать цену
312326-П34
Шайба 14.2х19.0х1.2 ЯМЗ медная (плоская)
Производство:
ПАО Автодизель (ЯМЗ)
232 в наличии
99
p
В корзину
8
310095-П29
Болт
Кол-во
1
?
Узнать цену
310095-П29
Болт ЯМЗ клапана электромагнитного М14
Производство:
ПАО Автодизель (ЯМЗ)
24 в наличии
213
p
В корзину
9
7511.1308754-20
Трубка в сборе
Кол-во
1
?
Оставить заявку
10
252006-П2
Шайба
Кол-во
1
?
Оставить заявку
11
240Б-1318124
Прокладка трубки
Кол-во
1
?
Узнать цену
240Б-1318124
Прокладка
Производство:
ПАО Автодизель (ЯМЗ)
5 в наличии
22
p
В корзину
12
236-1308097
Кляммер
Кол-во
1
?
Оставить заявку
13
310096-П29
Болт
Кол-во
1
?
Узнать цену
310096-П29
Болт-штуцер М14х1.5 МАЗ трубок топливных на ТНВД
Производство:
ПАО Автодизель (ЯМЗ)
Под заказ
199
p
В корзину
14
314681-П29
Штуцер
Кол-во
1
?
Узнать цену
314681-П29
Штуцер ЯМЗ трубки ТКР К1/4
Производство:
ПАО Автодизель (ЯМЗ)
38 в наличии
164
p
В корзину
15
Провод КЭМ 32.160-01
Провод КЭМ 32.160-01
Кол-во
1
?
Оставить заявку
16
4573733019
Термореле включения вентилятора 661.3710-01
Кол-во
1
?
Оставить заявку
17
312382-П
Шайба уплотнительная
Кол-во
1
?
Оставить заявку
18
Кольцо 010-014-25-2-1
Кольцо 010-014-25-2-1
Кол-во
1
?
Оставить заявку
Получить консультацию
У нас большой опыт по подбору запчастей, и мы с радостью поможем вам найти нужную деталь, даже если вы не знаете ее артикул
Дмитрий Иванов
Директор отдела продаж
Мобильный номер:
8 (912) 474-74-74
E-mail:
td.uralval@mail.ru
Вы должны включить JavaScript чтобы использовать эту форму.
Ваше имя
Ваш телефон
Комментарий
Я соглашаюсь с
Политикой конфиденциальности
и даю согласие на обработку персональных данных.
Feed me
Отправить