Запчасти для грузовых автомобилей
8-800-555-32-41
Перезвоните мне
Отправить готовую заявку
0
Корзина
Поиск
КАТАЛОГ ПРОДУКЦИИ
Запчасти УРАЛ
Запчасти КамАЗ
Запчасти АМТ
Запчасти ЧТЗ
Запчасти погрузчиков Dalian
Запчасти ЯМЗ
Двигатели ЯМЗ в сборе
Запчасти Shaanxi Fast Gear
Лебедки
Спецпредложения
О компании
Доставка и оплата
Гарантии и сервис
Контакты
Графические каталоги запчастей
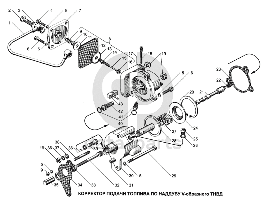
Корректор подачи топлива по наддуву V-образного ТНВД ЯМЗ-236 НЕ, 236 БЕ, 7601.10
Главная
/
Графические каталоги
/
ЯМЗ
/
ЯМЗ-236 НЕ, 236 БЕ, 7601.10
/
Корректор подачи топлива по наддуву V-образного ТНВД
1
2
3
4
5
5
5
5
5
6
6
7
8
9
9
10
11
12
13
14
15
16
17
18
19
19
20
21
22
23
24
25
26
27
28
29
30
31
32
33
34
35
36
36
37
38
39
40
41
42
43
%
1
236БЕ-1111430
Трубка подвода воздуха к корректору по наддуву
Кол-во
0
?
Оставить заявку
2
310122-П29
Болт М10х1х22
Кол-во
0
?
Узнать цену
310122-П29
Болт-штуцер М10х1.0х21 МАЗ крепления трубки дренажной к ТНВД
Производство:
Россия
Под заказ
цена по запросу
В корзину
310122-П29
Болт-штуцер М10х1.0х21 МАЗ крепления трубки дренажной к ТНВД
Производство:
ПАО Автодизель (ЯМЗ)
Под заказ
148
p
В корзину
3
312482-П34
Шайба
Кол-во
0
?
Узнать цену
312482-П34
Шайба 10.2х14.0х1.5 ЯМЗ крепления трубки топливной медная
Производство:
ПАО Автодизель (ЯМЗ)
Под заказ
91
p
В корзину
4
870003-П29
Болт М6х20
Кол-во
0
?
Узнать цену
870003-П29
Болт
Производство:
АО ЯЗДА
Под заказ
197
p
В корзину
5
1/11977/71
Шайба 06
Кол-во
0
?
Узнать цену
1/11977/71
Шайба
Производство:
АО ЯЗДА
Под заказ
13
p
В корзину
6
1/09024/21
Болт М6х20
Кол-во
0
?
Оставить заявку
7
333.1110704-20
Крышка мембраны
Кол-во
0
?
Оставить заявку
8
333.1110750
Мембрана со штоком в сборе
Кол-во
0
?
Оставить заявку
9
1/58962/11
Гайка М6
Кол-во
0
?
Узнать цену
1/58962/11
Гайка М6Х1 Камаз
Производство:
АО ЯЗДА
Под заказ
13
p
В корзину
10
1/26397/01
Шайба 6х11
Кол-во
0
?
Узнать цену
1/26397/01
Шайба
Производство:
АО ЯЗДА
Под заказ
8
p
В корзину
11
312325-П15
Шайба
Кол-во
0
?
Оставить заявку
12
333.1110755
Мембрана
Кол-во
0
?
Узнать цену
333.1110755
Мембрана ТНВД Камаз аналог 421.1110878
Производство:
АО ЯЗДА
36 в наличии
162
p
В корзину
13
333.1110756
Тарелка
Кол-во
0
?
Узнать цену
333.1110756
Тарелка
Производство:
АО ЯЗДА
Под заказ
170
p
В корзину
14
333.1110757
Втулка штока
Кол-во
0
?
Узнать цену
333.1110757
Втулка штока
Производство:
АО ЯЗДА
Под заказ
672
p
В корзину
15
333.1110754
Шток
Кол-во
0
?
Оставить заявку
16
320-24004
Гайка М3
Кол-во
0
?
Оставить заявку
17
333.1110732-31
Корпус мембраны
Кол-во
0
?
Узнать цену
333.1110732-31
Корпус мембраны
Производство:
АО ЯЗДА
Под заказ
2 771
p
В корзину
18
333.1110733
Винт направляющий
Кол-во
0
?
Узнать цену
333.1110733
Винт
Производство:
АО ЯЗДА
Под заказ
209
p
В корзину
19
1/61008/11
Гайка М8
Кол-во
0
?
Оставить заявку
20
333.1110719
Кольцо пружинное
Кол-во
0
?
Узнать цену
333.1110719
Кольцо пружинное
Производство:
АО ЯЗДА
Под заказ
191
p
В корзину
21
333.1110720-20
Золотник корректора в сборе
Кол-во
0
?
Узнать цену
333.1110720-20
Золотник
Производство:
АО ЯЗДА
Под заказ
1 864
p
В корзину
22
333.1110706-21
Пружина корректора
Кол-во
0
?
Оставить заявку
23
333.1110708
Прокладка корпуса мембраны
Кол-во
0
?
Узнать цену
333.1110708
Прокладка корпуса мембраны корректора (ПМБ 0,6мм)
Производство:
АО ЯЗДА
Под заказ
119
p
В корзину
24
333.1110716
Тарелка пружины
Кол-во
0
?
Оставить заявку
25
333.1110312
Ввертыш с фильтром в сборе
Кол-во
0
?
Узнать цену
333.1110312
Ввертыш
Производство:
АО ЯЗДА
Под заказ
267
p
В корзину
26
320-29001
Шайба 14х19х1,0
Кол-во
0
?
Оставить заявку
27
333.1110715
Пружина поршня
Кол-во
0
?
Оставить заявку
28
333.1110714-30
Поршень корректора
Кол-во
0
?
Узнать цену
333.1110714-30
Поршень корректора
Производство:
АО ЯЗДА
Под заказ
3 988
p
В корзину
29
1/03780/11
Винт М6х70
Кол-во
0
?
Оставить заявку
30
333.1110712-20
Корпус корректора
Кол-во
0
?
Узнать цену
333.1110712-20
Корпус корректора
Производство:
АО ЯЗДА
Под заказ
3 714
p
В корзину
31
333.1110718
Трубка центрирующая
Кол-во
0
?
Оставить заявку
32
333.1110717
Шпилька
Кол-во
0
?
Оставить заявку
33
870505-П29
Гайка М10х1
Кол-во
0
?
Оставить заявку
34
333.1110984
Прокладка корректора
Кол-во
0
?
Узнать цену
333.1110984
Прокладка КАМАЗ корректора ТНВД
Производство:
АО ЯЗДА
Под заказ
190
p
В корзину
35
333.1110707-30
Наконечник шпильки
Кол-во
0
?
Оставить заявку
36
1/05166/77
Шайба 08
Кол-во
0
?
Узнать цену
1/05166/77
Шайба
Производство:
АО ЯЗДА
Под заказ
38
p
В корзину
37
1/05196/01
Шайба 8х17
Кол-во
0
?
Узнать цену
1/05196/01
Шайба 8*17 1/05196
Производство:
АО ЯЗДА
Под заказ
18
p
В корзину
38
320-88229
Шпилька М8х30
Кол-во
0
?
Оставить заявку
39
320-88145
Винт М8х20
Кол-во
0
?
Оставить заявку
40
33.1111058
Кольцо уплотнительное
Кол-во
0
?
Узнать цену
33.1111058
Кольцо
Производство:
АО ЯЗДА
Под заказ
57
p
В корзину
41
333.1110736-31
Винт регулировочный
Кол-во
0
?
Оставить заявку
42
333.1110734-31
Винт регулировочный
Кол-во
0
?
Оставить заявку
43
333.1110740
Рычаг корректора в сборе
Кол-во
0
?
Узнать цену
333.1110740
Рычаг корректора
Производство:
АО ЯЗДА
Под заказ
1 148
p
В корзину
Получить консультацию
У нас большой опыт по подбору запчастей, и мы с радостью поможем вам найти нужную деталь, даже если вы не знаете ее артикул
Дмитрий Иванов
Директор отдела продаж
Мобильный номер:
8 (912) 474-74-74
E-mail:
td.uralval@mail.ru
Вы должны включить JavaScript чтобы использовать эту форму.
Ваше имя
Ваш телефон
Комментарий
Я соглашаюсь с
Политикой конфиденциальности
и даю согласие на обработку персональных данных.
Feed me
Отправить