Запчасти для грузовых автомобилей
8-800-555-32-41
Перезвоните мне
Отправить готовую заявку
0
Корзина
Поиск
КАТАЛОГ ПРОДУКЦИИ
Запчасти УРАЛ
Запчасти КамАЗ
Запчасти АМТ
Запчасти ЧТЗ
Запчасти погрузчиков Dalian
Запчасти ЯМЗ
Двигатели ЯМЗ в сборе
Запчасти Shaanxi Fast Gear
Лебедки
Спецпредложения
О компании
Доставка и оплата
Гарантии и сервис
Контакты
Графические каталоги запчастей
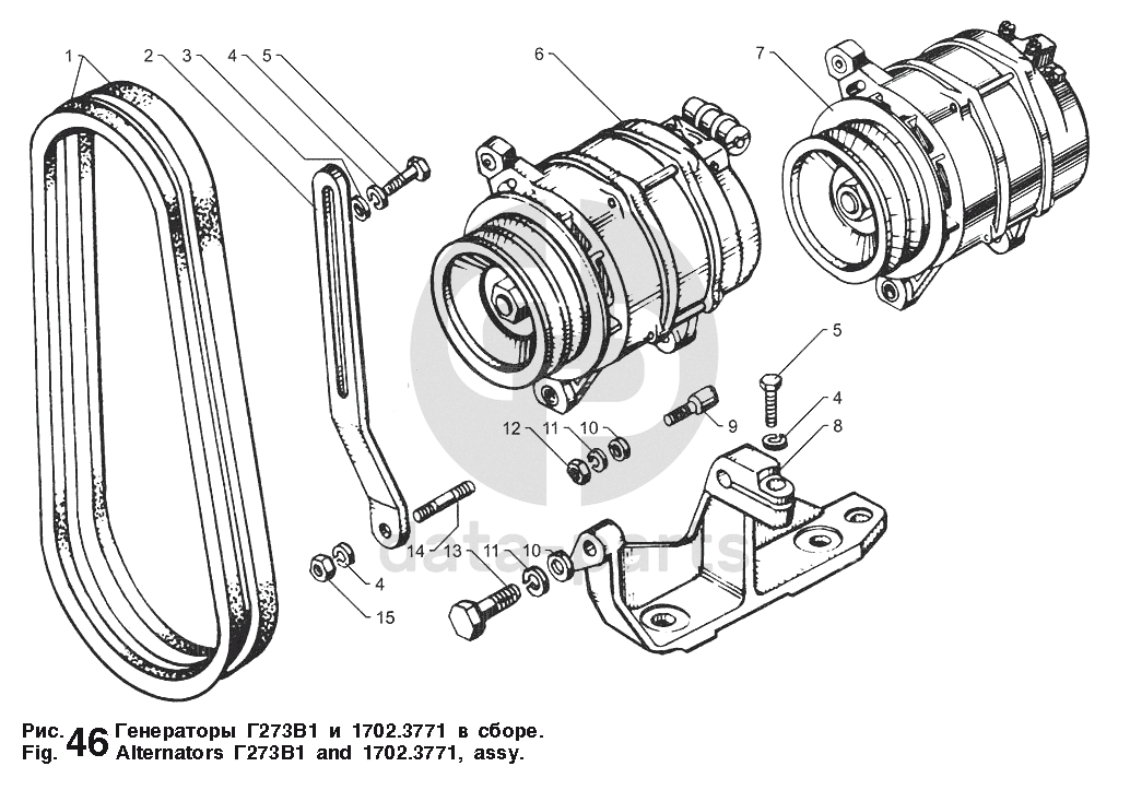
Генераторы Г273В1 и 1702.3771 в сборе ЯМЗ-236 М2 и 238 М2
Главная
/
Графические каталоги
/
ЯМЗ
/
ЯМЗ-236 М2 и 238 М2
/
Генераторы Г273В1 и 1702.3771 в сборе
2
3
4
4
4
5
5
8
9
10
10
11
11
12
13
14
15
%
2
236-3701025-Б2
Планка натяжная
Кол-во
1
?
Узнать цену
236-3701025-Б2
Планка крепления ЯМЗ
Производство:
ПАО Автодизель (ЯМЗ)
Под заказ
319
p
В корзину
3
252038-П29
Шайба
Кол-во
1
?
Узнать цену
252038-П29
Шайба 8 УРАЛ
Производство:
ПАО Автодизель (ЯМЗ)
Под заказ
17
p
В корзину
252038-П29
Шайба 8 УРАЛ
Производство:
АЗ Урал
Под заказ
11
p
В корзину
4
252135-П2
Шайба пружинная
Кол-во
3
?
Узнать цену
252135-П2
Шайба 8х2.5 ЯМЗ заглушки блока цилиндров
Производство:
ПАО Автодизель (ЯМЗ)
495 в наличии
3
p
В корзину
5
201458-П29
Болт М8х25
Кол-во
2
?
Узнать цену
201458-П29
Болт М8х1.25х25 многоцелевой (упаковка 50шт.)
Производство:
ПАО Автодизель (ЯМЗ)
90 в наличии
15
p
В корзину
201458-П29
Болт М8х1.25х25 многоцелевой (упаковка 50шт.)
Производство:
АЗ Урал
Под заказ
10
p
В корзину
8
236-3701774
Кронштейн
Кол-во
1
?
Узнать цену
236-3701774
Кронштейн ЯМЗ генератора (Г273)
Производство:
Россия
Под заказ
цена по запросу
В корзину
236-3701774
Кронштейн ЯМЗ генератора (Г273)
Производство:
ПАО Автодизель (ЯМЗ)
1 в наличии
3 053
p
В корзину
9
238-3701780
Палец крепления генератора
Кол-во
1
?
Узнать цену
238-3701780
Палец ЯМЗ крепления генератора
Производство:
ПАО Автодизель (ЯМЗ)
16 в наличии
327
p
В корзину
10
252006-П29
Шайба плоская
Кол-во
2
?
Узнать цену
252006-П29
Шайба 10 отопителя УРАЛ
Производство:
ПАО Автодизель (ЯМЗ)
55 в наличии
5
p
В корзину
252006-П29
Шайба 10 отопителя УРАЛ
Производство:
АЗ Урал
Под заказ
17
p
В корзину
11
252136-П2
Шайба 10 пружинная
Кол-во
2
?
Узнать цену
252136-П2
Шайба 10.2х2.5 пружинная
Производство:
ПАО Автодизель (ЯМЗ)
509 в наличии
11
p
В корзину
12
250512-П29
Гайка
Кол-во
1
?
Узнать цену
250512-П29
Гайка М10х1.5х8 ГАЗ-2410, 3110, УРАЛ под ключ 17мм облиц.радиатора, топл.бака, ГЦС, РЦС
Производство:
ПАО Автодизель (ЯМЗ)
1 в наличии
66
p
В корзину
250512-П29
Гайка М10х1.5х8 ГАЗ-2410, 3110, УРАЛ под ключ 17мм облиц.радиатора, топл.бака, ГЦС, РЦС
Производство:
АЗ Урал
Под заказ
18
p
В корзину
13
201501-П29
Болт М10
Кол-во
1
?
Узнать цену
201501-П29
Болт М10х1.5х35 центрифуги, картера рычага КПП ЗИЛ, выхлопной системы ГАЗ-3110,, обода маховика
Производство:
ПАО Автодизель (ЯМЗ)
Под заказ
17
p
В корзину
201501-П29
Болт М10х1.5х35 центрифуги, картера рычага КПП ЗИЛ, выхлопной системы ГАЗ-3110,, обода маховика
Производство:
АЗ Урал
Под заказ
33
p
В корзину
14
216233-П29
Шпилька
Кол-во
1
?
Узнать цену
216233-П29
Шпилька м8
Производство:
ПАО Автодизель (ЯМЗ)
74 в наличии
32
p
В корзину
15
250511-П29
Гайка
Кол-во
1
?
Узнать цену
250511-П29
Гайка М8х1.0х6 крепления карбюратора, насоса водяного, ЗИЛ ГАЗ многоцелевая, М-2140 коллектора латунная
Производство:
ПАО Автодизель (ЯМЗ)
194 в наличии
17
p
В корзину
Получить консультацию
У нас большой опыт по подбору запчастей, и мы с радостью поможем вам найти нужную деталь, даже если вы не знаете ее артикул
Дмитрий Иванов
Директор отдела продаж
Мобильный номер:
8 (912) 474-74-74
E-mail:
td.uralval@mail.ru
Вы должны включить JavaScript чтобы использовать эту форму.
Ваше имя
Ваш телефон
Комментарий
Я соглашаюсь с
Политикой конфиденциальности
и даю согласие на обработку персональных данных.
Feed me
Отправить