Запчасти для грузовых автомобилей
8-800-555-32-41
Перезвоните мне
Отправить готовую заявку
0
Корзина
Поиск
КАТАЛОГ ПРОДУКЦИИ
Запчасти УРАЛ
Запчасти КамАЗ
Запчасти АМТ
Запчасти ЧТЗ
Запчасти погрузчиков Dalian
Запчасти ЯМЗ
Двигатели ЯМЗ в сборе
Запчасти Shaanxi Fast Gear
Лебедки
Спецпредложения
О компании
Доставка и оплата
Гарантии и сервис
Контакты
Графические каталоги запчастей
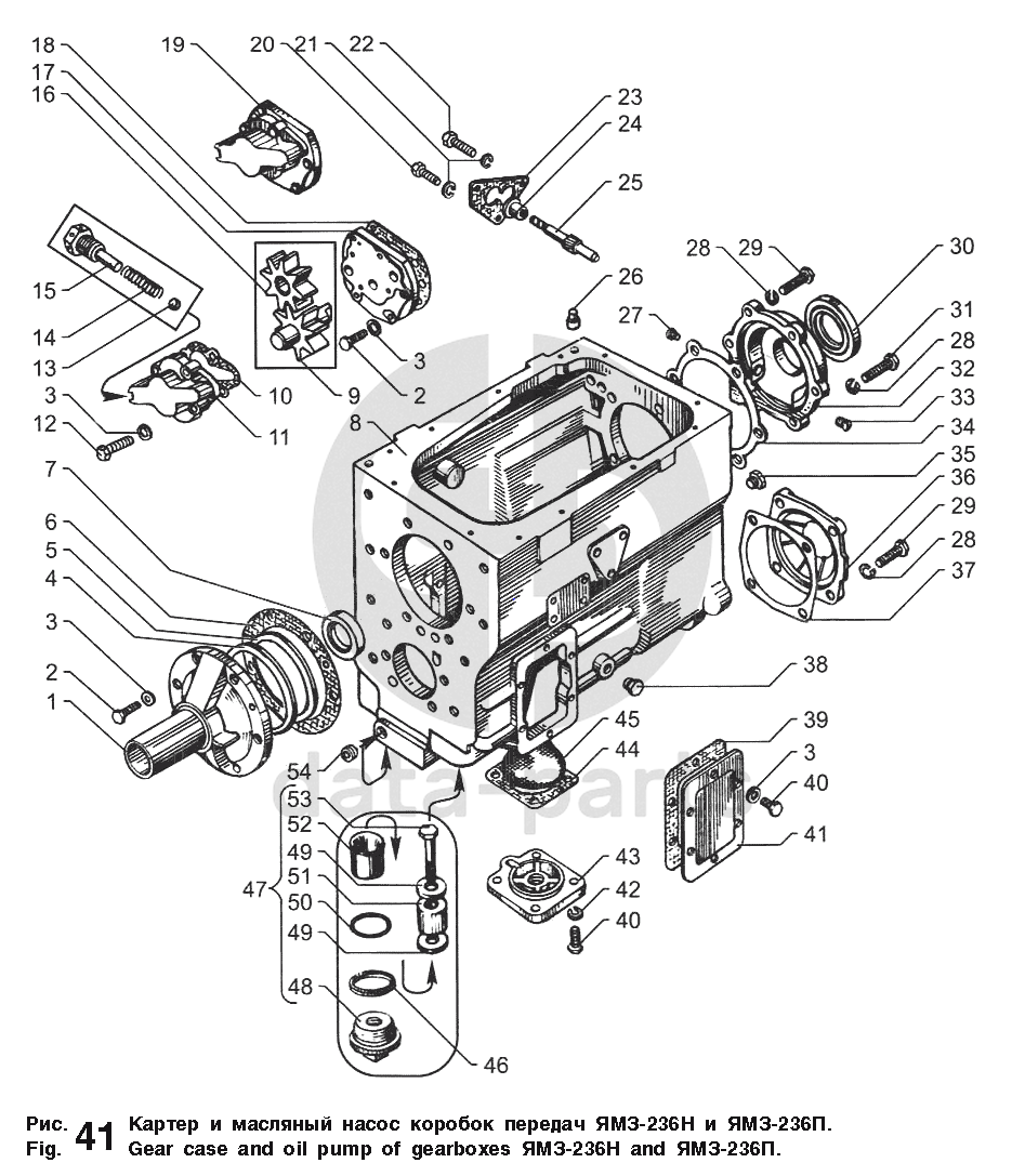
Картер и масляный насос коробок передач ЯМЗ-236Н и ЯМЗ-236П ЯМЗ-236 М2 и 238 М2
Главная
/
Графические каталоги
/
ЯМЗ
/
ЯМЗ-236 М2 и 238 М2
/
Картер и масляный насос коробок передач ЯМЗ-236Н и ЯМЗ-236П
1
2
2
3
3
3
3
4
5
6
7
8
9
10
11
12
14
15
16
17
17
18
19
20
21
22
23
24
25
26
27
28
28
28
29
29
30
31
32
33
34
35
36
37
38
39
40
40
41
42
43
44
45
46
47
48
49
49
50
52
53
54
%
1
236-1701040-А
Крышка подшипника первичного вала
Кол-во
1
?
Узнать цену
236-1701040-А
Крышка подшипника первичного вала
Производство:
Россия
Под заказ
цена по запросу
В корзину
2
201499-П29
Болт 10-6gх30
Кол-во
10
?
Узнать цену
201499-П29
Болт М10х1.5х30 привода распределителя, крышки картера сцепления ЗИЛ, привода насоса масляного ГАЗ-3110
Производство:
ПАО Автодизель (ЯМЗ)
66 в наличии
58
p
В корзину
201499-П29
Болт М10х1.5х30 привода распределителя, крышки картера сцепления ЗИЛ, привода насоса масляного ГАЗ-3110
Производство:
АЗ Урал
Под заказ
24
p
В корзину
3
200-1701041
Шайба
Кол-во
2
?
Узнать цену
200-1701041
Шайба
Производство:
ПАО Автодизель (ЯМЗ)
30 в наличии
9
p
В корзину
4
201.1721414
Прокладка регулировочная
Кол-во
3
?
Узнать цену
201.1721414
Прокладка КПП МАЗ регулировочная
Производство:
ПАО Автодизель (ЯМЗ)
45 в наличии
67
p
В корзину
5
201.1721416
Прокладка регулировочная
Кол-во
2
?
Узнать цену
201.1721416
Прокладка КПП МАЗ регулировочная (130х150-0 3)
Производство:
ПАО Автодизель (ЯМЗ)
26 в наличии
87
p
В корзину
6
236-1701042-А
Прокладка крышки
Кол-во
1
?
Узнать цену
236-1701042-А
Прокладка крышки подшипника первичного вала ЯМЗ
Производство:
ПАО Автодизель (ЯМЗ)
Под заказ
46
p
В корзину
7
236-1701230
Манжета с пружиной в сборе
Кол-во
1
?
Узнать цену
236-1701230
Сальник ЯМЗ вала первичного КПП передний 42х64х10
Производство:
ПАО Автодизель (ЯМЗ)
Под заказ
395
p
В корзину
8
236-1701015-Б
Картер коробки передач
Кол-во
1
?
Узнать цену
236-1701015-Б
Картер коробки передач (корпус) ЯМЗ-236
Производство:
ПАО Автодизель (ЯМЗ)
Под заказ
28 750
p
В корзину
9
236-1704040-А2
Шестерня ведущая в сборе
Кол-во
1
?
Оставить заявку
10
236-1704029-А
Прокладка
Кол-во
1
?
Оставить заявку
11
236-1704015
Корпус масляного насоса
Кол-во
1
?
Оставить заявку
12
310013-П29
Болт М10х35
Кол-во
4
?
Оставить заявку
14
200-1704027
Пружина клапана
Кол-во
1
?
Узнать цену
200-1704027
Пружина
Производство:
АО ЯЗДА
Под заказ
13
p
В корзину
15
236-1704026
Пробка клапана
Кол-во
1
?
Узнать цену
236-1704026
ПРОБКА
Производство:
ПАО Автодизель (ЯМЗ)
Под заказ
148
p
В корзину
16
236-1704030
Шестерня ведомая
Кол-во
1
?
Узнать цену
236-1704030
ШЕСТЕРНЯ
Производство:
ПАО Автодизель (ЯМЗ)
Под заказ
366
p
В корзину
17
236-1704070
Основание масляного насоса
Кол-во
1
?
Оставить заявку
18
236-1704017-А2
Прокладка основания
Кол-во
1
?
Узнать цену
236-1704017-А2
ПРОКЛАДКА МАСЛЯНОГО НАСОСА
Производство:
ПАО Автодизель (ЯМЗ)
Под заказ
5
p
В корзину
19
236-1704010
Насос масляный в сборе
Кол-во
1
?
Оставить заявку
20
310224-П29
Болт
Кол-во
1
?
Узнать цену
310224-П29
Болт М8Х25
Производство:
ПАО Автодизель (ЯМЗ)
Под заказ
22
p
В корзину
21
252135-П2
Шайба пружинная
Кол-во
3
?
Узнать цену
252135-П2
Шайба 8х2.5 ЯМЗ заглушки блока цилиндров
Производство:
ПАО Автодизель (ЯМЗ)
495 в наличии
3
p
В корзину
22
201457-П29
Болт М8х22
Кол-во
2
?
Узнать цену
201457-П29
Болт М8х1.25х22 УРАЛ облицовки радиатора
Производство:
АЗ Урал
Под заказ
19
p
В корзину
23
236-3802069-Б
Прокладка
Кол-во
1
?
Узнать цену
236-3802069-Б
Прокладка ЯМЗ привода спидометра
Производство:
ПАО Автодизель (ЯМЗ)
Под заказ
3
p
В корзину
24
236-3802024
Втулка шестерни привода спидометра
Кол-во
1
?
Узнать цену
236-3802024
Втулка ЯМЗ-236 привода спидометра
Производство:
ПАО Автодизель (ЯМЗ)
Под заказ
227
p
В корзину
25
236-3802034-Б
Шестерня привода спидометра
Кол-во
1
?
Узнать цену
236-3802034-Б
Шестерня привода спидометра ЯМЗ-236 ведущая
Производство:
ПАО Автодизель (ЯМЗ)
4 в наличии
1 002
p
В корзину
26
236-1702182
Штифт верхний установочный
Кол-во
2
?
Узнать цену
236-1702182
Штифт
Производство:
ПАО Автодизель (ЯМЗ)
Под заказ
102
p
В корзину
27
236-3802074
Штифт упорный
Кол-во
1
?
Узнать цену
236-3802074
Штифт ЯМЗ-236 упорный привода спидометра
Производство:
ПАО Автодизель (ЯМЗ)
Под заказ
55
p
В корзину
28
252137-П2
Шайба пружинная
Кол-во
10
?
Узнать цену
252137-П2
Шайба 12 пружинная 12,2х20,5х4,0
Производство:
ПАО Автодизель (ЯМЗ)
276 в наличии
15
p
В корзину
29
201544-П29
Болт М12х40
Кол-во
9
?
Узнать цену
201544-П29
Болт М12х40 крепления кронштейна двигателя опоры задней дв.ЯМЗ
Производство:
ПАО Автодизель (ЯМЗ)
Под заказ
20
p
В корзину
201544-П29
Болт М12х40 крепления кронштейна двигателя опоры задней дв.ЯМЗ
Производство:
АЗ Урал
Под заказ
33
p
В корзину
30
210-1701210-А
Манжета с пружиной в сборе
Кол-во
1
?
Оставить заявку
31
200372-П29
Болт
Кол-во
1
?
Оставить заявку
32
236-1701205-Б4
Крышка заднего подшипника вторичного вала
Кол-во
1
?
Узнать цену
236-1701205-Б4
Крышка подшипника вала вторичного ЯМЗ
Производство:
Россия
Под заказ
цена по запросу
В корзину
236-1701205-Б4
Крышка подшипника вала вторичного ЯМЗ
Производство:
ПАО Автодизель (ЯМЗ)
Под заказ
3 008
p
В корзину
33
316105-П29
Пробка К1/8"
Кол-во
1
?
Узнать цену
316105-П29
ПРОБКА
Производство:
ПАО Автодизель (ЯМЗ)
Под заказ
227
p
В корзину
34
236У-1701203
Прокладка крышки заднего подшипника
Кол-во
1
?
Узнать цену
236У-1701203
Прокладка крышки подшипника вторичного вала (картон)
Производство:
ПАО Автодизель (ЯМЗ)
Под заказ
15
p
В корзину
35
316104-П29
Пробка
Кол-во
5
?
Узнать цену
316104-П29
Пробка М12
Производство:
ПАО Автодизель (ЯМЗ)
Под заказ
61
p
В корзину
36
236-1701074-А2
Крышка заднего подшипника промежуточного вала
Кол-во
1
?
Узнать цену
236-1701074-А2
Крышка подшипника заднего вала промежуточного КПП ЯМЗ
Производство:
Россия
Под заказ
цена по запросу
В корзину
236-1701074-А2
Крышка подшипника заднего вала промежуточного КПП ЯМЗ
Производство:
ПАО Автодизель (ЯМЗ)
2 в наличии
1 122
p
В корзину
37
236-1701075-А
Прокладка
Кол-во
1
?
Узнать цену
236-1701075-А
ПРОКЛАДКА КРЫШКИ ЗАДНЕГО ПОДШИПНИКА ПРОМЕЖУТОЧНОГО ВАЛА
Производство:
ПАО Автодизель (ЯМЗ)
Под заказ
11
p
В корзину
38
316121-П29
Пробка К 1/4"
Кол-во
1
?
Узнать цену
316121-П29
Пробка ЯМЗ крышки Ф.Т.О.Т
Производство:
ПАО Автодизель (ЯМЗ)
7 в наличии
91
p
В корзину
39
200-1701021-А
Прокладка
Кол-во
2
?
Узнать цену
200-1701021-А
Прокладка
Производство:
ПАО Автодизель (ЯМЗ)
Под заказ
18
p
В корзину
40
201497-П29
Болт М10х25
Кол-во
16
?
Узнать цену
201497-П29
Болт М10х1.5х25 ГАЗ-3302 крепления ФТОТ заднего моста, ЗИЛ-130 крепления вентилятора
Производство:
ПАО Автодизель (ЯМЗ)
48 в наличии
13
p
В корзину
201497-П29
Болт М10х1.5х25 ГАЗ-3302 крепления ФТОТ заднего моста, ЗИЛ-130 крепления вентилятора
Производство:
АЗ Урал
Под заказ
32
p
В корзину
41
236-1701020
Крышка люка отбора мощности
Кол-во
2
?
Узнать цену
236-1701020
Крышка ЯМЗ люка отбора мощности
Производство:
ПАО Автодизель (ЯМЗ)
Под заказ
1 370
p
В корзину
42
252136-П2
Шайба 10 пружинная
Кол-во
4
?
Узнать цену
252136-П2
Шайба 10.2х2.5 пружинная
Производство:
ПАО Автодизель (ЯМЗ)
509 в наличии
11
p
В корзину
43
236-1704054-Б
Крышка заборника
Кол-во
1
?
Узнать цену
236-1704054-Б
Крышка ЯМЗ заборника насоса масляного КПП
Производство:
ПАО Автодизель (ЯМЗ)
Под заказ
1 155
p
В корзину
44
236-1704056-А
Прокладка
Кол-во
1
?
Узнать цену
236-1704056-А
Прокладка ЯМЗ крышки заборника насоса масляного КПП
Производство:
ПАО Автодизель (ЯМЗ)
Под заказ
37
p
В корзину
45
236-1704049
Сетка заборника
Кол-во
1
?
Оставить заявку
46
312669-П
Прокладка пробки сливного отверстия
Кол-во
1
?
Узнать цену
312669-П
Шайба 33,1
Производство:
ПАО Автодизель (ЯМЗ)
163 в наличии
9
p
В корзину
47
238-1721255
Пробка сливного отверстия с магнитом в сборе
Кол-во
1
?
Узнать цену
238-1721255
Пробка КПП МАЗ,УРАЛ,КРАЗ
Производство:
ПАО Автодизель (ЯМЗ)
Под заказ
1 409
p
В корзину
48
238-1721258
Пробка
Кол-во
1
?
Узнать цену
238-1721258
ПРОБКА
Производство:
ПАО Автодизель (ЯМЗ)
Под заказ
466
p
В корзину
49
312480-П2
Шайба
Кол-во
2
?
Узнать цену
312480-П2
Шайба ЯМЗ картера КПП 236П 236Н
Производство:
ПАО Автодизель (ЯМЗ)
Под заказ
15
p
В корзину
50
236-1704130
Кольцо пружинное
Кол-во
6
?
Оставить заявку
52
236-1704128
Кожух магнита
Кол-во
1
?
Узнать цену
236-1704128
КОЖУХ МАГНИТА
Производство:
ПАО Автодизель (ЯМЗ)
Под заказ
73
p
В корзину
53
220116-П2
Винт
Кол-во
1
?
Оставить заявку
54
316135-П2
Пробка
Кол-во
2
?
Узнать цену
316135-П2
Пробка ЯМЗ-236НЕ трубки охлаждения поршня
Производство:
ПАО Автодизель (ЯМЗ)
Под заказ
206
p
В корзину
Получить консультацию
У нас большой опыт по подбору запчастей, и мы с радостью поможем вам найти нужную деталь, даже если вы не знаете ее артикул
Дмитрий Иванов
Директор отдела продаж
Мобильный номер:
8 (912) 474-74-74
E-mail:
td.uralval@mail.ru
Вы должны включить JavaScript чтобы использовать эту форму.
Ваше имя
Ваш телефон
Комментарий
Я соглашаюсь с
Политикой конфиденциальности
и даю согласие на обработку персональных данных.
Feed me
Отправить