Запчасти для грузовых автомобилей
8-800-555-32-41
Перезвоните мне
Отправить готовую заявку
0
Корзина
Поиск
КАТАЛОГ ПРОДУКЦИИ
Запчасти УРАЛ
Запчасти КамАЗ
Запчасти АМТ
Запчасти ЧТЗ
Запчасти погрузчиков Dalian
Запчасти ЯМЗ
Двигатели ЯМЗ в сборе
Запчасти Shaanxi Fast Gear
Лебедки
Спецпредложения
О компании
Доставка и оплата
Гарантии и сервис
Контакты
Графические каталоги запчастей
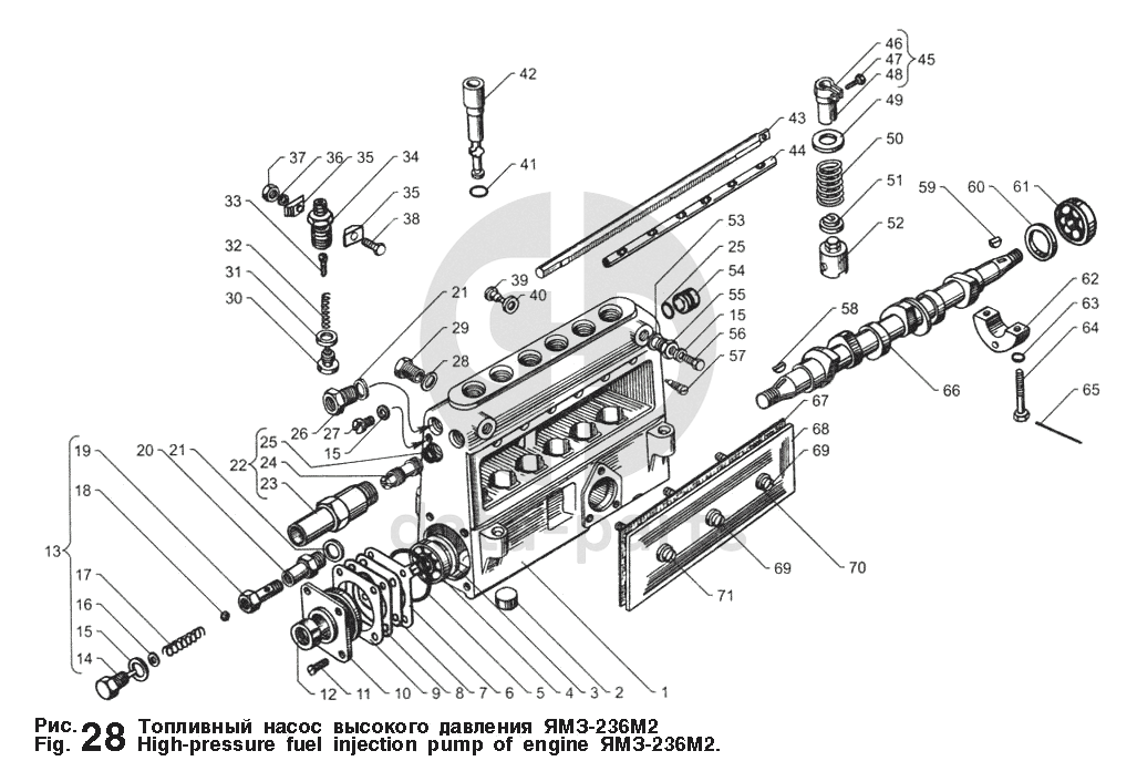
Топливный насос высокого давления ЯМЗ-236М2 ЯМЗ-236 М2 и 238 М2
Главная
/
Графические каталоги
/
ЯМЗ
/
ЯМЗ-236 М2 и 238 М2
/
Топливный насос высокого давления ЯМЗ-236М2
1
2
3
5
6
7
8
9
10
11
12
13
14
15
15
15
16
17
18
19
20
21
21
22
23
24
25
25
26
27
28
29
30
31
32
33
34
35
35
36
37
38
39
40
41
42
43
44
45
46
47
48
49
50
51
52
53
54
55
56
57
58
59
60
61
62
63
64
65
66
67
68
69
69
70
71
%
1
60.1111021-30
Корпус насоса в сборе
Кол-во
1
?
Узнать цену
60.1111021-30
Корпус ТНВД МАЗ,УРАЛ
Производство:
АО ЯЗДА
Под заказ
14 887
p
В корзину
2
236-1111027
Заглушка чашечная
Кол-во
6
?
Оставить заявку
3
852606-П15
Шайба
Кол-во
1
?
Узнать цену
852606-П15
Шайба
Производство:
АО ЯЗДА
Под заказ
82
p
В корзину
5
236-1111196
Кольцо уплотнительное
Кол-во
1
?
Узнать цену
236-1111196
Кольцо уплотнительное 054-058-25-2-2
Производство:
АО ЯЗДА
Под заказ
102
p
В корзину
6
60.1111280-10
Указатель начала подачи топлива
Кол-во
1
?
Узнать цену
60.1111280-10
Указатель начала подачи топ.
Производство:
АО ЯЗДА
Под заказ
145
p
В корзину
7
236-1111193
Прокладка крышки
Кол-во
2
?
Узнать цену
236-1111193
Прокладка крышки подшипника
Производство:
АО ЯЗДА
Под заказ
38
p
В корзину
8
236-1111194
Прокладка крышки
Кол-во
3
?
Узнать цену
236-1111194
Прокладка крышки подшипника
Производство:
АО ЯЗДА
Под заказ
51
p
В корзину
9
236-1111195
Прокладка крышки
Кол-во
3
?
Узнать цену
236-1111195
Прокладка крышки подшипника
Производство:
АО ЯЗДА
Под заказ
139
p
В корзину
10
60.1111182-10
Крышка подшипника
Кол-во
1
?
Оставить заявку
11
311200-П29
Винт
Кол-во
4
?
Узнать цену
311200-П29
Винт
Производство:
АО ЯЗДА
Под заказ
98
p
В корзину
12
2531312454
Манжета 2,2-25х42-2
Кол-во
1
?
Узнать цену
2531312454
Манжета 25х42 в сб
Производство:
АО ЯЗДА
Под заказ
168
p
В корзину
13
60.1111282
Клапан перепускной в сборе
Кол-во
1
?
Оставить заявку
14
60.1111300
Пробка клапана со штифтом в сборе
Кол-во
1
?
Оставить заявку
15
852205
Шайба
Кол-во
4
?
Узнать цену
852205
Шайба
Производство:
АО ЯЗДА
Под заказ
112
p
В корзину
16
852219
Шайба регулировочная
Кол-во
6
?
Оставить заявку
17
33.1111289-10
Пружина клапана
Кол-во
1
?
Узнать цену
33.1111289-10
Пружина
Производство:
АО ЯЗДА
Под заказ
20
p
В корзину
18
33.1111325
Шарик Б 6,35 мм
Кол-во
1
?
Узнать цену
33.1111325
Шарик
Производство:
АО ЯЗДА
Под заказ
920
p
В корзину
19
60.1111285
Корпус клапана
Кол-во
1
?
Оставить заявку
20
60.1111286
Ввертыш клапана
Кол-во
1
?
Оставить заявку
21
312630-П
Шайба
Кол-во
2
?
Узнать цену
312630-П
Шайба 20.3х24.0х1.5 ЯМЗ клапана перепускного ФТОТ медная
Производство:
ПАО Автодизель (ЯМЗ)
86 в наличии
61
p
В корзину
22
236-1111236-Г
Ограничитель мощности в сборе
Кол-во
1
?
Оставить заявку
23
236-1111238-Е
Втулка ограничителя мощности
Кол-во
0
?
Оставить заявку
24
236-1111249-В
Винт ограничителя мощности
Кол-во
0
?
Оставить заявку
25
236-1111245
Кольцо уплотнительное
Кол-во
0
?
Узнать цену
236-1111245
Кольцо уплотнительное 012-016-25-2-2 (236-1111245, 238-1722063)
Производство:
АО ЯЗДА
Под заказ
37
p
В корзину
26
236-1111032
Ввертыш корпуса
Кол-во
0
?
Оставить заявку
27
310704-П29
Винт
Кол-во
0
?
Оставить заявку
28
312327-П
Шайба
Кол-во
0
?
Оставить заявку
29
236М-1111034-А
Ввертыш корпуса
Кол-во
0
?
Оставить заявку
30
901.1111102
Клапан нагнетательный в сборе
Кол-во
0
?
Оставить заявку
31
60.1111086
Прокладка клапана
Кол-во
0
?
Узнать цену
60.1111086
Прокладка ЯМЗ клапана нагнетательного
Производство:
АО ЯЗДА
47 в наличии
55
p
В корзину
32
33.1111108
Пружина нагнетательного клапана
Кол-во
0
?
Узнать цену
33.1111108
Пружина
Производство:
АО ЯЗДА
Под заказ
45
p
В корзину
33
60.1111113-10
Упор клапана
Кол-во
0
?
Узнать цену
60.1111113-10
Упор клапана
Производство:
АО ЯЗДА
Под заказ
150
p
В корзину
34
60.1111118-20
Штуцер топливного насоса
Кол-во
0
?
Узнать цену
60.1111118-20
Штуцер ЯМЗ ТНВД
Производство:
АО ЯЗДА
138 в наличии
364
p
В корзину
35
60.1111120
Сухарь штуцера
Кол-во
0
?
Оставить заявку
36
252134-П29
Шайба пружинная
Кол-во
0
?
Оставить заявку
37
250508-П29
Гайка М6
Кол-во
0
?
Узнать цену
250508-П29
Гайка М6 многоцелевая (упаковка 15шт.)
Производство:
ПАО Автодизель (ЯМЗ)
203 в наличии
9
p
В корзину
250508-П29
Гайка М6 многоцелевая (упаковка 15шт.)
Производство:
АЗ Урал
Под заказ
8
p
В корзину
38
201426-П29
Болт
Кол-во
0
?
Оставить заявку
39
310952-П15
Винт
Кол-во
0
?
Оставить заявку
40
852204
Шайба
Кол-во
0
?
Узнать цену
852204
Шайба
Производство:
АО ЯЗДА
Под заказ
18
p
В корзину
41
236М-1111083-А
Кольцо уплотнительное втулки плунжера
Кол-во
0
?
Узнать цену
236М-1111083-А
Кольцо уплотнительное
Производство:
АО ЯЗДА
Под заказ
88
p
В корзину
42
60.1111074-30
Пара плунжерная
Кол-во
0
?
Оставить заявку
43
236-1111040
Рейка топливного насоса высокого давления
Кол-во
0
?
Узнать цену
236-1111040
Рейка
Производство:
АО ЯЗДА
Под заказ
710
p
В корзину
44
60.1111169-01
Экран
Кол-во
0
?
Узнать цену
60.1111169-01
Экран ЯМЗ рейки ТНВД
Производство:
АО ЯЗДА
17 в наличии
219
p
В корзину
45
236-1111060-Б
Венец зубчатый с втулкой в сборе
Кол-во
0
?
Оставить заявку
46
60.1111062
Венец зубчатый
Кол-во
0
?
Оставить заявку
47
852384
Винт
Кол-во
0
?
Узнать цену
852384
Винт
Производство:
АО ЯЗДА
Под заказ
69
p
В корзину
48
236-1111064-Б
Втулка зубчатого венца
Кол-во
0
?
Оставить заявку
49
236-1111150-Б
Тарелка пружины толкателя верхняя
Кол-во
0
?
Оставить заявку
50
236-1111148-Б
Пружина толкателя
Кол-во
0
?
Оставить заявку
51
236-1111151-Б
Тарелка пружины толкателя нижняя
Кол-во
0
?
Оставить заявку
52
60.1111136-02
Толкатель плунжера в сборе
Кол-во
0
?
Оставить заявку
53
852206
Шайба
Кол-во
0
?
Узнать цену
852206
Шайба
Производство:
АО ЯЗДА
Под заказ
176
p
В корзину
54
80.1111425
Пробка корпуса
Кол-во
0
?
Узнать цену
80.1111425
Пробка
Производство:
АО ЯЗДА
8 в наличии
154
p
В корзину
55
236-1111036
Ввертыш корпуса
Кол-во
0
?
Оставить заявку
56
852882-П15
Пробка спуска воздуха
Кол-во
0
?
Оставить заявку
57
236-1111122
Винт установочный втулки плунжера
Кол-во
0
?
Узнать цену
236-1111122
Винт
Производство:
АО ЯЗДА
Под заказ
125
p
В корзину
58
852800
Шпонка сегментная
Кол-во
0
?
Оставить заявку
59
314019-П
Шпонка сегментная
Кол-во
0
?
Оставить заявку
60
312439-П15
Шайба
Кол-во
0
?
Узнать цену
312439-П15
Шайба
Производство:
АО ЯЗДА
Под заказ
37
p
В корзину
61
46241204453
Подшипник роликовый 7204А
Кол-во
0
?
Оставить заявку
62
236-1111177-Б3
Опора кулачкового вала
Кол-во
0
?
Узнать цену
236-1111177-Б3
Опора ЯМЗ вала кулачкового
Производство:
АО ЯЗДА
5 в наличии
445
p
В корзину
63
2531113013
Кольцо 005-008-19-2-2
Кол-во
0
?
Оставить заявку
64
852011-П15
Болт
Кол-во
0
?
Оставить заявку
65
852702-П29
Шплинт-проволока
Кол-во
0
?
Оставить заявку
66
60.1111172-30
Вал кулачковый
Кол-во
0
?
Узнать цену
60.1111172-30
Вал кулачковый ТНВД МАЗ,УРАЛ
Производство:
АО ЯЗДА
1 в наличии
5 048
p
В корзину
67
236-1111226-А2
Прокладка крышки
Кол-во
0
?
Узнать цену
236-1111226-А2
Прокладка крышки ТНВД МАЗ,УРАЛ ПМБ 2мм
Производство:
АО ЯЗДА
Под заказ
246
p
В корзину
68
60.1111222
Крышка насоса высокого давления
Кол-во
0
?
Оставить заявку
69
236-1111227-Б
Винт крепления крышки
Кол-во
0
?
Оставить заявку
70
852203
Шайба
Кол-во
0
?
Узнать цену
852203
Шайба
Производство:
АО ЯЗДА
Под заказ
38
p
В корзину
71
236-1111229-Б
Винт крепления крышки
Кол-во
0
?
Оставить заявку
Получить консультацию
У нас большой опыт по подбору запчастей, и мы с радостью поможем вам найти нужную деталь, даже если вы не знаете ее артикул
Дмитрий Иванов
Директор отдела продаж
Мобильный номер:
8 (912) 474-74-74
E-mail:
td.uralval@mail.ru
Вы должны включить JavaScript чтобы использовать эту форму.
Ваше имя
Ваш телефон
Комментарий
Я соглашаюсь с
Политикой конфиденциальности
и даю согласие на обработку персональных данных.
Feed me
Отправить