Запчасти для грузовых автомобилей
8-800-555-32-41
Перезвоните мне
Отправить готовую заявку
0
Корзина
Поиск
КАТАЛОГ ПРОДУКЦИИ
Запчасти УРАЛ
Запчасти КамАЗ
Запчасти АМТ
Запчасти ЧТЗ
Запчасти погрузчиков Dalian
Запчасти ЯМЗ
Двигатели ЯМЗ в сборе
Запчасти Shaanxi Fast Gear
Лебедки
Спецпредложения
О компании
Доставка и оплата
Гарантии и сервис
Контакты
Графические каталоги запчастей
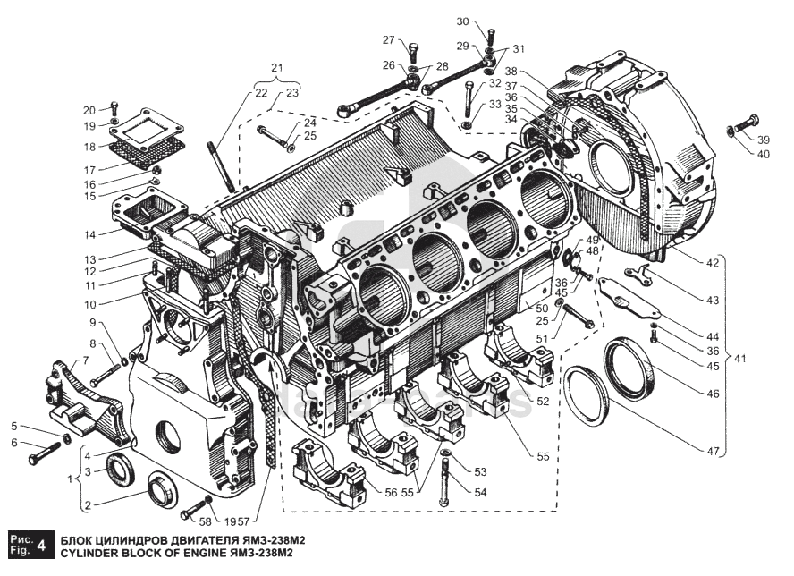
Блок цилиндров двигателя ЯМЗ-238М2 ЯМЗ-236 М2 и 238 М2
Главная
/
Графические каталоги
/
ЯМЗ
/
ЯМЗ-236 М2 и 238 М2
/
Блок цилиндров двигателя ЯМЗ-238М2
1
2
3
4
5
6
7
8
9
10
11
12
13
14
15
16
17
18
19
19
20
21
22
23
24
25
25
26
27
28
29
30
31
32
33
34
35
36
36
36
37
38
39
40
41
42
43
44
45
45
46
47
48
49
50
51
52
53
54
55
55
56
57
58
%
1
236-1002261
Крышка шестерен распределения в сборе
Кол-во
0
?
Оставить заявку
2
236-1002272
Маслоотражатель крышки шестерен
Кол-во
0
?
Узнать цену
236-1002272
Маслоотражатель ЯМЗ
Производство:
ПАО Автодизель (ЯМЗ)
24 в наличии
84
p
В корзину
3
201-1005034-Б3
Манжета в сборе
Кол-во
0
?
Оставить заявку
4
236-1002264-А3
Крышка
Кол-во
0
?
Оставить заявку
5
252138-П2
Шайба пружинная
Кол-во
0
?
Узнать цену
252138-П2
Шайба ЗИЛ-130 5301 Болта крепления вала карданного
Производство:
ПАО Автодизель (ЯМЗ)
Под заказ
17
p
В корзину
6
200827-П29
Болт
Кол-во
0
?
Оставить заявку
7
236-1001020-А2
Кронштейн передней опоры
Кол-во
0
?
Оставить заявку
8
200328-П29
Болт
Кол-во
0
?
Узнать цену
200328-П29
Болт М10х1.5х95 ГАЗ-3102 усилителя картера сцепления
Производство:
ПАО Автодизель (ЯМЗ)
6 в наличии
38
p
В корзину
9
252136-П2
Шайба 10 пружинная
Кол-во
0
?
Узнать цену
252136-П2
Шайба 10.2х2.5 пружинная
Производство:
ПАО Автодизель (ЯМЗ)
509 в наличии
11
p
В корзину
10
216344-П29
Шпилька
Кол-во
0
?
Оставить заявку
11
216262-П29
Шпилька
Кол-во
0
?
Узнать цену
216262-П29
ШПИЛЬКА М10СП
Производство:
ПАО Автодизель (ЯМЗ)
16 в наличии
61
p
В корзину
12
236-1002266-А
Прокладка крышки шестерен распределения правая
Кол-во
0
?
Оставить заявку
13
236-1002258-А3
Прокладка верхней крышки блока
Кол-во
0
?
Узнать цену
236-1002258-А3
Прокладка ЯМЗ крышки верхней блока Н/О
Производство:
ПАО Автодизель (ЯМЗ)
Под заказ
182
p
В корзину
14
236-1002255-В3
Крышка блока верхняя в сборе
Кол-во
0
?
Оставить заявку
15
312534-П2
Шайба замковая
Кол-во
0
?
Узнать цену
312534-П2
Шайба 10,2
Производство:
ПАО Автодизель (ЯМЗ)
Под заказ
7
p
В корзину
16
250513-П29
Гайка
Кол-во
0
?
Узнать цену
250513-П29
Гайка М10х1.0х8 многоцелевая (упаковка 40шт.)
Производство:
ПАО Автодизель (ЯМЗ)
75 в наличии
12
p
В корзину
250513-П29
Гайка М10х1.0х8 многоцелевая (упаковка 40шт.)
Производство:
АЗ Урал
Под заказ
22
p
В корзину
17
236-1002283.А
Прокладка с сеткой в сборе
Кол-во
0
?
Оставить заявку
18
236-1002282-Б
Заглушка
Кол-во
0
?
Узнать цену
236-1002282-Б
Заглушка люка
Производство:
ПАО Автодизель (ЯМЗ)
Под заказ
337
p
В корзину
19
252136-П2
Шайба 10 пружинная
Кол-во
0
?
Узнать цену
252136-П2
Шайба 10.2х2.5 пружинная
Производство:
ПАО Автодизель (ЯМЗ)
509 в наличии
11
p
В корзину
20
201499-П29
Болт 10-6gх30
Кол-во
0
?
Узнать цену
201499-П29
Болт М10х1.5х30 привода распределителя, крышки картера сцепления ЗИЛ, привода насоса масляного ГАЗ-3110
Производство:
ПАО Автодизель (ЯМЗ)
66 в наличии
58
p
В корзину
201499-П29
Болт М10х1.5х30 привода распределителя, крышки картера сцепления ЗИЛ, привода насоса масляного ГАЗ-3110
Производство:
АЗ Урал
Под заказ
24
p
В корзину
21
238-1002012-Б3
Блок цилиндров в сборе
Кол-во
0
?
Оставить заявку
22
236-1003016-Б
Шпилька крепления головки цилиндров
Кол-во
0
?
Узнать цену
236-1003016-Б
Шпилька ЯМЗ головки блока L=180мм
Производство:
Россия
Под заказ
цена по запросу
В корзину
236-1003016-Б
Шпилька ЯМЗ головки блока L=180мм
Производство:
ПАО Автодизель (ЯМЗ)
261 в наличии
374
p
В корзину
23
238-1002011-Д2
Блок цилиндров в сборе
Кол-во
0
?
Оставить заявку
24
236-1005180-А
Болт стяжной короткий
Кол-во
0
?
Узнать цену
236-1005180-А
Болт стяжной блока цилиндров короткий М14*75 Автодизель
Производство:
ПАО Автодизель (ЯМЗ)
Под заказ
343
p
В корзину
25
236-1005181
Шайба
Кол-во
0
?
Узнать цену
236-1005181
Шайба ЯМЗ стяжного Болта
Производство:
ПАО Автодизель (ЯМЗ)
Под заказ
11
p
В корзину
26
238-1111620
Трубка отвода масла от топливного насоса в сборе
Кол-во
0
?
Узнать цену
238-1111620
Трубка ЯМЗ-238 отвода масла от ТНВД
Производство:
Россия
Под заказ
цена по запросу
В корзину
238-1111620
Трубка ЯМЗ-238 отвода масла от ТНВД
Производство:
ПАО Автодизель (ЯМЗ)
66 в наличии
1 126
p
В корзину
27
310096-П2
Болт специальный М14х1,5х30
Кол-во
0
?
Оставить заявку
28
312326-П34
Шайба уплотнительная
Кол-во
0
?
Узнать цену
312326-П34
Шайба 14.2х19.0х1.2 ЯМЗ медная (плоская)
Производство:
ПАО Автодизель (ЯМЗ)
232 в наличии
99
p
В корзину
29
238-1111614
Трубка подвода масла к топливному насосу
Кол-во
0
?
Узнать цену
238-1111614
Трубка подвода масла к топливному насосу высокого давления ЯМЗ-240 (300 мм)
Производство:
Россия
Под заказ
цена по запросу
В корзину
30
310122-П2
Болт М10х1х22
Кол-во
0
?
Оставить заявку
31
312482-П34
Шайба
Кол-во
0
?
Узнать цену
312482-П34
Шайба 10.2х14.0х1.5 ЯМЗ крепления трубки топливной медная
Производство:
ПАО Автодизель (ЯМЗ)
Под заказ
91
p
В корзину
32
200276-П29
Болт М8х85
Кол-во
0
?
Узнать цену
200276-П29
Болт М8х1.25х85 ЗМЗ-406 катушки зажигания, крепления ТНВД
Производство:
ПАО Автодизель (ЯМЗ)
65 в наличии
28
p
В корзину
33
312356-П29
Шайба 8
Кол-во
0
?
Узнать цену
312356-П29
Шайба ТНВД крепления
Производство:
ПАО Автодизель (ЯМЗ)
61 в наличии
37
p
В корзину
34
236-1014272
Прокладка
Кол-во
0
?
Узнать цену
236-1014272
Прокладка сапуна вентиляции поддона двигателя / 423.1110378/
Производство:
ПАО Автодизель (ЯМЗ)
Под заказ
9
p
В корзину
35
238Н-1002402
Заглушка
Кол-во
0
?
Узнать цену
238Н-1002402
Заглушка ЯМЗ водяного канала
Производство:
Россия
Под заказ
цена по запросу
В корзину
238Н-1002402
Заглушка ЯМЗ водяного канала
Производство:
ПАО Автодизель (ЯМЗ)
7 в наличии
160
p
В корзину
36
252135-П2
Шайба пружинная
Кол-во
0
?
Узнать цену
252135-П2
Шайба 8х2.5 ЯМЗ заглушки блока цилиндров
Производство:
ПАО Автодизель (ЯМЗ)
495 в наличии
3
p
В корзину
37
201456-П29
Болт М8-6gх20
Кол-во
0
?
Узнать цену
201456-П29
Болт М8х1.25х20 ЗИЛ масляного картера, ГАЗ-2410 системы выхлопа механизма рулевого
Производство:
ПАО Автодизель (ЯМЗ)
342 в наличии
13
p
В корзину
201456-П29
Болт М8х1.25х20 ЗИЛ масляного картера, ГАЗ-2410 системы выхлопа механизма рулевого
Производство:
АЗ Урал
Под заказ
21
p
В корзину
38
236-1002314-Б
Прокладка картера маховика
Кол-во
0
?
Оставить заявку
39
310044-П29
Болт
Кол-во
0
?
Узнать цену
310044-П29
Болт М12х50 крепления картера маховика ЯМЗ
Производство:
ПАО Автодизель (ЯМЗ)
159 в наличии
165
p
В корзину
40
252137-П2
Шайба пружинная
Кол-во
0
?
Узнать цену
252137-П2
Шайба 12 пружинная 12,2х20,5х4,0
Производство:
ПАО Автодизель (ЯМЗ)
276 в наличии
15
p
В корзину
41
238-1002310-В2
Картер маховика в сборе
Кол-во
0
?
Оставить заявку
42
238-1002312-В3
Картер маховика
Кол-во
0
?
Оставить заявку
43
236-1002333
Указатель верхней мертвой точки поршня
Кол-во
0
?
Узнать цену
236-1002333
Указатель верхней мертвой точки поршня
Производство:
ПАО Автодизель (ЯМЗ)
Под заказ
38
p
В корзину
44
236-1002318
Крышка люка картера
Кол-во
0
?
Узнать цену
236-1002318
Крышка ЯМЗ люка картера маховика
Производство:
ПАО Автодизель (ЯМЗ)
2 в наличии
198
p
В корзину
45
201454-П29
Болт М8х16
Кол-во
0
?
Узнать цену
201454-П29
Болт М8х1.25х16 крепления крышки штанги реактивной УРАЛ
Производство:
ПАО Автодизель (ЯМЗ)
35 в наличии
13
p
В корзину
201454-П29
Болт М8х1.25х16 крепления крышки штанги реактивной УРАЛ
Производство:
АЗ Урал
Под заказ
19
p
В корзину
46
236-1005160-А2
Манжета в сборе
Кол-во
0
?
Оставить заявку
47
236-1002315
Маслоотражатель
Кол-во
0
?
Узнать цену
236-1002315
Маслоотражатель ЯМЗ
Производство:
ПАО Автодизель (ЯМЗ)
11 в наличии
230
p
В корзину
48
236-1002404
Заглушка
Кол-во
0
?
Узнать цену
236-1002404
Заглушка ЯМЗ водяного канала
Производство:
Россия
Под заказ
цена по запросу
В корзину
236-1002404
Заглушка ЯМЗ водяного канала
Производство:
ПАО Автодизель (ЯМЗ)
Под заказ
127
p
В корзину
49
201-1306075-А
Прокладка
Кол-во
0
?
Узнать цену
201-1306075-А
Прокладка ЯМЗ-8421 корпуса крана сливного
Производство:
ПАО Автодизель (ЯМЗ)
Под заказ
9
p
В корзину
50
238-1002015
Блок цилиндров
Кол-во
0
?
Оставить заявку
51
236-1005178-А
Болт стяжной длинный
Кол-во
0
?
Узнать цену
236-1005178-А
Болт стяжной МАЗ, УРАЛ, КрАЗ дв. ЯМЗ-236, 238 длинный
Производство:
ПАО Автодизель (ЯМЗ)
Под заказ
347
p
В корзину
52
236-1005152-Г
Крышка заднего подшипника коленчатого вала
Кол-во
0
?
Узнать цену
236-1005152-Г
Крышка ЯМЗ подшипника коленвала задняя
Производство:
ПАО Автодизель (ЯМЗ)
56 в наличии
2 739
p
В корзину
53
312304-П
Шайба
Кол-во
0
?
Узнать цену
312304-П
Шайба 21
Производство:
ПАО Автодизель (ЯМЗ)
Под заказ
83
p
В корзину
54
236-1005159
Болт крышки коренного подшипника
Кол-во
0
?
Узнать цену
236-1005159
Болт ЯМЗ крышки коленвала
Производство:
ПАО Автодизель (ЯМЗ)
18 в наличии
824
p
В корзину
55
238-1005156
Крышка промежуточного подшипника коленчатого вала
Кол-во
0
?
Узнать цену
238-1005156
Крышка ЯМЗ подшипника промежуточного коленвала
Производство:
ПАО Автодизель (ЯМЗ)
Под заказ
3 136
p
В корзину
56
236-1005140-В
Крышка переднего подшипника коленчатого вала
Кол-во
0
?
Узнать цену
236-1005140-В
Крышка ЯМЗ подшипника коленвала передняя
Производство:
ПАО Автодизель (ЯМЗ)
1 в наличии
3 053
p
В корзину
57
236-1002265-А
Прокладка крышки шестерен распределения левая
Кол-во
0
?
Оставить заявку
58
200325-П29
Болт
Кол-во
0
?
Узнать цену
200325-П29
Болт М10х1.5х80 распределителя ГУРа, глушителя, крышки шестерен блока цилиндров
Производство:
ПАО Автодизель (ЯМЗ)
Под заказ
30
p
В корзину
Получить консультацию
У нас большой опыт по подбору запчастей, и мы с радостью поможем вам найти нужную деталь, даже если вы не знаете ее артикул
Дмитрий Иванов
Директор отдела продаж
Мобильный номер:
8 (912) 474-74-74
E-mail:
td.uralval@mail.ru
Вы должны включить JavaScript чтобы использовать эту форму.
Ваше имя
Ваш телефон
Комментарий
Я соглашаюсь с
Политикой конфиденциальности
и даю согласие на обработку персональных данных.
Feed me
Отправить