Запчасти для грузовых автомобилей
8-800-555-32-41
Перезвоните мне
Отправить готовую заявку
0
Корзина
Поиск
КАТАЛОГ ПРОДУКЦИИ
Запчасти УРАЛ
Запчасти КамАЗ
Запчасти АМТ
Запчасти ЧТЗ
Запчасти погрузчиков Dalian
Запчасти ЯМЗ
Двигатели ЯМЗ в сборе
Запчасти Shaanxi Fast Gear
Лебедки
Спецпредложения
О компании
Доставка и оплата
Гарантии и сервис
Контакты
Графические каталоги запчастей
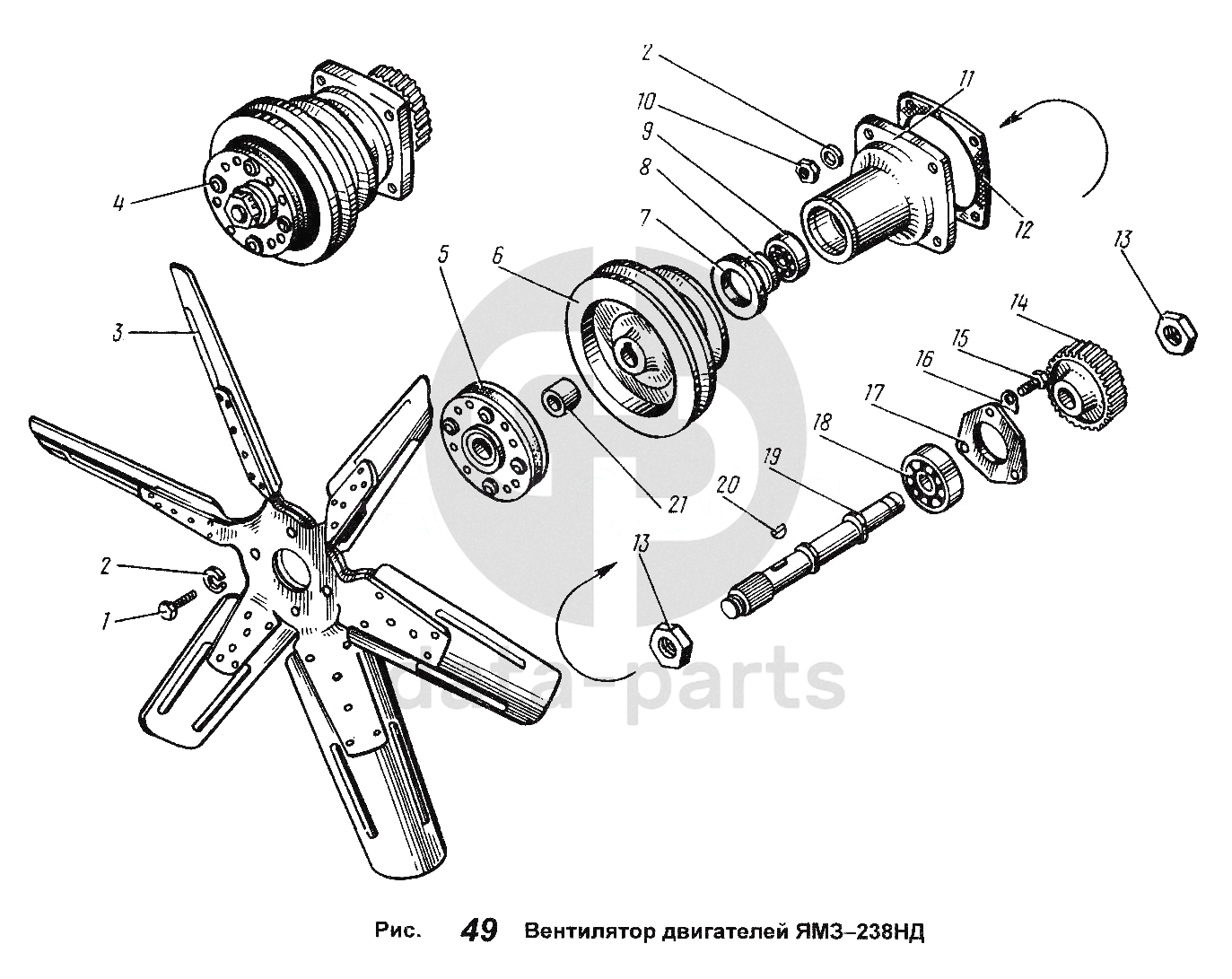
Вентилятор двигателя ЯМЗ-238НД Общий (см. мод-ции)
Главная
/
Графические каталоги
/
ЯМЗ
/
Общий (см. мод-ции)
/
Вентилятор двигателя ЯМЗ-238НД
1
2
2
3
4
5
6
7
8
9
10
11
12
13
13
14
15
16
17
18
19
20
21
%
1
201499-П29
Болт 10-6gх30
Кол-во
0
?
Узнать цену
201499-П29
Болт М10х1.5х30 привода распределителя, крышки картера сцепления ЗИЛ, привода насоса масляного ГАЗ-3110
Производство:
ПАО Автодизель (ЯМЗ)
66 в наличии
58
p
В корзину
201499-П29
Болт М10х1.5х30 привода распределителя, крышки картера сцепления ЗИЛ, привода насоса масляного ГАЗ-3110
Производство:
АЗ Урал
Под заказ
24
p
В корзину
2
252136-П2
Шайба 10 пружинная
Кол-во
0
?
Узнать цену
252136-П2
Шайба 10.2х2.5 пружинная
Производство:
ПАО Автодизель (ЯМЗ)
509 в наличии
11
p
В корзину
3
238НБ-1308012-Б
Крыльчатка вентилятора в сборе
Кол-во
0
?
Оставить заявку
4
238НБ-1308011-В
Привод вентилятора в сборе
Кол-во
0
?
Оставить заявку
5
236-1308090-В
Муфта упругая
Кол-во
0
?
Оставить заявку
6
238НБ-1308025
Шкив
Кол-во
0
?
Узнать цену
238НБ-1308025
Шкив ЯМЗ-236НД привода вентилятора
Производство:
ПАО Автодизель (ЯМЗ)
Под заказ
2 946
p
В корзину
7
210-1701230
Манжета с пружиной в сборе
Кол-во
0
?
Оставить заявку
8
236-1308055
Втулка манжеты
Кол-во
0
?
Оставить заявку
9
6-205К
Подшипник шариковый радиальный однорядный 25х52х15
Кол-во
0
?
Оставить заявку
10
250513-П29
Гайка
Кол-во
0
?
Узнать цену
250513-П29
Гайка М10х1.0х8 многоцелевая (упаковка 40шт.)
Производство:
ПАО Автодизель (ЯМЗ)
75 в наличии
12
p
В корзину
250513-П29
Гайка М10х1.0х8 многоцелевая (упаковка 40шт.)
Производство:
АЗ Урал
Под заказ
22
p
В корзину
11
236-1308102
Корпус привода
Кол-во
0
?
Оставить заявку
12
236-1308108
Прокладка корпуса
Кол-во
0
?
Узнать цену
236-1308108
Прокладка ЯМЗ привода вентилятора
Производство:
Россия
Под заказ
цена по запросу
В корзину
236-1308108
Прокладка ЯМЗ привода вентилятора
Производство:
ПАО Автодизель (ЯМЗ)
Под заказ
20
p
В корзину
13
250659-П29
Гайка М22х1,5-6Н
Кол-во
0
?
Узнать цену
250659-П29
Гайка М22х1.5 ЯМЗ привода вентилятора
Производство:
ПАО Автодизель (ЯМЗ)
Под заказ
157
p
В корзину
250659-П29
Гайка М22х1.5 ЯМЗ привода вентилятора
Производство:
АЗ Урал
Под заказ
41
p
В корзину
14
236-1308104-Б
Шестерня
Кол-во
0
?
Оставить заявку
15
201456-П29
Болт М8-6gх20
Кол-во
0
?
Узнать цену
201456-П29
Болт М8х1.25х20 ЗИЛ масляного картера, ГАЗ-2410 системы выхлопа механизма рулевого
Производство:
ПАО Автодизель (ЯМЗ)
342 в наличии
13
p
В корзину
201456-П29
Болт М8х1.25х20 ЗИЛ масляного картера, ГАЗ-2410 системы выхлопа механизма рулевого
Производство:
АЗ Урал
Под заказ
21
p
В корзину
16
312532-П15
Шайба стопорная
Кол-во
0
?
Оставить заявку
17
236-1308107
Фланец упорный
Кол-во
0
?
Оставить заявку
18
305
Подшипник шариковый радиальный однорядный 25х62х17
Кол-во
0
?
Узнать цену
305
Подшипник шариковый (на привод агрегатов, гидромуфты привода вентилятора)
Производство:
Россия
Под заказ
цена по запросу
В корзину
19
238НБ-1308050
Вал привода вентилятора
Кол-во
0
?
Оставить заявку
20
314008-П2
Шпонка
Кол-во
0
?
Оставить заявку
21
238НБ-1308098
Втулка
Кол-во
0
?
Оставить заявку
Получить консультацию
У нас большой опыт по подбору запчастей, и мы с радостью поможем вам найти нужную деталь, даже если вы не знаете ее артикул
Дмитрий Иванов
Директор отдела продаж
Мобильный номер:
8 (912) 474-74-74
E-mail:
td.uralval@mail.ru
Вы должны включить JavaScript чтобы использовать эту форму.
Ваше имя
Ваш телефон
Комментарий
Я соглашаюсь с
Политикой конфиденциальности
и даю согласие на обработку персональных данных.
Feed me
Отправить