Запчасти для грузовых автомобилей
8-800-555-32-41
Перезвоните мне
Отправить готовую заявку
0
Корзина
Поиск
КАТАЛОГ ПРОДУКЦИИ
Запчасти УРАЛ
Запчасти КамАЗ
Запчасти АМТ
Запчасти ЧТЗ
Запчасти погрузчиков Dalian
Запчасти ЯМЗ
Двигатели ЯМЗ в сборе
Запчасти Shaanxi Fast Gear
Лебедки
Спецпредложения
О компании
Доставка и оплата
Гарантии и сервис
Контакты
Графические каталоги запчастей
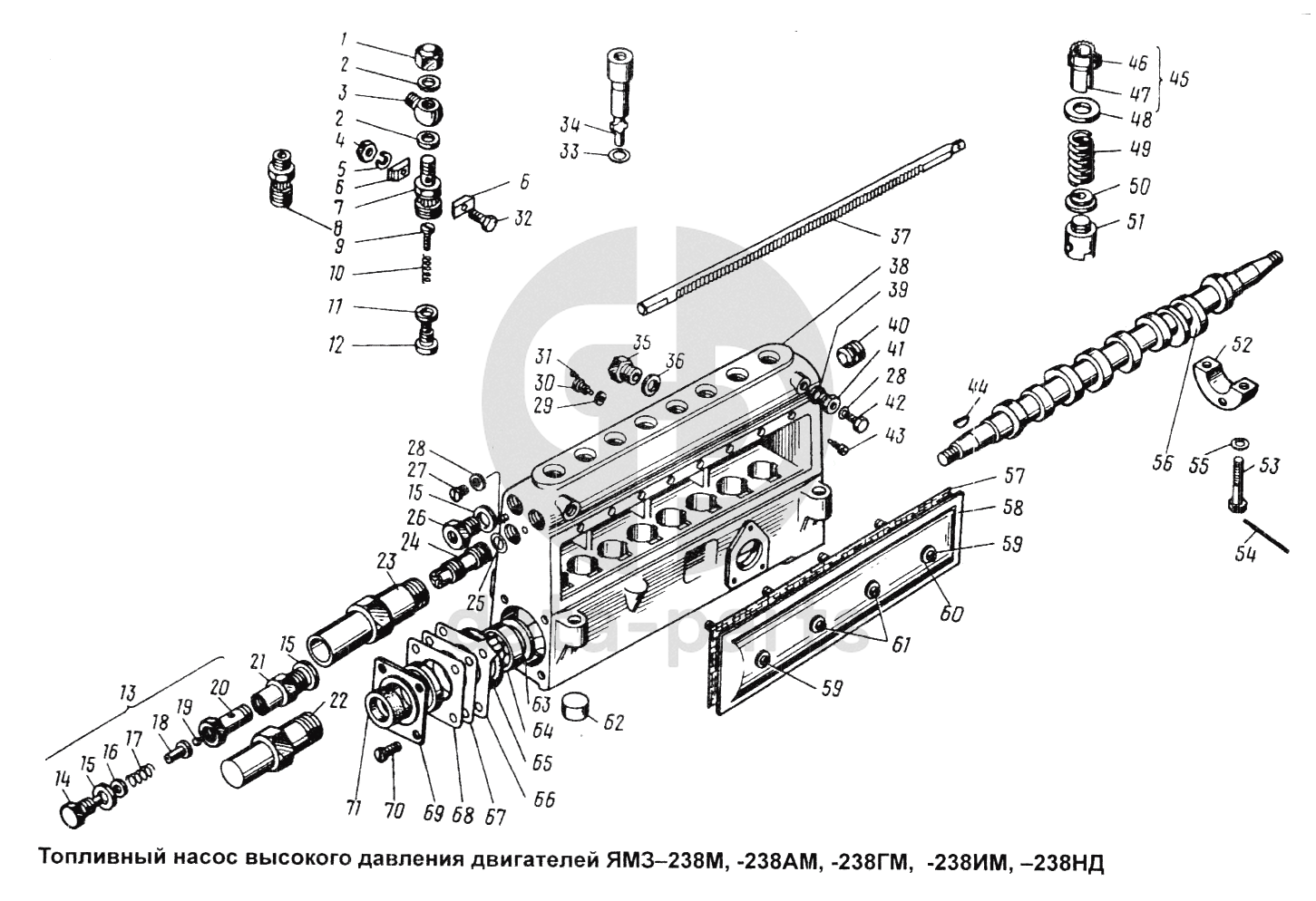
Топливный насос высокого давления двигателей ЯМЗ-238М, -238АМ, -238ГМ, -238ИМ, -238НД Общий (см. мод-ции)
Главная
/
Графические каталоги
/
ЯМЗ
/
Общий (см. мод-ции)
/
Топливный насос высокого давления двигателей ЯМЗ-238М, -238АМ, -238ГМ, -238ИМ, -238НД
1
2
2
3
4
5
6
6
7
8
9
10
11
12
13
14
15
15
15
16
17
18
19
20
21
22
23
24
25
26
27
28
28
29
30
31
32
33
34
35
36
37
38
39
40
41
42
43
44
45
46
47
48
49
50
51
52
53
54
55
56
57
58
59
59
60
61
62
63
65
66
67
68
69
70
71
%
1
312107-П15
Гайка колпачковая
Кол-во
0
?
Оставить заявку
2
312450-П
Шайба
Кол-во
0
?
Оставить заявку
3
236-1111116
Ниппель
Кол-во
0
?
Оставить заявку
4
250508-П29
Гайка М6
Кол-во
0
?
Узнать цену
250508-П29
Гайка М6 многоцелевая (упаковка 15шт.)
Производство:
ПАО Автодизель (ЯМЗ)
203 в наличии
9
p
В корзину
250508-П29
Гайка М6 многоцелевая (упаковка 15шт.)
Производство:
АЗ Урал
Под заказ
8
p
В корзину
5
252134-П29
Шайба пружинная
Кол-во
0
?
Оставить заявку
6
236-1111120
Сухарь
Кол-во
0
?
Оставить заявку
7
60.1111118
Штуцер
Кол-во
0
?
Оставить заявку
8
60.1111118-20
Штуцер топливного насоса
Кол-во
0
?
Узнать цену
60.1111118-20
Штуцер ЯМЗ ТНВД
Производство:
АО ЯЗДА
138 в наличии
364
p
В корзину
9
60.1111113-10
Упор клапана
Кол-во
0
?
Узнать цену
60.1111113-10
Упор клапана
Производство:
АО ЯЗДА
Под заказ
150
p
В корзину
10
33.1111108
Пружина нагнетательного клапана
Кол-во
0
?
Узнать цену
33.1111108
Пружина
Производство:
АО ЯЗДА
Под заказ
45
p
В корзину
11
236-1111086
Прокладка нагнетательного клапана
Кол-во
0
?
Оставить заявку
12
33.1111102
Клапан нагнетательный
Кол-во
0
?
Оставить заявку
13
33.1111282
Клапан перепускной в сборе
Кол-во
0
?
Оставить заявку
14
33.1111301
Пробка
Кол-во
0
?
Оставить заявку
15
312630-П
Шайба
Кол-во
0
?
Узнать цену
312630-П
Шайба 20.3х24.0х1.5 ЯМЗ клапана перепускного ФТОТ медная
Производство:
ПАО Автодизель (ЯМЗ)
86 в наличии
61
p
В корзину
16
870617-П
Шайба регулировочная
Кол-во
0
?
Оставить заявку
17
33.1111289
Пружина клапана
Кол-во
0
?
Оставить заявку
18
33.1111290
Направляющая клапана
Кол-во
0
?
Оставить заявку
19
33.1111325
Шарик Б 6,35 мм
Кол-во
0
?
Узнать цену
33.1111325
Шарик
Производство:
АО ЯЗДА
Под заказ
920
p
В корзину
20
33.1111285
Корпус клапана
Кол-во
0
?
Оставить заявку
21
60.1111286
Ввертыш клапана
Кол-во
0
?
Оставить заявку
22
238НБ-1111238
Втулка рейки
Кол-во
0
?
Оставить заявку
23
236-1111238-Е
Втулка ограничителя мощности
Кол-во
0
?
Оставить заявку
24
236-1111249
Винт ограничителя мощности
Кол-во
0
?
Оставить заявку
25
236-1111245
Кольцо уплотнительное
Кол-во
0
?
Узнать цену
236-1111245
Кольцо уплотнительное 012-016-25-2-2 (236-1111245, 238-1722063)
Производство:
АО ЯЗДА
Под заказ
37
p
В корзину
26
236-1111032
Ввертыш корпуса
Кол-во
0
?
Оставить заявку
27
3107044129
Винт
Кол-во
0
?
Оставить заявку
28
312446-П
Шайба
Кол-во
0
?
Оставить заявку
29
312353-П
Шайба
Кол-во
0
?
Оставить заявку
30
310952-П15
Винт
Кол-во
0
?
Оставить заявку
31
236-1111154
Стопор
Кол-во
0
?
Оставить заявку
32
201426-П29
Болт
Кол-во
0
?
Оставить заявку
33
236М-1111083-А
Кольцо уплотнительное втулки плунжера
Кол-во
0
?
Узнать цену
236М-1111083-А
Кольцо уплотнительное
Производство:
АО ЯЗДА
Под заказ
88
p
В корзину
34
60.1111073
Пара плунжерная с кольцом
Кол-во
0
?
Оставить заявку
35
236М-1111034-А
Ввертыш корпуса
Кол-во
0
?
Оставить заявку
36
312445-П
Шайба
Кол-во
0
?
Оставить заявку
37
238-1111040
Рейка топливного насоса высокого давления
Кол-во
0
?
Узнать цену
238-1111040
Рейка ТНВД дв.ЯМЗ-238
Производство:
АО ЯЗДА
2 в наличии
853
p
В корзину
38
238-1111020-В2
Корпус топливного насоса
Кол-во
0
?
Оставить заявку
39
312449-11
Шайба
Кол-во
0
?
Оставить заявку
40
236-1111050
Пробка корпуса
Кол-во
0
?
Узнать цену
236-1111050
Пробка корпуса
Производство:
АО ЯЗДА
Под заказ
168
p
В корзину
41
236-1111036
Ввертыш корпуса
Кол-во
0
?
Оставить заявку
42
852882-П15
Пробка спуска воздуха
Кол-во
0
?
Оставить заявку
43
236-1111122
Винт установочный втулки плунжера
Кол-во
0
?
Узнать цену
236-1111122
Винт
Производство:
АО ЯЗДА
Под заказ
125
p
В корзину
44
314019-П
Шпонка сегментная
Кол-во
0
?
Оставить заявку
45
236-1111060
Венец зубчатый с втулкой
Кол-во
0
?
Оставить заявку
46
236-1111062
Венец зубчатый
Кол-во
0
?
Оставить заявку
47
236-1111064
Втулка венца
Кол-во
0
?
Оставить заявку
48
236-1111150-Б
Тарелка пружины толкателя верхняя
Кол-во
0
?
Оставить заявку
49
236-1111148-Б
Пружина толкателя
Кол-во
0
?
Оставить заявку
50
236-1111151-Е
Тарелка нижняя
Кол-во
0
?
Оставить заявку
51
236-1111136
Толкатель плунжера
Кол-во
0
?
Оставить заявку
52
236-1111177-Б
Опора кулачкового вала
Кол-во
0
?
Оставить заявку
53
852007-П15
Болт
Кол-во
0
?
Оставить заявку
54
852702-П
Шплинт-проволока
Кол-во
0
?
Оставить заявку
55
005-008-19-2-2
Кольцо уплотнительное
Кол-во
0
?
Оставить заявку
56
238-1111172-Б
Вал кулачковый
Кол-во
0
?
Оставить заявку
57
238-1111226-А2
Прокладка крышки
Кол-во
0
?
Узнать цену
238-1111226-А2
Прокладка крышки ТНВД МАЗ,УРАЛ ПМБ 2мм
Производство:
АО ЯЗДА
Под заказ
251
p
В корзину
58
80.1111222
Крышка насоса высокого давления
Кол-во
0
?
Оставить заявку
59
236-1111227-Б
Винт крепления крышки
Кол-во
0
?
Оставить заявку
60
312651-П
Шайба
Кол-во
0
?
Оставить заявку
61
236-1111229-Б
Винт крепления крышки
Кол-во
0
?
Оставить заявку
62
236-1111027
Заглушка чашечная
Кол-во
0
?
Оставить заявку
63
312439-П15
Шайба
Кол-во
0
?
Узнать цену
312439-П15
Шайба
Производство:
АО ЯЗДА
Под заказ
37
p
В корзину
65
236-1111196
Кольцо уплотнительное
Кол-во
0
?
Узнать цену
236-1111196
Кольцо уплотнительное 054-058-25-2-2
Производство:
АО ЯЗДА
Под заказ
102
p
В корзину
66
60.1111280-10
Указатель начала подачи топлива
Кол-во
0
?
Узнать цену
60.1111280-10
Указатель начала подачи топ.
Производство:
АО ЯЗДА
Под заказ
145
p
В корзину
67
236-1111194
Прокладка крышки
Кол-во
0
?
Узнать цену
236-1111194
Прокладка крышки подшипника
Производство:
АО ЯЗДА
Под заказ
51
p
В корзину
68
236-1111193
Прокладка крышки
Кол-во
0
?
Узнать цену
236-1111193
Прокладка крышки подшипника
Производство:
АО ЯЗДА
Под заказ
38
p
В корзину
69
236-1111182-А2
Крышка подшипника
Кол-во
0
?
Оставить заявку
70
311200-А2
Винт
Кол-во
0
?
Оставить заявку
71
236-1111186-А3
Манжета крышки подшипника
Кол-во
0
?
Оставить заявку
Получить консультацию
У нас большой опыт по подбору запчастей, и мы с радостью поможем вам найти нужную деталь, даже если вы не знаете ее артикул
Дмитрий Иванов
Директор отдела продаж
Мобильный номер:
8 (912) 474-74-74
E-mail:
td.uralval@mail.ru
Вы должны включить JavaScript чтобы использовать эту форму.
Ваше имя
Ваш телефон
Комментарий
Я соглашаюсь с
Политикой конфиденциальности
и даю согласие на обработку персональных данных.
Feed me
Отправить