Запчасти для грузовых автомобилей
8-800-555-32-41
Перезвоните мне
Отправить готовую заявку
0
Корзина
Поиск
КАТАЛОГ ПРОДУКЦИИ
Запчасти УРАЛ
Запчасти КамАЗ
Запчасти АМТ
Запчасти ЧТЗ
Запчасти погрузчиков Dalian
Запчасти ЯМЗ
Двигатели ЯМЗ в сборе
Запчасти Shaanxi Fast Gear
Лебедки
Спецпредложения
О компании
Доставка и оплата
Гарантии и сервис
Контакты
Графические каталоги запчастей
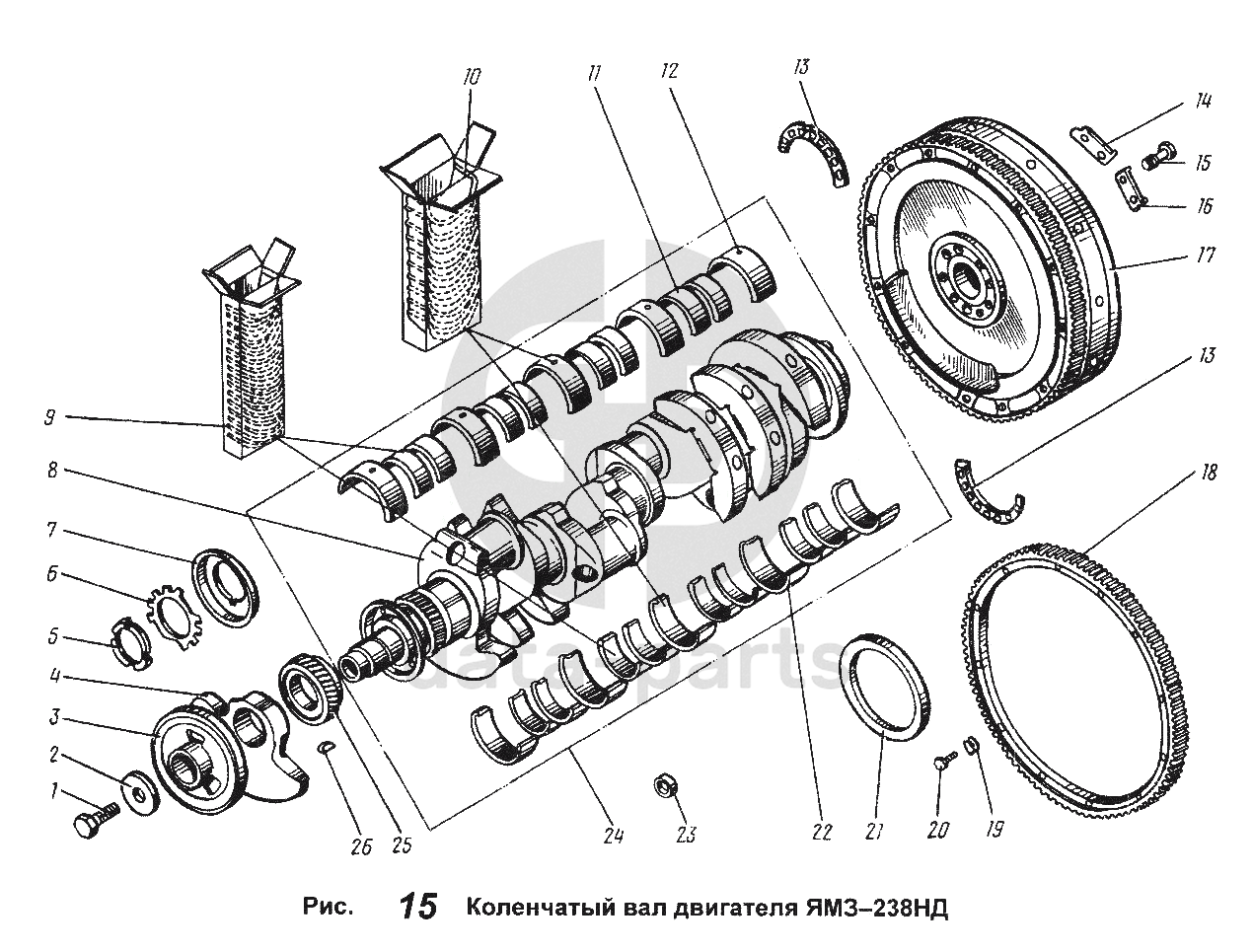
Коленчатый вал двигателя ЯМЗ-238НД Общий (см. мод-ции)
Главная
/
Графические каталоги
/
ЯМЗ
/
Общий (см. мод-ции)
/
Коленчатый вал двигателя ЯМЗ-238НД
1
2
3
4
5
6
7
8
9
9
9
9
9
9
9
10
10
10
10
10
10
10
11
13
13
14
15
16
17
18
19
20
21
22
23
24
25
26
12
%
1
310040-П29
Болт
Кол-во
0
?
Узнать цену
310040-П29
Болт М24х2.0х50 крепления шкива коленвала ЯМЗ
Производство:
ПАО Автодизель (ЯМЗ)
16 в наличии
525
p
В корзину
2
201-1005066
Шайба
Кол-во
0
?
Узнать цену
201-1005066
Шайба ЯМЗ-236 238 шкива коленвала
Производство:
ПАО Автодизель (ЯМЗ)
1 в наличии
144
p
В корзину
3
238НБ-1005061
Шкив
Кол-во
0
?
Узнать цену
238НБ-1005061
Шкив ЯМЗ коленвала
Производство:
ПАО Автодизель (ЯМЗ)
36 в наличии
2 647
p
В корзину
4
238-1005026-Б
Противовес передний
Кол-во
0
?
Оставить заявку
5
236-1005055
Гайка кольцевая
Кол-во
0
?
Узнать цену
236-1005055
Гайка ЯМЗ коленвала и делителя М68х2
Производство:
ПАО Автодизель (ЯМЗ)
9 в наличии
630
p
В корзину
6
236-1005056-А
Шайба замковая
Кол-во
0
?
Узнать цену
236-1005056-А
Шайба ЯМЗ замковая коленвала
Производство:
ПАО Автодизель (ЯМЗ)
20 в наличии
59
p
В корзину
7
236-1005043
Маслоотражатель передний
Кол-во
0
?
Узнать цену
236-1005043
Маслоотражатель ЯМЗ коленвала малый
Производство:
ПАО Автодизель (ЯМЗ)
20 в наличии
127
p
В корзину
8
238-1005008-Г2
Вал коленчатый
Кол-во
0
?
Оставить заявку
9
238Э-1000104-В2-Р4
Вкладыши шатунных подшипников 87 мм (комплект)
Кол-во
0
?
Оставить заявку
9
238Э-1000104-В2-Р5
Вкладыши шатунных подшипников, 86,75 мм, комплект
Кол-во
0
?
Оставить заявку
9
238Э-1000104-В2-Р6
Вкладыши шатунных подшипников, 86,50 мм, комплект
Кол-во
0
?
Оставить заявку
9
238Э-1000104-В2-Р1
Вкладыши шатунных подшипников, 87,75 мм, комплект
Кол-во
0
?
Оставить заявку
9
238Э-4000104-В2
Вкладыши шатунных подшипников, 88 мм, комплект
Кол-во
0
?
Оставить заявку
9
238Э-1000104-В2-Р2
Вкладыши шатунных подшипников, 87,50 мм, комплект
Кол-во
0
?
Оставить заявку
9
238Э-1000104-В2-Р3
Вкладыши шатунных подшипников, 87,25 мм, комплект
Кол-во
0
?
Оставить заявку
10
238-1000102-Б2-Р1
Вкладыши коренных подшипников 109,75 мм (комплект)
Кол-во
0
?
Узнать цену
238-1000102-Б2-Р1
Вкладыши ЯМЗ-238 коренные d+0.25
Производство:
ПАО Автодизель (ЯМЗ)
3 в наличии
3 097
p
В корзину
10
238-1000102-Б2
Вкладыши коренных подшипников 110 мм (комплект)
Кол-во
0
?
Узнать цену
238-1000102-Б2
Вкладыши ЯМЗ-238 коренные d+0.00
Производство:
ПАО Автодизель (ЯМЗ)
38 в наличии
3 097
p
В корзину
10
238-1000102-Б2-Р2
Вкладыши коренных подшипников 109,50 мм (комплект)
Кол-во
0
?
Узнать цену
238-1000102-Б2-Р2
Вкладыши ЯМЗ-238 коренные d+0.50
Производство:
ПАО Автодизель (ЯМЗ)
16 в наличии
3 097
p
В корзину
10
238-1000102-Б2-Р3
Вкладыши коренных подшипников 109,25 мм (комплект)
Кол-во
0
?
Узнать цену
238-1000102-Б2-Р3
Вкладыши ЯМЗ-238 коренные d+0.75
Производство:
ПАО Автодизель (ЯМЗ)
Под заказ
3 097
p
В корзину
10
238-1000102-Б2-Р4
Вкладыши коренных подшипников 109 мм (комплект)
Кол-во
0
?
Узнать цену
238-1000102-Б2-Р4
Вкладыши ЯМЗ-238 коренные d+1.00
Производство:
ПАО Автодизель (ЯМЗ)
Под заказ
3 097
p
В корзину
10
238-1000102-Б2-Р5
Вкладыши коренных подшипников 108,75 мм (комплект)
Кол-во
0
?
Узнать цену
238-1000102-Б2-Р5
Вкладыши ЯМЗ-238 коренные d+1.25
Производство:
ПАО Автодизель (ЯМЗ)
Под заказ
3 097
p
В корзину
10
238-1000102-Б2-Р6
Вкладыши коренных подшипников 108,50 мм (комплект)
Кол-во
0
?
Узнать цену
238-1000102-Б2-Р6
Вкладыши ЯМЗ-238 коренные d+1.50
Производство:
ПАО Автодизель (ЯМЗ)
Под заказ
3 097
p
В корзину
11
236-1004058-В
Вкладыш шатунного подшипника
Кол-во
0
?
Оставить заявку
12
236-1005170-В
Вкладыш подшипника коленчатого вала верхний
Кол-во
0
?
Оставить заявку
13
236-1005183-Д
Полукольцо упорного подшипника
Кол-во
0
?
Оставить заявку
14
236-1005129-Б
Пластина замковая левая
Кол-во
0
?
Узнать цену
236-1005129-Б
Пластина ЯМЗ крепления маховика левая
Производство:
ПАО Автодизель (ЯМЗ)
113 в наличии
84
p
В корзину
15
236-1005127-А
Болт крепления маховика
Кол-во
0
?
Оставить заявку
16
236-1005128-А
Пластина замковая правая
Кол-во
0
?
Узнать цену
236-1005128-А
Пластина ЯМЗ крепления маховика правая
Производство:
ПАО Автодизель (ЯМЗ)
211 в наличии
54
p
В корзину
17
238НБ-1005115-В
Маховик
Кол-во
0
?
Оставить заявку
18
236-1005125-А2
Обод
Кол-во
0
?
Оставить заявку
19
312579-П29
Шайба стопорная
Кол-во
0
?
Узнать цену
312579-П29
Шайба ЯМЗ стопорная обода маховика
Производство:
ПАО Автодизель (ЯМЗ)
Под заказ
15
p
В корзину
20
201501-П29
Болт М10
Кол-во
0
?
Узнать цену
201501-П29
Болт М10х1.5х35 центрифуги, картера рычага КПП ЗИЛ, выхлопной системы ГАЗ-3110,, обода маховика
Производство:
ПАО Автодизель (ЯМЗ)
Под заказ
17
p
В корзину
201501-П29
Болт М10х1.5х35 центрифуги, картера рычага КПП ЗИЛ, выхлопной системы ГАЗ-3110,, обода маховика
Производство:
АЗ Урал
Под заказ
33
p
В корзину
21
236-1005042
Маслоотражатель задний
Кол-во
0
?
Узнать цену
236-1005042
Маслоотражатель ЯМЗ коленвала большой
Производство:
ПАО Автодизель (ЯМЗ)
20 в наличии
211
p
В корзину
22
236-1005171-В
Вкладыш подшипника коленчатого вала нижний
Кол-во
0
?
Оставить заявку
23
313933-П
Заглушка
Кол-во
0
?
Оставить заявку
24
238-1000107-В4
Вал коленчатый с вкладышами подшипников (комплект)
Кол-во
0
?
Оставить заявку
25
236-1005030-А
Шестерня распределительная
Кол-во
0
?
Оставить заявку
26
314006-П2
Шпонка сегментная
Кол-во
0
?
Узнать цену
314006-П2
Шпонка ЯМЗ коленвала D32хB10хH14
Производство:
ПАО Автодизель (ЯМЗ)
12 в наличии
816
p
В корзину
Получить консультацию
У нас большой опыт по подбору запчастей, и мы с радостью поможем вам найти нужную деталь, даже если вы не знаете ее артикул
Дмитрий Иванов
Директор отдела продаж
Мобильный номер:
8 (912) 474-74-74
E-mail:
td.uralval@mail.ru
Вы должны включить JavaScript чтобы использовать эту форму.
Ваше имя
Ваш телефон
Комментарий
Я соглашаюсь с
Политикой конфиденциальности
и даю согласие на обработку персональных данных.
Feed me
Отправить