Запчасти для грузовых автомобилей
8-800-555-32-41
Перезвоните мне
Отправить готовую заявку
0
Корзина
Поиск
КАТАЛОГ ПРОДУКЦИИ
Запчасти УРАЛ
Запчасти КамАЗ
Запчасти АМТ
Запчасти ЧТЗ
Запчасти погрузчиков Dalian
Запчасти ЯМЗ
Двигатели ЯМЗ в сборе
Запчасти Shaanxi Fast Gear
Лебедки
Спецпредложения
О компании
Доставка и оплата
Гарантии и сервис
Контакты
Графические каталоги запчастей
Гидрораскос Рабочее оборудование Б10М
Главная
/
Графические каталоги
/
ЧТЗ
/
Рабочее оборудование Б10М
/
Гидрораскос
%
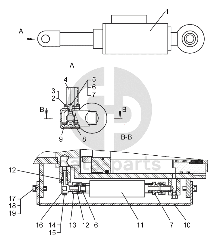
1
50-50-226СП
Гидроцилиндр
Кол-во
1
?
Узнать цену
50-50-226СП
Гидроцилиндр
Производство:
ЧТЗ
Под заказ
цена по запросу
В корзину
2
БолтМ10-6g25.58.019
Болт
Кол-во
4
?
Оставить заявку
3
Шайба10ОТ65Г09
Шайба
Кол-во
4
?
Оставить заявку
4
50-50-178СП
Ограждение
Кол-во
2
?
Оставить заявку
5
700-40-7035
Заглушка
Кол-во
2
?
Оставить заявку
6
700-40-7939
Кольцо
Кол-во
4
?
Оставить заявку
7
700-41-3533
Штуцер
Кол-во
3
?
Оставить заявку
8
ГайкаМ8.6.019
Гайка
Кол-во
4
?
Оставить заявку
9
700-29-2470
Шпилька
Кол-во
2
?
Оставить заявку
10
50-50-177СП
Кожух
Кол-во
1
?
Оставить заявку
11
50-50-195СП
Гидрозамок
Кол-во
1
?
Узнать цену
50-50-195СП
Гидрозамок
Производство:
ЧТЗ
Под заказ
цена по запросу
В корзину
12
700-40-7938
Кольцо
Кол-во
3
?
Оставить заявку
13
50-50-186
Компенсатор
Кол-во
1
?
Оставить заявку
14
28458
Болт
Кол-во
1
?
Оставить заявку
15
40920
Кольцо
Кол-во
1
?
Оставить заявку
16
700-41-3532
Угольник
Кол-во
1
?
Оставить заявку
17
БолтМ12-6gх35.58.019
Болт
Кол-во
4
?
Оставить заявку
18
Шайба12ОТ65Г09
Шайба
Кол-во
4
?
Оставить заявку
19
31372
Шайба
Кол-во
4
?
Оставить заявку
1
50-50-121СП
Гидрораскос
Кол-во
0
?
Оставить заявку
Получить консультацию
У нас большой опыт по подбору запчастей, и мы с радостью поможем вам найти нужную деталь, даже если вы не знаете ее артикул
Дмитрий Иванов
Директор отдела продаж
Мобильный номер:
8 (912) 474-74-74
E-mail:
td.uralval@mail.ru
Вы должны включить JavaScript чтобы использовать эту форму.
Ваше имя
Ваш телефон
Комментарий
Я соглашаюсь с
Политикой конфиденциальности
и даю согласие на обработку персональных данных.
Feed me
Отправить