Запчасти для грузовых автомобилей
8-800-555-32-41
Перезвоните мне
Отправить готовую заявку
0
Корзина
Поиск
КАТАЛОГ ПРОДУКЦИИ
Запчасти УРАЛ
Запчасти КамАЗ
Запчасти АМТ
Запчасти ЧТЗ
Запчасти погрузчиков Dalian
Запчасти ЯМЗ
Двигатели ЯМЗ в сборе
Запчасти Shaanxi Fast Gear
Лебедки
Спецпредложения
О компании
Доставка и оплата
Гарантии и сервис
Контакты
Графические каталоги запчастей
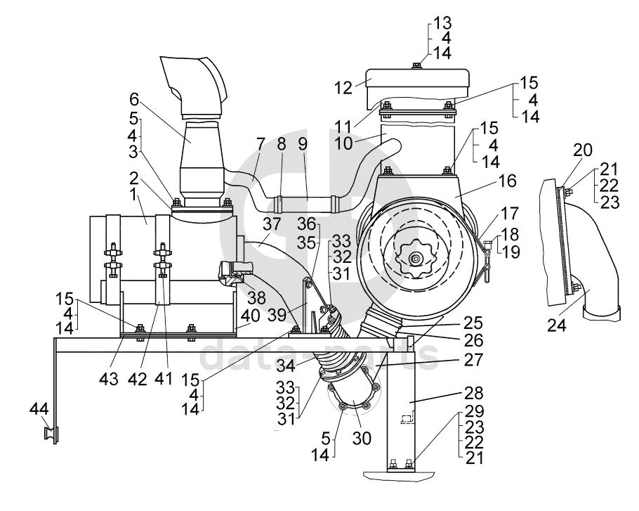
Установка агрегатов систем впуска и выпуска Бульдозер Б12
Главная
/
Графические каталоги
/
ЧТЗ
/
Бульдозер Б12
/
Установка агрегатов систем впуска и выпуска
1
2
3
4
4
4
4
4
4
5
5
6
7
8
8
9
10
11
12
13
14
14
14
14
14
14
15
15
15
15
16
17
18
19
20
21
21
22
22
23
23
24
25
26
27
28
29
30
31
31
32
32
33
33
34
35
36
37
38
39
40
41
42
43
44
%
1
51-05-459СП
Глушитель
Кол-во
1
?
Оставить заявку
2
700-40-2636
Прокладка
Кол-во
1
?
Оставить заявку
3
Шпилька2М103р/6gх35.66.083
Шпилька
Кол-во
6
?
Оставить заявку
4
31308-1
Шайба
Кол-во
21
?
Оставить заявку
5
ГайкаМ10-7Н.6.089
Гайка
Кол-во
18
?
Оставить заявку
6
64-05-160СП
Выхлопная труба
Кол-во
1
?
Оставить заявку
7
700-40-3686
Рукав
Кол-во
2
?
Оставить заявку
8
700-41-2235-17СП
Хомут
Кол-во
2
?
Оставить заявку
8
SGT32-50/9
Хомут червячный
Кол-во
2
?
Оставить заявку
9
700-40-3686-01
Рукав
Кол-во
1
?
Оставить заявку
10
64-05-180СП
Мультициклон
Кол-во
1
?
Оставить заявку
11
64-05-153СП
Воздухозаборник
Кол-во
1
?
Оставить заявку
12
64-05-157СП
Крышка
Кол-во
1
?
Оставить заявку
13
БолтМ10-6gх18.58.019
Болт
Кол-во
1
?
Оставить заявку
14
Шайба10ОТ65Г09
Шайба
Кол-во
21
?
Оставить заявку
15
ГайкаМ10-7Н.6.019
Гайка
Кол-во
14
?
Оставить заявку
16
64-05-165СП
Воздухоочиститель
Кол-во
1
?
Оставить заявку
17
64-05-155СП
Хомут
Кол-во
2
?
Оставить заявку
18
51-05-36
Втулка
Кол-во
2
?
Оставить заявку
19
700-28-2481
Болт
Кол-во
2
?
Узнать цену
700-28-2481
Болт М10-6gх140.68.019 ГОСТ 7796-70
Производство:
ЧТЗ
Под заказ
цена по запросу
В корзину
20
700-40-9104
Прокладка
Кол-во
1
?
Оставить заявку
21
ГайкаМ12-7Н.6.019
Гайка
Кол-во
9
?
Оставить заявку
22
Шайба12ОТ65Г09
Шайба
Кол-во
9
?
Оставить заявку
23
3135-1
Шайба
Кол-во
9
?
Оставить заявку
24
64-05-148
Патрубок
Кол-во
1
?
Оставить заявку
25
сб3319-209-1
Хомут трубопровода
Кол-во
4
?
Оставить заявку
26
700-40-3484
Рукав
Кол-во
2
?
Оставить заявку
27
64-05-149
Патрубок
Кол-во
1
?
Оставить заявку
28
64-05-177СП
Рама
Кол-во
1
?
Оставить заявку
29
Шпилька2М123р/6gх35.66.019
Шпилька
Кол-во
4
?
Оставить заявку
30
64-05-193
Патрубок
Кол-во
1
?
Оставить заявку
31
БолтМ8-6gх30.88.35.019
Болт
Кол-во
12
?
Оставить заявку
32
Шайба8Т65Г09
Шайба
Кол-во
12
?
Оставить заявку
33
ГайкаМ8-7Н.6.019
Гайка
Кол-во
24
?
Оставить заявку
34
000.4859.105.000СП
Компенсатор
Кол-во
1
?
Оставить заявку
35
БолтМ10-6gх25.88.58.019
Болт
Кол-во
2
?
Оставить заявку
36
3197
Шайба
Кол-во
2
?
Оставить заявку
37
64-05-194
Патрубок
Кол-во
1
?
Оставить заявку
38
51-54-30
Кольцо уплотнительное
Кол-во
1
?
Оставить заявку
39
64-05-171СП
Кронштейн
Кол-во
1
?
Оставить заявку
40
64-05-159СП
Кронштейн
Кол-во
2
?
Оставить заявку
41
51-05-116СП
Болт стяжной
Кол-во
1
?
Узнать цену
51-05-116СП
Болт стяжной
Производство:
ЧТЗ
Под заказ
цена по запросу
В корзину
42
51-05-295СП
Хомут
Кол-во
2
?
Узнать цену
51-05-295СП
Хомут
Производство:
ЧТЗ
Под заказ
цена по запросу
В корзину
43
64-05-186
Пластина
Кол-во
1
?
Оставить заявку
44
64-05-189
Рым-болт
Кол-во
1
?
Оставить заявку
Получить консультацию
У нас большой опыт по подбору запчастей, и мы с радостью поможем вам найти нужную деталь, даже если вы не знаете ее артикул
Дмитрий Иванов
Директор отдела продаж
Мобильный номер:
8 (912) 474-74-74
E-mail:
td.uralval@mail.ru
Вы должны включить JavaScript чтобы использовать эту форму.
Ваше имя
Ваш телефон
Комментарий
Я соглашаюсь с
Политикой конфиденциальности
и даю согласие на обработку персональных данных.
Feed me
Отправить