Запчасти для грузовых автомобилей
8-800-555-32-41
Перезвоните мне
Отправить готовую заявку
0
Корзина
Поиск
КАТАЛОГ ПРОДУКЦИИ
Запчасти УРАЛ
Запчасти КамАЗ
Запчасти АМТ
Запчасти ЧТЗ
Запчасти погрузчиков Dalian
Запчасти ЯМЗ
Двигатели ЯМЗ в сборе
Запчасти Shaanxi Fast Gear
Лебедки
Спецпредложения
О компании
Доставка и оплата
Гарантии и сервис
Контакты
Графические каталоги запчастей
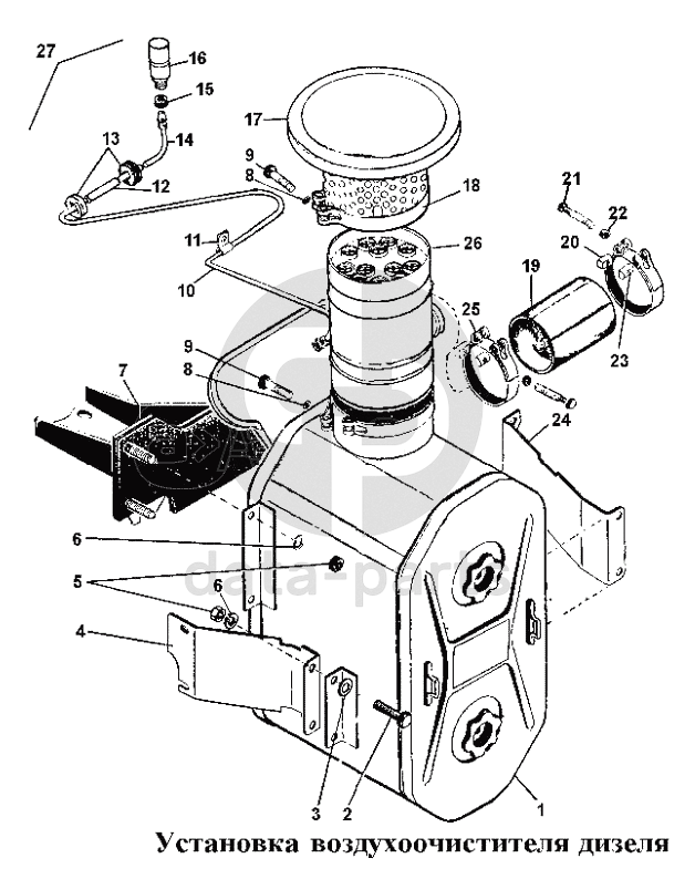
Установка воздухоочистителя дизеля Т-170
Главная
/
Графические каталоги
/
ЧТЗ
/
Т-170
/
Установка воздухоочистителя дизеля
1
2
3
4
5
6
6
7
8
8
9
9
10
11
12
13
14
15
16
17
18
19
20
21
22
23
24
25
26
27
27
27
%
1
51-05-215СП
Воздухоочиститель
Кол-во
1
?
Узнать цену
51-05-215СП
Воздухоочиститель
Производство:
ЧТЗ
Под заказ
цена по запросу
В корзину
2
Болт М12х30.58.019
Болт М12х30.58.019
Кол-во
4
?
Оставить заявку
3
3135-1
Шайба
Кол-во
4
?
Оставить заявку
4
51-05-6-01
Кронштейн
Кол-во
1
?
Узнать цену
51-05-6-01
Кронштейн
Производство:
ЧТЗ
Под заказ
цена по запросу
В корзину
5
Гайка М12-6.019
Гайка М12-6.019
Кол-во
8
?
Оставить заявку
6
Шайба 12ОТ 65Г 09
Шайба 12ОТ 65Г 09
Кол-во
8
?
Оставить заявку
7
51-05-106СП
Кронштейн
Кол-во
1
?
Узнать цену
51-05-106СП
Кронштейн
Производство:
ЧТЗ
Под заказ
цена по запросу
В корзину
8
31308-1
Шайба
Кол-во
2
?
Оставить заявку
9
700-28-2376
Болт
Кол-во
2
?
Оставить заявку
10
51-05-190СП
Трубка
Кол-во
1
?
Оставить заявку
11
41638
Хомутик
Кол-во
1
?
Оставить заявку
12
700-40-7117
Трубка
Кол-во
1
?
Оставить заявку
13
700-40-4995-1
Втулка
Кол-во
2
?
Оставить заявку
14
51-05-324СП
Трубка
Кол-во
1
?
Оставить заявку
15
Гайка М12х1,25-6.019
Гайка М12х1,25-6.019
Кол-во
1
?
Оставить заявку
16
Сигнализатор засоренности воздухоочистит
Сигнализатор засоренности воздухоочистителя ОР-9928-1
Кол-во
1
?
Оставить заявку
17
51-05-205СП
Воздухозаборник
Кол-во
1
?
Узнать цену
51-05-205СП
Воздухозаборник
Производство:
ЧТЗ
Под заказ
цена по запросу
В корзину
18
51-05-322-01СП
Хомут
Кол-во
1
?
Узнать цену
51-05-322-01СП
Хомут
Производство:
ЧТЗ
Под заказ
цена по запросу
В корзину
19
700-40-3484
Рукав
Кол-во
1
?
Оставить заявку
20
51-05-39
Серьга
Кол-во
2
?
Оставить заявку
21
700-28-2377
Болт
Кол-во
2
?
Оставить заявку
22
51-05-35
Втулка
Кол-во
2
?
Оставить заявку
23
51-05-38
Серьга
Кол-во
2
?
Оставить заявку
24
51-05-5
Кронштейн
Кол-во
1
?
Узнать цену
51-05-5
Кронштейн
Производство:
ЧТЗ
Под заказ
цена по запросу
В корзину
25
51-05-114СП
Лента
Кол-во
2
?
Оставить заявку
26
51-05-216СП
Мультициклон
Кол-во
1
?
Узнать цену
51-05-216СП
Мультициклон
Производство:
ЧТЗ
Под заказ
цена по запросу
В корзину
27
51-05-16СП
Установка воздухоочистителя и коллекторов
Кол-во
1
?
Оставить заявку
27
51-05-225СП
Воздухоочиститель
Кол-во
1
?
Оставить заявку
27
51-05-7СП
Установка воздухоочистителя и коллекторов для дизеля с электростартерной системой пуска
Кол-во
1
?
Оставить заявку
Получить консультацию
У нас большой опыт по подбору запчастей, и мы с радостью поможем вам найти нужную деталь, даже если вы не знаете ее артикул
Дмитрий Иванов
Директор отдела продаж
Мобильный номер:
8 (912) 474-74-74
E-mail:
td.uralval@mail.ru
Вы должны включить JavaScript чтобы использовать эту форму.
Ваше имя
Ваш телефон
Комментарий
Я соглашаюсь с
Политикой конфиденциальности
и даю согласие на обработку персональных данных.
Feed me
Отправить