Запчасти для грузовых автомобилей
8-800-555-32-41
Перезвоните мне
Отправить готовую заявку
0
Корзина
Поиск
КАТАЛОГ ПРОДУКЦИИ
Запчасти УРАЛ
Запчасти КамАЗ
Запчасти АМТ
Запчасти ЧТЗ
Запчасти погрузчиков Dalian
Запчасти ЯМЗ
Двигатели ЯМЗ в сборе
Запчасти Shaanxi Fast Gear
Лебедки
Спецпредложения
О компании
Доставка и оплата
Гарантии и сервис
Контакты
Графические каталоги запчастей
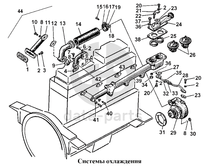
Системы охлаждения Т-170
Главная
/
Графические каталоги
/
ЧТЗ
/
Т-170
/
Системы охлаждения
1
2
2
2
2
2
3
4
5
6
7
8
8
8
9
10
11
12
13
14
15
16
17
18
19
20
20
20
21
22
23
23
24
25
26
27
28
29
30
31
32
33
34
35
35
36
36
37
38
39
40
41
42
43
44
44
44
%
1
40952
Прокладка
Кол-во
3
?
Оставить заявку
2
Шайба 8Т 65Г 09
Шайба 8Т 65Г 09
Кол-во
18
?
Оставить заявку
3
Болт М8х30.58.019
Болт М8х30.58.019
Кол-во
4
?
Оставить заявку
4
46236
Прокладка
Кол-во
3
?
Оставить заявку
5
46237
Прокладка
Кол-во
4
?
Оставить заявку
6
Болт М8х45.58.019
Болт М8х45.58.019
Кол-во
4
?
Оставить заявку
7
Болт М10х40.58.019
Болт М10х40.58.019
Кол-во
2
?
Оставить заявку
8
Шайба 10 ОТ 65Г 09
Шайба 10 ОТ 65Г 09
Кол-во
14
?
Оставить заявку
9
46792
Прокладка
Кол-во
2
?
Оставить заявку
10
Болт М10х80.58.019
Болт М10х80.58.019
Кол-во
2
?
Оставить заявку
11
51-08-26
Труба
Кол-во
1
?
Оставить заявку
12
40285
Прокладка
Кол-во
1
?
Оставить заявку
13
51-08-19
Труба
Кол-во
1
?
Оставить заявку
14
42701
Рукав
Кол-во
1
?
Оставить заявку
15
700-28-2176
Болт
Кол-во
2
?
Оставить заявку
16
700-41-3334
Лента хомута
Кол-во
2
?
Оставить заявку
17
37-26-71
Накладка
Кол-во
2
?
Оставить заявку
18
Гайка М8-6.019
Гайка М8-6.019
Кол-во
2
?
Оставить заявку
19
700-31-2269
Шайба стопорная
Кол-во
2
?
Оставить заявку
20
Болт М8х20.58.019
Болт М8х20.58.019
Кол-во
4
?
Оставить заявку
21
299
Заглушка
Кол-во
1
?
Оставить заявку
22
Болт М12х1.25х40.58.019
Болт М12х1.25х40.58.019
Кол-во
2
?
Оставить заявку
23
700-40-2969
Прокладка
Кол-во
1
?
Оставить заявку
24
51-08-13
Крышка
Кол-во
1
?
Оставить заявку
25
51-08-28
Кольцо прижимное
Кол-во
2
?
Узнать цену
51-08-28
Кольцо прижимное
Производство:
ЧТЗ
Под заказ
цена по запросу
В корзину
26
Термостат ТС 108-130.6100
Термостат ТС 108-130.6100
Кол-во
2
?
Оставить заявку
27
40751
Прокладка
Кол-во
1
?
Оставить заявку
28
16-06-153СП
Труба
Кол-во
1
?
Оставить заявку
29
16-08-140СП
Насос
Кол-во
1
?
Оставить заявку
30
700-30-2099
Гайка
Кол-во
5
?
Оставить заявку
31
700-40-2194
Прокладка
Кол-во
1
?
Оставить заявку
32
29-08-103СП
Труба
Кол-во
1
?
Узнать цену
29-08-103СП
Труба
Производство:
ЧТЗ
Под заказ
цена по запросу
В корзину
33
46834
Рукав
Кол-во
1
?
Оставить заявку
34
3010
Гайка
Кол-во
2
?
Оставить заявку
35
700-41-2235-10СП
Хомут
Кол-во
2
?
Оставить заявку
35
700-41-2228-СП
Хомут
Кол-во
2
?
Оставить заявку
36
Шайба 12 ОТ 65Г 09
Шайба 12 ОТ 65Г 09
Кол-во
3
?
Оставить заявку
37
700-28-2173
Болт
Кол-во
1
?
Оставить заявку
38
40919
Прокладка
Кол-во
1
?
Оставить заявку
39
51-08-27
Труба водоотводная
Кол-во
1
?
Оставить заявку
40
Болт М10х30.58.019
Болт М10х30.58.019
Кол-во
8
?
Оставить заявку
41
40839
Кольцо
Кол-во
6
?
Узнать цену
40839
Прокладка
Производство:
ЧТЗ
Под заказ
цена по запросу
В корзину
42
8598
Труба сливная
Кол-во
1
?
Оставить заявку
43
40155
Прокладка
Кол-во
4
?
Оставить заявку
44
51-08-3СП
Система охлаждения дизеля с электростартерной системой пуска
Кол-во
1
?
Оставить заявку
44
51-08-1СП
Система охлаждения дизеля с пусковым двигателем
Кол-во
1
?
Оставить заявку
44
51-08-1-01СП
Система охлаждения дизеля с электростартерной системой пуска
Кол-во
1
?
Оставить заявку
Получить консультацию
У нас большой опыт по подбору запчастей, и мы с радостью поможем вам найти нужную деталь, даже если вы не знаете ее артикул
Дмитрий Иванов
Директор отдела продаж
Мобильный номер:
8 (912) 474-74-74
E-mail:
td.uralval@mail.ru
Вы должны включить JavaScript чтобы использовать эту форму.
Ваше имя
Ваш телефон
Комментарий
Я соглашаюсь с
Политикой конфиденциальности
и даю согласие на обработку персональных данных.
Feed me
Отправить