Запчасти для грузовых автомобилей
8-800-555-32-41
Перезвоните мне
Отправить готовую заявку
0
Корзина
Поиск
КАТАЛОГ ПРОДУКЦИИ
Запчасти УРАЛ
Запчасти КамАЗ
Запчасти АМТ
Запчасти ЧТЗ
Запчасти погрузчиков Dalian
Запчасти ЯМЗ
Двигатели ЯМЗ в сборе
Запчасти Shaanxi Fast Gear
Лебедки
Спецпредложения
О компании
Доставка и оплата
Гарантии и сервис
Контакты
Графические каталоги запчастей
Насос Топливоподкачивающий Т-170
Главная
/
Графические каталоги
/
ЧТЗ
/
Т-170
/
Насос Топливоподкачивающий
%
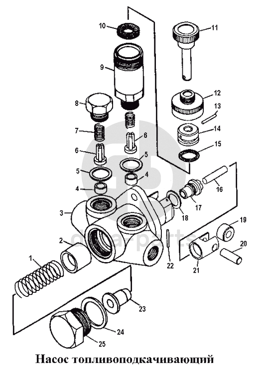
1
16-127А
Пружина
Кол-во
1
?
Оставить заявку
2
80.16.132
Поршень
Кол-во
1
?
Оставить заявку
3
80.16.130-10
Корпус
Кол-во
1
?
Оставить заявку
4
16-220
Втулка
Кол-во
2
?
Оставить заявку
5
16-062
Прокладка
Кол-во
2
?
Оставить заявку
6
80.16.142А
Клапан
Кол-во
2
?
Оставить заявку
7
16-124
Пружина
Кол-во
2
?
Оставить заявку
8
80.16.134
Пробка
Кол-во
1
?
Оставить заявку
9
16-139-5
Цилиндр
Кол-во
1
?
Оставить заявку
10
16-149
Кольцо
Кол-во
1
?
Оставить заявку
11
80.16.026-2
Шток
Кол-во
1
?
Оставить заявку
12
16-140-1
Крышка
Кол-во
1
?
Оставить заявку
13
16-099
Штифт
Кол-во
1
?
Оставить заявку
14
16-141-3
Поршень
Кол-во
1
?
Оставить заявку
15
16-240
Кольцо 016-020-25-1-2
Кол-во
1
?
Оставить заявку
16
В10.80.16.133
Стержень
Кол-во
1
?
Оставить заявку
17
В10.80.16.143
Втулка
Кол-во
1
?
Оставить заявку
18
80.16.144
Прокладка
Кол-во
1
?
Оставить заявку
19
16-130
Ролик
Кол-во
1
?
Оставить заявку
20
16-131-1
Ось
Кол-во
1
?
Оставить заявку
21
16-129-2А-10
Толкатель
Кол-во
1
?
Оставить заявку
22
16-134
Штифт
Кол-во
1
?
Оставить заявку
23
16-225
Упор
Кол-во
1
?
Оставить заявку
24
16-145-1
Прокладка
Кол-во
1
?
Оставить заявку
25
16-128-2
Пробка
Кол-во
1
?
Оставить заявку
Получить консультацию
У нас большой опыт по подбору запчастей, и мы с радостью поможем вам найти нужную деталь, даже если вы не знаете ее артикул
Дмитрий Иванов
Директор отдела продаж
Мобильный номер:
8 (912) 474-74-74
E-mail:
td.uralval@mail.ru
Вы должны включить JavaScript чтобы использовать эту форму.
Ваше имя
Ваш телефон
Комментарий
Я соглашаюсь с
Политикой конфиденциальности
и даю согласие на обработку персональных данных.
Feed me
Отправить