Запчасти для грузовых автомобилей
8-800-555-32-41
Перезвоните мне
Отправить готовую заявку
0
Корзина
Поиск
КАТАЛОГ ПРОДУКЦИИ
Запчасти УРАЛ
Запчасти КамАЗ
Запчасти АМТ
Запчасти ЧТЗ
Запчасти погрузчиков Dalian
Запчасти ЯМЗ
Двигатели ЯМЗ в сборе
Запчасти Shaanxi Fast Gear
Лебедки
Спецпредложения
О компании
Доставка и оплата
Гарантии и сервис
Контакты
Графические каталоги запчастей
Подшипники Т-130
Главная
/
Графические каталоги
/
ЧТЗ
/
Т-130
/
Подшипники
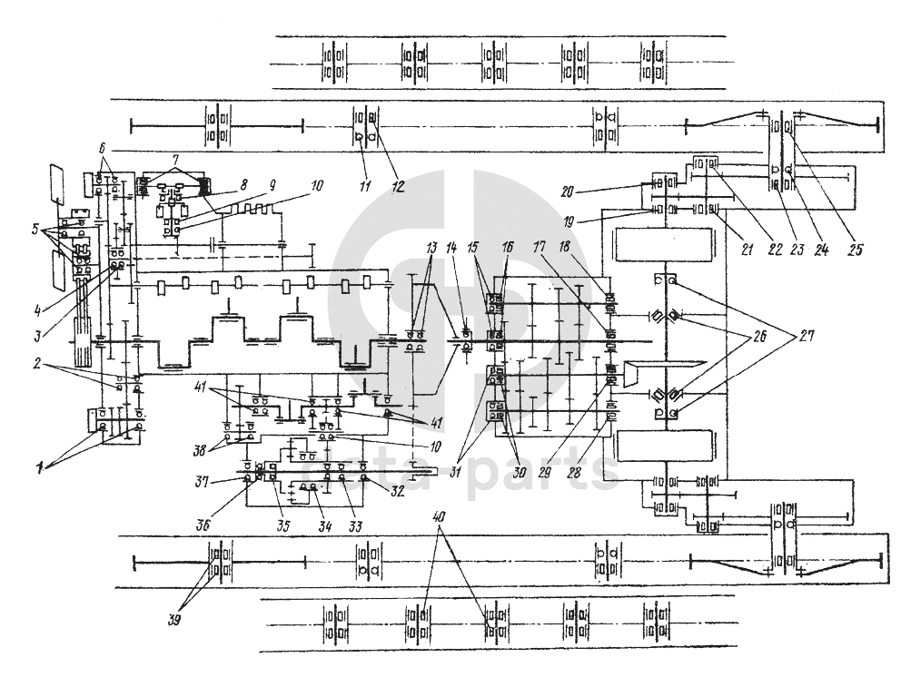
33
34
1
10
10
41
41
5
25
6
37
3
4
11
31
15
2
32
13
7
23
24
12
30
16
39
19
20
22
21
14
27
26
9
35
36
8
17
18
28
29
40
38
%
1
118
Подшипник шариковый радиальный однорядный
Кол-во
2
?
Оставить заявку
2
407
Подшипник шариковый радиальный однорядный
Кол-во
2
?
Оставить заявку
3
307
Подшипник шариковый радиальный однорядный
Кол-во
1
?
Узнать цену
307
Подшипник
Производство:
Россия
Под заказ
цена по запросу
В корзину
4
308
Подшипник шариковый радиальный однорядный
Кол-во
1
?
Узнать цену
308
Подшипник
Производство:
Россия
Под заказ
цена по запросу
В корзину
5
206К
Подшипник шариковый радиальный однорядный
Кол-во
4
?
Оставить заявку
6
304
Подшипник шариковый радиальный однорядный
Кол-во
2
?
Оставить заявку
7
941/15
Подшипник роликовый игольчатый с одним наружным штампованным кольцом
Кол-во
2
?
Оставить заявку
8
8205
Подшипник шариковый упорный однорядный
Кол-во
1
?
Оставить заявку
9
8104
Подшипник шариковый упорный однорядный
Кол-во
1
?
Оставить заявку
10
203
Подшипник шариковый радиальный однорядный
Кол-во
1
?
Узнать цену
203
Подшипник
Производство:
Россия
Под заказ
цена по запросу
В корзину
11
310
Подшипник шариковый радиальный однорядный
Кол-во
4
?
Узнать цену
310
Подшипник
Производство:
Россия
Под заказ
цена по запросу
В корзину
12
2310К
Подшипник роликовый радиальный с короткими цилиндрическими роликами
Кол-во
4
?
Оставить заявку
13
180308У1С9Ш
Подшипник шариковый радиальный однорядный
Кол-во
2
?
Оставить заявку
14
46118
Подшипник шариковый радиально-упорный однорядный
Кол-во
1
?
Оставить заявку
15
312
Подшипник шариковый радиальный однорядный
Кол-во
2
?
Узнать цену
312
Подшипник
Производство:
Россия
Под заказ
цена по запросу
В корзину
16
2312К
Подшипник роликовый радиальный с короткими цилиндрическими роликами
Кол-во
2
?
Оставить заявку
17
402311К
Подшипник роликовый однорядный с короткими цилиндрическими роликами со стопорным гнездом на наружном кольце
Кол-во
1
?
Оставить заявку
18
402411КМ
Подшипник роликовый однорядный с короткими цилиндрическими роликами со стопорным гнездом на наружном кольце
Кол-во
1
?
Оставить заявку
19
70-12315КМ
Подшипник роликовый радиальный с короткими цилиндрическими роликами
Кол-во
2
?
Оставить заявку
20
70-42314КМ
Подшипник роликовый радиальный с короткими цилиндрическими роликами
Кол-во
2
?
Оставить заявку
21
70-42612К
Подшипник роликовый радиальный с короткими цилиндрическими роликами
Кол-во
2
?
Оставить заявку
22
70-42415КМ
Подшипник роликовый радиальный с короткими цилиндрическими роликами
Кол-во
2
?
Оставить заявку
23
2224КМ
Подшипник роликовый радиальный с короткими цилиндрическими роликами
Кол-во
2
?
Оставить заявку
24
2228КМ
Подшипник роликовый радиальный с короткими цилиндрическими роликами
Кол-во
2
?
Оставить заявку
25
228
Подшипник шариковый радиальный однорядный
Кол-во
2
?
Оставить заявку
26
7516М
Подшипник роликовый конический однорядный
Кол-во
2
?
Оставить заявку
27
46120
Подшипник шариковый радиально-упорный однорядный
Кол-во
2
?
Оставить заявку
28
402611 КМ
Подшипник роликовый однорядный с короткими цилиндрическими роликами со стопорным гнездом на наружном кольце
Кол-во
1
?
Оставить заявку
29
402715КМ
Подшипник роликовый однорядный с короткими цилиндрическими роликами со стопорным гнездом на наружном кольце
Кол-во
1
?
Оставить заявку
30
2311К
Подшипник роликовый радиальный с короткими цилиндрическими роликами
Кол-во
2
?
Оставить заявку
31
311
Подшипник шариковый радиальный однорядный
Кол-во
2
?
Узнать цену
311
Подшипник шариковый (коробка раздаточная)
Производство:
Россия
Под заказ
цена по запросу
В корзину
32
408
Подшипник шариковый радиальный однорядный
Кол-во
1
?
Оставить заявку
33
108
Подшипник шариковый радиальный однорядный
Кол-во
2
?
Оставить заявку
34
113
Подшипник шариковый радиальный однорядный
Кол-во
2
?
Оставить заявку
35
8106
Подшипник шариковый упорный однорядный
Кол-во
1
?
Оставить заявку
36
8109
Подшипник шариковый упорный однорядный
Кол-во
1
?
Оставить заявку
37
305
Подшипник шариковый радиальный однорядный
Кол-во
1
?
Узнать цену
305
Подшипник шариковый (на привод агрегатов, гидромуфты привода вентилятора)
Производство:
Россия
Под заказ
цена по запросу
В корзину
38
60201
Подшипник шариковый радиальный однорядный с одной защитной шайбой
Кол-во
2
?
Оставить заявку
39
9Н2614КМ
Подшипник роликовый радиальный с короткими цилиндрическими роликами
Кол-во
4
?
Оставить заявку
40
954712К4
Подшипник роликовый радиальный с длинными цилиндрическими роликами с бортами на внутреннем кольце
Кол-во
20
?
Оставить заявку
41
206
Подшипник шариковый радиальный однорядный
Кол-во
5
?
Узнать цену
206
Подшипник
Производство:
Россия
Под заказ
цена по запросу
В корзину
Получить консультацию
У нас большой опыт по подбору запчастей, и мы с радостью поможем вам найти нужную деталь, даже если вы не знаете ее артикул
Дмитрий Иванов
Директор отдела продаж
Мобильный номер:
8 (912) 474-74-74
E-mail:
td.uralval@mail.ru
Вы должны включить JavaScript чтобы использовать эту форму.
Ваше имя
Ваш телефон
Комментарий
Я соглашаюсь с
Политикой конфиденциальности
и даю согласие на обработку персональных данных.
Feed me
Отправить