Запчасти для грузовых автомобилей
8-800-555-32-41
Перезвоните мне
Отправить готовую заявку
0
Корзина
Поиск
КАТАЛОГ ПРОДУКЦИИ
Запчасти УРАЛ
Запчасти КамАЗ
Запчасти АМТ
Запчасти ЧТЗ
Запчасти погрузчиков Dalian
Запчасти ЯМЗ
Двигатели ЯМЗ в сборе
Запчасти Shaanxi Fast Gear
Лебедки
Спецпредложения
О компании
Доставка и оплата
Гарантии и сервис
Контакты
Графические каталоги запчастей
Гидроцилиндр комплект Ц125.250.160.001-11П, Ц125.250.160.001-11Л Т-130
Главная
/
Графические каталоги
/
ЧТЗ
/
Т-130
/
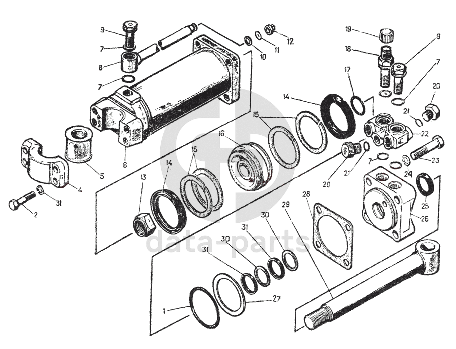
Гидроцилиндр комплект Ц125.250.160.001-11П, Ц125.250.160.001-11Л
4
5
2
3
16
15
15
17
14
14
29
6
8
25
26
22
9
9
18
12
30
30
20
20
10
27
28
13
19
23
24
21
21
11
7
7
7
7
1
31
31
%
1
Кольцо У125х120-3
Кольцо У125х120-3
Кол-во
2
?
Оставить заявку
2
Болт M18x1,5-6gx70. 88.35Х.019
Болт M18x1,5-6gx70. 88.35Х.019
Кол-во
8
?
Оставить заявку
3
Шайба 18.65Г.05
Шайба 18.65Г.05
Кол-во
8
?
Оставить заявку
4
Ц125.250.160.0616
Бугель
Кол-во
2
?
Оставить заявку
5
Ц125.250.160.073-11\\6
Втулка
Кол-во
2
?
Оставить заявку
6
Ц125.250.160.007-11
Корпус цилиндра
Кол-во
2
?
Оставить заявку
7
Кольцо У35-30-3
Кольцо У35-30-3
Кол-во
12
?
Оставить заявку
8
Ц125.250.160.011
Маслопровод
Кол-во
2
?
Оставить заявку
9
Ц125.250.160.047-111
Болт
Кол-во
4
?
Оставить заявку
10
Ц125.250.160.071
Шайба защитная
Кол-во
2
?
Оставить заявку
11
Кольцо Н2-22х18-3
Кольцо Н2-22х18-3
Кол-во
2
?
Оставить заявку
12
Ц125.250.160.058-1
Клапан
Кол-во
2
?
Оставить заявку
13
700.46.12.040
Гайка
Кол-во
2
?
Оставить заявку
14
Манжета 125x110-1
Манжета 125x110-1
Кол-во
4
?
Оставить заявку
15
Ц125.250.160.056
Кольцо
Кол-во
4
?
Оставить заявку
16
Ц125.250.160.014-1
Поршень
Кол-во
2
?
Оставить заявку
17
Кольцо H1-60x50-5
Кольцо H1-60x50-5
Кол-во
2
?
Оставить заявку
18
Ц125.250.1б0.047-V
Штуцер
Кол-во
2
?
Оставить заявку
19
ТК-02
Колпачок
Кол-во
2
?
Оставить заявку
20
Ц125.250.160.069
Заглушка
Кол-во
6
?
Оставить заявку
21
Кольцо H1-25x20-3
Кольцо H1-25x20-3
Кол-во
8
?
Оставить заявку
22
Ц125.250.160.040
Корпус накладки
Кол-во
2
?
Оставить заявку
23
Болт M20x1,5-6gx90. 88.35Х.019
Болт M20x1,5-6gx90. 88.35Х.019
Кол-во
8
?
Оставить заявку
24
Шайба 20.65Г.05
Шайба 20.65Г.05
Кол-во
8
?
Оставить заявку
25
Ц125.250.160.015
Манжета
Кол-во
2
?
Оставить заявку
26
Ц125.250.160.021
Крышка передняя
Кол-во
2
?
Оставить заявку
27
Ц125.250.160.072
Шайба
Кол-во
2
?
Оставить заявку
28
Ц125.250.160.076
Прокладка
Кол-во
2
?
Оставить заявку
29
Ц125.250.160.002-11
Шток
Кол-во
2
?
Оставить заявку
30
Ц125.250.160.063
Кольцо
Кол-во
4
?
Оставить заявку
31
Манжета 60x50-1
Манжета 60x50-1
Кол-во
4
?
Оставить заявку
Получить консультацию
У нас большой опыт по подбору запчастей, и мы с радостью поможем вам найти нужную деталь, даже если вы не знаете ее артикул
Дмитрий Иванов
Директор отдела продаж
Мобильный номер:
8 (912) 474-74-74
E-mail:
td.uralval@mail.ru
Вы должны включить JavaScript чтобы использовать эту форму.
Ваше имя
Ваш телефон
Комментарий
Я соглашаюсь с
Политикой конфиденциальности
и даю согласие на обработку персональных данных.
Feed me
Отправить