Запчасти для грузовых автомобилей
8-800-555-32-41
Перезвоните мне
Отправить готовую заявку
0
Корзина
Поиск
КАТАЛОГ ПРОДУКЦИИ
Запчасти УРАЛ
Запчасти КамАЗ
Запчасти АМТ
Запчасти ЧТЗ
Запчасти погрузчиков Dalian
Запчасти ЯМЗ
Двигатели ЯМЗ в сборе
Запчасти Shaanxi Fast Gear
Лебедки
Спецпредложения
О компании
Доставка и оплата
Гарантии и сервис
Контакты
Графические каталоги запчастей
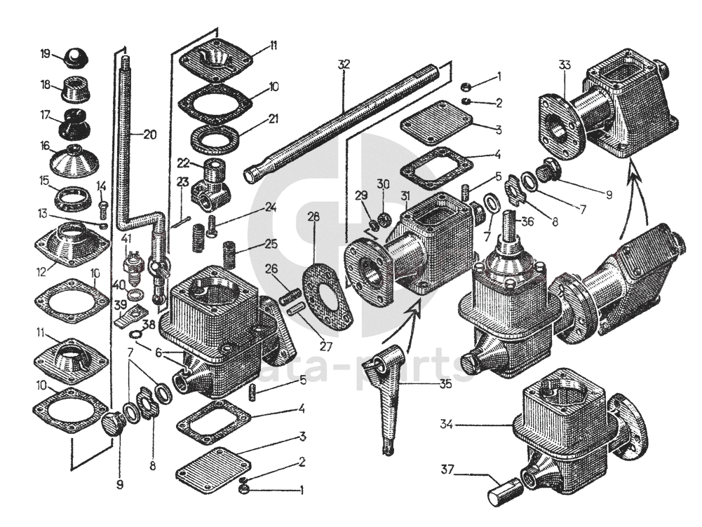
Механизм переключения передач для болотоходных тракторов 20-12-131СП-левый, 20-12-132СП-правый Т-130
Главная
/
Графические каталоги
/
ЧТЗ
/
Т-130
/
Механизм переключения передач для болотоходных тракторов 20-12-131СП-левый, 20-12-132СП-правый
26
30
27
28
28
29
6
31
34
33
19
11
11
12
16
21
18
5
5
8
8
25
7
7
7
10
10
10
10
15
17
3
3
35
22
24
9
9
4
4
4
14
1
1
2
2
13
23
36
37
20
39
32
40
41
38
%
1
Гайка М8х1.6.019
Гайка М8х1.6.019
Кол-во
8
?
Оставить заявку
2
Шайба 8Т.65Г.06
Шайба 8Т.65Г.06
Кол-во
8
?
Оставить заявку
3
18-12-246
Крышка
Кол-во
2
?
Оставить заявку
4
700-40-3072-1
Прокладка
Кол-во
2
?
Оставить заявку
4
700-40-3072
Прокладка
Кол-во
9
?
Оставить заявку
5
23333
Шпилька
Кол-во
8
?
Оставить заявку
6
29575
Проставка правая передняя
Кол-во
1
?
Оставить заявку
7
40588
Прокладка
Кол-во
4
?
Оставить заявку
8
31368
Шайба
Кол-во
2
?
Оставить заявку
9
700-37-2154
Пробка
Кол-во
9
?
Оставить заявку
10
40819
Прокладка
Кол-во
3
?
Оставить заявку
10
40819-1
Прокладка
Кол-во
3
?
Оставить заявку
11
13317
Фланец шаровой
Кол-во
2
?
Узнать цену
13317
Фланец шаровой внутренний
Производство:
ЧТЗ
Под заказ
цена по запросу
В корзину
12
13318
Фланец шаровой
Кол-во
1
?
Узнать цену
13318
Фланец шаровой наружный
Производство:
ЧТЗ
Под заказ
цена по запросу
В корзину
13
Шайба 10.ОТ.65Г.06
Шайба 10.ОТ.65Г.06
Кол-во
4
?
Оставить заявку
14
Болт М10х30.46.019
Болт М10х30.46.019
Кол-во
4
?
Оставить заявку
15
40820
Кольцо
Кол-во
1
?
Оставить заявку
16
13319
Крышка
Кол-во
1
?
Узнать цену
13319
Крышка шарового фланца
Производство:
ЧТЗ
Под заказ
цена по запросу
В корзину
17
46612
Колпачок
Кол-во
1
?
Оставить заявку
18
13591
Крышка
Кол-во
1
?
Оставить заявку
19
13310
Рукоятка
Кол-во
1
?
Оставить заявку
20
18-12-161СП
Рычаг правый
Кол-во
1
?
Оставить заявку
21
13360
Кольцо
Кол-во
1
?
Узнать цену
13360
Кольцо
Производство:
ЧТЗ
Под заказ
цена по запросу
В корзину
22
33592
Хвостовик
Кол-во
1
?
Оставить заявку
23
Шплинт 4x32
Шплинт 4x32
Кол-во
1
?
Оставить заявку
24
700-28-2336
Болт
Кол-во
4
?
Оставить заявку
25
38323
Пружина
Кол-во
2
?
Оставить заявку
26
29310
Шпилька
Кол-во
4
?
Оставить заявку
27
32349
Штифт
Кол-во
1
?
Оставить заявку
28
700-40-3254-1
Прокладка
Кол-во
1
?
Оставить заявку
28
700-40-3254
Прокладка
Кол-во
1
?
Оставить заявку
29
Шайба 16 ОТ.65Г.06
Шайба 16 ОТ.65Г.06
Кол-во
4
?
Оставить заявку
30
30246
Гайка
Кол-во
4
?
Оставить заявку
31
31401
Проставка задняя правая
Кол-во
1
?
Оставить заявку
32
33958
Валик
Кол-во
1
?
Оставить заявку
33
31766
Проставка задняя левая
Кол-во
1
?
Оставить заявку
34
31036
Проставка передняя левая
Кол-во
1
?
Оставить заявку
35
33227
Рычаг
Кол-во
1
?
Оставить заявку
36
18-12-162СП
Рычаг левый
Кол-во
1
?
Узнать цену
18-12-162СП
Рычаг
Производство:
ЧТЗ
Под заказ
цена по запросу
В корзину
37
29209
Валик
Кол-во
1
?
Оставить заявку
38
Кольцо Н2-18Х14-2
Кольцо Н2-18Х14-2
Кол-во
0
?
Оставить заявку
38
Кольцо Н2-18х14-2
Кольцо Н2-18х14-2
Кол-во
0
?
Оставить заявку
39
18-12-411
Пластина
Кол-во
1
?
Оставить заявку
40
18618
Прокладка
Кол-во
3
?
Оставить заявку
41
Включатель ВК-403
Включатель ВК-403
Кол-во
1
?
Оставить заявку
Получить консультацию
У нас большой опыт по подбору запчастей, и мы с радостью поможем вам найти нужную деталь, даже если вы не знаете ее артикул
Дмитрий Иванов
Директор отдела продаж
Мобильный номер:
8 (912) 474-74-74
E-mail:
td.uralval@mail.ru
Вы должны включить JavaScript чтобы использовать эту форму.
Ваше имя
Ваш телефон
Комментарий
Я соглашаюсь с
Политикой конфиденциальности
и даю согласие на обработку персональных данных.
Feed me
Отправить