Запчасти для грузовых автомобилей
8-800-555-32-41
Перезвоните мне
Отправить готовую заявку
0
Корзина
Поиск
КАТАЛОГ ПРОДУКЦИИ
Запчасти УРАЛ
Запчасти КамАЗ
Запчасти АМТ
Запчасти ЧТЗ
Запчасти погрузчиков Dalian
Запчасти ЯМЗ
Двигатели ЯМЗ в сборе
Запчасти Shaanxi Fast Gear
Лебедки
Спецпредложения
О компании
Доставка и оплата
Гарантии и сервис
Контакты
Графические каталоги запчастей
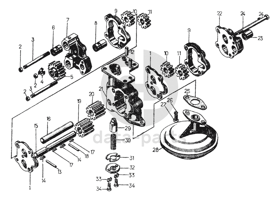
Масляный насос комплект 29-09-124СП Т-130
Главная
/
Графические каталоги
/
ЧТЗ
/
Т-130
/
Масляный насос комплект 29-09-124СП
7
6
8
15
19
18
14
14
22
23
29
11
11
10
10
4
12
13
5
20
31
16
21
9
9
1
1
32
28
24
24
3
3
2
2
2
33
33
17
17
30
25
34
34
27
26
%
1
23649
Плита
Кол-во
2
?
Оставить заявку
2
700-30-2099
Гайка
Кол-во
4
?
Оставить заявку
3
700-29-2098
Шпилька
Кол-во
2
?
Оставить заявку
4
3137
Шайба
Кол-во
4
?
Оставить заявку
5
16-09-142
Шестерня
Кол-во
1
?
Оставить заявку
6
16-09-99
Втулка
Кол-во
1
?
Оставить заявку
7
16-09-98
Крышка
Кол-во
1
?
Оставить заявку
8
29-09-62
Втулка
Кол-во
1
?
Оставить заявку
9
23283
Корпус
Кол-во
1
?
Оставить заявку
10
9217
Шестерня
Кол-во
2
?
Оставить заявку
11
9216
Шестерня
Кол-во
2
?
Оставить заявку
12
32211
Штифт
Кол-во
2
?
Оставить заявку
13
32268
Штифт
Кол-во
1
?
Оставить заявку
14
700-34-2031
Шпонка
Кол-во
1
?
Узнать цену
700-34-2031
Шпонка сегментная
Производство:
ЧТЗ
Под заказ
цена по запросу
В корзину
15
16-09-140
Валик
Кол-во
1
?
Узнать цену
16-09-140
Валик
Производство:
ЧТЗ
Под заказ
цена по запросу
В корзину
16
21822
Ось
Кол-во
1
?
Оставить заявку
17
700-34-2021
Шпонка
Кол-во
2
?
Оставить заявку
18
700-32-2125
Штифт
Кол-во
1
?
Узнать цену
700-32-2125
Штифт
Производство:
ЧТЗ
Под заказ
цена по запросу
В корзину
19
16-09-146
Шестерня
Кол-во
1
?
Оставить заявку
20
16-09-145
Шестерня
Кол-во
1
?
Оставить заявку
21
22188
Корпус
Кол-во
1
?
Оставить заявку
22
21092
Крышка
Кол-во
1
?
Оставить заявку
23
21457
Втулка
Кол-во
1
?
Оставить заявку
24
700-28-2087СП
Болт
Кол-во
2
?
Оставить заявку
25
700-40-2886
Прокладка
Кол-во
1
?
Оставить заявку
26
Шайба 10.ОТ.65Г.06
Шайба 10.ОТ.65Г.06
Кол-во
2
?
Оставить заявку
27
Болт М10х20.46.019
Болт М10х20.46.019
Кол-во
2
?
Оставить заявку
28
51-09-150СП
Маслоприемник
Кол-во
1
?
Оставить заявку
29
09205
Клапан
Кол-во
1
?
Оставить заявку
30
700-38-2191
Пружина
Кол-во
1
?
Узнать цену
700-38-2191
Пружина
Производство:
ЧТЗ
Под заказ
цена по запросу
В корзину
31
16-09-147
Прокладка
Кол-во
4
?
Оставить заявку
32
29-09-117
Фланец
Кол-во
1
?
Оставить заявку
33
700-31-2087
Шайба стопорная
Кол-во
9
?
Оставить заявку
34
Болт М6х25.46.019
Болт М6х25.46.019
Кол-во
2
?
Оставить заявку
Получить консультацию
У нас большой опыт по подбору запчастей, и мы с радостью поможем вам найти нужную деталь, даже если вы не знаете ее артикул
Дмитрий Иванов
Директор отдела продаж
Мобильный номер:
8 (912) 474-74-74
E-mail:
td.uralval@mail.ru
Вы должны включить JavaScript чтобы использовать эту форму.
Ваше имя
Ваш телефон
Комментарий
Я соглашаюсь с
Политикой конфиденциальности
и даю согласие на обработку персональных данных.
Feed me
Отправить