Запчасти для грузовых автомобилей
8-800-555-32-41
Перезвоните мне
Отправить готовую заявку
0
Корзина
Поиск
КАТАЛОГ ПРОДУКЦИИ
Запчасти УРАЛ
Запчасти КамАЗ
Запчасти АМТ
Запчасти ЧТЗ
Запчасти погрузчиков Dalian
Запчасти ЯМЗ
Двигатели ЯМЗ в сборе
Запчасти Shaanxi Fast Gear
Лебедки
Спецпредложения
О компании
Доставка и оплата
Гарантии и сервис
Контакты
Графические каталоги запчастей
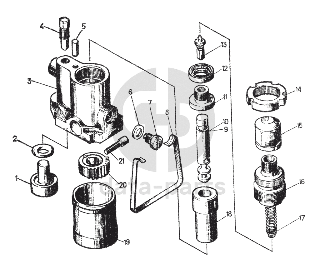
Секция насоса, комплект 16-67-101СП для 1 и 4 цилиндров, 16-67-109СП для 2 и 3 цилиндров Т-130
Главная
/
Графические каталоги
/
ЧТЗ
/
Т-130
/
Секция насоса, комплект 16-67-101СП для 1 и 4 цилиндров, 16-67-109СП для 2 и 3 цилиндров
%
1
42204
Пробка
Кол-во
2
?
Оставить заявку
2
40738
Кольцо
Кол-во
4
?
Оставить заявку
3
16-67-13
Корпус секции
Кол-во
4
?
Оставить заявку
4
70108
Игла
Кол-во
4
?
Оставить заявку
5
3255
Штифт
Кол-во
2
?
Оставить заявку
6
40182
Прокладка
Кол-во
4
?
Оставить заявку
7
35292
Винт
Кол-во
4
?
Узнать цену
35292
Винт стопорный
Производство:
ЧТЗ
Под заказ
цена по запросу
В корзину
8
67300
Скоба
Кол-во
4
?
Оставить заявку
9
16-67-22
Плунжер
Кол-во
2
?
Оставить заявку
10
16-67-122
Плунжер
Кол-во
2
?
Оставить заявку
11
67335
Гнездо клапана
Кол-во
4
?
Оставить заявку
12
67157
Кольцо
Кол-во
4
?
Узнать цену
67157
Кольцо уплотнительное
Производство:
ЧТЗ
Под заказ
цена по запросу
В корзину
13
67334
Клапан
Кол-во
4
?
Оставить заявку
14
6799
Кольцо
Кол-во
4
?
Оставить заявку
15
700-42-2237
Колпак
Кол-во
4
?
Оставить заявку
16
67100
Штуцер
Кол-во
4
?
Оставить заявку
17
38304
Пружина
Кол-во
4
?
Узнать цену
38304
Пружина клапана нагнетательного
Производство:
ЧТЗ
Под заказ
цена по запросу
В корзину
18
16-67-12
Плунжер
Кол-во
2
?
Оставить заявку
19
67292СП
Колпак
Кол-во
4
?
Оставить заявку
20
16-67-8-1
Сектор зубчатый
Кол-во
4
?
Узнать цену
16-67-8-1
Сектор зубчатый
Производство:
ЧТЗ
Под заказ
цена по запросу
В корзину
21
67217
Винт
Кол-во
4
?
Узнать цену
67217
Винт сектора
Производство:
ЧТЗ
Под заказ
цена по запросу
В корзину
1
16-67-109СП
Секция насоса
Кол-во
0
?
Оставить заявку
2
16-67-101СП
Секция насоса
Кол-во
0
?
Оставить заявку
Получить консультацию
У нас большой опыт по подбору запчастей, и мы с радостью поможем вам найти нужную деталь, даже если вы не знаете ее артикул
Дмитрий Иванов
Директор отдела продаж
Мобильный номер:
8 (912) 474-74-74
E-mail:
td.uralval@mail.ru
Вы должны включить JavaScript чтобы использовать эту форму.
Ваше имя
Ваш телефон
Комментарий
Я соглашаюсь с
Политикой конфиденциальности
и даю согласие на обработку персональных данных.
Feed me
Отправить