Запчасти для грузовых автомобилей
8-800-555-32-41
Перезвоните мне
Отправить готовую заявку
0
Корзина
Поиск
КАТАЛОГ ПРОДУКЦИИ
Запчасти УРАЛ
Запчасти КамАЗ
Запчасти АМТ
Запчасти ЧТЗ
Запчасти погрузчиков Dalian
Запчасти ЯМЗ
Двигатели ЯМЗ в сборе
Запчасти Shaanxi Fast Gear
Лебедки
Спецпредложения
О компании
Доставка и оплата
Гарантии и сервис
Контакты
Графические каталоги запчастей
Капот 24-55-сб5 Т-130
Главная
/
Графические каталоги
/
ЧТЗ
/
Т-130
/
Капот 24-55-сб5
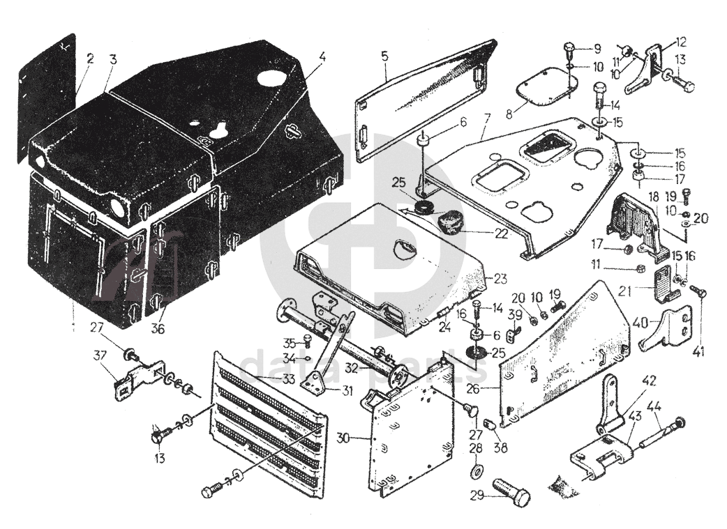
43
42
44
36
2
1
3
4
17
17
15
15
15
20
20
8
6
6
30
32
33
23
26
5
24
7
31
18
12
40
37
21
39
38
25
25
22
35
9
27
27
19
19
13
13
14
14
41
29
11
11
34
10
10
10
10
16
16
16
28
%
1
24-55-сб124
Чехол решетки радиатора
Кол-во
1
?
Оставить заявку
2
24-55-cб123
Чехол боковины правый
Кол-во
1
?
Оставить заявку
3
24-55-сб129
Чехол крыши
Кол-во
1
?
Оставить заявку
4
24-55-сб130
Чехол задний
Кол-во
1
?
Оставить заявку
5
24-55-112СП
Створка правая
Кол-во
1
?
Оставить заявку
6
18-55-408
Колпачок
Кол-во
2
?
Оставить заявку
7
24-55-сб115
Крыша задняя
Кол-во
1
?
Оставить заявку
8
18-55-407
Крышка
Кол-во
2
?
Оставить заявку
9
Болт М10х20.46.019
Болт М10х20.46.019
Кол-во
4
?
Оставить заявку
10
Шайба 10.ОТ.65Г.06
Шайба 10.ОТ.65Г.06
Кол-во
46
?
Оставить заявку
11
Гайка М 10.6.019
Гайка М 10.6.019
Кол-во
20
?
Оставить заявку
12
24-55-96
Кронштейн правый
Кол-во
1
?
Оставить заявку
13
Болт M10x30.46.019
Болт M10x30.46.019
Кол-во
12
?
Оставить заявку
14
Болт М12х25.46.019
Болт М12х25.46.019
Кол-во
6
?
Оставить заявку
15
3135
Шайба
Кол-во
16
?
Оставить заявку
16
Шайба 12.ОТ.65Г.06
Шайба 12.ОТ.65Г.06
Кол-во
10
?
Оставить заявку
17
3011
Гайка
Кол-во
8
?
Оставить заявку
18
24-55-145СП
Опора крыши
Кол-во
1
?
Оставить заявку
19
Болт M10x25.46.019
Болт M10x25.46.019
Кол-во
14
?
Оставить заявку
20
31308
Шайба
Кол-во
34
?
Оставить заявку
21
24-55-145
Крючок
Кол-во
2
?
Оставить заявку
22
700-40-3727
Амортизатор
Кол-во
1
?
Оставить заявку
23
24-55-сб109
Крыша передняя
Кол-во
1
?
Оставить заявку
24
24-55-сб114
Шарнир
Кол-во
2
?
Оставить заявку
25
700-40-3726
Прокладка
Кол-во
1
?
Оставить заявку
26
24-55-111СП
Створка левая
Кол-во
1
?
Оставить заявку
27
Болт М10х25.46.019
Болт М10х25.46.019
Кол-во
14
?
Оставить заявку
28
Шайба 24Т.65Г.06
Шайба 24Т.65Г.06
Кол-во
4
?
Оставить заявку
29
Болт М24х60.88.40Х.019
Болт М24х60.88.40Х.019
Кол-во
4
?
Оставить заявку
30
24-55-сб105
Боковина левая
Кол-во
1
?
Оставить заявку
31
24-55-сб135
Упор
Кол-во
1
?
Оставить заявку
32
24-55-сб106
Труба
Кол-во
1
?
Оставить заявку
33
24-55-сб107
Решетка
Кол-во
1
?
Оставить заявку
34
Шайба 8Т.65Г.06
Шайба 8Т.65Г.06
Кол-во
4
?
Оставить заявку
35
Болт М8х16.46.019
Болт М8х16.46.019
Кол-во
4
?
Оставить заявку
36
24-55-сб122
Чехол боковины левый
Кол-во
1
?
Оставить заявку
37
24-55-125
Крючок
Кол-во
2
?
Оставить заявку
38
50-55-12
Крючок
Кол-во
1
?
Оставить заявку
39
50-55-11
Скоба
Кол-во
1
?
Оставить заявку
40
24-55-97
Кронштейн левый
Кол-во
1
?
Оставить заявку
41
Болт М12x30.46.019
Болт М12x30.46.019
Кол-во
4
?
Оставить заявку
42
24-55-26
Петля шарнира
Кол-во
2
?
Оставить заявку
43
24-55-25
Петля шарнира
Кол-во
2
?
Оставить заявку
44
24-55-32
Ось
Кол-во
9
?
Оставить заявку
Получить консультацию
У нас большой опыт по подбору запчастей, и мы с радостью поможем вам найти нужную деталь, даже если вы не знаете ее артикул
Дмитрий Иванов
Директор отдела продаж
Мобильный номер:
8 (912) 474-74-74
E-mail:
td.uralval@mail.ru
Вы должны включить JavaScript чтобы использовать эту форму.
Ваше имя
Ваш телефон
Комментарий
Я соглашаюсь с
Политикой конфиденциальности
и даю согласие на обработку персональных данных.
Feed me
Отправить