Запчасти для грузовых автомобилей
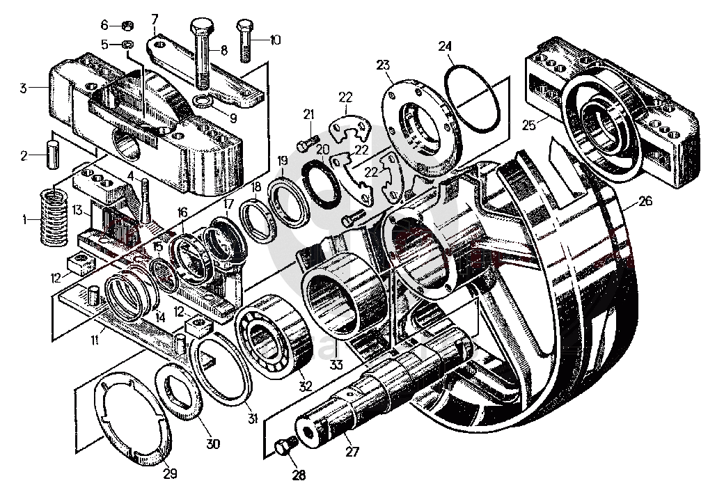
8-800-555-32-41
Перезвоните мне
Отправить готовую заявку
0
Корзина
Поиск
КАТАЛОГ ПРОДУКЦИИ
Запчасти УРАЛ
Запчасти КамАЗ
Запчасти АМТ
Запчасти ЧТЗ
Запчасти погрузчиков Dalian
Запчасти ЯМЗ
Двигатели ЯМЗ в сборе
Запчасти Shaanxi Fast Gear
Лебедки
Спецпредложения
О компании
Доставка и оплата
Гарантии и сервис
Контакты
Графические каталоги запчастей
Колеса натяжные Т-10.02
Главная
/
Графические каталоги
/
ЧТЗ
/
Т-10.02
/
Колеса натяжные
13
23
11
7
4
33
29
27
3
25
18
19
30
16
2
26
22
22
22
28
14
20
17
12
12
15
31
21
6
1
10
8
5
9
24
32
%
1
38441
Пружина
Кол-во
2
?
Оставить заявку
2
50-21-145
Штифт
Кол-во
4
?
Оставить заявку
3
24-21-124
Опора правая
Кол-во
2
?
Оставить заявку
4
18-21-45
Стопор
Кол-во
2
?
Оставить заявку
5
[Шайба 12 ОТ 65Г 09]
Шайба 12 ОТ 65Г 09
Кол-во
2
?
Оставить заявку
6
3010
Гайка
Кол-во
2
?
Оставить заявку
7
18-21-40
Крышка
Кол-во
2
?
Оставить заявку
8
[Болт М24х2х160.109.40Х.019]
Болт М24х2х160.109.40Х.019
Кол-во
8
?
Оставить заявку
9
[Шайба 24Т 65Г 09]
Шайба 24Т 65Г 09
Кол-во
8
?
Оставить заявку
10
[Болт М16х1,5х70.58.019]
Болт М16х1,5х70.58.019
Кол-во
4
?
Оставить заявку
11
50-21-123СП
Плита
Кол-во
2
?
Оставить заявку
12
700-51-2080
Бонка
Кол-во
8
?
Оставить заявку
13
24-21-119СП
Упор
Кол-во
2
?
Оставить заявку
14
700-38-2568
Пружина
Кол-во
2
?
Узнать цену
700-38-2568
Пружина
Производство:
ЧТЗ
Под заказ
цена по запросу
В корзину
15
700-58-2369
Кольцо
Кол-во
2
?
Узнать цену
700-58-2369
Кольцо пружинное
Производство:
ЧТЗ
Под заказ
цена по запросу
В корзину
16
24-21-130
Обойма
Кол-во
2
?
Оставить заявку
17
700-40-5432
Манжета
Кол-во
2
?
Оставить заявку
18
24-21-126
Кольцо
Кол-во
2
?
Оставить заявку
19
24-21-127
Кольцо
Кол-во
2
?
Оставить заявку
20
700-40-5019
Прокладка
Кол-во
2
?
Оставить заявку
21
2816
Болт
Кол-во
12
?
Оставить заявку
22
700-31-2371
Шайба
Кол-во
6
?
Оставить заявку
23
24-21-147СП
Шайба
Кол-во
2
?
Оставить заявку
24
[Кольцо 140-150-58-2-2]
Кольцо 140-150-58-2-2
Кол-во
2
?
Оставить заявку
25
24-21-125
Опора левая
Кол-во
2
?
Оставить заявку
26
50-21-212
Колесо натяжное
Кол-во
1
?
Узнать цену
50-21-212
Колесо натяжное
Производство:
ЧТЗ
Под заказ
цена по запросу
В корзину
27
24-21-123
Ось
Кол-во
1
?
Оставить заявку
28
700-37-2240
Пробка
Кол-во
1
?
Оставить заявку
29
24-21-44-01
Прокладка
Кол-во
12
?
Оставить заявку
30
24-21-129
Шайба
Кол-во
2
?
Оставить заявку
31
700-58-2500
Кольцо
Кол-во
2
?
Узнать цену
700-58-2500
Кольцо
Производство:
ЧТЗ
Под заказ
цена по запросу
В корзину
32
[Подшипник 2614КМУ]
Подшипник 2614КМУ
Кол-во
2
?
Оставить заявку
33
24-21-42
Втулка
Кол-во
1
?
Оставить заявку
Получить консультацию
У нас большой опыт по подбору запчастей, и мы с радостью поможем вам найти нужную деталь, даже если вы не знаете ее артикул
Дмитрий Иванов
Директор отдела продаж
Мобильный номер:
8 (912) 474-74-74
E-mail:
td.uralval@mail.ru
Вы должны включить JavaScript чтобы использовать эту форму.
Ваше имя
Ваш телефон
Комментарий
Я соглашаюсь с
Политикой конфиденциальности
и даю согласие на обработку персональных данных.
Feed me
Отправить